Список узлов

C2 375/400

C2 375/400 - Передние грузы

Приводы C2.05.000
Кабина в сборе/Наклейки и внутренняя отделка C2.09.000
Приспособления и аксессуары C2.10.000
Двойные колесные диски 09BD10
Тройные колесные диски 09BF10
Комплект инструмента со смазкой 09TLK01
Автоматическое рулевое управление Raven версия 2 14BE11
Комплект сигнализации движения назад (механическая трансмиссия) 14BE20
Знак тихоходного транспортного средства 16A13
Комлект автоматического руления 9ASK11
Редуктора ВОМ в сборе 9ATT11
Передние грузы 9ATT12
Переставляемое прицепное устройство 9ATT13
Комплект усиленного прицепного устройства 9ATT13a
Быстрозахватное устройство 4 категории 9ATT17
Комплект Дисплея 9CBD01
Комплекты установки дилером / 3-х точечные навески и ВОМ 9DIA11
Комплект подогревателя охлаждающей жидкости 9ENG11
Французские наклейки безопасности 9FDS11
Подставка для ноги 9FRA11
Комплект разрывных муфт 3/4 9HCK02
Комплект разрывных муфт 3/4 для SB23 9HCK03
Трехточечная навеска в сборе 9HPL01
Электрооборудование трехточечной навески модели 305-400 9HPL03
Комплект захвата для скреперной машины 9HTS11
Комплект захвата для скреперной машины 9HTS12
Комплект газоразрядных фар 9HWK11
Вилка прицепа 9ISS01
Зеркала - электроуправляемые и стандартные 9MIR11
Кронштейн установки монитора на переднюю сторону с розетками 9MMB02
Кронштейн установки монитора на переднюю сторону с розетками 9MMB11
Комплект отбора проб масла 9OSK11
Радио 9RADIO
Комплект русскоязычных наклеек безопасности 9RDS11
Комплект переоборудования ручного потенциометра 9REW01
Инструментальный ящик со ступеньками 9TLB11
Комплект буксировочного троса 9TLE10
Сервисные приспособления для ННТ и L4WD 9TLS01a
Комплект монитора рабочих характеристик 9TPM12
Комплект сиденья дополнительного 9TSK11
Комплект подкапотных ламп 9WLK11
Задние грузы (верхние и нижние) 9WTS01
Комплекты грузов и сопутствующие изделия 9WTS10
Комплекты грузов и сопутствующие изделия 9WTS10a
Комплект автоматической смазки HHT.10.001
Комплект автоматического рулевого управления Raven версия 2 HHT.10.002
Комплект автоматической смазки HHT.10.004
Комплект автоматической смазки HHT.10.013

Поиск по деталям узла Детали узла

Сроки доставки и цены будут отображаться после авторизации

Цены и корзина будут доступны после авторизации

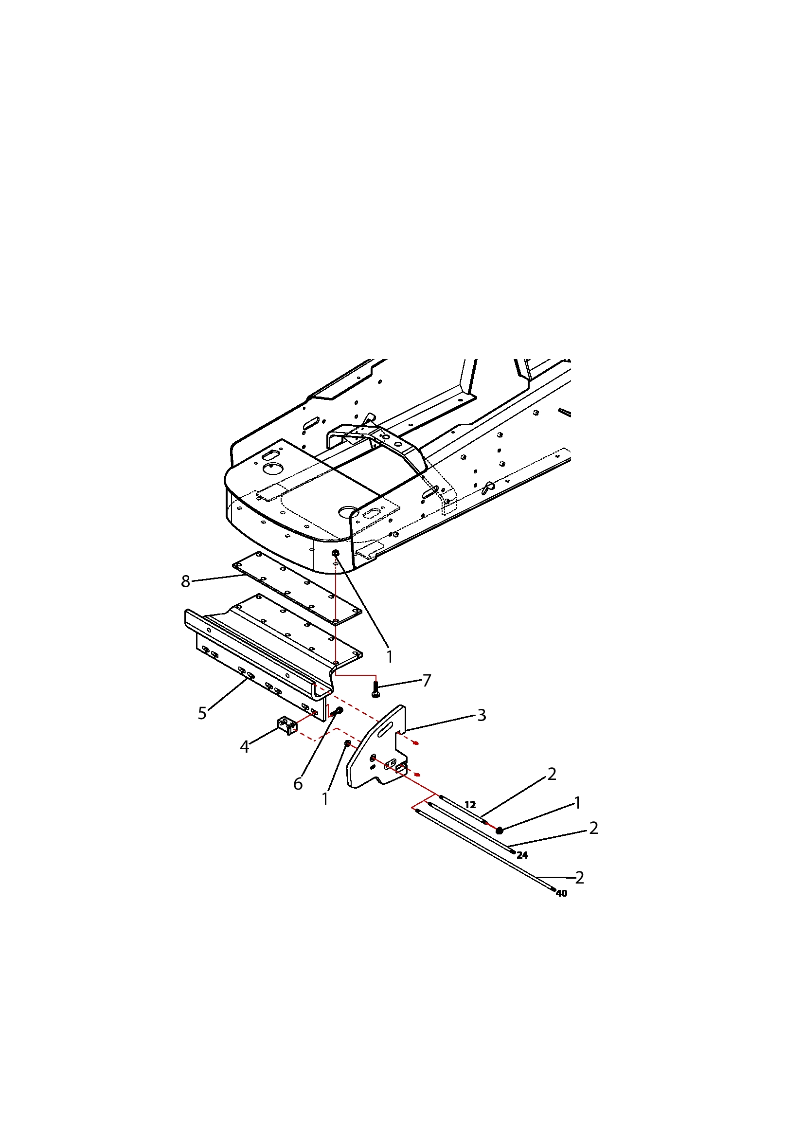
Поз. Код Чертежный номер Кол-во позиций Начало, дата Окончание, дата Наименование
2 86030570 100898452 86030570
Номер позиции: 2
Кол-во позиций: 1
Начало, дата: -
Окончание, дата: -
100898452
1
Для выбора подходящей к вашей технике детали введите в поиск код продукта или свяжитесь с дилером
Стержень стяжной - 660 мм, противовесы 24 x 30 кг
Корзина будет доступна
после авторизации
2 86014404 101572506 86014404
Номер позиции: 2
Кол-во позиций: 1
Начало, дата: -
Окончание, дата: -
101572506
1
Для выбора подходящей к вашей технике детали введите в поиск код продукта или свяжитесь с дилером
Стержень стяжной - 1102 мм, противовесы 40 х 30 кг
Корзина будет доступна
после авторизации
2 86011948 101572507 86011948
Номер позиции: 2
Кол-во позиций: 1
Начало, дата: -
Окончание, дата: -
101572507
1
Для выбора подходящей к вашей технике детали введите в поиск код продукта или свяжитесь с дилером
Стержень стяжной - 345 мм, противовесы 12 x 30 кг
Корзина будет доступна
после авторизации
3 86027848 102331553 86027848
Номер позиции: 3
Кол-во позиций: 0
Начало, дата: -
Окончание, дата: -
102331553
0 Противовес 30 кг (красный)
Корзина будет доступна
после авторизации
4 86027847 102334410 86027847
Номер позиции: 4
Кол-во позиций: 2
Начало, дата: -
Окончание, дата: -
102334410
2 Кронштейн фиксатор переднего/заднего противовеса (красный)
Корзина будет доступна
после авторизации
5 86034943 100903211 86034943
Номер позиции: 5
Кол-во позиций: 1
Начало, дата: -
Окончание, дата: -
100903211
1 КРОНШТЕЙН - ПЕРЕДНИЕ ПРОТИВОВЕСЫ сварная крнструкция (КРАСНЫЙ)
Корзина будет доступна
после авторизации
6 V44027 101574364 V44027
Номер позиции: 6
Кол-во позиций: 2
Начало, дата: -
Окончание, дата: -
101574364
2 КОЛПАЧКОВЫЙ ВИНТ- ФЛАНЦЕВЫЙ ШЕСТИГРАННИК M20 x 90мм Cl-8.8
Корзина будет доступна
после авторизации
7 382101 102331576 382101
Номер позиции: 7
Кол-во позиций: 10
Начало, дата: -
Окончание, дата: -
102331576
10 Болт с шестигранной головкой - M20 x 2,5 x 80 мм, Cl-8.8 Pl
Корзина будет доступна
после авторизации
8 86034945 100903204 86034945
Номер позиции: 8
Кол-во позиций: 1
Начало, дата: -
Окончание, дата: -
100903204
1 ПЛАСТИНА - ОПОРНАЯ, ПЕРЕДНИЕ ПРОТИВОВЕСЫ В СБОРЕ (КРАСНАЯ)
Корзина будет доступна
после авторизации
Запрос на смену дилера
Сообщение для дилера
Заявка на ремонт