Поиск по деталям узла Детали узла
Сроки доставки и цены будут отображаться после авторизации
Цены и корзина будут доступны после авторизации
| Поз. | Код | Чертежный номер | Кол-во позиций | Начало, дата | Окончание, дата | Наименование | ||||
|---|---|---|---|---|---|---|---|---|---|---|
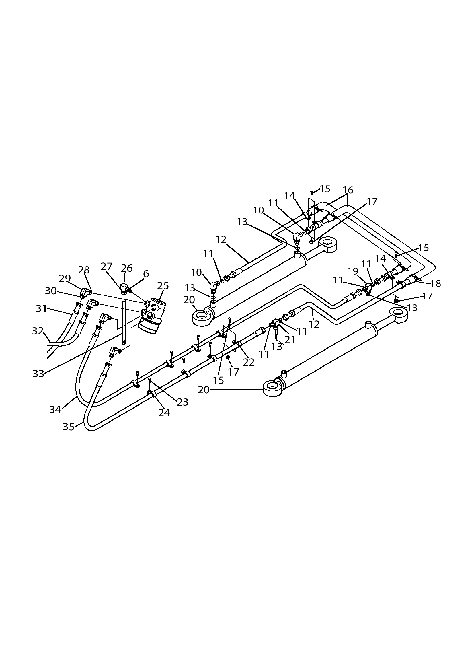
| 6 | 165202 | 101571462 | 165202 |
Номер позиции:
6
Кол-во позиций:
1
Начало, дата:
-
Окончание, дата:
-
101571462 |
1 | КОЛЬЦО - УПЛОТНЕНИЕ, Duro-90 Id-0.351" ТОЛЩИНА-0.072" |
Корзина будет доступна
после авторизации |
|||
| 10 | 86505941 | 100898209 | 86505941 |
Номер позиции:
10
Кол-во позиций:
2
Начало, дата:
-
Окончание, дата:
-
100898209 |
2 | Угловой фитинг 90° Orfs:1.00 Orb:7/8 |
Корзина будет доступна
после авторизации |
|||
| 11 | 9992069 | 101571463 | 9992069 |
Номер позиции:
11
Кол-во позиций:
4
Начало, дата:
-
Окончание, дата:
-
101571463 |
4 | КОЛЬЦО - РЕЗИНА Id-0.614 ТОЛЩИНА-0.070 |
Корзина будет доступна
после авторизации |
|||
| 12 | 86036571 | 100906308 | 86036571 |
Номер позиции:
12
Кол-во позиций:
2
Начало, дата:
-
Окончание, дата:
-
100906308 |
2 | ШЛАНГ - ГИДРАВЛИКА В СБОРЕ 1/2 x 1400 100R17 |
Корзина будет доступна
после авторизации |
|||
| 13 | 167269 | 101571464 | 167269 |
Номер позиции:
13
Кол-во позиций:
4
Начало, дата:
-
Окончание, дата:
-
101571464 |
4 | Кольцо уплотнительное - ID-19,18 х 2,46 мм |
Корзина будет доступна
после авторизации |
|||
| 14 | 00033721 | 101571108 | 00033721 |
Номер позиции:
14
Кол-во позиций:
4
Начало, дата:
-
Окончание, дата:
-
101571108 |
4 | КЛИПСА С ПОКРЫТИЕМ 7/8 DIA |
Корзина будет доступна
после авторизации |
|||
| 15 | 00043138 | 101571465 | 00043138 |
Номер позиции:
15
Кол-во позиций:
3
Начало, дата:
-
Окончание, дата:
-
101571465 |
3 | Винт с шестигранной головкой - M10 x 1,5 x 20 мм, Cl-8.8 |
Корзина будет доступна
после авторизации |
|||
| 16 | 86034051 | 100903531 | 86034051 |
Номер позиции:
16
Кол-во позиций:
2
Начало, дата:
-
Окончание, дата:
-
100903531 |
2 | Рукав защитный черный D-1.25" L-1725 мм |
Корзина будет доступна
после авторизации |
|||
| 17 | 00043435 | 101571078 | 00043435 |
Номер позиции:
17
Кол-во позиций:
3
Начало, дата:
-
Окончание, дата:
-
101571078 |
3 | ШЕСТИГРАННАЯ ГАЙКА, ФЛАНЦЕВАЯ M10 Usr Пл |
Корзина будет доступна
после авторизации |
|||
| 18 | 00033451 | 101566625 | 00033451 |
Номер позиции:
18
Кол-во позиций:
4
Начало, дата:
-
Окончание, дата:
-
101566625 |
4 | Стяжка нейлоновая, L-365мм |
Корзина будет доступна
после авторизации |
|||
| 20 | 86029083 | 100895955 | 86029083 |
Номер позиции:
20
Кол-во позиций:
2
Начало, дата:
-
Окончание, дата:
-
100895955 |
2 | Гидроцилиндр рулевого управления - D3,5", ход поршня 16,5" (красный) |
Корзина будет доступна
после авторизации |
|||
| 21 | 86033547 | 100903654 | 86033547 |
Номер позиции:
21
Кол-во позиций:
1
Начало, дата:
-
Окончание, дата:
-
100903654 |
1 | Тройник-ответвитель - 1" x 7/8" |
Корзина будет доступна
после авторизации |
|||
| 22 | 00086372 | 101571467 | 00086372 |
Номер позиции:
22
Кол-во позиций:
2
Начало, дата:
-
Окончание, дата:
-
101571467 |
2 | КЛИПСА С ПОКРЫТИЕМ Dia-1.25" |
Корзина будет доступна
после авторизации |
|||
| 23 | 86030148 | 102334087 | 86030148 |
Номер позиции:
23
Кол-во позиций:
6
Начало, дата:
-
Окончание, дата:
-
102334087 |
6 | Винт шестигранный фланцевый M10х16 кл.8.8 |
Корзина будет доступна
после авторизации |
|||
| 24 | 09673060 | 101571468 | 09673060 |
Номер позиции:
24
Кол-во позиций:
6
Начало, дата:
-
Окончание, дата:
-
101571468 |
6 | КЛИПСА С ПОКРЫТИЕМ Dia-1-3/16 |
Корзина будет доступна
после авторизации |
|||
| 25 | 9706460 | 102333355 | 9706460 |
Номер позиции:
25
Кол-во позиций:
1
Начало, дата:
-
Окончание, дата:
-
102333355 |
1 | Насос дозатор |
Корзина будет доступна
после авторизации |
|||
| 26 | 9843592 | 100909790 | 9843592 |
Номер позиции:
26
Кол-во позиций:
1
Начало, дата:
-
Окончание, дата:
-
100909790 |
1 | УГОЛОК - ГИДРАВЛИЧЕСКИЙ ФИТТИНГ 90-ГРАД., 7/16orb 11/16ofs |
Корзина будет доступна
после авторизации |
|||
| 27 | 9993141 | 101571470 | 9993141 |
Номер позиции:
27
Кол-во позиций:
1
Начало, дата:
-
Окончание, дата:
-
101571470 |
1 | КОЛЬЦО, Id-0.364 ТОЛЩИНА-0.070 КАУЧУК |
Корзина будет доступна
после авторизации |
|||
| 29 | 9846848 | 101571471 | 9846848 |
Номер позиции:
29
Кол-во позиций:
4
Начало, дата:
-
Окончание, дата:
-
101571471 |
4 | УГОЛОК - ГИДРАВЛИЧЕСКИЙ СОЕДИНИТЕЛЬ 90-ГРАД. 1-13/16orfs 1-1/16orb |
Корзина будет доступна
после авторизации |
|||
| 30 | 9991976 | 101571472 | 9991976 |
Номер позиции:
30
Кол-во позиций:
4
Начало, дата:
-
Окончание, дата:
-
101571472 |
4 | КОЛЬЦО, Id-0.739 ТОЛЩИНА-0.070 КАУЧУК |
Корзина будет доступна
после авторизации |
|||
| 31 | 86032819 | 101571473 | 86032819 |
Номер позиции:
31
Кол-во позиций:
1
Начало, дата:
-
Окончание, дата:
-
101571473 |
1 | ШЛАНГ - ГИДРАВЛИКА В СБОРЕ , 3/4 x 1200 100r1 |
Корзина будет доступна
после авторизации |
|||
| 32 | 86032839 | 100904053 | 86032839 |
Номер позиции:
32
Кол-во позиций:
1
Начало, дата:
-
Окончание, дата:
-
100904053 |
1 | Шланг гидравлический в сборе - 3/4" x 875 100R17 |
Корзина будет доступна
после авторизации |
|||
| 33 | 86032842 | 100904056 | 86032842 |
Номер позиции:
33
Кол-во позиций:
1
Начало, дата:
-
Окончание, дата:
-
100904056 |
1 | Шланг гидравлический в сборе - 3/8" x 750 100r17 |
Корзина будет доступна
после авторизации |
|||
| 34 | 86035251 | 101573600 | 86035251 |
Номер позиции:
34
Кол-во позиций:
1
Начало, дата:
-
Окончание, дата:
-
101573600 |
1 | ШЛАНГ - ГИДРАВЛИКА В СБОРЕ 3/4 x 3150 100r17 |
Корзина будет доступна
после авторизации |
|||
| 35 | 86035250 | 101573601 | 86035250 |
Номер позиции:
35
Кол-во позиций:
1
Начало, дата:
-
Окончание, дата:
-
101573601 |
1 | ШЛАНГ - ГИДРАВЛИКА В СБОРЕ 3/4 x 2800 100r17 |
Корзина будет доступна
после авторизации |