Список узлов

C2 375/400

C2 375/400 - Верхняя крышка переключения передач в сборе

Приводы C2.05.000
Мост в сборе и его установка 04A11
Дифференциал без блокировки 04B12
Трансмиссия механическая 12-ти скоростная 07D11
Выходной вал трансмиссии 07D12
Первичный вал трансмиссии 07D13
Второй промежуточный вал 07D15
Система смазки трансмиссии 07D16
Главная муфта сцепления 07D17
Система всасывания механической трансмиссии 07D18
Механизм выбора передачи в сборе 07G12
Педаль сцепления для 12-ти скоростной механической 5CLS01
Верхняя крышка переключения передач в сборе 5TRN01
Первый промежуточный вал 5TRN16
Система всасывания механической трансмиссии 5TRN20a
Монтаж механической трансмиссии 5TRN21
Шестеренный насос смазки трансмиссии 5TRP01
Тандем насосв синхротрансмиссии 5TRP02
Кабина в сборе/Наклейки и внутренняя отделка C2.09.000
Приспособления и аксессуары C2.10.000

Поиск по деталям узла Детали узла

Сроки доставки и цены будут отображаться после авторизации

Цены и корзина будут доступны после авторизации

Поз. Код Чертежный номер Кол-во позиций Начало, дата Окончание, дата Наименование
- 86031863 100896552 86031863
Номер позиции: -
Кол-во позиций: 1
Начало, дата: -
Окончание, дата: -
100896552
1
Для выбора подходящей к вашей технике детали введите в поиск код продукта или свяжитесь с дилером
ТРАНСМИССИЯ - 12-СКОРОСТНАЯ В СБОРЕ SYNCHRO, МОДЕЛИ ТМ78/С2
Корзина будет доступна
после авторизации
- 86033309 101571642 86033309
Номер позиции: -
Кол-во позиций: 1
Начало, дата: -
Окончание, дата: -
101571642
1
Для выбора подходящей к вашей технике детали введите в поиск код продукта или свяжитесь с дилером
ТРАНСМИССИЯ - 12-СКОРОСТНАЯ В СБОРЕ SYNCHRO, ТМ88 ННР - БОЛЬШОЙ ВЫХОДНОЙ ВАЛ
Корзина будет доступна
после авторизации
- 86031867 101573068 86031867
Номер позиции: -
Кол-во позиций: 1
Начало, дата: -
Окончание, дата: -
101573068
1
Для выбора подходящей к вашей технике детали введите в поиск код продукта или свяжитесь с дилером
ТРАНСМИССИЯ - 12-СКОРОСТНАЯ В СБОРЕ SYNCHRO, ТМ88 ННР -L4WD
Корзина будет доступна
после авторизации
1 86001253 101573069 86001253
Номер позиции: 1
Кол-во позиций: 2
Начало, дата: -
Окончание, дата: -
101573069
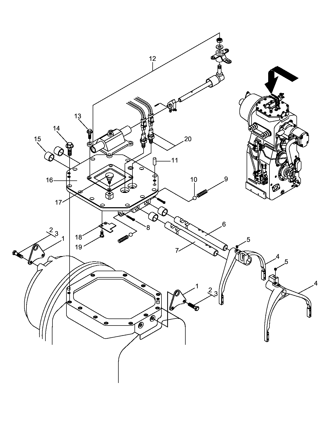
2 ПЛАСТИНА - ВЕРНИЙ ПОДЪЕМНИК, ТРАНСМИССИЯ В СБОРЕ, L4WD
Корзина будет доступна
после авторизации
2 00300388 101573070 00300388
Номер позиции: 2
Кол-во позиций: 4
Начало, дата: -
Окончание, дата: -
101573070
4 КОЛПАЧКОВЫЙ ВИНТ- ШЕСТИГРАННИК M12 x 1.75 x 25 8.8 Пл
Корзина будет доступна
после авторизации
3 86511324 102331667 86511324
Номер позиции: 3
Кол-во позиций: 4
Начало, дата: -
Окончание, дата: -
102331667
4 Шайба 13.27x24.00x2.500 PL
Корзина будет доступна
после авторизации
4 86019037 101573071 86019037
Номер позиции: 4
Кол-во позиций: 2
Начало, дата: -
Окончание, дата: -
101573071
2 ВИЛКА - ПЕРКЛЮЧЕНИЕ СКОРОСТЕЙ, ТРАНСМИССИЯ В СБОРЕ, L4WD
Корзина будет доступна
после авторизации
5 86001282 101573072 86001282
Номер позиции: 5
Кол-во позиций: 4
Начало, дата: -
Окончание, дата: -
101573072
4 Винт - Набор, Головка M10 x 1.5 x 10
Корзина будет доступна
после авторизации
6 86019035 101573073 86019035
Номер позиции: 6
Кол-во позиций: 1
Начало, дата: -
Окончание, дата: -
101573073
1 НАПРАВЛЯЮЩАЯ - ПЕРЕКЛЮЧЕНИЕ А, СКОРОСТИ 1 И 2, ТРАНСМИССИЯ В СБОРЕ L4WD
Корзина будет доступна
после авторизации
7 86019036 101573074 86019036
Номер позиции: 7
Кол-во позиций: 1
Начало, дата: -
Окончание, дата: -
101573074
1 НАПРАВЛЯЮЩАЯ - ПЕРЕКЛЮЧЕНИЕ В, СКОРОСТИ 3 И 4, ТРАНСМИССИЯ В СБОРЕ L4WD
Корзина будет доступна
после авторизации
8 00088350 101573075 00088350
Номер позиции: 8
Кол-во позиций: 2
Начало, дата: -
Окончание, дата: -
101573075
2 ШТЫРЬ - ШПЛИНТ 0,15" Х 1,50"
Корзина будет доступна
после авторизации
9 86001288 101573076 86001288
Номер позиции: 9
Кол-во позиций: 2
Начало, дата: -
Окончание, дата: -
101573076
2 ПРУЖИНА - НАПРАВЛЯЮЩАЯЯ, ДЛИНА 42ММ, ТРАНСМИССИЯ
Корзина будет доступна
после авторизации
10 00511112 101573077 00511112
Номер позиции: 10
Кол-во позиций: 2
Начало, дата: -
Окончание, дата: -
101573077
2 Металическое шаровое гнездо диам-13/32дюйм., локализация/блокировка
Корзина будет доступна
после авторизации
11 86508495 101572744 86508495
Номер позиции: 11
Кол-во позиций: 2
Начало, дата: -
Окончание, дата: -
101572744
2 ШТЫРЬ - УСТАНОВОЧНЫЙ 12 x 24, Hdn & Grd
Корзина будет доступна
после авторизации
12 86033611 101573078 86033611
Номер позиции: 12
Кол-во позиций: 1
Начало, дата: -
Окончание, дата: -
101573078
1
Для выбора подходящей к вашей технике детали введите в поиск код продукта или свяжитесь с дилером
ПРЕОБРАЗОВАТЕЛЬ - ПЕРЕКЛЮЧАТЕЛЬ В СБОРЕ, ТРАНСМИССИЯ ННР L4WD
Корзина будет доступна
после авторизации
12 86025254 101573872 86025254
Номер позиции: 12
Кол-во позиций: 1
Начало, дата: -
Окончание, дата: -
101573872
1
Для выбора подходящей к вашей технике детали введите в поиск код продукта или свяжитесь с дилером
Прееобразователь - механизм переключения передач (синхронный)
Корзина будет доступна
после авторизации
13 86019038 101573079 86019038
Номер позиции: 13
Кол-во позиций: 4
Начало, дата: -
Окончание, дата: -
101573079
4 Болт - полу-призонный, преобразователь, трансмиссия
Корзина будет доступна
после авторизации
14 9670066 102331464 9670066
Номер позиции: 14
Кол-во позиций: 10
Начало, дата: -
Окончание, дата: -
102331464
10 Винт с шестигранной головкой и фланцем - M12 x 30 мм, Cl-8.8 Pl FLG
Корзина будет доступна
после авторизации
15 86019006 101573080 86019006
Номер позиции: 15
Кол-во позиций: 4
Начало, дата: -
Окончание, дата: -
101573080
4 ВТУЛКА - СДВИЖНОЙ РЕЛЬС, ТРАНСМИССИЯ В СБОРЕ L4WD
Корзина будет доступна
после авторизации
16 86019034 101573081 86019034
Номер позиции: 16
Кол-во позиций: 1
Начало, дата: -
Окончание, дата: -
101573081
1
Для выбора подходящей к вашей технике детали введите в поиск код продукта или свяжитесь с дилером
КРЫШКА - ПЕРЕКЛЮЧАТЕЛЬ В СБОРЕ, ТРАНСМИССИЯ 12-СКОРОСТНАЯ, L4WD
Корзина будет доступна
после авторизации
16 86035982 101573082 86035982
Номер позиции: 16
Кол-во позиций: 1
Начало, дата: -
Окончание, дата: -
101573082
1
Для выбора подходящей к вашей технике детали введите в поиск код продукта или свяжитесь с дилером
КРЫШКА - ПЕРЕКЛЮЧАТЕЛЬ В СБОРЕ, ТРАНСМИССИЯ 12-СКОРОСТНАЯ
Корзина будет доступна
после авторизации
17 00012179 101573083 00012179
Номер позиции: 17
Кол-во позиций: 1
Начало, дата: -
Окончание, дата: -
101573083
1 ЗАГЛУШКА - ТРУБА, ШЕСТИГРАННИК, NPTF 3/8 - 18
Корзина будет доступна
после авторизации
18 86019039 101573084 86019039
Номер позиции: 18
Кол-во позиций: 1
Начало, дата: -
Окончание, дата: -
101573084
1 ПЛАСТИНА - ПЕРЕГОРОДКА, КРЫШКА ПЕРЕКЛЮЧАТЕЛЯ В СБОРЕ, ТРАНСМИССИЯ
Корзина будет доступна
после авторизации
19 00336199 101573085 00336199
Номер позиции: 19
Кол-во позиций: 2
Начало, дата: -
Окончание, дата: -
101573085
2 КОЛПАЧКОВЫЙ ВИНТ- ШЕСТИГРАННИК ОМЫВАТЕЛЯ, Cl-8.8 M8 x 1.25 x 12
Корзина будет доступна
после авторизации
Запрос на смену дилера
Сообщение для дилера
Заявка на ремонт