Список узлов

C2 375/400

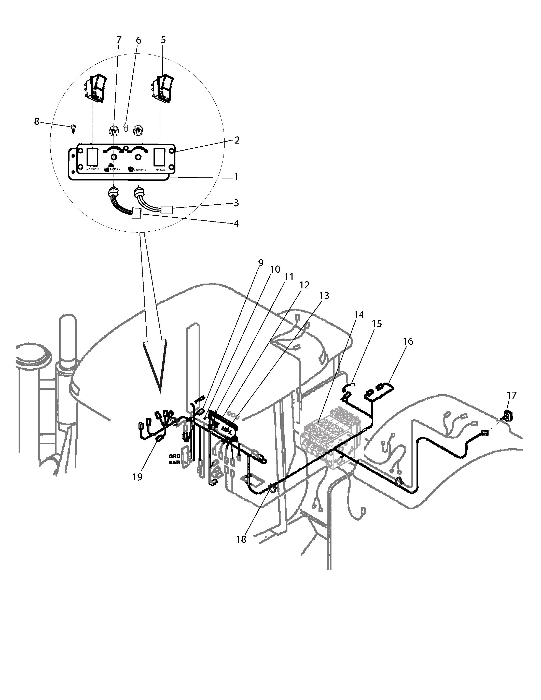
C2 375/400 - Электрооборудование трехточечной навески модели 305-400

Приводы C2.05.000
Кабина в сборе/Наклейки и внутренняя отделка C2.09.000
Приспособления и аксессуары C2.10.000
Двойные колесные диски 09BD10
Тройные колесные диски 09BF10
Комплект инструмента со смазкой 09TLK01
Автоматическое рулевое управление Raven версия 2 14BE11
Комплект сигнализации движения назад (механическая трансмиссия) 14BE20
Знак тихоходного транспортного средства 16A13
Комлект автоматического руления 9ASK11
Редуктора ВОМ в сборе 9ATT11
Передние грузы 9ATT12
Переставляемое прицепное устройство 9ATT13
Комплект усиленного прицепного устройства 9ATT13a
Быстрозахватное устройство 4 категории 9ATT17
Комплект Дисплея 9CBD01
Комплекты установки дилером / 3-х точечные навески и ВОМ 9DIA11
Комплект подогревателя охлаждающей жидкости 9ENG11
Французские наклейки безопасности 9FDS11
Подставка для ноги 9FRA11
Комплект разрывных муфт 3/4 9HCK02
Комплект разрывных муфт 3/4 для SB23 9HCK03
Трехточечная навеска в сборе 9HPL01
Электрооборудование трехточечной навески модели 305-400 9HPL03
Комплект захвата для скреперной машины 9HTS11
Комплект захвата для скреперной машины 9HTS12
Комплект газоразрядных фар 9HWK11
Вилка прицепа 9ISS01
Зеркала - электроуправляемые и стандартные 9MIR11
Кронштейн установки монитора на переднюю сторону с розетками 9MMB02
Кронштейн установки монитора на переднюю сторону с розетками 9MMB11
Комплект отбора проб масла 9OSK11
Радио 9RADIO
Комплект русскоязычных наклеек безопасности 9RDS11
Комплект переоборудования ручного потенциометра 9REW01
Инструментальный ящик со ступеньками 9TLB11
Комплект буксировочного троса 9TLE10
Сервисные приспособления для ННТ и L4WD 9TLS01a
Комплект монитора рабочих характеристик 9TPM12
Комплект сиденья дополнительного 9TSK11
Комплект подкапотных ламп 9WLK11
Задние грузы (верхние и нижние) 9WTS01
Комплекты грузов и сопутствующие изделия 9WTS10
Комплекты грузов и сопутствующие изделия 9WTS10a
Комплект автоматической смазки HHT.10.001
Комплект автоматического рулевого управления Raven версия 2 HHT.10.002
Комплект автоматической смазки HHT.10.004
Комплект автоматической смазки HHT.10.013

Поиск по деталям узла Детали узла

Сроки доставки и цены будут отображаться после авторизации

Цены и корзина будут доступны после авторизации

Поз. Код Чертежный номер Кол-во позиций Начало, дата Окончание, дата Наименование
1 86038072 101572653 86038072
Номер позиции: 1
Кол-во позиций: 1
Начало, дата: -
Окончание, дата: -
101572653
1 ПЛАСТИНА - ПАНЕЛЬ УПРАВЛЕНИЯ 3РТН
Корзина будет доступна
после авторизации
2 86038073 101572654 86038073
Номер позиции: 2
Кол-во позиций: 1
Начало, дата: -
Окончание, дата: -
101572654
1 БИРКА - ПАНЕЛЬ УПРАВЛЕНИЯ 3РТН
Корзина будет доступна
после авторизации
3 86002423 102332070 86002423
Номер позиции: 3
Кол-во позиций: 1
Начало, дата: -
Окончание, дата: -
102332070
1
Для выбора подходящей к вашей технике детали введите в поиск код продукта или свяжитесь с дилером
Проводка потенциометра
Корзина будет доступна
после авторизации
3 РДЕС.434175.002 104114625 РДЕС.434175.002
Номер позиции: 3
Кол-во позиций: 1
Начало, дата: -
Окончание, дата: -
104114625
1
Для выбора подходящей к вашей технике детали введите в поиск код продукта или свяжитесь с дилером
Потенциометр
Корзина будет доступна
после авторизации
4 Проводка потенциометра в сборе 86002448 102332071 Проводка потенциометра в сборе 86002448
Номер позиции: 4
Кол-во позиций: 1
Начало, дата: -
Окончание, дата: -
102332071
1
Для выбора подходящей к вашей технике детали введите в поиск код продукта или свяжитесь с дилером
Проводка потенциометра в сборе 86002448
Корзина будет доступна
после авторизации
4 РДЕС.434175.003 104114624 РДЕС.434175.003
Номер позиции: 4
Кол-во позиций: 1
Начало, дата: -
Окончание, дата: -
104114624
1
Для выбора подходящей к вашей технике детали введите в поиск код продукта или свяжитесь с дилером
Потенциометр
Корзина будет доступна
после авторизации
5 86000538 102332069 86000538
Номер позиции: 5
Кол-во позиций: 2
Начало, дата: -
Окончание, дата: -
102332069
2 Переключатель трехточечной навески
Корзина будет доступна
после авторизации
6 9673037 102332061 9673037
Номер позиции: 6
Кол-во позиций: 1
Начало, дата: -
Окончание, дата: -
102332061
1 Лампа
Корзина будет доступна
после авторизации
7 86018882 100905656 86018882
Номер позиции: 7
Кол-во позиций: 2
Начало, дата: -
Окончание, дата: -
100905656
2 РУЧКА - АБС (ЧЕРНАЯ) 29ММ, ПРУЖИННАЯ КЛИПСА В СБОРЕ
Корзина будет доступна
после авторизации
8 9673088 102333403 9673088
Номер позиции: 8
Кол-во позиций: 4
Начало, дата: -
Окончание, дата: -
102333403
4 Винт
Корзина будет доступна
после авторизации
9 9811773 101571384 9811773
Номер позиции: 9
Кол-во позиций: 1
Начало, дата: -
Окончание, дата: -
101571384
1 Предохранитель - 10Амп красный Пл
Корзина будет доступна
после авторизации
10 9804255 102331165 9804255
Номер позиции: 10
Кол-во позиций: 4
Начало, дата: -
Окончание, дата: -
102331165
4 Винт с шестигранной головкой и фланцем - M6 x 16 мм, Cl-8.8 Pl
Корзина будет доступна
после авторизации
11 86511444 101565589 86511444
Номер позиции: 11
Кол-во позиций: 4
Начало, дата: -
Окончание, дата: -
101565589
4 Гайка шестигранная, фланцевая M6 x 1.00
Корзина будет доступна
после авторизации
12 86036379SRV 101572659 86036379SRV
Номер позиции: 12
Кол-во позиций: 1
Начало, дата: -
Окончание, дата: -
101572659
1 МОДУЛЬ УПРАВЛЕНИЯ - 3РТН С ПРОГРАММНЫМ ОБЕСПЕЧЕНИЕМ
Корзина будет доступна
после авторизации
13 86039084 101572660 86039084
Номер позиции: 13
Кол-во позиций: 1
Начало, дата: -
Окончание, дата: -
101572660
1 БИРКА HПл
Корзина будет доступна
после авторизации
14 86035395 101480678 86035395
Номер позиции: 14
Кол-во позиций: 1
Начало, дата: -
Окончание, дата: -
101480678
1 СЕГМЕНТ - ГИДРОКЛАПАН В СБОРЕ, HПл SB23
Корзина будет доступна
после авторизации
16 86039303 101572662 86039303
Номер позиции: 16
Кол-во позиций: 1
Начало, дата: -
Окончание, дата: -
101572662
1 ПРОВОД - В СБОРЕ
Корзина будет доступна
после авторизации
17 86034364 100903410 86034364
Номер позиции: 17
Кол-во позиций: 0
Начало, дата: -
Окончание, дата: -
100903410
0 ПЕРЕКЛЮЧАТЕЛЬ - 3-ПОЗИЦИОННЫЙ
Корзина будет доступна
после авторизации
18 00033451 101566625 00033451
Номер позиции: 18
Кол-во позиций: 12
Начало, дата: -
Окончание, дата: -
101566625
12 Стяжка нейлоновая, L-365мм
Корзина будет доступна
после авторизации
19 86034940 100903210 86034940
Номер позиции: 19
Кол-во позиций: 1
Начало, дата: -
Окончание, дата: -
100903210
1 РЕЛЕ - КОНТРОЛЬ ВРЕМЕНИ, 12В
Корзина будет доступна
после авторизации
Запрос на смену дилера
Сообщение для дилера
Заявка на ремонт