Список узлов

C2 375/400

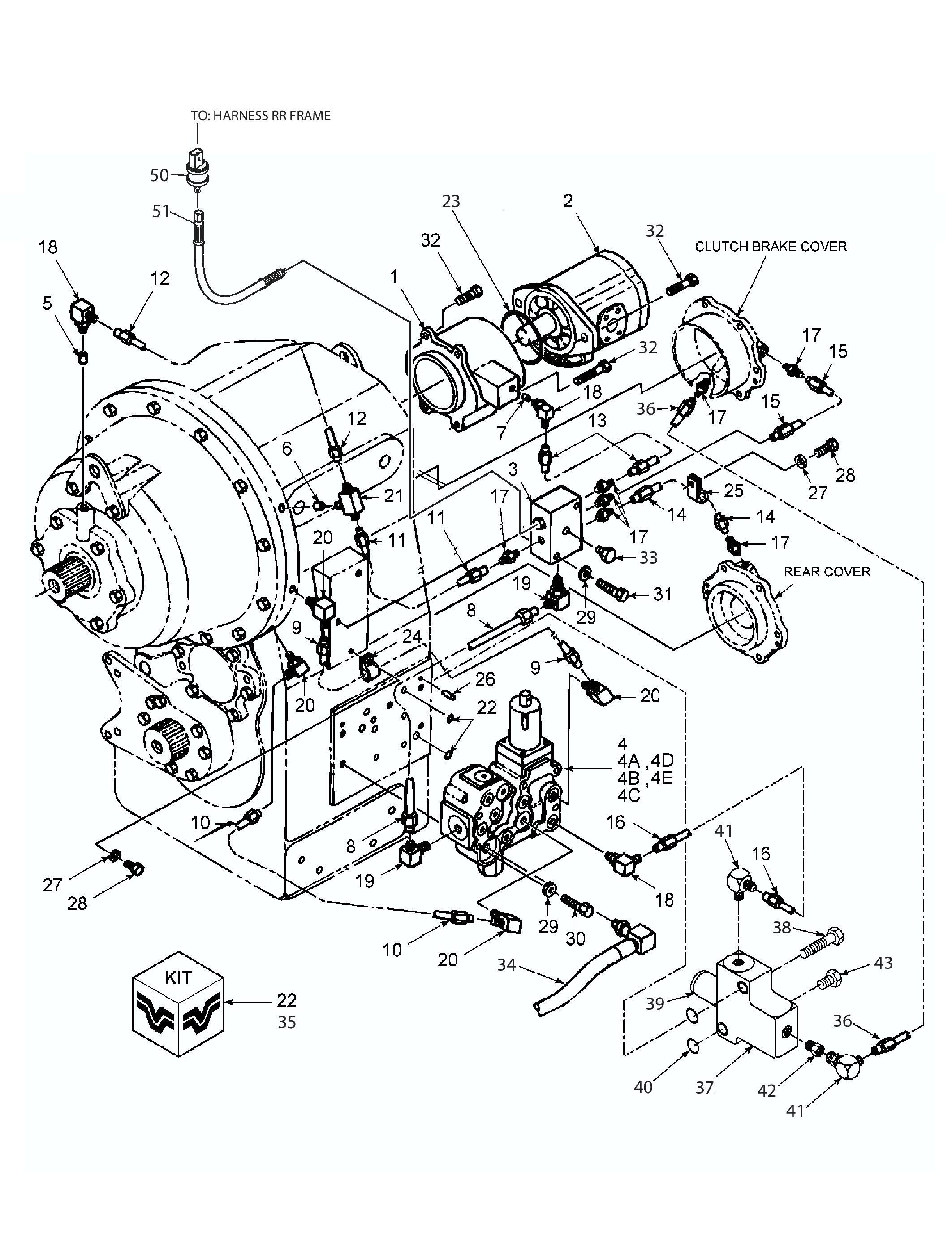
C2 375/400 - Система смазки трансмиссии

Приводы C2.05.000
Мост в сборе и его установка 04A11
Дифференциал без блокировки 04B12
Трансмиссия механическая 12-ти скоростная 07D11
Выходной вал трансмиссии 07D12
Первичный вал трансмиссии 07D13
Второй промежуточный вал 07D15
Система смазки трансмиссии 07D16
Главная муфта сцепления 07D17
Система всасывания механической трансмиссии 07D18
Механизм выбора передачи в сборе 07G12
Педаль сцепления для 12-ти скоростной механической 5CLS01
Верхняя крышка переключения передач в сборе 5TRN01
Первый промежуточный вал 5TRN16
Система всасывания механической трансмиссии 5TRN20a
Монтаж механической трансмиссии 5TRN21
Шестеренный насос смазки трансмиссии 5TRP01
Тандем насосв синхротрансмиссии 5TRP02
Кабина в сборе/Наклейки и внутренняя отделка C2.09.000
Приспособления и аксессуары C2.10.000

Поиск по деталям узла Детали узла

Сроки доставки и цены будут отображаться после авторизации

Цены и корзина будут доступны после авторизации

Поз. Код Чертежный номер Кол-во позиций Начало, дата Окончание, дата Наименование
2 86031635 101571619 86031635
Номер позиции: 2
Кол-во позиций: 1
Начало, дата: -
Окончание, дата: -
101571619
1 НАСОС - ГИДРАВЛИЧЕСКИЙ ТАНДЕМНЫЙ, СМАЗКА ТРАНСМИССИИ
Корзина будет доступна
после авторизации
3 86001254 101573096 86001254
Номер позиции: 3
Кол-во позиций: 1
Начало, дата: -
Окончание, дата: -
101573096
1 Блок смазочный - система смазки трансмиссии (синхронизированная)
Корзина будет доступна
после авторизации
5 86001347 101573132 86001347
Номер позиции: 5
Кол-во позиций: 1
Начало, дата: -
Окончание, дата: -
101573132
1 Жиклер - M8 x 1.25 - D1.8
Корзина будет доступна
после авторизации
6 86001271 101573147 86001271
Номер позиции: 6
Кол-во позиций: 1
Начало, дата: -
Окончание, дата: -
101573147
1 Жиклер - M8 x 1.25 - D4 система смазки трансмиссии
Корзина будет доступна
после авторизации
7 86001046 101572743 86001046
Номер позиции: 7
Кол-во позиций: 1
Начало, дата: -
Окончание, дата: -
101572743
1 Жиклер - M8 x 1.25" - D,25" система смазки трансмиссии
Корзина будет доступна
после авторизации
8 86001255 101573104 86001255
Номер позиции: 8
Кол-во позиций: 1
Начало, дата: -
Окончание, дата: -
101573104
1 Патрубок в сборе 3/4" трансмиссионное масло
Корзина будет доступна
после авторизации
9 86001256 101573102 86001256
Номер позиции: 9
Кол-во позиций: 1
Начало, дата: -
Окончание, дата: -
101573102
1 Патрубок в сборе 5/8" - главный механизм сцепления
Корзина будет доступна
после авторизации
10 86001257 101573105 86001257
Номер позиции: 10
Кол-во позиций: 1
Начало, дата: -
Окончание, дата: -
101573105
1 Патрубок в сборе 5/8" - для смазки главного сцепления
Корзина будет доступна
после авторизации
11 86001258 101573098 86001258
Номер позиции: 11
Кол-во позиций: 1
Начало, дата: -
Окончание, дата: -
101573098
1 Патрубок в сборе 3/8" - для трансмиссионного масла L4WD
Корзина будет доступна
после авторизации
12 86001259 101573903 86001259
Номер позиции: 12
Кол-во позиций: 1
Начало, дата: -
Окончание, дата: -
101573903
1 Патрубок в сборе 3/8" - для входного патрубка трансмиссионного масла
Корзина будет доступна
после авторизации
13 86001260 101573095 86001260
Номер позиции: 13
Кол-во позиций: 1
Начало, дата: -
Окончание, дата: -
101573095
1 Патрубок в сборе 3/8" - для встроенной системы смазки заднего моста
Корзина будет доступна
после авторизации
14 86011722 101573093 86011722
Номер позиции: 14
Кол-во позиций: 1
Начало, дата: -
Окончание, дата: -
101573093
1 Патрубок в сборе 3/8" - для трансмиссионного масла (блок смазки односкоростного типа)
Корзина будет доступна
после авторизации
15 86001262 101573094 86001262
Номер позиции: 15
Кол-во позиций: 1
Начало, дата: -
Окончание, дата: -
101573094
1 Патрубок в сборе 3/8" - для трансмиссионного масла (промежуточный вал первой передачи)
Корзина будет доступна
после авторизации
16 86019050 101573086 86019050
Номер позиции: 16
Кол-во позиций: 1
Начало, дата: -
Окончание, дата: -
101573086
1 Патрубока в сборе - главный тормоз сцепления, соленоид
Корзина будет доступна
после авторизации
17 00002717 101573904 00002717
Номер позиции: 17
Кол-во позиций: 7
Начало, дата: -
Окончание, дата: -
101573904
7 РАЗЪЕМ 37d ИЛИ 6 ИСП. 76350
Корзина будет доступна
после авторизации
18 V2724 101573905 V2724
Номер позиции: 18
Кол-во позиций: 3
Начало, дата: -
Окончание, дата: -
101573905
3 УГОЛОК - РАЗЪЕМ 9/16 - 18unf
Корзина будет доступна
после авторизации
19 16338 101573906 16338
Номер позиции: 19
Кол-во позиций: 2
Начало, дата: -
Окончание, дата: -
101573906
2 УГОЛОК - ГИДРАВЛИКА, 90 ГРАД. С КОЛЬЦОМ
Корзина будет доступна
после авторизации
20 164910 102330108 164910
Номер позиции: 20
Кол-во позиций: 4
Начало, дата: -
Окончание, дата: -
102330108
4 Фитинг угловой 90° - 7/8" MJIC x 7/8" ORB
Корзина будет доступна
после авторизации
21 00002844 101573226 00002844
Номер позиции: 21
Кол-во позиций: 1
Начало, дата: -
Окончание, дата: -
101573226
1 ТРОЙНИК - РАЗЪЕМ, 9/16-18
Корзина будет доступна
после авторизации
22 86036327 101573242 86036327
Номер позиции: 22
Кол-во позиций: 0
Начало, дата: -
Окончание, дата: -
101573242
0 КОМПЛЕКТ - УПЛОТНЕНИЯ ДЛЯ 86031635 ТАНДЕМНОГО ГИДРОНАСОСА
Корзина будет доступна
после авторизации
23 86001338 101572752 86001338
Номер позиции: 23
Кол-во позиций: 1
Начало, дата: -
Окончание, дата: -
101572752
1 Кольцо уплотнительное - JIS G100 B2401
Корзина будет доступна
после авторизации
24 00086576 101573101 00086576
Номер позиции: 24
Кол-во позиций: 1
Начало, дата: -
Окончание, дата: -
101573101
1 P-образный зажим с покрытием - D-5/8"
Корзина будет доступна
после авторизации
25 86050346 100902705 86050346
Номер позиции: 25
Кол-во позиций: 1
Начало, дата: -
Окончание, дата: -
100902705
1 P-образный зажим с покрытием - D-3/8"
Корзина будет доступна
после авторизации
26 86516151 101573224 86516151
Номер позиции: 26
Кол-во позиций: 2
Начало, дата: -
Окончание, дата: -
101573224
2 Штифт пружинный - D-8 x 16 мм, JIS B2808
Корзина будет доступна
после авторизации
27 00140015 101573092 00140015
Номер позиции: 27
Кол-во позиций: 2
Начало, дата: -
Окончание, дата: -
101573092
2 Шайба - Плоская Стальная, 6.40 x 14.00 x 1.60
Корзина будет доступна
после авторизации
28 00378056 101573091 00378056
Номер позиции: 28
Кол-во позиций: 2
Начало, дата: -
Окончание, дата: -
101573091
2 Винт с шестигранной головкой - M6 x 1 x 10 мм, Cl-8.8
Корзина будет доступна
после авторизации
29 00378244 101573089 00378244
Номер позиции: 29
Кол-во позиций: 7
Начало, дата: -
Окончание, дата: -
101573089
7 Шайба плоская M10
Корзина будет доступна
после авторизации
30 00120074 101573088 00120074
Номер позиции: 30
Кол-во позиций: 5
Начало, дата: -
Окончание, дата: -
101573088
5 Винт с шестигранной головкой - M10 x 1,5 x 90 мм, Cl-8.8 Pl
Корзина будет доступна
после авторизации
32 9670066 102331464 9670066
Номер позиции: 32
Кол-во позиций: 8
Начало, дата: -
Окончание, дата: -
102331464
8 Винт с шестигранной головкой и фланцем - M12 x 30 мм, Cl-8.8 Pl FLG
Корзина будет доступна
после авторизации
33 9625178 100887716 9625178
Номер позиции: 33
Кол-во позиций: 1
Начало, дата: -
Окончание, дата: -
100887716
1 Заглушка шестигранная 9/16"ORB
Корзина будет доступна
после авторизации
34 86035258 101573907 86035258
Номер позиции: 34
Кол-во позиций: 1
Начало, дата: -
Окончание, дата: -
101573907
1 ШЛАНГ - ГИДРАВЛИКА В СБОРЕ 3/4 x 2900 100R1
Корзина будет доступна
после авторизации
35 86038405 101573873 86038405
Номер позиции: 35
Кол-во позиций: 1
Начало, дата: -
Окончание, дата: -
101573873
1 КОМПЛЕКТ - ПРОКЛАДКИ / УПЛОТНЕНИЯ, ТРАНСМИССИЯ
Корзина будет доступна
после авторизации
36 86019051 101573228 86019051
Номер позиции: 36
Кол-во позиций: 1
Начало, дата: -
Окончание, дата: -
101573228
1 Патрубок гидравлический - главный тормоз сцепления (трансмиссии)
Корзина будет доступна
после авторизации
37 86019052 101573908 86019052
Номер позиции: 37
Кол-во позиций: 1
Начало, дата: -
Окончание, дата: -
101573908
1 Кузов - клапан смазочной системы
Корзина будет доступна
после авторизации
38 86508618 101573909 86508618
Номер позиции: 38
Кол-во позиций: 2
Начало, дата: -
Окончание, дата: -
101573909
2 Винт с шестигранной головкой - M10 x 45 мм, Cl-10.9 Pl
Корзина будет доступна
после авторизации
39 86018786 100905756 86018786
Номер позиции: 39
Кол-во позиций: 1
Начало, дата: -
Окончание, дата: -
100905756
1 Клапан электромагнитный - картридж, трансмиссионный тормоз
Корзина будет доступна
после авторизации
40 86020169 101573223 86020169
Номер позиции: 40
Кол-во позиций: 1
Начало, дата: -
Окончание, дата: -
101573223
1 Кольцо уплотнительное - JIS B2401 P10A
Корзина будет доступна
после авторизации
43 09672438 101571829 09672438
Номер позиции: 43
Кол-во позиций: 1
Начало, дата: -
Окончание, дата: -
101571829
1 Заглушка с шестигранной головкой - 7/16" ORB (с уплотнительным кольцом)
Корзина будет доступна
после авторизации
51 9790711 102333336 9790711
Номер позиции: 51
Кол-во позиций: 1
Начало, дата: -
Окончание, дата: -
102333336
1 Шланг в сборе, ID-1/4" x 400 мм 100R1
Корзина будет доступна
после авторизации
Запрос на смену дилера
Сообщение для дилера
Заявка на ремонт