Поиск по деталям узла Детали узла
Сроки доставки и цены будут отображаться после авторизации
Цены и корзина будут доступны после авторизации
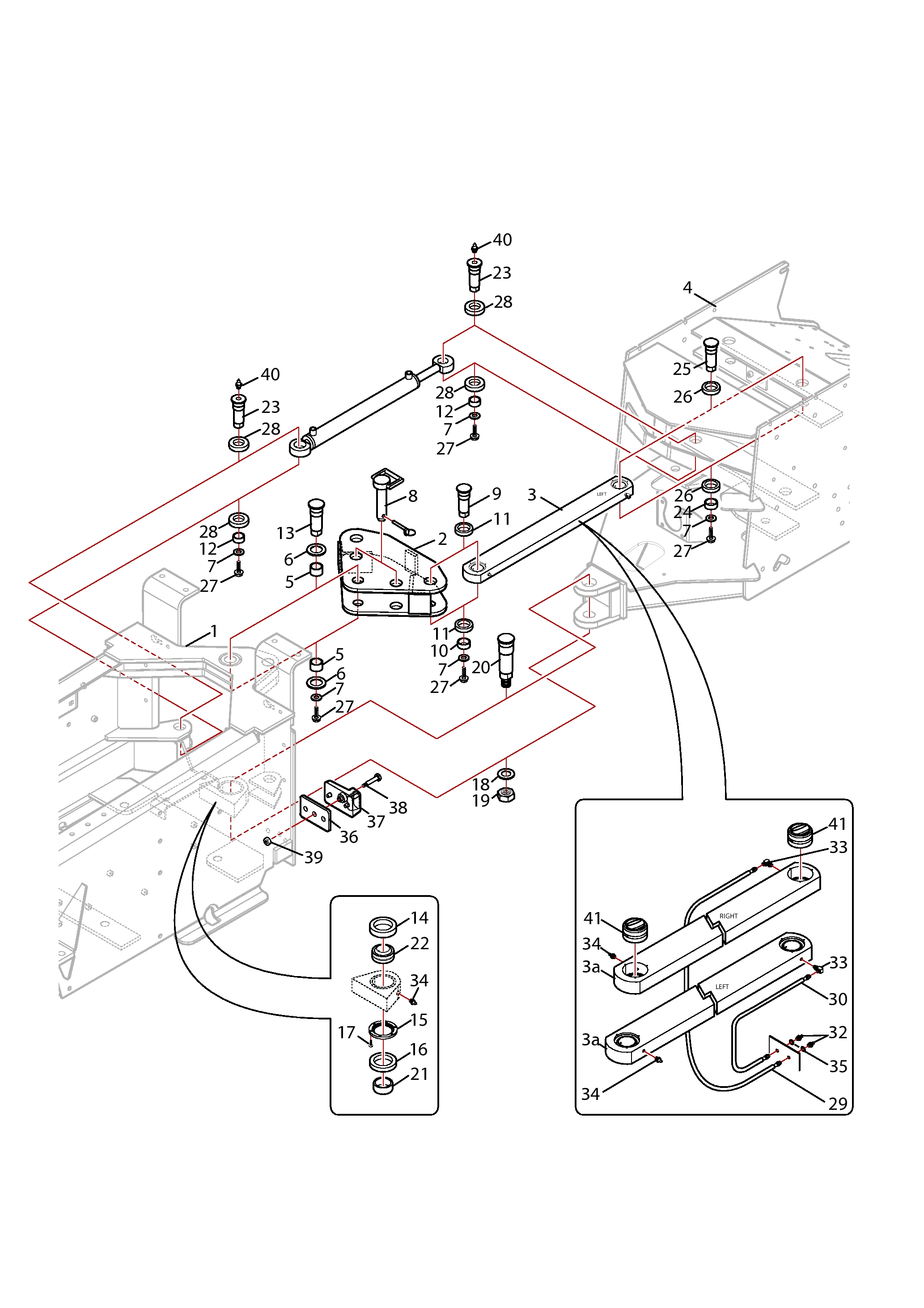
| Поз. | Код | Чертежный номер | Кол-во позиций | Начало, дата | Окончание, дата | Наименование | ||||
|---|---|---|---|---|---|---|---|---|---|---|
| 1 | 86031905 | 101573478 | 86031905 |
Номер позиции:
1
Кол-во позиций:
1
Начало, дата:
-
Окончание, дата:
-
101573478 |
1 | РАМА - ПЕРЕДНЯЯ, СВАРНАЯ КОНСТРУКЦИЯ (КРАСНАЯ) L4WD-C2 |
Корзина будет доступна
после авторизации |
|||
| 2 | 86034579 | 100903374 | 86034579 |
Номер позиции:
2
Кол-во позиций:
1
Начало, дата:
-
Окончание, дата:
-
100903374 |
1 | РАМА- РАЗВОРОТ, СВАРНАЯ КОНСТРУКЦИЯ (красная), L4wd-2008 |
Корзина будет доступна
после авторизации |
|||
| 3 | 86027921 | 100896090 | 86027921 |
Номер позиции:
3
Кол-во позиций:
2
Начало, дата:
-
Окончание, дата:
-
100896090 |
2 |
Для выбора подходящей к вашей технике детали введите в поиск код продукта или свяжитесь с дилером
|
Корзина будет доступна
после авторизации |
|||
| 3 | 86024643 | 100904568 | 86024643 |
Номер позиции:
3
Кол-во позиций:
2
Начало, дата:
-
Окончание, дата:
-
100904568 |
2 |
Для выбора подходящей к вашей технике детали введите в поиск код продукта или свяжитесь с дилером
|
Корзина будет доступна
после авторизации |
|||
| 4 | 86034574 | 101573499 | 86034574 |
Номер позиции:
4
Кол-во позиций:
1
Начало, дата:
-
Окончание, дата:
-
101573499 |
1 |
Для выбора подходящей к вашей технике детали введите в поиск код продукта или свяжитесь с дилером
|
Корзина будет доступна
после авторизации |
|||
| 4 | 86040146 | 101573500 | 86040146 |
Номер позиции:
4
Кол-во позиций:
1
Начало, дата:
-
Окончание, дата:
-
101573500 |
1 |
Для выбора подходящей к вашей технике детали введите в поиск код продукта или свяжитесь с дилером
|
Корзина будет доступна
после авторизации |
|||
| 5 | 9704416 | 102333312 | 9704416 |
Номер позиции:
5
Кол-во позиций:
2
Начало, дата:
-
Окончание, дата:
-
102333312 |
2 | Втулка 50 х 55 х 40 |
Корзина будет доступна
после авторизации |
|||
| 6 | 9704417 | 102333347 | 9704417 |
Номер позиции:
6
Кол-во позиций:
3
Начало, дата:
-
Окончание, дата:
-
102333347 |
3 | Шайба упорная 52 х 78 х 2 |
Корзина будет доступна
после авторизации |
|||
| 7 | 9671405 | 102336558 | 9671405 |
Номер позиции:
7
Кол-во позиций:
9
Начало, дата:
-
Окончание, дата:
-
102336558 |
9 | Шайба 17.5 х 62 х 10 |
Корзина будет доступна
после авторизации |
|||
| 8 | 86029303 | 102333327 | 86029303 |
Номер позиции:
8
Кол-во позиций:
1
Начало, дата:
-
Окончание, дата:
-
102333327 |
1 | Палец замка шарнирного соединения |
Корзина будет доступна
после авторизации |
|||
| 9 | 9705768 | 101573504 | 9705768 |
Номер позиции:
9
Кол-во позиций:
2
Начало, дата:
-
Окончание, дата:
-
101573504 |
2 | Штифт передней рулевой тяги D-50 x 146 мм |
Корзина будет доступна
после авторизации |
|||
| 10 | 9707199 | 101573505 | 9707199 |
Номер позиции:
10
Кол-во позиций:
2
Начало, дата:
-
Окончание, дата:
-
101573505 |
2 | Проставка - 50,8 х 63,5 х 31,5 мм |
Корзина будет доступна
после авторизации |
|||
| 11 | 86001127 | 102327481 | 86001127 |
Номер позиции:
11
Кол-во позиций:
4
Начало, дата:
-
Окончание, дата:
-
102327481 |
4 | Уплотнитель тяги передней |
Корзина будет доступна
после авторизации |
|||
| 12 | 9705720 | 102331608 | 9705720 |
Номер позиции:
12
Кол-во позиций:
4
Начало, дата:
-
Окончание, дата:
-
102331608 |
4 | Прокладка пальца рулевого цилиндра |
Корзина будет доступна
после авторизации |
|||
| 13 | 9704415 | 101406690 | 9704415 |
Номер позиции:
13
Кол-во позиций:
1
Начало, дата:
-
Окончание, дата:
-
101406690 |
1 | Штифт рамы маятника - D50 x 154 мм |
Корзина будет доступна
после авторизации |
|||
| 14 | 75112 | 102333341 | 75112 |
Номер позиции:
14
Кол-во позиций:
1
Начало, дата:
-
Окончание, дата:
-
102333341 |
1 |
Для выбора подходящей к вашей технике детали введите в поиск код продукта или свяжитесь с дилером
|
Корзина будет доступна
после авторизации |
|||
| 14 | 8829р | 103712282 | 8829р |
Номер позиции:
14
Кол-во позиций:
1
Начало, дата:
-
Окончание, дата:
-
103712282 |
1 |
Для выбора подходящей к вашей технике детали введите в поиск код продукта или свяжитесь с дилером
|
Корзина будет доступна
после авторизации |
|||
| 15 | 86033332 | 100903744 | 86033332 |
Номер позиции:
15
Кол-во позиций:
1
Начало, дата:
-
Окончание, дата:
-
100903744 |
1 | ПЛАСТИНА - СТОПОР ПодшипникА, ТОЛЩИНА 13ММ |
Корзина будет доступна
после авторизации |
|||
| 16 | 75111 | 102327480 | 75111 |
Номер позиции:
16
Кол-во позиций:
1
Начало, дата:
-
Окончание, дата:
-
102327480 |
1 |
Для выбора подходящей к вашей технике детали введите в поиск код продукта или свяжитесь с дилером
|
Корзина будет доступна
после авторизации |
|||
| 16 | 8828р | 103712281 | 8828р |
Номер позиции:
16
Кол-во позиций:
1
Начало, дата:
-
Окончание, дата:
-
103712281 |
1 |
Для выбора подходящей к вашей технике детали введите в поиск код продукта или свяжитесь с дилером
|
Корзина будет доступна
после авторизации |
|||
| 17 | 274251 | 102331928 | 274251 |
Номер позиции:
17
Кол-во позиций:
4
Начало, дата:
-
Окончание, дата:
-
102331928 |
4 | Винт с шестигранной головкой и фланцем - USR M10 x 1,5 x 25 |
Корзина будет доступна
после авторизации |
|||
| 18 | 9790655 | 102333381 | 9790655 |
Номер позиции:
18
Кол-во позиций:
1
Начало, дата:
-
Окончание, дата:
-
102333381 |
1 | Шайба 1.625" x 3.50" x 0.18" |
Корзина будет доступна
после авторизации |
|||
| 19 | 9706872 | 102333450 | 9706872 |
Номер позиции:
19
Кол-во позиций:
1
Начало, дата:
-
Окончание, дата:
-
102333450 |
1 | Гайка шестигранная с фиксатором - 1-1/2"-18 UNEF-3B |
Корзина будет доступна
после авторизации |
|||
| 20 | 86034053 | 100903532 | 86034053 |
Номер позиции:
20
Кол-во позиций:
1
Начало, дата:
-
Окончание, дата:
-
100903532 |
1 | ШТЫРЬ - ОСЦИЛЛАЦИЯ 60ММ |
Корзина будет доступна
после авторизации |
|||
| 21 | 9704866 | 102333322 | 9704866 |
Номер позиции:
21
Кол-во позиций:
1
Начало, дата:
-
Окончание, дата:
-
102333322 |
1 | Проставка ID60,5 х 27 мм |
Корзина будет доступна
после авторизации |
|||
| 22 | 86033327 | 101573513 | 86033327 |
Номер позиции:
22
Кол-во позиций:
1
Начало, дата:
-
Окончание, дата:
-
101573513 |
1 | Шарообразный Пл Подшипник скольжения, ID-60.0мм OD-125.0мм ТОЛЩИНА-90.0мм |
Корзина будет доступна
после авторизации |
|||
| 23 | 9705770 | 102331601 | 9705770 |
Номер позиции:
23
Кол-во позиций:
4
Начало, дата:
-
Окончание, дата:
-
102331601 |
4 | Палец рулевого цилиндра - D-45 x 105 мм |
Корзина будет доступна
после авторизации |
|||
| 24 | 9704348 | 102331578 | 9704348 |
Номер позиции:
24
Кол-во позиций:
2
Начало, дата:
-
Окончание, дата:
-
102331578 |
2 | Проставка - ID-50,8 х 21,5 мм |
Корзина будет доступна
после авторизации |
|||
| 25 | 9705769 | 101573516 | 9705769 |
Номер позиции:
25
Кол-во позиций:
2
Начало, дата:
-
Окончание, дата:
-
101573516 |
2 | Штифт задней рулевой тяги D-50 x 122 мм |
Корзина будет доступна
после авторизации |
|||
| 27 | 106543 | 102331572 | 106543 |
Номер позиции:
27
Кол-во позиций:
9
Начало, дата:
-
Окончание, дата:
-
102331572 |
9 | Болт шестигранный 0.625NFX1.25"SPL |
Корзина будет доступна
после авторизации |
|||
| 28 | 9704349 | 102331634 | 9704349 |
Номер позиции:
28
Кол-во позиций:
8
Начало, дата:
-
Окончание, дата:
-
102331634 |
8 | Уплотнение цилиндра рулевого |
Корзина будет доступна
после авторизации |
|||
| 29 | 9673090 | 102331610 | 9673090 |
Номер позиции:
29
Кол-во позиций:
1
Начало, дата:
-
Окончание, дата:
-
102331610 |
1 | Рукав 0.13x1200 100R17 |
Корзина будет доступна
после авторизации |
|||
| 30 | 9672621 | 102331643 | 9672621 |
Номер позиции:
30
Кол-во позиций:
1
Начало, дата:
-
Окончание, дата:
-
102331643 |
1 | Шланг в сборе, ID-3/16" x 800 мм, 100R17 |
Корзина будет доступна
после авторизации |
|||
| 32 | 86050275 | 102331607 | 86050275 |
Номер позиции:
32
Кол-во позиций:
2
Начало, дата:
-
Окончание, дата:
-
102331607 |
2 | Пресс-масленка 1/8-27NPTF |
Корзина будет доступна
после авторизации |
|||
| 33 | 17498 | 102329845 | 17498 |
Номер позиции:
33
Кол-во позиций:
4
Начало, дата:
-
Окончание, дата:
-
102329845 |
4 | Угольник 90 градусов 1/8NPT |
Корзина будет доступна
после авторизации |
|||
| 34 | 00080710 | 101571245 | 00080710 |
Номер позиции:
34
Кол-во позиций:
4
Начало, дата:
-
Окончание, дата:
-
101571245 |
4 | ФИТТИНГ - СМАЗКА, Lf P 8-27, ОЧЕНЬ КОРОТКИЙ |
Корзина будет доступна
после авторизации |
|||
| 35 | 86511323 | 102331222 | 86511323 |
Номер позиции:
35
Кол-во позиций:
4
Начало, дата:
-
Окончание, дата:
-
102331222 |
4 | Шайба 10.77 x 20 x 2, Cl-8.8 Pl |
Корзина будет доступна
после авторизации |
|||
| 36 | 9707528 | 101571260 | 9707528 |
Номер позиции:
36
Кол-во позиций:
0
Начало, дата:
-
Окончание, дата:
-
101571260 |
0 | Пластина |
Корзина будет доступна
после авторизации |
|||
| 37 | 86027831 | 100896160 | 86027831 |
Номер позиции:
37
Кол-во позиций:
0
Начало, дата:
-
Окончание, дата:
-
100896160 |
0 | Блок - ограничитель шарнирного соединения |
Корзина будет доступна
после авторизации |
|||
| 38 | 00120046 | 101571259 | 00120046 |
Номер позиции:
38
Кол-во позиций:
0
Начало, дата:
-
Окончание, дата:
-
101571259 |
0 | Болт с квадратной головкой M16 x 60 Cl-8.8 Пл |
Корзина будет доступна
после авторизации |
|||
| 39 | 86512498 | 101571096 | 86512498 |
Номер позиции:
39
Кол-во позиций:
0
Начало, дата:
-
Окончание, дата:
-
101571096 |
0 | Гайка шестигранная фланцевая M16 Cl-10 PL |
Корзина будет доступна
после авторизации |
|||
| 40 | 80719 | 102333354 | 80719 |
Номер позиции:
40
Кол-во позиций:
2
Начало, дата:
-
Окончание, дата:
-
102333354 |
2 | Масленка 1/8 - 90 NPT |
Корзина будет доступна
после авторизации |
|||
| 41 | 86000739 | 102329844 | 86000739 |
Номер позиции:
41
Кол-во позиций:
2
Начало, дата:
-
Окончание, дата:
-
102329844 |
2 | Втулка 50,8Х80,96Х44,5 |
Корзина будет доступна
после авторизации |