Список узлов

C2 375/400

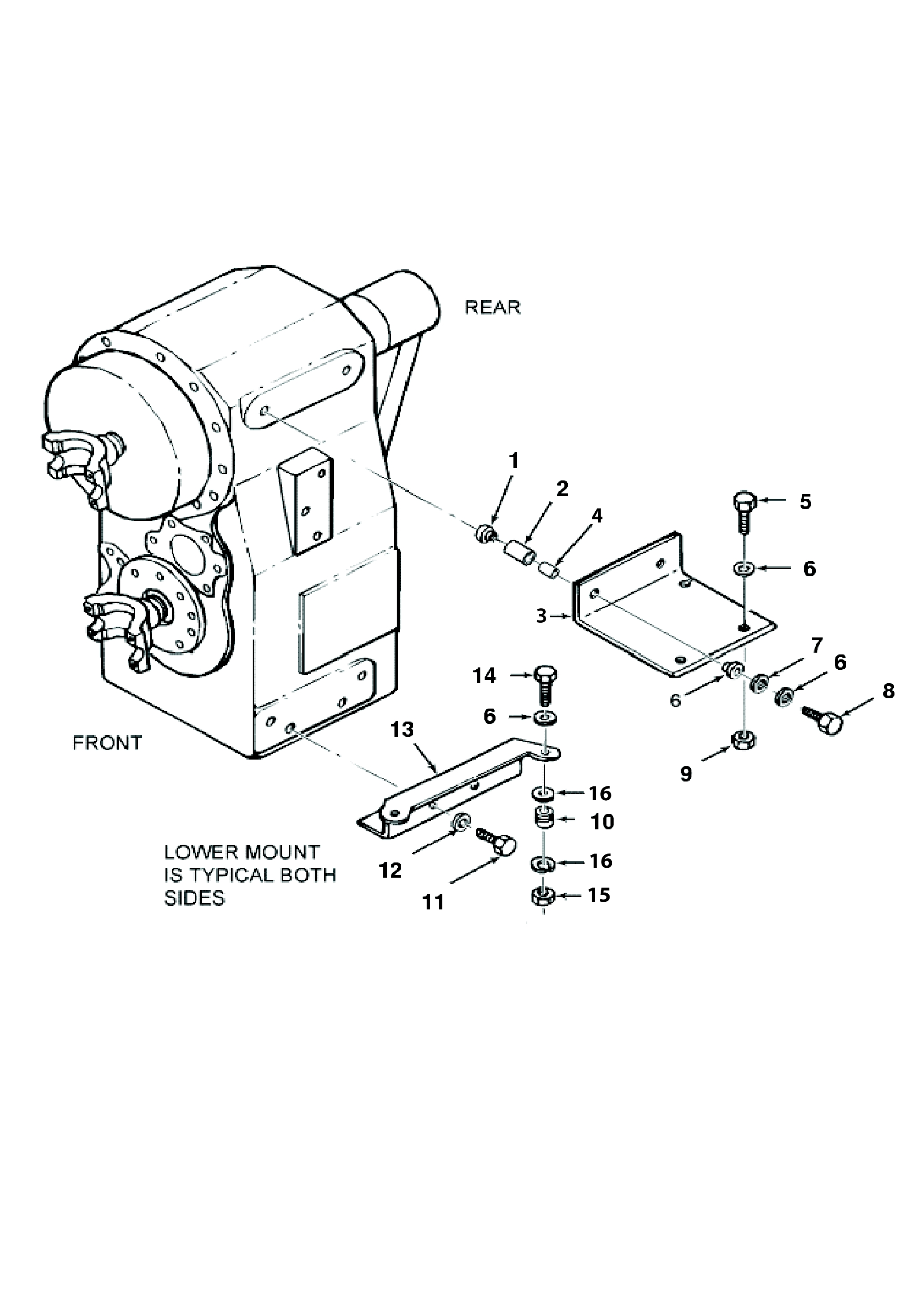
C2 375/400 - Монтаж механической трансмиссии

Приводы C2.05.000
Мост в сборе и его установка 04A11
Дифференциал без блокировки 04B12
Трансмиссия механическая 12-ти скоростная 07D11
Выходной вал трансмиссии 07D12
Первичный вал трансмиссии 07D13
Второй промежуточный вал 07D15
Система смазки трансмиссии 07D16
Главная муфта сцепления 07D17
Система всасывания механической трансмиссии 07D18
Механизм выбора передачи в сборе 07G12
Педаль сцепления для 12-ти скоростной механической 5CLS01
Верхняя крышка переключения передач в сборе 5TRN01
Первый промежуточный вал 5TRN16
Система всасывания механической трансмиссии 5TRN20a
Монтаж механической трансмиссии 5TRN21
Шестеренный насос смазки трансмиссии 5TRP01
Тандем насосв синхротрансмиссии 5TRP02
Кабина в сборе/Наклейки и внутренняя отделка C2.09.000
Приспособления и аксессуары C2.10.000

Поиск по деталям узла Детали узла

Сроки доставки и цены будут отображаться после авторизации

Цены и корзина будут доступны после авторизации

Поз. Код Чертежный номер Кол-во позиций Начало, дата Окончание, дата Наименование
1 09704761 101573067 09704761
Номер позиции: 1
Кол-во позиций: 4
Начало, дата: -
Окончание, дата: -
101573067
4 PAD - RUBBER,ОПОРА КОРОБКИ ПЕРЕДАЧ
Корзина будет доступна
после авторизации
2 09704764 101573066 09704764
Номер позиции: 2
Кол-во позиций: 2
Начало, дата: -
Окончание, дата: -
101573066
2 РУКАВ - РЕЗИНА, ДЛИНА 43ММ, КРЕПЛЕНИЕ ТРАНСМИССИИ
Корзина будет доступна
после авторизации
3 86027873 102336428 86027873
Номер позиции: 3
Кол-во позиций: 2
Начало, дата: -
Окончание, дата: -
102336428
2 Кронштейн трансмиссии
Корзина будет доступна
после авторизации
4 86027872 101573065 86027872
Номер позиции: 4
Кол-во позиций: 2
Начало, дата: -
Окончание, дата: -
101573065
2 ПРОКЛАДКА - ВЕРХНЕЕ КРЕПЛЕНИЕ ТРАНСМИССИИ, СТАЛЬ (КРАСНАЯ)
Корзина будет доступна
после авторизации
5 00088557 101573232 00088557
Номер позиции: 5
Кол-во позиций: 2
Начало, дата: -
Окончание, дата: -
101573232
2 Винт с шестигранной головкой - 3/4" x 2", Gr-5 Pl
Корзина будет доступна
после авторизации
7 86050249 102331757 86050249
Номер позиции: 7
Кол-во позиций: 10
Начало, дата: -
Окончание, дата: -
102331757
10 Шайба 0.781
Корзина будет доступна
после авторизации
8 00088747 101573233 00088747
Номер позиции: 8
Кол-во позиций: 2
Начало, дата: -
Окончание, дата: -
101573233
2 КОЛПАЧКОВЫЙ ВИНТ- ШЕСТИГРАННИК, Gr-5 Пл 0.75дюйм - 10 x 3.25дюйм
Корзина будет доступна
после авторизации
9 86534279 102333315 86534279
Номер позиции: 9
Кол-во позиций: 6
Начало, дата: -
Окончание, дата: -
102333315
6 Гайка шестигранная фланцевая 0.75x10 кл.8
Корзина будет доступна
после авторизации
11 00088062 101573235 00088062
Номер позиции: 11
Кол-во позиций: 8
Начало, дата: -
Окончание, дата: -
101573235
8 КОЛПАЧКОВЫЙ ВИНТ- ШЕСТИГРАННИК Gr-5 Пл 0.625дюйм - 11 x 1.50дюйм
Корзина будет доступна
после авторизации
12 44253 102331758 44253
Номер позиции: 12
Кол-во позиций: 8
Начало, дата: -
Окончание, дата: -
102331758
8 ШАЙБА С.16.01.08КП.016 ГОСТ 11371
Корзина будет доступна
после авторизации
13 86028080 102336561 86028080
Номер позиции: 13
Кол-во позиций: 2
Начало, дата: -
Окончание, дата: -
102336561
2 Кронштейн нижний
Корзина будет доступна
после авторизации
14 00280210 101573058 00280210
Номер позиции: 14
Кол-во позиций: 4
Начало, дата: -
Окончание, дата: -
101573058
4 КОЛПАЧКОВЫЙ ВИНТ- ШЕСТИГРАННИК 0.75 x 4.00 Gr-5 Пл
Корзина будет доступна
после авторизации
16 09703328 101571133 09703328
Номер позиции: 16
Кол-во позиций: 8
Начало, дата: -
Окончание, дата: -
101571133
8 Шайба плоская 21.0 х 95.0 х 6.35
Корзина будет доступна
после авторизации
Запрос на смену дилера
Сообщение для дилера
Заявка на ремонт