Список узлов

C2 375/400

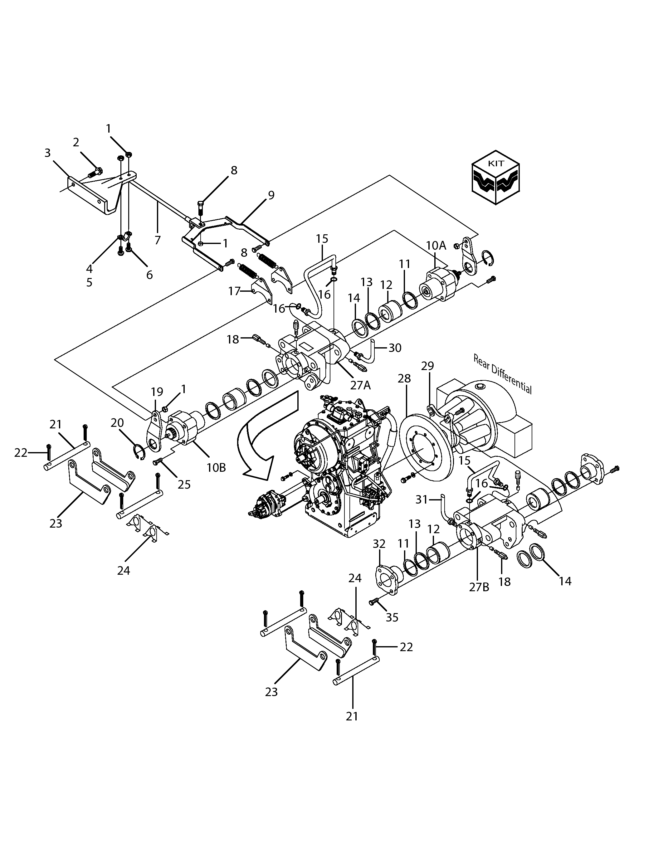
C2 375/400 - Дисковый тормоз в сборе

Приводы C2.05.000
Кабина в сборе/Наклейки и внутренняя отделка C2.09.000
Приспособления и аксессуары C2.10.000

Поиск по деталям узла Детали узла

Сроки доставки и цены будут отображаться после авторизации

Цены и корзина будут доступны после авторизации

Поз. Код Чертежный номер Кол-во позиций Начало, дата Окончание, дата Наименование
1 9670023 102331748 9670023
Номер позиции: 1
Кол-во позиций: 3
Начало, дата: -
Окончание, дата: -
102331748
3 Гайка шестигранная стопорная - M8, Cl-8.8 Pl
Корзина будет доступна
после авторизации
2 88556 102331352 88556
Номер позиции: 2
Кол-во позиций: 10
Начало, дата: -
Окончание, дата: -
102331352
10 Винт с шестигранной головкой - 5/8" x 2-1/4", Gr-5 Pl
Корзина будет доступна
после авторизации
3 86027880 102336566 86027880
Номер позиции: 3
Кол-во позиций: 1
Начало, дата: -
Окончание, дата: -
102336566
1 Кронштейн стояночого тормоза
Корзина будет доступна
после авторизации
5 86000002 102333807 86000002
Номер позиции: 5
Кол-во позиций: 1
Начало, дата: -
Окончание, дата: -
102333807
1 Пластина связующая
Корзина будет доступна
после авторизации
6 86511442 101565586 86511442
Номер позиции: 6
Кол-во позиций: 2
Начало, дата: -
Окончание, дата: -
101565586
2 Винт с шестигранной головкой и фланцем, USR M6 x 20 Pl
Корзина будет доступна
после авторизации
7 9704828 102332780 9704828
Номер позиции: 7
Кол-во позиций: 1
Начало, дата: -
Окончание, дата: -
102332780
1 КАБЕЛЬ
Корзина будет доступна
после авторизации
8 9671714 102331573 9671714
Номер позиции: 8
Кол-во позиций: 3
Начало, дата: -
Окончание, дата: -
102331573
3 Болт шестигранный
Корзина будет доступна
после авторизации
9 86034981 100903189 86034981
Номер позиции: 9
Кол-во позиций: 1
Начало, дата: -
Окончание, дата: -
100903189
1
Для выбора подходящей к вашей технике детали введите в поиск код продукта или свяжитесь с дилером
КРОНШТЕЙН - СВАРНАЯ КОНСТРУКЦИЯ - ЗВЕНО ТОРМОЗА (КРАСНОЕ) ГИДРАВЛИКА / L4WD
Корзина будет доступна
после авторизации
9 86027817 101571870 86027817
Номер позиции: 9
Кол-во позиций: 1
Начало, дата: -
Окончание, дата: -
101571870
1
Для выбора подходящей к вашей технике детали введите в поиск код продукта или свяжитесь с дилером
КРОНШТЕЙН - ЗВЕНО ТОРМОЗНОГО ТРОСА В СБОРЕ (КРАСНОЕ)
Корзина будет доступна
после авторизации
10 86033395 101571865 86033395
Номер позиции: 10
Кол-во позиций: 1
Начало, дата: -
Окончание, дата: -
101571865
1
Для выбора подходящей к вашей технике детали введите в поиск код продукта или свяжитесь с дилером
КОМПЛЕКТ - ПРИВОД, ЩУП ТОРМОЗА В СБОРЕ, ННР L4WD
Корзина будет доступна
после авторизации
10 86033396 101571866 86033396
Номер позиции: 10
Кол-во позиций: 1
Начало, дата: -
Окончание, дата: -
101571866
1
Для выбора подходящей к вашей технике детали введите в поиск код продукта или свяжитесь с дилером
КОМПЛЕКТ - ПРИВОД, ЩУП ТОРМОЗА В СБОРЕ, ННР L4WD
Корзина будет доступна
после авторизации
14 86000351 101571855 86000351
Номер позиции: 14
Кол-во позиций: 4
Начало, дата: -
Окончание, дата: -
101571855
4 Чехол- Пылезащитный, Суппорт Тормоза, L4WD
Корзина будет доступна
после авторизации
15 86033400 101571854 86033400
Номер позиции: 15
Кол-во позиций: 2
Начало, дата: -
Окончание, дата: -
101571854
2 КОМПЛЕКТ - МОСТОВАЯ ТРУБКА, КОЛЬЦА И ВКЛАДЫШИ, ЩУП ТОРМОЗА
Корзина будет доступна
после авторизации
17 86000345 101571869 86000345
Номер позиции: 17
Кол-во позиций: 1
Начало, дата: -
Окончание, дата: -
101571869
1 Комплект - Пружины и кронштейны (2 шт.)
Корзина будет доступна
после авторизации
18 86000349 101571856 86000349
Номер позиции: 18
Кол-во позиций: 2
Начало, дата: -
Окончание, дата: -
101571856
2 Кмоплект - Предохранительные клапаны (3 шт.) и вкладыши (3 шт.)
Корзина будет доступна
после авторизации
19 86000347 101571868 86000347
Номер позиции: 19
Кол-во позиций: 2
Начало, дата: -
Окончание, дата: -
101571868
2 Рычаг привода
Корзина будет доступна
после авторизации
20 86000341 101571867 86000341
Номер позиции: 20
Кол-во позиций: 2
Начало, дата: -
Окончание, дата: -
101571867
2 Кольцо стопорное рычага привода
Корзина будет доступна
после авторизации
21 86000346 101571857 86000346
Номер позиции: 21
Кол-во позиций: 2
Начало, дата: -
Окончание, дата: -
101571857
2 Комплект - Штифты (4 шт.) и шплинты (8 шт.)
Корзина будет доступна
после авторизации
23 86033399 101571858 86033399
Номер позиции: 23
Кол-во позиций: 2
Начало, дата: -
Окончание, дата: -
101571858
2 КОМПЛЕКТ - ТОРМОЗНЫЕ КОЛОДКИ И ДЕРЖАТЕЛИ (2), ПРУЖИНЫ (2) И ШПЛИНТЫ (4)
Корзина будет доступна
после авторизации
25 86033463 101571864 86033463
Номер позиции: 25
Кол-во позиций: 1
Начало, дата: -
Окончание, дата: -
101571864
1 КОМПЛЕКТ - БОЛТЫ КРЫШКИ (8), МЕХАНИЗМ ТОРМОЗНОГО ЩУПА, L4WD
Корзина будет доступна
после авторизации
27 86031987 101571853 86031987
Номер позиции: 27
Кол-во позиций: 1
Начало, дата: -
Окончание, дата: -
101571853
1
Для выбора подходящей к вашей технике детали введите в поиск код продукта или свяжитесь с дилером
Суппорт тормозной передний
Корзина будет доступна
после авторизации
27 86031986 102665941 86031986
Номер позиции: 27
Кол-во позиций: 1
Начало, дата: -
Окончание, дата: -
102665941
1
Для выбора подходящей к вашей технике детали введите в поиск код продукта или свяжитесь с дилером
Суппорт тормоза в сборе
Корзина будет доступна
после авторизации
28 9672899 102331754 9672899
Номер позиции: 28
Кол-во позиций: 2
Начало, дата: -
Окончание, дата: -
102331754
2 ДИСК РОТОРНЫЙ ТОРМ.МЕХ. 508X19
Корзина будет доступна
после авторизации
29 86033849 101571861 86033849
Номер позиции: 29
Кол-во позиций: 2
Начало, дата: -
Окончание, дата: -
101571861
2
Для выбора подходящей к вашей технике детали введите в поиск код продукта или свяжитесь с дилером
Плоская Крышка - Крепление Тормозов, ДИФФЕРЕНЦИАЛ Okubo , ННР -L4WD
Корзина будет доступна
после авторизации
29 86038930 101572887 86038930
Номер позиции: 29
Кол-во позиций: 2
Начало, дата: -
Окончание, дата: -
101572887
2
Для выбора подходящей к вашей технике детали введите в поиск код продукта или свяжитесь с дилером
КРЕПЛЕНИЕ - ЩУП ТОРМОЗА, ЛИТЬЕ
Корзина будет доступна
после авторизации
30 86036574 100906404 86036574
Номер позиции: 30
Кол-во позиций: 1
Начало, дата: -
Окончание, дата: -
100906404
1
Для выбора подходящей к вашей технике детали введите в поиск код продукта или свяжитесь с дилером
ШЛАНГ - ГИДРАВЛИКА В СБОРЕ 3/8 x 1700 100R17
Корзина будет доступна
после авторизации
30 86037718 101574093 86037718
Номер позиции: 30
Кол-во позиций: 1
Начало, дата: -
Окончание, дата: -
101574093
1
Для выбора подходящей к вашей технике детали введите в поиск код продукта или свяжитесь с дилером
ШЛАНГ - ГИДРАВЛИКА В СБОРЕ 3/8 x 2075 100R17
Корзина будет доступна
после авторизации
31 86036573 100906399 86036573
Номер позиции: 31
Кол-во позиций: 1
Начало, дата: -
Окончание, дата: -
100906399
1 ШЛАНГ - ГИДРАВЛИКА В СБОРЕ 3/8 x 1650 100R17
Корзина будет доступна
после авторизации
32 86034542 101571850 86034542
Номер позиции: 32
Кол-во позиций: 2
Начало, дата: -
Окончание, дата: -
101571850
2 КРЫШКА - ПОРШЕНЬ, ТОРМОЗНОЙ ЩУП В СБОРЕ, L4WD
Корзина будет доступна
после авторизации
35 86033461 101571849 86033461
Номер позиции: 35
Кол-во позиций: 1
Начало, дата: -
Окончание, дата: -
101571849
1 КОМПЛЕКТ - БЛОЛТЫ (8), КРЫШКА - ЩУП ТОРМОЗА, L4WD
Корзина будет доступна
после авторизации
101 86033397 101571874 86033397
Номер позиции: 101
Кол-во позиций: 0
Начало, дата: -
Окончание, дата: -
101571874
0
Для выбора подходящей к вашей технике детали введите в поиск код продукта или свяжитесь с дилером
КОМПЛЕКТ - ПОРШНИ, ПЫЛЬНИКИ И УПЛОТНЕНИЯ (ПО 2 ШТ.), ЩУП ТОРМОЗА
Корзина будет доступна
после авторизации
101 86033398 101571875 86033398
Номер позиции: 101
Кол-во позиций: 0
Начало, дата: -
Окончание, дата: -
101571875
0
Для выбора подходящей к вашей технике детали введите в поиск код продукта или свяжитесь с дилером
КОМПЛЕКТ - ПЫЛЬНИКИ, КОЛЬЦА И УПЛОТНЕНИЯ (ПО 2 ШТУКИ), ЩУП ТОРМОЗА
Корзина будет доступна
после авторизации
101 86033462 101571876 86033462
Номер позиции: 101
Кол-во позиций: 0
Начало, дата: -
Окончание, дата: -
101571876
0
Для выбора подходящей к вашей технике детали введите в поиск код продукта или свяжитесь с дилером
КОМПЛЕКТ - РЫЧАГ АКТИВАЦИИ И СТОПОРНЫЕ КОЛЬЦА (ПО 2 ШТУКИ)
Корзина будет доступна
после авторизации
Запрос на смену дилера
Сообщение для дилера
Заявка на ремонт