Список узлов

C2 375/400

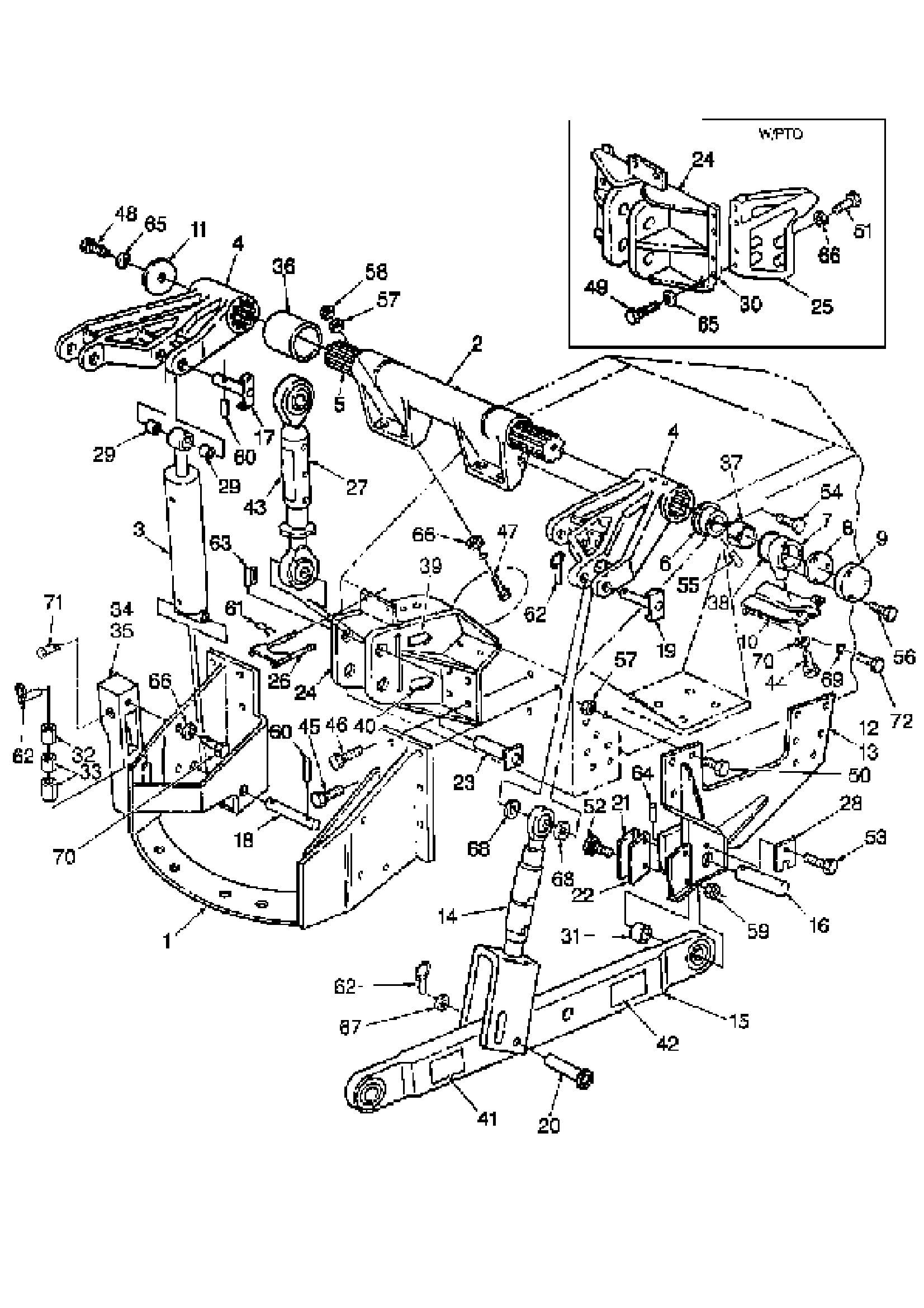
C2 375/400 - Трехточечная навеска в сборе

Приводы C2.05.000
Кабина в сборе/Наклейки и внутренняя отделка C2.09.000
Приспособления и аксессуары C2.10.000
Двойные колесные диски 09BD10
Тройные колесные диски 09BF10
Комплект инструмента со смазкой 09TLK01
Автоматическое рулевое управление Raven версия 2 14BE11
Комплект сигнализации движения назад (механическая трансмиссия) 14BE20
Знак тихоходного транспортного средства 16A13
Комлект автоматического руления 9ASK11
Редуктора ВОМ в сборе 9ATT11
Передние грузы 9ATT12
Переставляемое прицепное устройство 9ATT13
Комплект усиленного прицепного устройства 9ATT13a
Быстрозахватное устройство 4 категории 9ATT17
Комплект Дисплея 9CBD01
Комплекты установки дилером / 3-х точечные навески и ВОМ 9DIA11
Комплект подогревателя охлаждающей жидкости 9ENG11
Французские наклейки безопасности 9FDS11
Подставка для ноги 9FRA11
Комплект разрывных муфт 3/4 9HCK02
Комплект разрывных муфт 3/4 для SB23 9HCK03
Трехточечная навеска в сборе 9HPL01
Электрооборудование трехточечной навески модели 305-400 9HPL03
Комплект захвата для скреперной машины 9HTS11
Комплект захвата для скреперной машины 9HTS12
Комплект газоразрядных фар 9HWK11
Вилка прицепа 9ISS01
Зеркала - электроуправляемые и стандартные 9MIR11
Кронштейн установки монитора на переднюю сторону с розетками 9MMB02
Кронштейн установки монитора на переднюю сторону с розетками 9MMB11
Комплект отбора проб масла 9OSK11
Радио 9RADIO
Комплект русскоязычных наклеек безопасности 9RDS11
Комплект переоборудования ручного потенциометра 9REW01
Инструментальный ящик со ступеньками 9TLB11
Комплект буксировочного троса 9TLE10
Сервисные приспособления для ННТ и L4WD 9TLS01a
Комплект монитора рабочих характеристик 9TPM12
Комплект сиденья дополнительного 9TSK11
Комплект подкапотных ламп 9WLK11
Задние грузы (верхние и нижние) 9WTS01
Комплекты грузов и сопутствующие изделия 9WTS10
Комплекты грузов и сопутствующие изделия 9WTS10a
Комплект автоматической смазки HHT.10.001
Комплект автоматического рулевого управления Raven версия 2 HHT.10.002
Комплект автоматической смазки HHT.10.004
Комплект автоматической смазки HHT.10.013

Поиск по деталям узла Детали узла

Сроки доставки и цены будут отображаться после авторизации

Цены и корзина будут доступны после авторизации

Поз. Код Чертежный номер Кол-во позиций Начало, дата Окончание, дата Наименование
1 86027889 100896112 86027889
Номер позиции: 1
Кол-во позиций: 1
Начало, дата: -
Окончание, дата: -
100896112
1 КОРПУС - ТЯГА СЦЕПКИ СВАРНАЯ КОНСТРУКЦИЯ LII IVN
Корзина будет доступна
после авторизации
2 86027912 102333365 86027912
Номер позиции: 2
Кол-во позиций: 1
Начало, дата: -
Окончание, дата: -
102333365
1 Корпус вала
Корзина будет доступна
после авторизации
3 86027897 102331586 86027897
Номер позиции: 3
Кол-во позиций: 2
Начало, дата: -
Окончание, дата: -
102331586
2 Цилиндр гидравлический - 3-х точечная навеска (красный)
Корзина будет доступна
после авторизации
4 86027885 102334477 86027885
Номер позиции: 4
Кол-во позиций: 2
Начало, дата: -
Окончание, дата: -
102334477
2 Рычаг
Корзина будет доступна
после авторизации
6 86002559 102334478 86002559
Номер позиции: 6
Кол-во позиций: 1
Начало, дата: -
Окончание, дата: -
102334478
1 Ступица
Корзина будет доступна
после авторизации
8 86002560 102335849 86002560
Номер позиции: 8
Кол-во позиций: 1
Начало, дата: -
Окончание, дата: -
102335849
1 Диск
Корзина будет доступна
после авторизации
9 86027911 102334469 86027911
Номер позиции: 9
Кол-во позиций: 1
Начало, дата: -
Окончание, дата: -
102334469
1 Заглушка торцевая
Корзина будет доступна
после авторизации
10 86027915 102334472 86027915
Номер позиции: 10
Кол-во позиций: 1
Начало, дата: -
Окончание, дата: -
102334472
1 Кронштейн
Корзина будет доступна
после авторизации
12 86027913 100896094 86027913
Номер позиции: 12
Кол-во позиций: 1
Начало, дата: -
Окончание, дата: -
100896094
1 Кронштейн навески левый
Корзина будет доступна
после авторизации
13 86027914 102334474 86027914
Номер позиции: 13
Кол-во позиций: 1
Начало, дата: -
Окончание, дата: -
102334474
1 Кронштейн навески правый
Корзина будет доступна
после авторизации
14 86027906 101574282 86027906
Номер позиции: 14
Кол-во позиций: 2
Начало, дата: -
Окончание, дата: -
101574282
2 ЗВЕНО - ПОДЪЕМНИК, 3PTH В СБОРЕ, L4WD (красный)
Корзина будет доступна
после авторизации
15 86027917 101574284 86027917
Номер позиции: 15
Кол-во позиций: 2
Начало, дата: -
Окончание, дата: -
101574284
2
Для выбора подходящей к вашей технике детали введите в поиск код продукта или свяжитесь с дилером
ЗВЕНО - НИЖНЕЕ, КАТЕГОРИЯ 4, КРАСНОЕ
Корзина будет доступна
после авторизации
15 86036000 102334479 86036000
Номер позиции: 15
Кол-во позиций: 2
Начало, дата: -
Окончание, дата: -
102334479
2
Для выбора подходящей к вашей технике детали введите в поиск код продукта или свяжитесь с дилером
Тяга GKN нижняя
Корзина будет доступна
после авторизации
16 55644 102334476 55644
Номер позиции: 16
Кол-во позиций: 2
Начало, дата: -
Окончание, дата: -
102334476
2 Палец
Корзина будет доступна
после авторизации
17 55640 101574287 55640
Номер позиции: 17
Кол-во позиций: 2
Начало, дата: -
Окончание, дата: -
101574287
2 ШТЫРЬ - СВАРНАЯ КОНСТРУКЦИЯ, ВЕРХНИЙ ГИДРОЦИЛИНДР
Корзина будет доступна
после авторизации
18 18171 102331599 18171
Номер позиции: 18
Кол-во позиций: 2
Начало, дата: -
Окончание, дата: -
102331599
2 ПАЛЕЦ
Корзина будет доступна
после авторизации
19 86002693 101574289 86002693
Номер позиции: 19
Кол-во позиций: 2
Начало, дата: -
Окончание, дата: -
101574289
2 ШТЫРЬ - СВАРНАЯ КОНСТРУКЦИЯ, ВЕРХНЕЕ ЗВЕНО ПОДЪЕМНИКА L4WD
Корзина будет доступна
после авторизации
20 55635 101574290 55635
Номер позиции: 20
Кол-во позиций: 2
Начало, дата: -
Окончание, дата: -
101574290
2
Для выбора подходящей к вашей технике детали введите в поиск код продукта или свяжитесь с дилером
ШТЫРЬ - СВАРНАЯ КОНСТРУКЦИЯ, НИЖНЕЕ ЗВЕНО ПОДЪЕМНИКА, 3РТН L4WD
Корзина будет доступна
после авторизации
20 86036855 102327477 86036855
Номер позиции: 20
Кол-во позиций: 2
Начало, дата: -
Окончание, дата: -
102327477
2
Для выбора подходящей к вашей технике детали введите в поиск код продукта или свяжитесь с дилером
Палец
Корзина будет доступна
после авторизации
21 86027888 101574292 86027888
Номер позиции: 21
Кол-во позиций: 6
Начало, дата: -
Окончание, дата: -
101574292
6 Прокладка - 3-точечное Навесное Устройство (красная) 1/8"Толщина
Корзина будет доступна
после авторизации
22 86027892 100896110 86027892
Номер позиции: 22
Кол-во позиций: 6
Начало, дата: -
Окончание, дата: -
100896110
6 Прокладка, длина- 92.0мм Шир.- 152.0мм ТОЛЩИНА- 6.3мм (Трехточечное Навесное Устройство - 4WD)
Корзина будет доступна
после авторизации
23 00055637 101574293 00055637
Номер позиции: 23
Кол-во позиций: 1
Начало, дата: -
Окончание, дата: -
101574293
1 ШТЫРЬ - СВАРНАЯ КОНСТРУКЦИЯ, ВЕРХНЕЕ ЗВЕНО ПОДЪЕМНИКА
Корзина будет доступна
после авторизации
24 86027904 100896105 86027904
Номер позиции: 24
Кол-во позиций: 1
Начало, дата: -
Окончание, дата: -
100896105
1
Для выбора подходящей к вашей технике детали введите в поиск код продукта или свяжитесь с дилером
КРОНШТЕЙН - СВАРНАЯ КОНСТРУКЦИЯ (КРАСНЫЙ), ВЕРХНЕЕ ЗВЕНО, 3 МЕТАЛЛИЗИРОВАННЫХ МОНТАЖНЫХ ОТВЕРСТИЯ
Корзина будет доступна
после авторизации
24 86027886 102335756 86027886
Номер позиции: 24
Кол-во позиций: 1
Начало, дата: -
Окончание, дата: -
102335756
1
Для выбора подходящей к вашей технике детали введите в поиск код продукта или свяжитесь с дилером
Кронштейн верхний сварной в сборе
Корзина будет доступна
после авторизации
25 86027918 102190805 86027918
Номер позиции: 25
Кол-во позиций: 2
Начало, дата: -
Окончание, дата: -
102190805
2 Кронштейн установочный 3-точечной сцепки
Корзина будет доступна
после авторизации
26 86027891 101574295 86027891
Номер позиции: 26
Кол-во позиций: 1
Начало, дата: -
Окончание, дата: -
101574295
1 КРОНШТЕЙН - СВАРНАЯ КОНСТРУКЦИЯ, ВЕРХНЕЕ ЗВЕНО (КРАСНОЕ)
Корзина будет доступна
после авторизации
27 86035998 102331630 86035998
Номер позиции: 27
Кол-во позиций: 1
Начало, дата: -
Окончание, дата: -
102331630
1 Тяга верхняя
Корзина будет доступна
после авторизации
28 86027887 101574296 86027887
Номер позиции: 28
Кол-во позиций: 2
Начало, дата: -
Окончание, дата: -
101574296
2 ПЛАСТИНА - ШТЫРЬ НИЖНЕГО ЗВЕНА (ЧЕРНАЯ)
Корзина будет доступна
после авторизации
29 86029613 102335204 86029613
Номер позиции: 29
Кол-во позиций: 4
Начало, дата: -
Окончание, дата: -
102335204
4 ПРОКЛАДКА
Корзина будет доступна
после авторизации
30 86027890 101574298 86027890
Номер позиции: 30
Кол-во позиций: 2
Начало, дата: -
Окончание, дата: -
101574298
2 ПРОКЛАДКА - КРОНШТЕЙН ВЕРХНЕГО ЗВЕНА
Корзина будет доступна
после авторизации
31 00055661 101574299 00055661
Номер позиции: 31
Кол-во позиций: 2
Начало, дата: -
Окончание, дата: -
101574299
2 ВТУЛКА - НИЖНЕЕ ЗВЕНО 4-Й КАТЕГОРИИ
Корзина будет доступна
после авторизации
32 00056007 101574300 00056007
Номер позиции: 32
Кол-во позиций: 1
Начало, дата: -
Окончание, дата: -
101574300
1 ВТУЛКА - ВЕРХНЯЯ ТОЧКА СЦЕПКИ - 1,25Id x 1,77Od
Корзина будет доступна
после авторизации
33 86002556 101574301 86002556
Номер позиции: 33
Кол-во позиций: 2
Начало, дата: -
Окончание, дата: -
101574301
2 ВТУЛКА - НИЖНЯЯ ТОЧКА СЦЕПКИ
Корзина будет доступна
после авторизации
34 86027902 100896103 86027902
Номер позиции: 34
Кол-во позиций: 1
Начало, дата: -
Окончание, дата: -
100896103
1 Ограничитель правый
Корзина будет доступна
после авторизации
35 86027903 102333375 86027903
Номер позиции: 35
Кол-во позиций: 1
Начало, дата: -
Окончание, дата: -
102333375
1 БЛОК КАЧАНИЯ ЛЕВЫЙ
Корзина будет доступна
после авторизации
36 00018126 101574302 00018126
Номер позиции: 36
Кол-во позиций: 2
Начало, дата: -
Окончание, дата: -
101574302
2 ВТУЛКА - РУКАВ, БРОНЗА, ID-3.50"OD--4.00"
Корзина будет доступна
после авторизации
37 86002565 102333369 86002565
Номер позиции: 37
Кол-во позиций: 1
Начало, дата: -
Окончание, дата: -
102333369
1 Втулка 3,00х3,12х1,25
Корзина будет доступна
после авторизации
38 86012297 100899279 86012297
Номер позиции: 38
Кол-во позиций: 1
Начало, дата: -
Окончание, дата: -
100899279
1 КОЛЬЦО
Корзина будет доступна
после авторизации
39 00057212 101574304 00057212
Номер позиции: 39
Кол-во позиций: 1
Начало, дата: -
Окончание, дата: -
101574304
1 БИРКА, центральная тяга механизма навески C
Корзина будет доступна
после авторизации
40 00057213 101574305 00057213
Номер позиции: 40
Кол-во позиций: 1
Начало, дата: -
Окончание, дата: -
101574305
1 БИРКА, центральная тяга механизма навески C
Корзина будет доступна
после авторизации
41 00057214 101574306 00057214
Номер позиции: 41
Кол-во позиций: 2
Начало, дата: -
Окончание, дата: -
101574306
2 БИРКА, КАТЕГОРИИ 4N
Корзина будет доступна
после авторизации
42 00057215 101574307 00057215
Номер позиции: 42
Кол-во позиций: 2
Начало, дата: -
Окончание, дата: -
101574307
2 БИРКА, КАТЕГОРИИ 3W
Корзина будет доступна
после авторизации
43 00057216 101574308 00057216
Номер позиции: 43
Кол-во позиций: 1
Начало, дата: -
Окончание, дата: -
101574308
1 БИРКА, ПРИБОР AT
Корзина будет доступна
после авторизации
44 43139 102334462 43139
Номер позиции: 44
Кол-во позиций: 2
Начало, дата: -
Окончание, дата: -
102334462
2 Болт шестигранный M10x25 8.8PL
Корзина будет доступна
после авторизации
46 382101 102331576 382101
Номер позиции: 46
Кол-во позиций: 12
Начало, дата: -
Окончание, дата: -
102331576
12 Болт с шестигранной головкой - M20 x 2,5 x 80 мм, Cl-8.8 Pl
Корзина будет доступна
после авторизации
47 9846949 101572845 9846949
Номер позиции: 47
Кол-во позиций: 8
Начало, дата: -
Окончание, дата: -
101572845
8 КОЛПАЧКОВЫЙ ВИНТ- ШЕСТИГРАННИК, Cl-10.9 M20 x 2.5 x 80 Пл
Корзина будет доступна
после авторизации
48 00280319 101574311 00280319
Номер позиции: 48
Кол-во позиций: 1
Начало, дата: -
Окончание, дата: -
101574311
1 Шестигранный Болт 0.62x1.25кл5 пл
Корзина будет доступна
после авторизации
49 00050133 101574312 00050133
Номер позиции: 49
Кол-во позиций: 8
Начало, дата: -
Окончание, дата: -
101574312
8 Шестигранный Болт 0.625NCx2.50кл5 пл
Корзина будет доступна
после авторизации
50 374890 102331574 374890
Номер позиции: 50
Кол-во позиций: 16
Начало, дата: -
Окончание, дата: -
102331574
16 Болт шестигранный M20x60 8.8PL
Корзина будет доступна
после авторизации
51 00088557 101573232 00088557
Номер позиции: 51
Кол-во позиций: 6
Начало, дата: -
Окончание, дата: -
101573232
6 Винт с шестигранной головкой - 3/4" x 2", Gr-5 Pl
Корзина будет доступна
после авторизации
52 00280744 101574313 00280744
Номер позиции: 52
Кол-во позиций: 4
Начало, дата: -
Окончание, дата: -
101574313
4 Болт, SQHD 0.38x2.50кл5 рл
Корзина будет доступна
после авторизации
53 30944 102334460 30944
Номер позиции: 53
Кол-во позиций: 2
Начало, дата: -
Окончание, дата: -
102334460
2 БОЛТ 1/2-13Х1.00 GR5 CLASS 2A GOLD
Корзина будет доступна
после авторизации
54 86512140 102334459 86512140
Номер позиции: 54
Кол-во позиций: 2
Начало, дата: -
Окончание, дата: -
102334459
2 Болт М10Х1,5Х50 12,9
Корзина будет доступна
после авторизации
55 09672410 101574316 09672410
Номер позиции: 55
Кол-во позиций: 1
Начало, дата: -
Окончание, дата: -
101574316
1 КОМПЛЕКТ - ВИНТ, ШЕСТИГРАННИК М4Х6
Корзина будет доступна
после авторизации
56 43650 102334463 43650
Номер позиции: 56
Кол-во позиций: 3
Начало, дата: -
Окончание, дата: -
102334463
3 Винт
Корзина будет доступна
после авторизации
60 00019104 101574318 00019104
Номер позиции: 60
Кол-во позиций: 6
Начало, дата: -
Окончание, дата: -
101574318
6 ШТЫРЬ - ПРУЖИНА, ДИАМЕТР 0,313", ДЛИНА 2,25"
Корзина будет доступна
после авторизации
61 00018790 101574319 00018790
Номер позиции: 61
Кол-во позиций: 2
Начало, дата: -
Окончание, дата: -
101574319
2 ШТЫРЬ- ШПЛИНТ0.148 x 2.563
Корзина будет доступна
после авторизации
62 00270184 101572534 00270184
Номер позиции: 62
Кол-во позиций: 5
Начало, дата: -
Окончание, дата: -
101572534
5 ШТЫРЬ- БЛОКИРВКА СО СТОПОРНЫМ КОЛЬЦОМ, Dia-1/4 x длина-3/4"Пл
Корзина будет доступна
после авторизации
63 V55959 101574320 V55959
Номер позиции: 63
Кол-во позиций: 1
Начало, дата: -
Окончание, дата: -
101574320
1 Датчик давления
Корзина будет доступна
после авторизации
64 86512787 102334480 86512787
Номер позиции: 64
Кол-во позиций: 2
Начало, дата: -
Окончание, дата: -
102334480
2 Фиксатор 0,38х3,0 PL
Корзина будет доступна
после авторизации
65 44253 102331758 44253
Номер позиции: 65
Кол-во позиций: 1
Начало, дата: -
Окончание, дата: -
102331758
1 ШАЙБА С.16.01.08КП.016 ГОСТ 11371
Корзина будет доступна
после авторизации
67 12862 102334481 12862
Номер позиции: 67
Кол-во позиций: 2
Начало, дата: -
Окончание, дата: -
102334481
2 Шайба
Корзина будет доступна
после авторизации
69 00140028 101574324 00140028
Номер позиции: 69
Кол-во позиций: 6
Начало, дата: -
Окончание, дата: -
101574324
6 Стопорная Шайба M10 пл
Корзина будет доступна
после авторизации
70 88725 102334461 88725
Номер позиции: 70
Кол-во позиций: 4
Начало, дата: -
Окончание, дата: -
102334461
4 Болт шестигранный 0.75х1.75GR5 PL
Корзина будет доступна
после авторизации
71 70783 101574326 70783
Номер позиции: 71
Кол-во позиций: 2
Начало, дата: -
Окончание, дата: -
101574326
2 Винт, колпачковый, ШЕСТИГРАННАЯ ГОЛОВКА, CL 8.8, M10 x 1.5 x 22
Корзина будет доступна
после авторизации
72 86508097 102332478 86508097
Номер позиции: 72
Кол-во позиций: 2
Начало, дата: -
Окончание, дата: -
102332478
2 Винт с шестигранной головкой - M10 x 1,5 x 25 мм, Cl-12.9
Корзина будет доступна
после авторизации
Запрос на смену дилера
Сообщение для дилера
Заявка на ремонт