Список узлов

C2 375/400

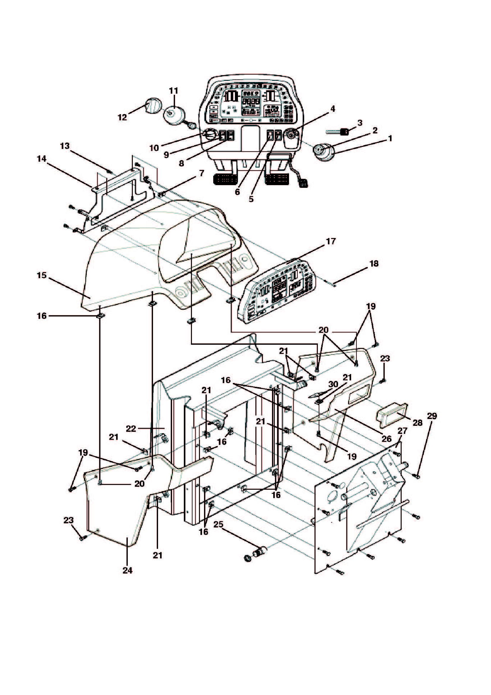
C2 375/400 - Передняя консоль и облицовка рулевой колонки

Приводы C2.05.000
Кабина в сборе/Наклейки и внутренняя отделка C2.09.000
Кабина в сборе - Окна и двери 8CAB11
Дверь кабины в сборе 8CAB12
Кабина в сборе - Стеклоочиститель в сборе 8CAB13
Интерьер кабины - Звукоизоляция 8CAB14
Интерьер кабины - Задние нижние компоненты электрооборудования 8CAB15
Крыша кабины - Верхние органы управления 8CRA12a
Крыша кабины - Громкоговорители в сборе 8CRA13
Наклейки, начиная с 305100 8DCL13
Наклейки, начиная с 305120 8DCL14
Автоматическое управление температурой 8HAC12
Передняя консоль управления 8MOP11
Передняя консоль и облицовка рулевой колонки 8MOP12
Передняя консоль - Ножной акселератор 8MOP13
Правая консоль - электроуправление гидрооборудованием SB33 8OPC06
Правая консоль - опции механической/автоматической трансмиссиии 8OPC10
Правая консоль - управление механической трансмиссией 8OPC11a
Правая консоль - управление механической трансмиссией 8OPC11c
Правая консоль - ручное управление гидрооборудованием 8OPC13
Сиденье в сборе/Опции и установка 8STA11
Приспособления и аксессуары C2.10.000

Поиск по деталям узла Детали узла

Сроки доставки и цены будут отображаться после авторизации

Цены и корзина будут доступны после авторизации

Поз. Код Чертежный номер Кол-во позиций Начало, дата Окончание, дата Наименование
2 86502200 101572078 86502200
Номер позиции: 2
Кол-во позиций: 1
Начало, дата: -
Окончание, дата: -
101572078
1 ЗАЖИМНАЯ ГАЙКА ЗАМКА ЗАЖИГАНИЯ (ЧЕРНАЯ) L4wd
Корзина будет доступна
после авторизации
3 86502201 101572079 86502201
Номер позиции: 3
Кол-во позиций: 1
Начало, дата: -
Окончание, дата: -
101572079
1 КОМПЛЕКТ - КЛЮЧИ, (2 КЛЮЧА В КОМПЛЕКТЕ) ЗАМОК ЗАЖИГАНИЯ 86500903
Корзина будет доступна
после авторизации
4 86507706 101572080 86507706
Номер позиции: 4
Кол-во позиций: 1
Начало, дата: -
Окончание, дата: -
101572080
1 БИРКА - ЗАМОК ЗАЖИГАНИЯ, 4-ПОЗИЦИОННЫЙ
Корзина будет доступна
после авторизации
5 9824815 100889288 9824815
Номер позиции: 5
Кол-во позиций: 1
Начало, дата: -
Окончание, дата: -
100889288
1 ВЫКЛЮЧАТЕЛЬ - ТУМБЛЕР, 12В, ВЫКЛЮЧЕНИЕ ДВИГАТЕЛЯ
Корзина будет доступна
после авторизации
6 86037782 102332104 86037782
Номер позиции: 6
Кол-во позиций: 1
Начало, дата: -
Окончание, дата: -
102332104
1 Заглушка
Корзина будет доступна
после авторизации
7 09628100 101571407 09628100
Номер позиции: 7
Кол-во позиций: 2
Начало, дата: -
Окончание, дата: -
101571407
2 ГАЙКА - М4-0,7
Корзина будет доступна
после авторизации
8 86500302 100902620 86500302
Номер позиции: 8
Кол-во позиций: 1
Начало, дата: -
Окончание, дата: -
100902620
1 ВЫКЛЮЧАТЕЛЬ - ТУМБЛЕР, 12В, ПРОБЛЕСКОВЫЙ МАЯЧОК
Корзина будет доступна
после авторизации
9 9993093 101571365 9993093
Номер позиции: 9
Кол-во позиций: 1
Начало, дата: -
Окончание, дата: -
101571365
1 ВЫКЛЮЧАТЕЛЬ - ТУМБЛЕР, 12В, АВАРИЙНОЕ ПРЕДУПРЕЖДЕНИЕ, ФАРЫ
Корзина будет доступна
после авторизации
10 86033186 101572082 86033186
Номер позиции: 10
Кол-во позиций: 1
Начало, дата: -
Окончание, дата: -
101572082
1 БИРКА - ВЫКЛЮЧАТЕЛЬ ОСВЕЩЕНИЯ, ПЕРЕДНЯЯ КОНСОЛЬ
Корзина будет доступна
после авторизации
11 9824811 101571364 9824811
Номер позиции: 11
Кол-во позиций: 1
Начало, дата: -
Окончание, дата: -
101571364
1 ВЫКЛЮЧАТЕЛЬ - ФАРЫ, 4-ПОЗИЦИОННЫЙ
Корзина будет доступна
после авторизации
12 9848710 102332653 9848710
Номер позиции: 12
Кол-во позиций: 1
Начало, дата: -
Окончание, дата: -
102332653
1 Кнопка переключателя
Корзина будет доступна
после авторизации
13 86500925 100902393 86500925
Номер позиции: 13
Кол-во позиций: 6
Начало, дата: -
Окончание, дата: -
100902393
6 КОЛПАЧКОВЫЙ ВИНТ- ФЛАНЦЕВЫЙ ШЕСТИГРАННИК M6 x 12 Cl-8.8 Пл
Корзина будет доступна
после авторизации
14 86508072 101572084 86508072
Номер позиции: 14
Кол-во позиций: 1
Начало, дата: -
Окончание, дата: -
101572084
1 КРОНШТЕЙН - ПЛАСТИНА КРЕПЛЕНИЯ EIC (ЧЕРНАЯ)
Корзина будет доступна
после авторизации
15 86039831 101572085 86039831
Номер позиции: 15
Кол-во позиций: 1
Начало, дата: -
Окончание, дата: -
101572085
1 ПЕРЕДНЯЯ ВЕРХНЯЯ ПАНЕЛЬ, ТЕМНО-СЕРАЯ
Корзина будет доступна
после авторизации
16 86508354 102771200 86508354
Номер позиции: 16
Кол-во позиций: 13
Начало, дата: -
Окончание, дата: -
102771200
13 Гайка закладная М8x1.25
Корзина будет доступна
после авторизации
17 86035128SRV 101572086 86035128SRV
Номер позиции: 17
Кол-во позиций: 1
Начало, дата: -
Окончание, дата: -
101572086
1
Для выбора подходящей к вашей технике детали введите в поиск код продукта или свяжитесь с дилером
МОДУЛЬ - ПРИБОРНАЯ ПАНЕЛЬ В СБОРЕ С ПРОГРАММНЫМ ОБЕСПЕЧЕНИЕМ
Корзина будет доступна
после авторизации
17 86040914SRV 101572088 86040914SRV
Номер позиции: 17
Кол-во позиций: 1
Начало, дата: -
Окончание, дата: -
101572088
1
Для выбора подходящей к вашей технике детали введите в поиск код продукта или свяжитесь с дилером
МОДУЛЬ ПРИБОРНОЙ ПАНЕЛИ С ПО
Корзина будет доступна
после авторизации
18 86050228 102331857 86050228
Номер позиции: 18
Кол-во позиций: 2
Начало, дата: -
Окончание, дата: -
102331857
2 Винт с плоской скругленной головкой M4x60PL
Корзина будет доступна
после авторизации
19 86503049 100902241 86503049
Номер позиции: 19
Кол-во позиций: 4
Начало, дата: -
Окончание, дата: -
100902241
4 Винт M6 x 30 Cl-4.8 Pl
Корзина будет доступна
после авторизации
20 86034739 100903280 86034739
Номер позиции: 20
Кол-во позиций: 4
Начало, дата: -
Окончание, дата: -
100903280
4 Шестигранный Болт M8 x 55 Gr8.8 Пл
Корзина будет доступна
после авторизации
21 09844267 101572091 09844267
Номер позиции: 21
Кол-во позиций: 8
Начало, дата: -
Окончание, дата: -
101572091
8 ГАЙКА - M6 - 1.00 Ph-Пл
Корзина будет доступна
после авторизации
22 86034742 100903270 86034742
Номер позиции: 22
Кол-во позиций: 0
Начало, дата: -
Окончание, дата: -
100903270
0 РАМА- ОПОРНАЯ СТОЙКА, СВАРНАЯ КОНСТРУКЦИЯ
Корзина будет доступна
после авторизации
23 86502680 100902283 86502680
Номер позиции: 23
Кол-во позиций: 2
Начало, дата: -
Окончание, дата: -
100902283
2 Винт - Головка Phillips, M6 x 20 PH&OB
Корзина будет доступна
после авторизации
24 86039832 101572092 86039832
Номер позиции: 24
Кол-во позиций: 1
Начало, дата: -
Окончание, дата: -
101572092
1 ПЕРЕДНЯЯ ЛЕВОСТОРОННЯЯ ПАНЕЛЬ, ТЕМНО-СЕРАЯ
Корзина будет доступна
после авторизации
25 86507086 100898166 86507086
Номер позиции: 25
Кол-во позиций: 1
Начало, дата: -
Окончание, дата: -
100898166
1 Зуммер звуковой
Корзина будет доступна
после авторизации
26 86039830 101572093 86039830
Номер позиции: 26
Кол-во позиций: 1
Начало, дата: -
Окончание, дата: -
101572093
1 ПЕРЕДНЯЯ ПРАВОСТОРОННЯЯ ПАНЕЛЬ, ТЕМНО-СЕРАЯ
Корзина будет доступна
после авторизации
27 86034577 101571451 86034577
Номер позиции: 27
Кол-во позиций: 1
Начало, дата: -
Окончание, дата: -
101571451
1 КРЫШКА Сварной Узел (Черный); Задняя Стойка, гидравлика
Корзина будет доступна
после авторизации
28 9824826 102334116 9824826
Номер позиции: 28
Кол-во позиций: 1
Начало, дата: -
Окончание, дата: -
102334116
1 Пепельница
Корзина будет доступна
после авторизации
29 9671714 102331573 9671714
Номер позиции: 29
Кол-во позиций: 9
Начало, дата: -
Окончание, дата: -
102331573
9 Болт шестигранный
Корзина будет доступна
после авторизации
30 86033257 101572096 86033257
Номер позиции: 30
Кол-во позиций: 1
Начало, дата: -
Окончание, дата: -
101572096
1 КРОНШТЕЙН - ОБШИВКА (ЧЕРНАЯ), ВНУТРЕННЯЯ, КАБИНА, L4WD
Корзина будет доступна
после авторизации
Запрос на смену дилера
Сообщение для дилера
Заявка на ремонт