Список узлов

C2 375/400

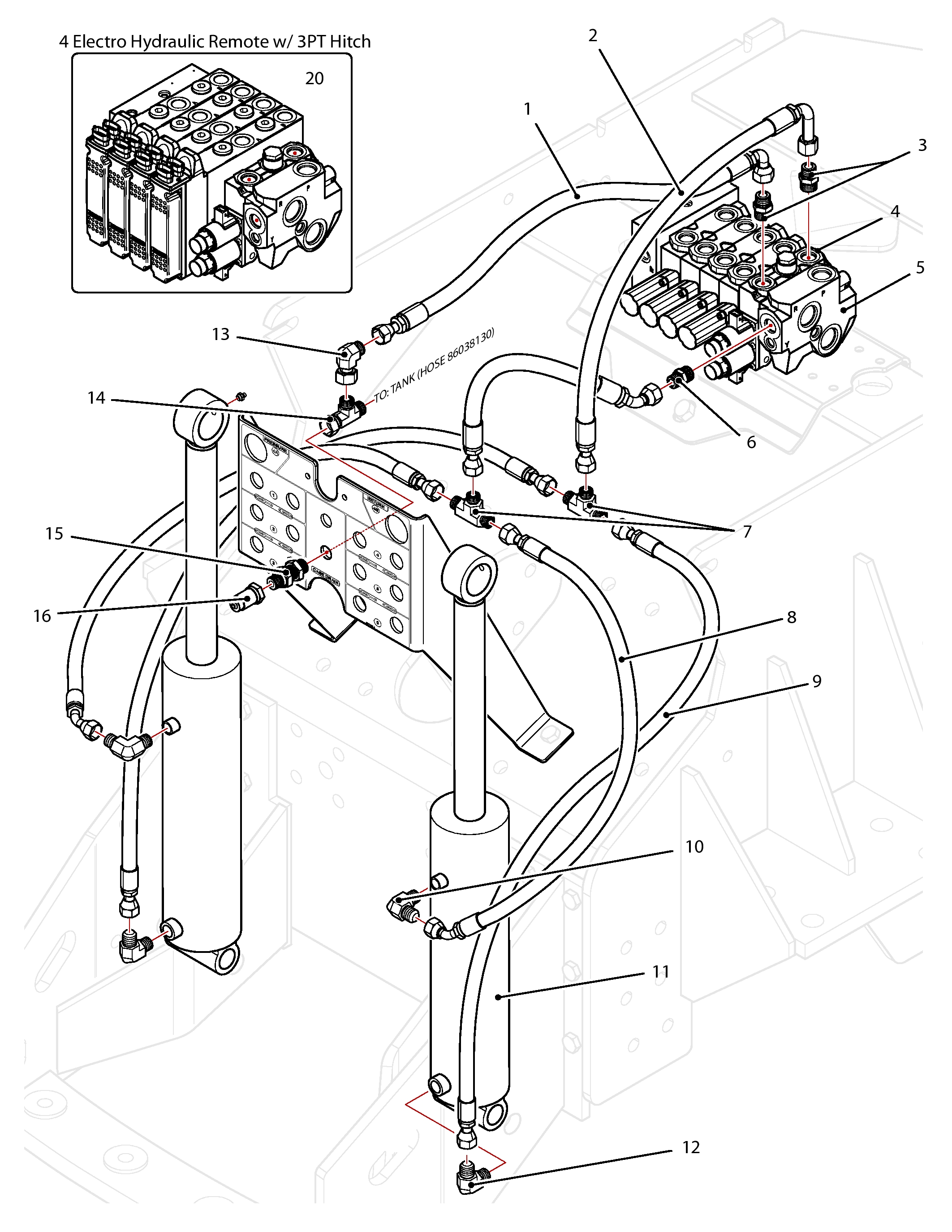
C2 375/400 - Гидрооборудование трехточечной навески

Приводы C2.05.000
Кабина в сборе/Наклейки и внутренняя отделка C2.09.000
Приспособления и аксессуары C2.10.000
Двойные колесные диски 09BD10
Тройные колесные диски 09BF10
Комплект инструмента со смазкой 09TLK01
Автоматическое рулевое управление Raven версия 2 14BE11
Комплект сигнализации движения назад (механическая трансмиссия) 14BE20
Знак тихоходного транспортного средства 16A13
Комлект автоматического руления 9ASK11
Редуктора ВОМ в сборе 9ATT11
Передние грузы 9ATT12
Переставляемое прицепное устройство 9ATT13
Комплект усиленного прицепного устройства 9ATT13a
Быстрозахватное устройство 4 категории 9ATT17
Комплект Дисплея 9CBD01
Комплекты установки дилером / 3-х точечные навески и ВОМ 9DIA11
Комплект подогревателя охлаждающей жидкости 9ENG11
Французские наклейки безопасности 9FDS11
Подставка для ноги 9FRA11
Комплект разрывных муфт 3/4 9HCK02
Комплект разрывных муфт 3/4 для SB23 9HCK03
Трехточечная навеска в сборе 9HPL01
Электрооборудование трехточечной навески модели 305-400 9HPL03
Комплект захвата для скреперной машины 9HTS11
Комплект захвата для скреперной машины 9HTS12
Комплект газоразрядных фар 9HWK11
Вилка прицепа 9ISS01
Зеркала - электроуправляемые и стандартные 9MIR11
Кронштейн установки монитора на переднюю сторону с розетками 9MMB02
Кронштейн установки монитора на переднюю сторону с розетками 9MMB11
Комплект отбора проб масла 9OSK11
Радио 9RADIO
Комплект русскоязычных наклеек безопасности 9RDS11
Комплект переоборудования ручного потенциометра 9REW01
Инструментальный ящик со ступеньками 9TLB11
Комплект буксировочного троса 9TLE10
Сервисные приспособления для ННТ и L4WD 9TLS01a
Комплект монитора рабочих характеристик 9TPM12
Комплект сиденья дополнительного 9TSK11
Комплект подкапотных ламп 9WLK11
Задние грузы (верхние и нижние) 9WTS01
Комплекты грузов и сопутствующие изделия 9WTS10
Комплекты грузов и сопутствующие изделия 9WTS10a
Комплект автоматической смазки HHT.10.001
Комплект автоматического рулевого управления Raven версия 2 HHT.10.002
Комплект автоматической смазки HHT.10.004
Комплект автоматической смазки HHT.10.013

Поиск по деталям узла Детали узла

Сроки доставки и цены будут отображаться после авторизации

Цены и корзина будут доступны после авторизации

Поз. Код Чертежный номер Кол-во позиций Начало, дата Окончание, дата Наименование
1 86039082 102331613 86039082
Номер позиции: 1
Кол-во позиций: 1
Начало, дата: -
Окончание, дата: -
102331613
1 Рукав в сборе 1/2X1025 100R17
Корзина будет доступна
после авторизации
2 86038777 101574329 86038777
Номер позиции: 2
Кол-во позиций: 1
Начало, дата: -
Окончание, дата: -
101574329
1 ШЛАНГ В СБОРЕ 5/8 id X 475 L 100R17
Корзина будет доступна
после авторизации
4 86035395 101480678 86035395
Номер позиции: 4
Кол-во позиций: 1
Начало, дата: -
Окончание, дата: -
101480678
1 СЕГМЕНТ - ГИДРОКЛАПАН В СБОРЕ, HПл SB23
Корзина будет доступна
после авторизации
5 86035374 101571787 86035374
Номер позиции: 5
Кол-во позиций: 1
Начало, дата: -
Окончание, дата: -
101571787
1 Клапан
6 86037107 102331001 86037107
Номер позиции: 6
Кол-во позиций: 1
Начало, дата: -
Окончание, дата: -
102331001
1 СОЕДИНИТЕЛЬ M22 ORBX1.00 ORFS
Корзина будет доступна
после авторизации
7 128996 102334504 128996
Номер позиции: 7
Кол-во позиций: 2
Начало, дата: -
Окончание, дата: -
102334504
2 ТРОЙНИК 3/4MJICX3/4MJIC
Корзина будет доступна
после авторизации
8 100198 102331611 100198
Номер позиции: 8
Кол-во позиций: 2
Начало, дата: -
Окончание, дата: -
102331611
2 Рукав 1/2"X1285 100R2
Корзина будет доступна
после авторизации
9 9673063 102331621 9673063
Номер позиции: 9
Кол-во позиций: 2
Начало, дата: -
Окончание, дата: -
102331621
2 Рукав гидравлический 1/2x1000 100R17
Корзина будет доступна
после авторизации
10 22913 102331632 22913
Номер позиции: 10
Кол-во позиций: 2
Начало, дата: -
Окончание, дата: -
102331632
2 Угольник 90 3/4JIC X 3/8NPT
Корзина будет доступна
после авторизации
11 9703757 101234742 9703757
Номер позиции: 11
Кол-во позиций: 0
Начало, дата: -
Окончание, дата: -
101234742
0
Для выбора подходящей к вашей технике детали введите в поиск код продукта или свяжитесь с дилером
Набор уплотнений
Корзина будет доступна
после авторизации
11 86027897 102331586 86027897
Номер позиции: 11
Кол-во позиций: 2
Начало, дата: -
Окончание, дата: -
102331586
2
Для выбора подходящей к вашей технике детали введите в поиск код продукта или свяжитесь с дилером
Цилиндр гидравлический - 3-х точечная навеска (красный)
Корзина будет доступна
после авторизации
12 76352 102331633 76352
Номер позиции: 12
Кол-во позиций: 2
Начало, дата: -
Окончание, дата: -
102331633
2 Угольник 90 3/4MJIC X 1/2 MNPT
Корзина будет доступна
после авторизации
13 86511208 100897822 86511208
Номер позиции: 13
Кол-во позиций: 1
Начало, дата: -
Окончание, дата: -
100897822
1 УГОЛОК 90° 13/16 ORFS SW 13/16 ORFS
Корзина будет доступна
после авторизации
14 86033269 102331628 86033269
Номер позиции: 14
Кол-во позиций: 1
Начало, дата: -
Окончание, дата: -
102331628
1 Тройник 13/16ORFSX13/16ORFS
Корзина будет доступна
после авторизации
15 86036291 102334499 86036291
Номер позиции: 15
Кол-во позиций: 1
Начало, дата: -
Окончание, дата: -
102334499
1 КОННЕКТОР 3/4ORBX13/16ORFS
Корзина будет доступна
после авторизации
16 86544945 101571665 86544945
Номер позиции: 16
Кол-во позиций: 1
Начало, дата: -
Окончание, дата: -
101571665
1 Соединитель - Гидравлика 1/2дю - 16Orb (Штекер)
Корзина будет доступна
после авторизации
20 86035376 101571791 86035376
Номер позиции: 20
Кол-во позиций: 0
Начало, дата: -
Окончание, дата: -
101571791
0 Клапан - ГИДРАВЛИКА В СБОРЕ SB-33, 4-Секции Электрогидравлический 3-точ. (Черный)
Корзина будет доступна
после авторизации
Запрос на смену дилера
Сообщение для дилера
Заявка на ремонт