Список узлов

C2 375/400

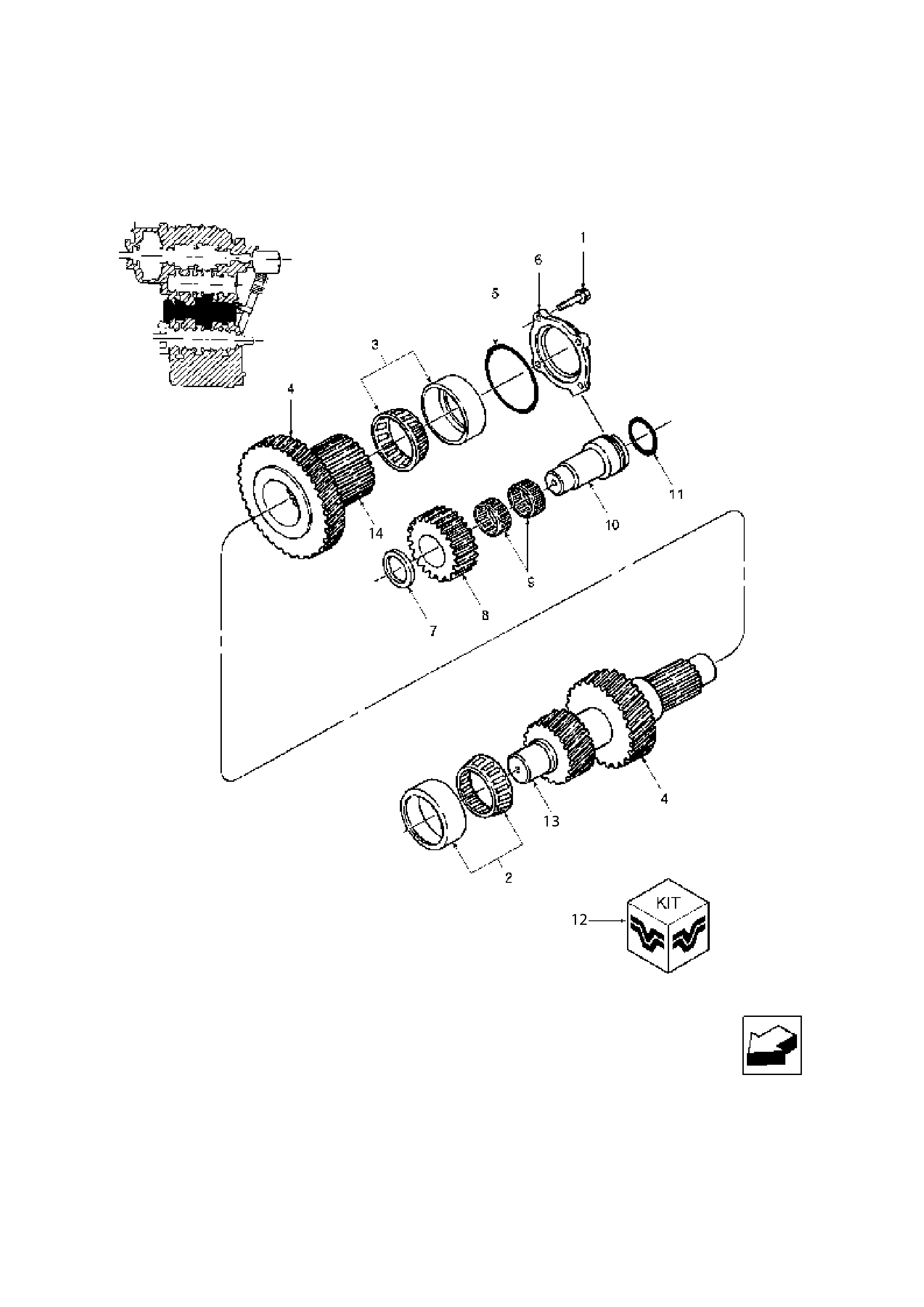
C2 375/400 - Второй промежуточный вал

Приводы C2.05.000
Мост в сборе и его установка 04A11
Дифференциал без блокировки 04B12
Трансмиссия механическая 12-ти скоростная 07D11
Выходной вал трансмиссии 07D12
Первичный вал трансмиссии 07D13
Второй промежуточный вал 07D15
Система смазки трансмиссии 07D16
Главная муфта сцепления 07D17
Система всасывания механической трансмиссии 07D18
Механизм выбора передачи в сборе 07G12
Педаль сцепления для 12-ти скоростной механической 5CLS01
Верхняя крышка переключения передач в сборе 5TRN01
Первый промежуточный вал 5TRN16
Система всасывания механической трансмиссии 5TRN20a
Монтаж механической трансмиссии 5TRN21
Шестеренный насос смазки трансмиссии 5TRP01
Тандем насосв синхротрансмиссии 5TRP02
Кабина в сборе/Наклейки и внутренняя отделка C2.09.000
Приспособления и аксессуары C2.10.000

Поиск по деталям узла Детали узла

Сроки доставки и цены будут отображаться после авторизации

Цены и корзина будут доступны после авторизации

Поз. Код Чертежный номер Кол-во позиций Начало, дата Окончание, дата Наименование
1 9670066 102331464 9670066
Номер позиции: 1
Кол-во позиций: 4
Начало, дата: -
Окончание, дата: -
102331464
4 Винт с шестигранной головкой и фланцем - M12 x 30 мм, Cl-8.8 Pl FLG
Корзина будет доступна
после авторизации
2 86509785 101573899 86509785
Номер позиции: 2
Кол-во позиций: 1
Начало, дата: -
Окончание, дата: -
101573899
1 Подшипник однорядный конический роликовый 60 х 130 х 48.5 мм
Корзина будет доступна
после авторизации
3 86017341 100901444 86017341
Номер позиции: 3
Кол-во позиций: 1
Начало, дата: -
Окончание, дата: -
100901444
1 Подшипник однорядный конический роликовый 55 х 120 х 45.5 мм
Корзина будет доступна
после авторизации
5 86011721 101573166 86011721
Номер позиции: 5
Кол-во позиций: 1
Начало, дата: -
Окончание, дата: -
101573166
1 Кольцо уплотнительное - J15 G125, задняя крышка
Корзина будет доступна
после авторизации
6 86019020 101573168 86019020
Номер позиции: 6
Кол-во позиций: 1
Начало, дата: -
Окончание, дата: -
101573168
1 Крышка - 2-й промежуточный вал, задний L4WD
Корзина будет доступна
после авторизации
7 86001307 101573169 86001307
Номер позиции: 7
Кол-во позиций: 1
Начало, дата: -
Окончание, дата: -
101573169
1 Проставка - натяжной ролик шестерни, второй промежуточный вал (L4WD)
Корзина будет доступна
после авторизации
8 86001305 101573170 86001305
Номер позиции: 8
Кол-во позиций: 1
Начало, дата: -
Окончание, дата: -
101573170
1 Шестерня - 22 зуба, 2-й промежуточный вал (L4WD)
Корзина будет доступна
после авторизации
9 86509781 101573171 86509781
Номер позиции: 9
Кол-во позиций: 2
Начало, дата: -
Окончание, дата: -
101573171
2 Подшипник игольчатый - 2,125" x 2,5" x 1"
Корзина будет доступна
после авторизации
10 86001304 101573172 86001304
Номер позиции: 10
Кол-во позиций: 1
Начало, дата: -
Окончание, дата: -
101573172
1 Штырь обратный - 2-й промежуточный вал (L4WD)
Корзина будет доступна
после авторизации
11 00271622 101573173 00271622
Номер позиции: 11
Кол-во позиций: 1
Начало, дата: -
Окончание, дата: -
101573173
1 Кольцо уплотнительное - ID-2.609" x 0.139"
Корзина будет доступна
после авторизации
12 86019021 101573167 86019021
Номер позиции: 12
Кол-во позиций: 1
Начало, дата: -
Окончание, дата: -
101573167
1 Комплект - прокладка крышки, 2-й промежуточный вал (L4WD)
Корзина будет доступна
после авторизации
13 86033591 101573900 86033591
Номер позиции: 13
Кол-во позиций: 1
Начало, дата: -
Окончание, дата: -
101573900
1 ВАЛ - ШЕСТЕРНЯ В СБОРЕ, 21-30-ЗУБЧАТЫЙ, 2-Й ПРОМЕЖУТОЧНЫЙ
Корзина будет доступна
после авторизации
14 86020165 101573901 86020165
Номер позиции: 14
Кол-во позиций: 1
Начало, дата: -
Окончание, дата: -
101573901
1 Шестерня, блок - 42-22 зуба, 2-й промежуточный вал
Корзина будет доступна
после авторизации
Запрос на смену дилера
Сообщение для дилера
Заявка на ремонт