Список узлов

C2 375/400

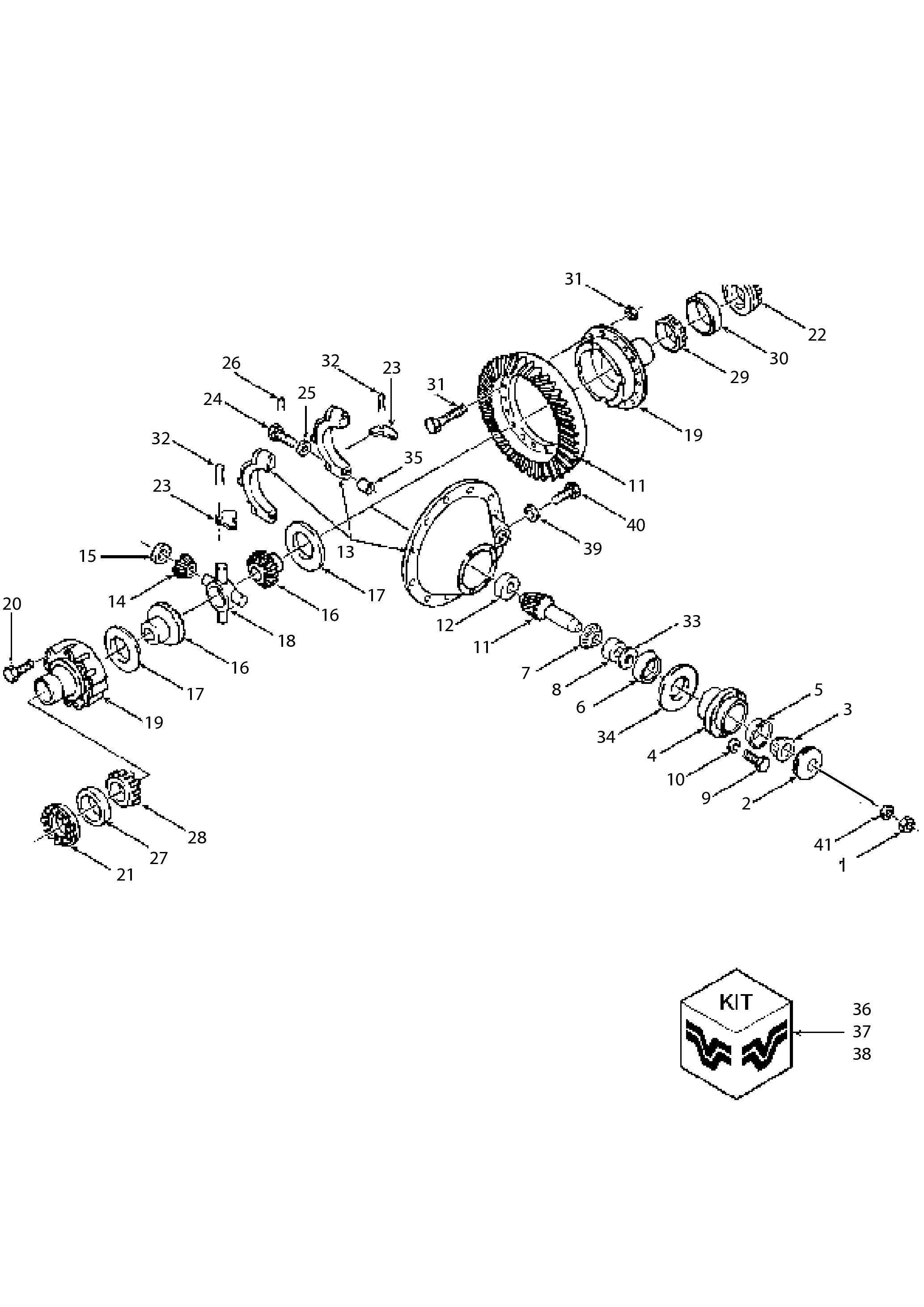
C2 375/400 - Дифференциал без блокировки

Приводы C2.05.000
Мост в сборе и его установка 04A11
Дифференциал без блокировки 04B12
Трансмиссия механическая 12-ти скоростная 07D11
Выходной вал трансмиссии 07D12
Первичный вал трансмиссии 07D13
Второй промежуточный вал 07D15
Система смазки трансмиссии 07D16
Главная муфта сцепления 07D17
Система всасывания механической трансмиссии 07D18
Механизм выбора передачи в сборе 07G12
Педаль сцепления для 12-ти скоростной механической 5CLS01
Верхняя крышка переключения передач в сборе 5TRN01
Первый промежуточный вал 5TRN16
Система всасывания механической трансмиссии 5TRN20a
Монтаж механической трансмиссии 5TRN21
Шестеренный насос смазки трансмиссии 5TRP01
Тандем насосв синхротрансмиссии 5TRP02
Кабина в сборе/Наклейки и внутренняя отделка C2.09.000
Приспособления и аксессуары C2.10.000

Поиск по деталям узла Детали узла

Сроки доставки и цены будут отображаться после авторизации

Цены и корзина будут доступны после авторизации

Поз. Код Чертежный номер Кол-во позиций Начало, дата Окончание, дата Наименование
1 86039459 101573855 86039459
Номер позиции: 1
Кол-во позиций: 1
Начало, дата: -
Окончание, дата: -
101573855
1
Для выбора подходящей к вашей технике детали введите в поиск код продукта или свяжитесь с дилером
Гайка с шестигранным стопорным фланцем - M42 x 1.
Корзина будет доступна
после авторизации
1 128049 103364460 128049
Номер позиции: 1
Кол-во позиций: 1
Начало, дата: -
Окончание, дата: -
103364460
1
Для выбора подходящей к вашей технике детали введите в поиск код продукта или свяжитесь с дилером
Гайка
Корзина будет доступна
после авторизации
2 86013419 100900631 86013419
Номер позиции: 2
Кол-во позиций: 1
Начало, дата: -
Окончание, дата: -
100900631
1 Сальник и фиксатор в сборе
Корзина будет доступна
после авторизации
3 9672376 101572915 9672376
Номер позиции: 3
Кол-во позиций: 1
Начало, дата: -
Окончание, дата: -
101572915
1 Подшипник без наружного кольца, OD-123.8 x 25.4
Корзина будет доступна
после авторизации
4 86025281 100904515 86025281
Номер позиции: 4
Кол-во позиций: 1
Начало, дата: -
Окончание, дата: -
100904515
1 ДИФФЕРЕНЦИАЛ - КАРКАС И НАРУЖНОЕ КОЛЬЦО В СБОРЕ
Корзина будет доступна
после авторизации
5 9672383 101572916 9672383
Номер позиции: 5
Кол-во позиций: 1
Начало, дата: -
Окончание, дата: -
101572916
1 Наружное кольцо роликового конического Подшипника, внешнее OD-123.8мм ТОЛЩИНА-25.4мм
Корзина будет доступна
после авторизации
6 9672384 101572917 9672384
Номер позиции: 6
Кол-во позиций: 1
Начало, дата: -
Окончание, дата: -
101572917
1 Наружное кольцо роликового конического Подшипника Od-140.03 ТОЛЩИНА-23.52, полноприводный сателлит дифференциала
Корзина будет доступна
после авторизации
7 9672366 101572918 9672366
Номер позиции: 7
Кол-во позиций: 1
Начало, дата: -
Окончание, дата: -
101572918
1 Kонический Подшипник без наружного кольца, сателлит дифференциала ID-2.1255дюйм OD-5.5140дюйм
Корзина будет доступна
после авторизации
8 00057378 101572919 00057378
Номер позиции: 8
Кол-во позиций: 1
Начало, дата: -
Окончание, дата: -
101572919
1 Комплект - проставки для подшипников ведущей шестерни
Корзина будет доступна
после авторизации
9 9672375 101573856 9672375
Номер позиции: 9
Кол-во позиций: 6
Начало, дата: -
Окончание, дата: -
101573856
6 Колпачковый винт
Корзина будет доступна
после авторизации
10 09672374 101572921 09672374
Номер позиции: 10
Кол-во позиций: 6
Начало, дата: -
Окончание, дата: -
101572921
6 СТОПОРНАЯ ШАЙБА - КОРПУС В СБОРЕ, ДЕРЖАТЕЛЬ ДИФФЕРЕНЦИАЛА
Корзина будет доступна
после авторизации
11 86539514 101572922 86539514
Номер позиции: 11
Кол-во позиций: 1
Начало, дата: -
Окончание, дата: -
101572922
1
Для выбора подходящей к вашей технике детали введите в поиск код продукта или свяжитесь с дилером
КОМПЛЕКТ - ШЕСТЕРНИ ПРИВОДА, ПРАВАЯ СПИРАЛЬНАЯ, 41-ШЛИЦЕВАЯ
Корзина будет доступна
после авторизации
11 86025262 101572923 86025262
Номер позиции: 11
Кол-во позиций: 1
Начало, дата: -
Окончание, дата: -
101572923
1
Для выбора подходящей к вашей технике детали введите в поиск код продукта или свяжитесь с дилером
КОМПЛЕКТ - Ведущая Шестерня & КОЛЬЦО ШЕСТЕРНИ, Левая Спираль Шестерни
Корзина будет доступна
после авторизации
11 86025263 101572924 86025263
Номер позиции: 11
Кол-во позиций: 1
Начало, дата: -
Окончание, дата: -
101572924
1
Для выбора подходящей к вашей технике детали введите в поиск код продукта или свяжитесь с дилером
КОМПЛЕКТ - Ведущая Шестерня & КОЛЬЦО ШЕСТЕРНИ, Правая Спираль Шестерни
Корзина будет доступна
после авторизации
11 86025264 101572925 86025264
Номер позиции: 11
Кол-во позиций: 1
Начало, дата: -
Окончание, дата: -
101572925
1
Для выбора подходящей к вашей технике детали введите в поиск код продукта или свяжитесь с дилером
КОМПЛЕКТ - Ведущая Шестерня & КОЛЬЦО ШЕСТЕРНИ, Левая Спираль Шестерни
Корзина будет доступна
после авторизации
12 9672364 101572926 9672364
Номер позиции: 12
Кол-во позиций: 1
Начало, дата: -
Окончание, дата: -
101572926
1 Опора зубчатого валика дифференциала, Id-1.3780 Od-3.5433дюйм
Корзина будет доступна
после авторизации
13 86013016 101572927 86013016
Номер позиции: 13
Кол-во позиций: 1
Начало, дата: -
Окончание, дата: -
101572927
1 КОМПЛЕКТ - ДЕРЖАТЕЛЬ И КОЛПАКИ, ДИФФЕРЕНЦИАЛ В СБОРЕ
Корзина будет доступна
после авторизации
15 9672353 101572928 9672353
Номер позиции: 15
Кол-во позиций: 4
Начало, дата: -
Окончание, дата: -
101572928
4 ШАЙБА - УПОРНАЯ, БОКОВАЯ ШЕСТЕРНЯ, ДЕРЖАТЕЛЬ ДИФФЕРЕНЦИАЛА
Корзина будет доступна
после авторизации
17 9672356 101572929 9672356
Номер позиции: 17
Кол-во позиций: 2
Начало, дата: -
Окончание, дата: -
101572929
2 ШАЙБА - УПОРНАЯ, БОКОВАЯ ШЕСТЕРНЯ
Корзина будет доступна
после авторизации
19 86026909 101573857 86026909
Номер позиции: 19
Кол-во позиций: 1
Начало, дата: -
Окончание, дата: -
101573857
1 КОМПЛЕКТ - КОРПУС, КОЛЕСНЫЙ ДИФФЕРЕНЦИАЛ L4WD
Корзина будет доступна
после авторизации
20 09672355 101572931 09672355
Номер позиции: 20
Кол-во позиций: 12
Начало, дата: -
Окончание, дата: -
101572931
12 КОЛПАЧКОВЫЙ ВИНТ- картер дифференциала В СБОРЕ
Корзина будет доступна
после авторизации
21 09672362 101572932 09672362
Номер позиции: 21
Кол-во позиций: 1
Начало, дата: -
Окончание, дата: -
101572932
1 РЕГУЛЯТОР, правосторонний Подшипник , различные крепежные элементы
Корзина будет доступна
после авторизации
22 9672346 101572933 9672346
Номер позиции: 22
Кол-во позиций: 1
Начало, дата: -
Окончание, дата: -
101572933
1 РЕГУЛЯТОР - левосторонний Подшипник дифференциала L4WD
Корзина будет доступна
после авторизации
23 9672359 101573795 9672359
Номер позиции: 23
Кол-во позиций: 2
Начало, дата: -
Окончание, дата: -
101573795
2 РЕГИЛИРУЮЩИЙ СТОПОР ЛЕВ./ПРАВ. Подшипник, ДЕРЖАТЕЛЬ ДИФФЕРЕНЦИАЛА
Корзина будет доступна
после авторизации
24 86013444 101572935 86013444
Номер позиции: 24
Кол-во позиций: 4
Начало, дата: -
Окончание, дата: -
101572935
4 КОЛПАЧКОВЫЙ ВИНТ- ФИКСАТОР СТАКАНА, ДИФФЕРЕНЦИАЛ
Корзина будет доступна
после авторизации
25 19557 101572936 19557
Номер позиции: 25
Кол-во позиций: 4
Начало, дата: -
Окончание, дата: -
101572936
4 ШАЙБА - ПЛОСКАЯ, ДЕРЖАТЕЛЬ ДИФФЕРЕНЕЦИАЛА
Корзина будет доступна
после авторизации
27 9672361 101573793 9672361
Номер позиции: 27
Кол-во позиций: 1
Начало, дата: -
Окончание, дата: -
101573793
1 Наружное кольцо роликового конического Подшипника, правосторонний дифференциал Od-148.46мм ТОЛЩИНА-21.4мм
Корзина будет доступна
после авторизации
28 9672360 101573794 9672360
Номер позиции: 28
Кол-во позиций: 1
Начало, дата: -
Окончание, дата: -
101573794
1 Однорядный ролик конического Подшипника без наружного кольца Id-96.72 ТОЛЩИНА-28.90мм
Корзина будет доступна
после авторизации
29 9672348 101572939 9672348
Номер позиции: 29
Кол-во позиций: 1
Начало, дата: -
Окончание, дата: -
101572939
1
Для выбора подходящей к вашей технике детали введите в поиск код продукта или свяжитесь с дилером
Kонический Подшипник без наружного кольца, левосторонний ID-85.45мм ТОЛЩИНА-41.3мм
Корзина будет доступна
после авторизации
29 027666 103385872 027666
Номер позиции: 29
Кол-во позиций: 1
Начало, дата: -
Окончание, дата: -
103385872
1
Для выбора подходящей к вашей технике детали введите в поиск код продукта или свяжитесь с дилером
Конус подшипника
Корзина будет доступна
после авторизации
30 9672347 101572940 9672347
Номер позиции: 30
Кол-во позиций: 1
Начало, дата: -
Окончание, дата: -
101572940
1 Наружное кольцо роликового конического Подшипника ID-2.75дюйм. OD-5.47дюйм. ТОЛЩИНА-1.625
Корзина будет доступна
после авторизации
31 86000657 101572941 86000657
Номер позиции: 31
Кол-во позиций: 1
Начало, дата: -
Окончание, дата: -
101572941
1 КОМПЛЕКТ - БОЛТ С ГАЙКАМИ, ДИФФЕРЕНЦИАЛ ШЕСТЕРНИ К КОРПУСУ
Корзина будет доступна
после авторизации
32 09672358 101572942 09672358
Номер позиции: 32
Кол-во позиций: 2
Начало, дата: -
Окончание, дата: -
101572942
2 Шплинт, Пружина, Опора Дифференциала
Корзина будет доступна
после авторизации
33 9672367 101572943 9672367
Номер позиции: 33
Кол-во позиций: 1
Начало, дата: -
Окончание, дата: -
101572943
1 ПРОКЛАДКА - ШАЙБА, Подшипник ЗУБЧАТОГО ВАЛА
Корзина будет доступна
после авторизации
34 9672372 101572944 9672372
Номер позиции: 34
Кол-во позиций: 0
Начало, дата: -
Окончание, дата: -
101572944
0
Для выбора подходящей к вашей технике детали введите в поиск код продукта или свяжитесь с дилером
Прокладка, 0.003"Толщина, Водило Сателлитов
Корзина будет доступна
после авторизации
34 9672371 101572945 9672371
Номер позиции: 34
Кол-во позиций: 0
Начало, дата: -
Окончание, дата: -
101572945
0
Для выбора подходящей к вашей технике детали введите в поиск код продукта или свяжитесь с дилером
Прокладка, 0.005"Толщина, Водило Сателлитов
Корзина будет доступна
после авторизации
34 9672370 101572946 9672370
Номер позиции: 34
Кол-во позиций: 0
Начало, дата: -
Окончание, дата: -
101572946
0
Для выбора подходящей к вашей технике детали введите в поиск код продукта или свяжитесь с дилером
Прокладка, 0.010"Толщина, Водило Сателлитов
Корзина будет доступна
после авторизации
34 9672369 101572947 9672369
Номер позиции: 34
Кол-во позиций: 0
Начало, дата: -
Окончание, дата: -
101572947
0
Для выбора подходящей к вашей технике детали введите в поиск код продукта или свяжитесь с дилером
Прокладка, 0.020"Толщина, Водило Сателлитов
Корзина будет доступна
после авторизации
35 109638 101572948 109638
Номер позиции: 35
Кол-во позиций: 2
Начало, дата: -
Окончание, дата: -
101572948
2 ВТУЛКА - ШТИФТ, ТРАНСПОРТЕР В СБОРЕ
Корзина будет доступна
после авторизации
36 00078649 101572949 00078649
Номер позиции: 36
Кол-во позиций: 0
Начало, дата: -
Окончание, дата: -
101572949
0 КОМПЛЕКТ - ДИФФЕРЕНЦИАЛ С ШЕСТЕРНЕЙ, ЗВЕЗДООБРАЗНОЙ ДЕТАЛЬЮ, ПОЛУОСЕВОЙ ШЕСТЕРНЕЙ
Корзина будет доступна
после авторизации
37 86000678 101572950 86000678
Номер позиции: 37
Кол-во позиций: 0
Начало, дата: -
Окончание, дата: -
101572950
0 КОМПЛЕКТ - ДИФФЕРЕНЦИАЛ ЛЕВОСТОРОННИХ ШЕСТЕРНЕЙ
Корзина будет доступна
после авторизации
38 86025291 101234852 86025291
Номер позиции: 38
Кол-во позиций: 0
Начало, дата: -
Окончание, дата: -
101234852
0 КОМПЛЕКТ - РЕМОНТ ШЕСТЕРНИ И ДЕРЖАТЕЛЯ, ДИФФЕРЕНЦИАЛ
Корзина будет доступна
после авторизации
39 86025294 101572951 86025294
Номер позиции: 39
Кол-во позиций: 1
Начало, дата: -
Окончание, дата: -
101572951
1 Винт
Корзина будет доступна
после авторизации
40 86025311 101572952 86025311
Номер позиции: 40
Кол-во позиций: 1
Начало, дата: -
Окончание, дата: -
101572952
1 СТОПОРНАЯ ГАЙКА M24 - 2, КОРПУС ДИФФЕРЕНЦИАЛА В СБОРЕ
Корзина будет доступна
после авторизации
44 86031947 101573756 86031947
Номер позиции: 44
Кол-во позиций: 0
Начало, дата: -
Окончание, дата: -
101573756
0
Для выбора подходящей к вашей технике детали введите в поиск код продукта или свяжитесь с дилером
Опора-ДИФФЕРЕНЦИАЛ-Стандартный Прав. 23130 Серия
Корзина будет доступна
после авторизации
44 86031948 101573757 86031948
Номер позиции: 44
Кол-во позиций: 0
Начало, дата: -
Окончание, дата: -
101573757
0
Для выбора подходящей к вашей технике детали введите в поиск код продукта или свяжитесь с дилером
Опора-ДИФФЕРЕНЦИАЛ-Стандартный Лев. 23130 Серия
Корзина будет доступна
после авторизации
Запрос на смену дилера
Сообщение для дилера
Заявка на ремонт