Список узлов

C2 375/400

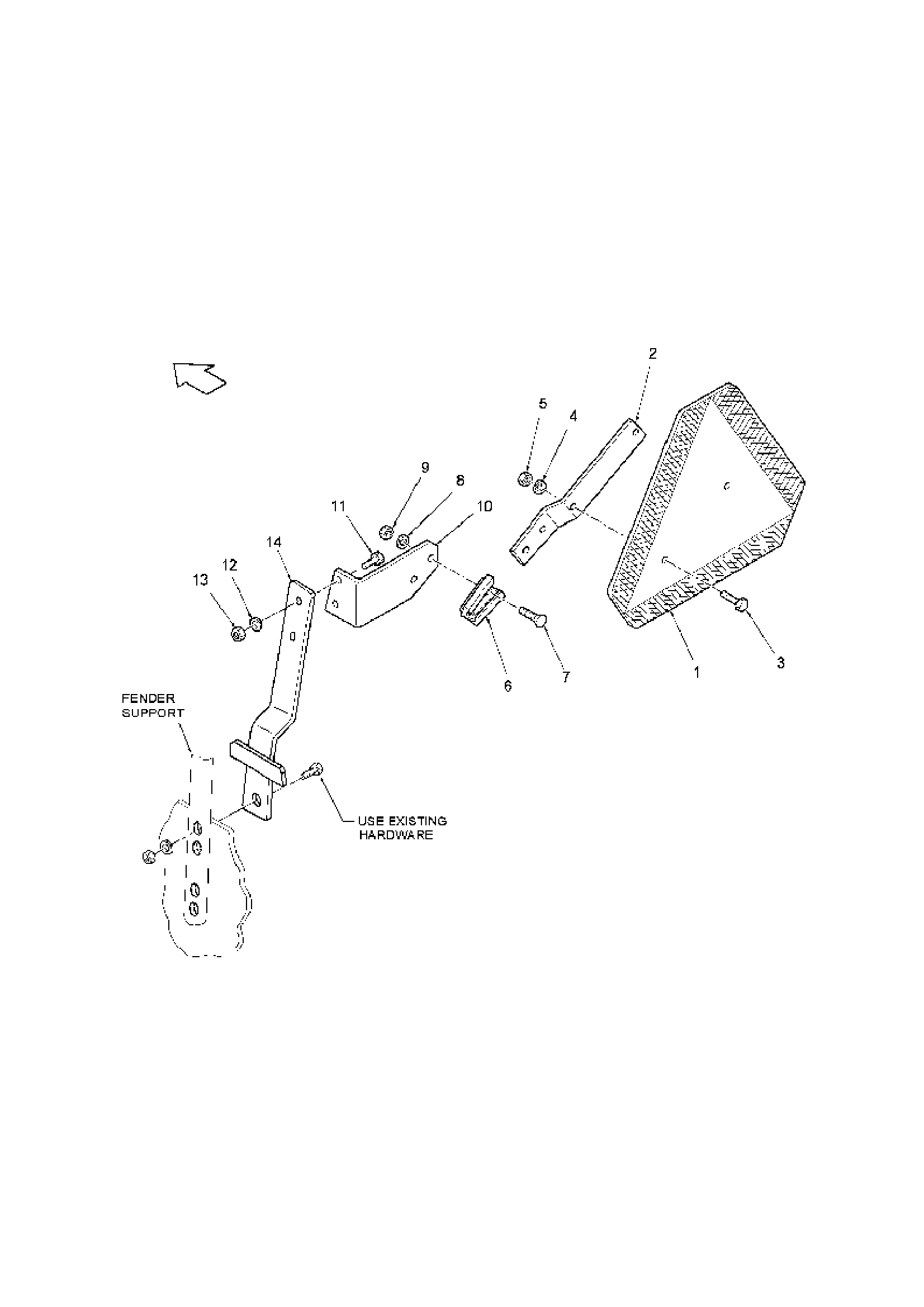
C2 375/400 - Знак тихоходного транспортного средства

Приводы C2.05.000
Кабина в сборе/Наклейки и внутренняя отделка C2.09.000
Приспособления и аксессуары C2.10.000
Двойные колесные диски 09BD10
Тройные колесные диски 09BF10
Комплект инструмента со смазкой 09TLK01
Автоматическое рулевое управление Raven версия 2 14BE11
Комплект сигнализации движения назад (механическая трансмиссия) 14BE20
Знак тихоходного транспортного средства 16A13
Комлект автоматического руления 9ASK11
Редуктора ВОМ в сборе 9ATT11
Передние грузы 9ATT12
Переставляемое прицепное устройство 9ATT13
Комплект усиленного прицепного устройства 9ATT13a
Быстрозахватное устройство 4 категории 9ATT17
Комплект Дисплея 9CBD01
Комплекты установки дилером / 3-х точечные навески и ВОМ 9DIA11
Комплект подогревателя охлаждающей жидкости 9ENG11
Французские наклейки безопасности 9FDS11
Подставка для ноги 9FRA11
Комплект разрывных муфт 3/4 9HCK02
Комплект разрывных муфт 3/4 для SB23 9HCK03
Трехточечная навеска в сборе 9HPL01
Электрооборудование трехточечной навески модели 305-400 9HPL03
Комплект захвата для скреперной машины 9HTS11
Комплект захвата для скреперной машины 9HTS12
Комплект газоразрядных фар 9HWK11
Вилка прицепа 9ISS01
Зеркала - электроуправляемые и стандартные 9MIR11
Кронштейн установки монитора на переднюю сторону с розетками 9MMB02
Кронштейн установки монитора на переднюю сторону с розетками 9MMB11
Комплект отбора проб масла 9OSK11
Радио 9RADIO
Комплект русскоязычных наклеек безопасности 9RDS11
Комплект переоборудования ручного потенциометра 9REW01
Инструментальный ящик со ступеньками 9TLB11
Комплект буксировочного троса 9TLE10
Сервисные приспособления для ННТ и L4WD 9TLS01a
Комплект монитора рабочих характеристик 9TPM12
Комплект сиденья дополнительного 9TSK11
Комплект подкапотных ламп 9WLK11
Задние грузы (верхние и нижние) 9WTS01
Комплекты грузов и сопутствующие изделия 9WTS10
Комплекты грузов и сопутствующие изделия 9WTS10a
Комплект автоматической смазки HHT.10.001
Комплект автоматического рулевого управления Raven версия 2 HHT.10.002
Комплект автоматической смазки HHT.10.004
Комплект автоматической смазки HHT.10.013

Поиск по деталям узла Детали узла

Сроки доставки и цены будут отображаться после авторизации

Цены и корзина будут доступны после авторизации

Поз. Код Чертежный номер Кол-во позиций Начало, дата Окончание, дата Наименование
1 86547710 101574234 86547710
Номер позиции: 1
Кол-во позиций: 1
Начало, дата: -
Окончание, дата: -
101574234
1 Обозначения - Медленно Движущееся Транспортное Средство
Корзина будет доступна
после авторизации
2 81864740 101574235 81864740
Номер позиции: 2
Кол-во позиций: 1
Начало, дата: -
Окончание, дата: -
101574235
1 Кронштейн
Корзина будет доступна
после авторизации
3 86508568 102336124 86508568
Номер позиции: 3
Кол-во позиций: 2
Начало, дата: -
Окончание, дата: -
102336124
2 Болт с шестигранной головкой - M6 x 1 x 16 мм, Cl-8.8 Pl
Корзина будет доступна
после авторизации
4 00322357 101572671 00322357
Номер позиции: 4
Кол-во позиций: 2
Начало, дата: -
Окончание, дата: -
101572671
2 Шайба стопорная M6, Pl
Корзина будет доступна
после авторизации
5 9706755 102335683 9706755
Номер позиции: 5
Кол-во позиций: 2
Начало, дата: -
Окончание, дата: -
102335683
2 Гайка шестигранная - M6 x 1, Cl-8 Pl
Корзина будет доступна
после авторизации
6 86000890 101574236 86000890
Номер позиции: 6
Кол-во позиций: 2
Начало, дата: -
Окончание, дата: -
101574236
2 РОЗЕТКА - КРЕПЛЕНИЕ ЗНАКА МЕДЛЕННОГО ДВИЖЕНИЯ, КРЫЛО
Корзина будет доступна
после авторизации
8 00080681 101574238 00080681
Номер позиции: 8
Кол-во позиций: 4
Начало, дата: -
Окончание, дата: -
101574238
4 Стопорная Шайба 0.31пл
Корзина будет доступна
после авторизации
9 09706690 101571117 09706690
Номер позиции: 9
Кол-во позиций: 4
Начало, дата: -
Окончание, дата: -
101571117
4 ГАЙКА - ШЕСТИГРАННИК, CL8 M8 x 1.25
Корзина будет доступна
после авторизации
10 86504378 101574239 86504378
Номер позиции: 10
Кол-во позиций: 1
Начало, дата: -
Окончание, дата: -
101574239
1 КРОНШТЕЙН - КРЕПЛЕНИЕ, ЗНАК МЕДЛЕННОДВИЖУЩЕГОСЯ АВТОМОБИЛЯ
Корзина будет доступна
после авторизации
11 00043138 101571465 00043138
Номер позиции: 11
Кол-во позиций: 2
Начало, дата: -
Окончание, дата: -
101571465
2 Винт с шестигранной головкой - M10 x 1,5 x 20 мм, Cl-8.8
Корзина будет доступна
после авторизации
12 00140045 101574240 00140045
Номер позиции: 12
Кол-во позиций: 2
Начало, дата: -
Окончание, дата: -
101574240
2 ШАЙБА - СТОПОРНАЯ, BELLEVILLE M10
Корзина будет доступна
после авторизации
13 00100016 101574241 00100016
Номер позиции: 13
Кол-во позиций: 2
Начало, дата: -
Окончание, дата: -
101574241
2 ГАЙКА - ШЕСТИГРАННИК, CL8, M10 x 1.5
Корзина будет доступна
после авторизации
14 86031106 100896876 86031106
Номер позиции: 14
Кол-во позиций: 1
Начало, дата: -
Окончание, дата: -
100896876
1 КРОНШТЕЙН - КРЕПЛЕНИЕ, СВАРНАЯ КОНСТРУКЦИЯ, ЗНАК МЕДЛЕННОДВИЖУЩЕГОСЯ АВСТОМОБИЛЯ
Корзина будет доступна
после авторизации
Запрос на смену дилера
Сообщение для дилера
Заявка на ремонт