Список узлов

C2 375/400

C2 375/400 - Трансмиссия механическая 12-ти скоростная

Приводы C2.05.000
Мост в сборе и его установка 04A11
Дифференциал без блокировки 04B12
Трансмиссия механическая 12-ти скоростная 07D11
Выходной вал трансмиссии 07D12
Первичный вал трансмиссии 07D13
Второй промежуточный вал 07D15
Система смазки трансмиссии 07D16
Главная муфта сцепления 07D17
Система всасывания механической трансмиссии 07D18
Механизм выбора передачи в сборе 07G12
Педаль сцепления для 12-ти скоростной механической 5CLS01
Верхняя крышка переключения передач в сборе 5TRN01
Первый промежуточный вал 5TRN16
Система всасывания механической трансмиссии 5TRN20a
Монтаж механической трансмиссии 5TRN21
Шестеренный насос смазки трансмиссии 5TRP01
Тандем насосв синхротрансмиссии 5TRP02
Кабина в сборе/Наклейки и внутренняя отделка C2.09.000
Приспособления и аксессуары C2.10.000

Поиск по деталям узла Детали узла

Сроки доставки и цены будут отображаться после авторизации

Цены и корзина будут доступны после авторизации

Поз. Код Чертежный номер Кол-во позиций Начало, дата Окончание, дата Наименование
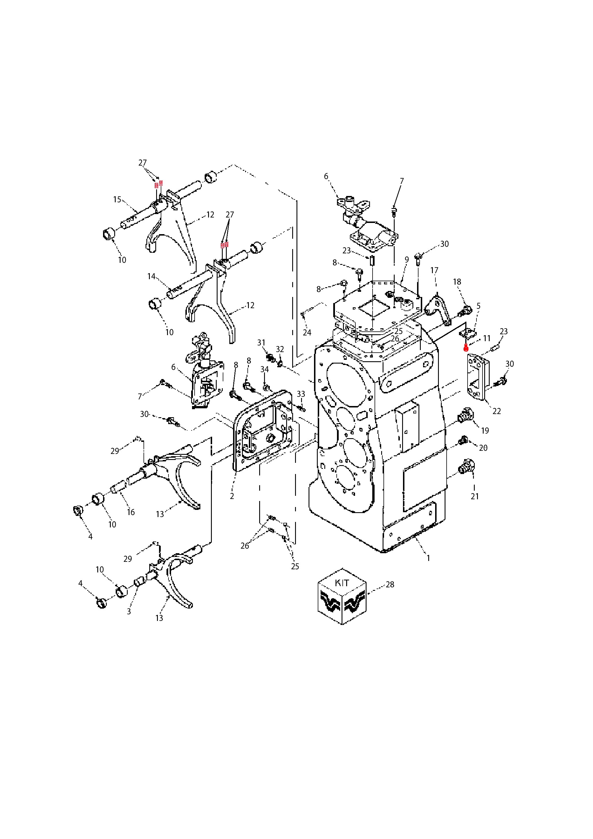
1 86033610 101573871 86033610
Номер позиции: 1
Кол-во позиций: 1
Начало, дата: -
Окончание, дата: -
101573871
1 Корпус - Литой Обработанный, Трансмиссия, 12-скорост. Синхрон. TM88
Корзина будет доступна
после авторизации
2 86025271 101573217 86025271
Номер позиции: 2
Кол-во позиций: 1
Начало, дата: -
Окончание, дата: -
101573217
1 КРЫШКА - ЛИТЬЕ, ПЕРЕКЛЮЧАТЕЛЬ СКОРОСТЕЙ В СБОРЕ
Корзина будет доступна
после авторизации
3 86019040 101573216 86019040
Номер позиции: 3
Кол-во позиций: 1
Начало, дата: -
Окончание, дата: -
101573216
1 НАПРАВЛЯЮЩАЯ - ПЕРЕКЛЮЧЕНИЕ С, НИЗКАЯ/СРЕДНЯЯ
Корзина будет доступна
после авторизации
4 86019043 101573213 86019043
Номер позиции: 4
Кол-во позиций: 1
Начало, дата: -
Окончание, дата: -
101573213
1 Крышка-Уплотнение, Пылезащитная Заглушка, Трансмиссия
Корзина будет доступна
после авторизации
5 86019039 101573084 86019039
Номер позиции: 5
Кол-во позиций: 1
Начало, дата: -
Окончание, дата: -
101573084
1 ПЛАСТИНА - ПЕРЕГОРОДКА, КРЫШКА ПЕРЕКЛЮЧАТЕЛЯ В СБОРЕ, ТРАНСМИССИЯ
Корзина будет доступна
после авторизации
6 86025254 101573872 86025254
Номер позиции: 6
Кол-во позиций: 2
Начало, дата: -
Окончание, дата: -
101573872
2 Прееобразователь - механизм переключения передач (синхронный)
Корзина будет доступна
после авторизации
7 86019038 101573079 86019038
Номер позиции: 7
Кол-во позиций: 8
Начало, дата: -
Окончание, дата: -
101573079
8 Болт - полу-призонный, преобразователь, трансмиссия
Корзина будет доступна
после авторизации
8 09804268 101572236 09804268
Номер позиции: 8
Кол-во позиций: 6
Начало, дата: -
Окончание, дата: -
101572236
6 Винт с шестигранной головкой и фланцем, M12 x 40мм Cl-8.8 Пл
Корзина будет доступна
после авторизации
9 86035982 101573082 86035982
Номер позиции: 9
Кол-во позиций: 1
Начало, дата: -
Окончание, дата: -
101573082
1 КРЫШКА - ПЕРЕКЛЮЧАТЕЛЬ В СБОРЕ, ТРАНСМИССИЯ 12-СКОРОСТНАЯ
Корзина будет доступна
после авторизации
10 86019006 101573080 86019006
Номер позиции: 10
Кол-во позиций: 8
Начало, дата: -
Окончание, дата: -
101573080
8 ВТУЛКА - СДВИЖНОЙ РЕЛЬС, ТРАНСМИССИЯ В СБОРЕ L4WD
Корзина будет доступна
после авторизации
11 00336199 101573085 00336199
Номер позиции: 11
Кол-во позиций: 2
Начало, дата: -
Окончание, дата: -
101573085
2 КОЛПАЧКОВЫЙ ВИНТ- ШЕСТИГРАННИК ОМЫВАТЕЛЯ, Cl-8.8 M8 x 1.25 x 12
Корзина будет доступна
после авторизации
12 86019037 101573071 86019037
Номер позиции: 12
Кол-во позиций: 2
Начало, дата: -
Окончание, дата: -
101573071
2 ВИЛКА - ПЕРКЛЮЧЕНИЕ СКОРОСТЕЙ, ТРАНСМИССИЯ В СБОРЕ, L4WD
Корзина будет доступна
после авторизации
13 86019042 101573212 86019042
Номер позиции: 13
Кол-во позиций: 2
Начало, дата: -
Окончание, дата: -
101573212
2 ВИЛКА - ПЕРЕКЛЮЧЕНИЕ, ТРАНСМИССИЯ В СБОРЕ, 12-СКОРОСТНАЯ, L4WD
Корзина будет доступна
после авторизации
14 86019035 101573073 86019035
Номер позиции: 14
Кол-во позиций: 1
Начало, дата: -
Окончание, дата: -
101573073
1 НАПРАВЛЯЮЩАЯ - ПЕРЕКЛЮЧЕНИЕ А, СКОРОСТИ 1 И 2, ТРАНСМИССИЯ В СБОРЕ L4WD
Корзина будет доступна
после авторизации
15 86019036 101573074 86019036
Номер позиции: 15
Кол-во позиций: 1
Начало, дата: -
Окончание, дата: -
101573074
1 НАПРАВЛЯЮЩАЯ - ПЕРЕКЛЮЧЕНИЕ В, СКОРОСТИ 3 И 4, ТРАНСМИССИЯ В СБОРЕ L4WD
Корзина будет доступна
после авторизации
16 86019041 101573214 86019041
Номер позиции: 16
Кол-во позиций: 1
Начало, дата: -
Окончание, дата: -
101573214
1 НАПРАВЛЯЮЩАЯ - ПЕРЕКЛЮЧЕНИЕ D, ВЫСОКАЯ/ЗАДНЯЯ
Корзина будет доступна
после авторизации
17 86001253 101573069 86001253
Номер позиции: 17
Кол-во позиций: 2
Начало, дата: -
Окончание, дата: -
101573069
2 ПЛАСТИНА - ВЕРНИЙ ПОДЪЕМНИК, ТРАНСМИССИЯ В СБОРЕ, L4WD
Корзина будет доступна
после авторизации
18 00300388 101573070 00300388
Номер позиции: 18
Кол-во позиций: 4
Начало, дата: -
Окончание, дата: -
101573070
4 КОЛПАЧКОВЫЙ ВИНТ- ШЕСТИГРАННИК M12 x 1.75 x 25 8.8 Пл
Корзина будет доступна
после авторизации
20 86508737 100897916 86508737
Номер позиции: 20
Кол-во позиций: 1
Начало, дата: -
Окончание, дата: -
100897916
1 ЗАГЛУШКА - ШЕСТИГРАННИК, 7/8 - 14unf
Корзина будет доступна
после авторизации
21 86511006 101573222 86511006
Номер позиции: 21
Кол-во позиций: 1
Начало, дата: -
Окончание, дата: -
101573222
1 ЗАГЛУШКА - ШЕСТИГРАННИК, ГЛАВНОЕ КОЛЬЦО, 1.1875 - 12unf
Корзина будет доступна
после авторизации
22 86019045 101573215 86019045
Номер позиции: 22
Кол-во позиций: 1
Начало, дата: -
Окончание, дата: -
101573215
1 КРЫШКА - РЕЛЬС, 12-СКОРОСТНАЯ ТРАНСМИССИЯ
Корзина будет доступна
после авторизации
23 86508495 101572744 86508495
Номер позиции: 23
Кол-во позиций: 3
Начало, дата: -
Окончание, дата: -
101572744
3 ШТЫРЬ - УСТАНОВОЧНЫЙ 12 x 24, Hdn & Grd
Корзина будет доступна
после авторизации
24 00088350 101573075 00088350
Номер позиции: 24
Кол-во позиций: 2
Начало, дата: -
Окончание, дата: -
101573075
2 ШТЫРЬ - ШПЛИНТ 0,15" Х 1,50"
Корзина будет доступна
после авторизации
25 00511112 101573077 00511112
Номер позиции: 25
Кол-во позиций: 10
Начало, дата: -
Окончание, дата: -
101573077
10 Металическое шаровое гнездо диам-13/32дюйм., локализация/блокировка
Корзина будет доступна
после авторизации
26 86001288 101573076 86001288
Номер позиции: 26
Кол-во позиций: 4
Начало, дата: -
Окончание, дата: -
101573076
4 ПРУЖИНА - НАПРАВЛЯЮЩАЯЯ, ДЛИНА 42ММ, ТРАНСМИССИЯ
Корзина будет доступна
после авторизации
27 86001282 101573072 86001282
Номер позиции: 27
Кол-во позиций: 4
Начало, дата: -
Окончание, дата: -
101573072
4 Винт - Набор, Головка M10 x 1.5 x 10
Корзина будет доступна
после авторизации
28 86038405 101573873 86038405
Номер позиции: 28
Кол-во позиций: 1
Начало, дата: -
Окончание, дата: -
101573873
1 КОМПЛЕКТ - ПРОКЛАДКИ / УПЛОТНЕНИЯ, ТРАНСМИССИЯ
Корзина будет доступна
после авторизации
29 86019044 101573211 86019044
Номер позиции: 29
Кол-во позиций: 2
Начало, дата: -
Окончание, дата: -
101573211
2 Винт - Набор M12 x 1.25
Корзина будет доступна
после авторизации
30 9670066 102331464 9670066
Номер позиции: 30
Кол-во позиций: 4
Начало, дата: -
Окончание, дата: -
102331464
4 Винт с шестигранной головкой и фланцем - M12 x 30 мм, Cl-8.8 Pl FLG
Корзина будет доступна
после авторизации
31 86020170 101573874 86020170
Номер позиции: 31
Кол-во позиций: 1
Начало, дата: -
Окончание, дата: -
101573874
1 ЗАГЛУШКА - ТРАНС. 12-СКОРОСТ.
Корзина будет доступна
после авторизации
32 86020171 101573875 86020171
Номер позиции: 32
Кол-во позиций: 1
Начало, дата: -
Окончание, дата: -
101573875
1 ПРОКЛАДКА - ТРАНСМИССИЯ, 12-СКОРОСТНАЯ
Корзина будет доступна
после авторизации
33 86021653 101573138 86021653
Номер позиции: 33
Кол-во позиций: 2
Начало, дата: -
Окончание, дата: -
101573138
2 ШПИЛЬКА - М12, КОРПУС ВХОДНОЙ МУФТЫ В СБОРЕ
Корзина будет доступна
после авторизации
Запрос на смену дилера
Сообщение для дилера
Заявка на ремонт