Список узлов

C2 375/400

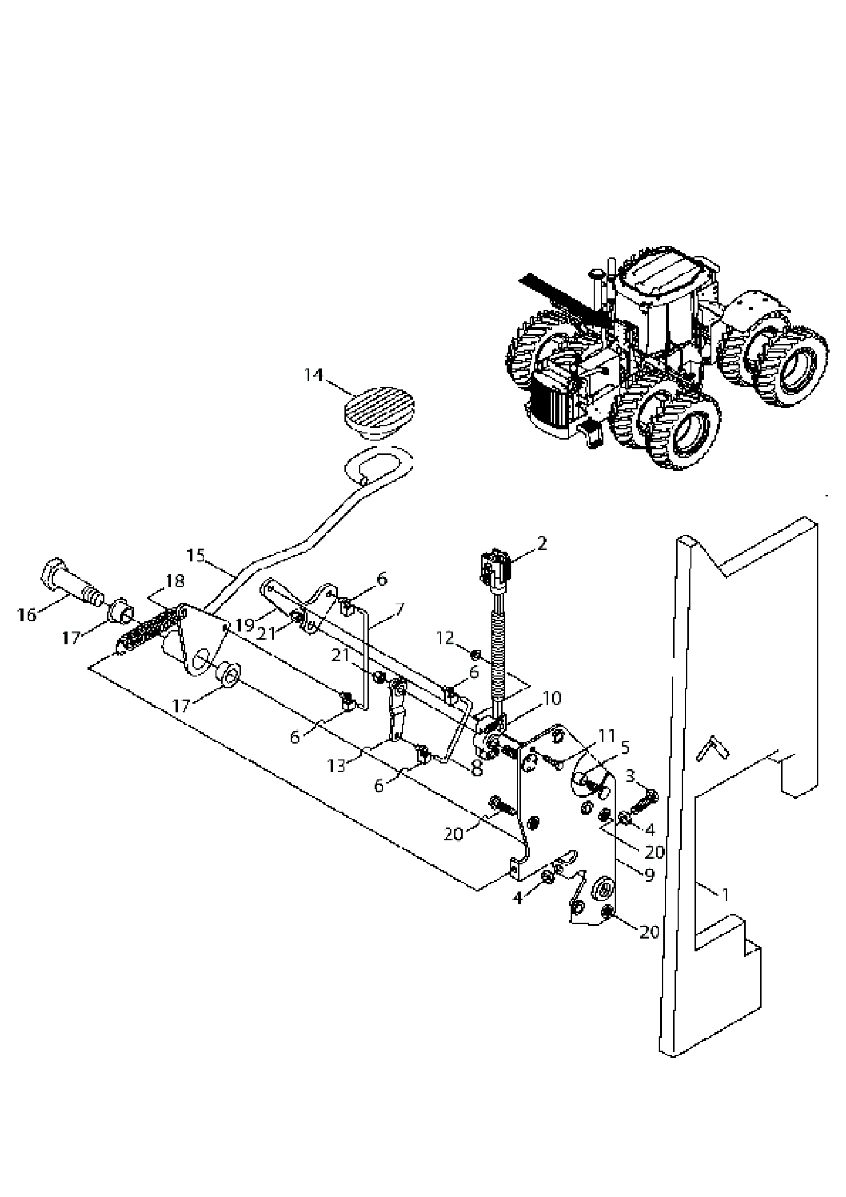
C2 375/400 - Передняя консоль - Ножной акселератор

Приводы C2.05.000
Кабина в сборе/Наклейки и внутренняя отделка C2.09.000
Кабина в сборе - Окна и двери 8CAB11
Дверь кабины в сборе 8CAB12
Кабина в сборе - Стеклоочиститель в сборе 8CAB13
Интерьер кабины - Звукоизоляция 8CAB14
Интерьер кабины - Задние нижние компоненты электрооборудования 8CAB15
Крыша кабины - Верхние органы управления 8CRA12a
Крыша кабины - Громкоговорители в сборе 8CRA13
Наклейки, начиная с 305100 8DCL13
Наклейки, начиная с 305120 8DCL14
Автоматическое управление температурой 8HAC12
Передняя консоль управления 8MOP11
Передняя консоль и облицовка рулевой колонки 8MOP12
Передняя консоль - Ножной акселератор 8MOP13
Правая консоль - электроуправление гидрооборудованием SB33 8OPC06
Правая консоль - опции механической/автоматической трансмиссиии 8OPC10
Правая консоль - управление механической трансмиссией 8OPC11a
Правая консоль - управление механической трансмиссией 8OPC11c
Правая консоль - ручное управление гидрооборудованием 8OPC13
Сиденье в сборе/Опции и установка 8STA11
Приспособления и аксессуары C2.10.000

Поиск по деталям узла Детали узла

Сроки доставки и цены будут отображаться после авторизации

Цены и корзина будут доступны после авторизации

Поз. Код Чертежный номер Кол-во позиций Начало, дата Окончание, дата Наименование
20 9804255 102331165 9804255
Номер позиции: 20
Кол-во позиций: 3
Начало, дата: -
Окончание, дата: -
102331165
3 Винт с шестигранной головкой и фланцем - M6 x 16 мм, Cl-8.8 Pl
Корзина будет доступна
после авторизации
21 9670023 102331748 9670023
Номер позиции: 21
Кол-во позиций: 2
Начало, дата: -
Окончание, дата: -
102331748
2 Гайка шестигранная стопорная - M8, Cl-8.8 Pl
Корзина будет доступна
после авторизации
Запрос на смену дилера
Сообщение для дилера
Заявка на ремонт