Список узлов

RSM 161

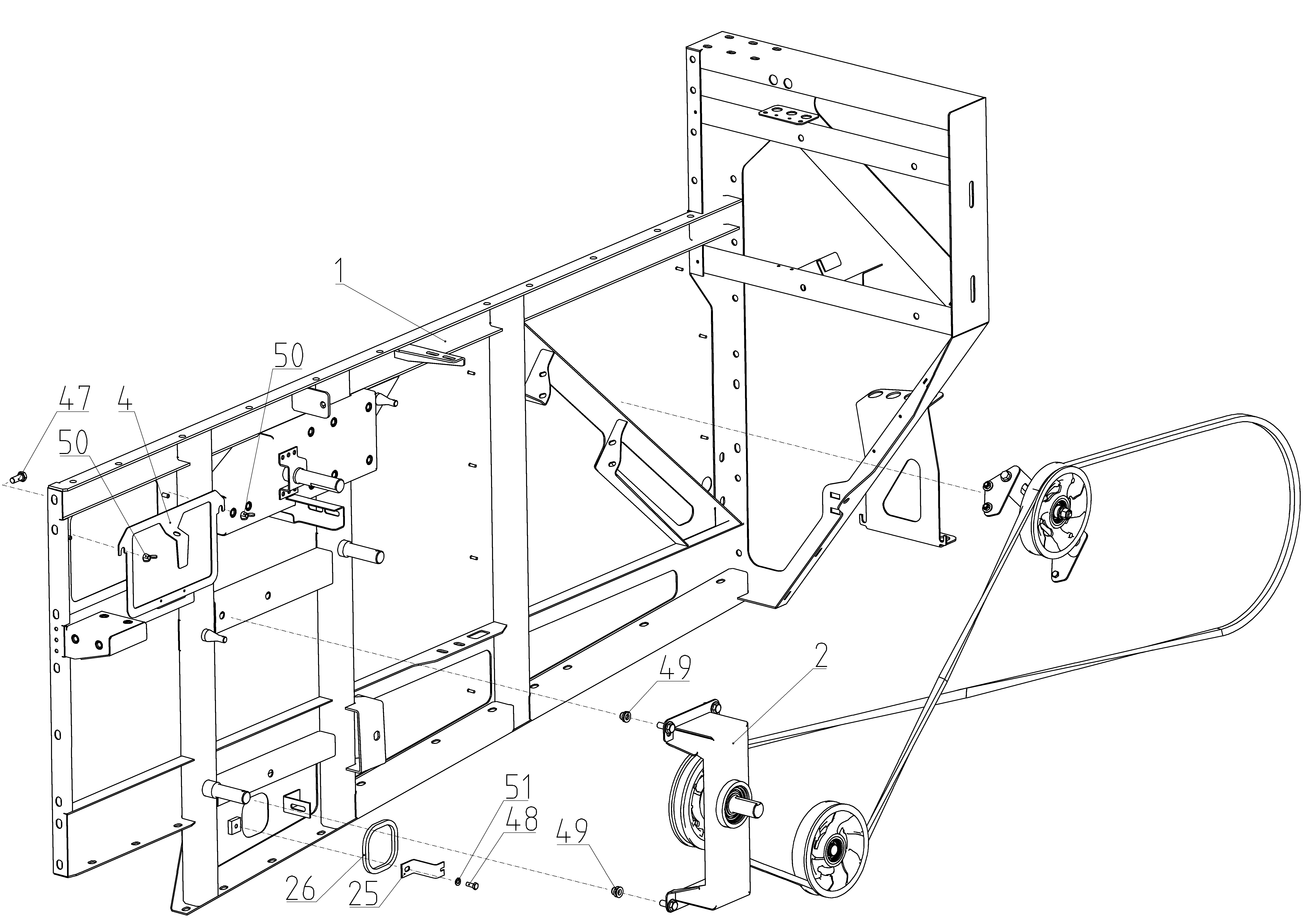
RSM 161 - Панель левая

Мост задний 161.02.00.000Ф
Камера наклонная 161.03.00.000Ф
Мост передний 161.04.00.000Ф
Установка моторная 161.05.00.000Ф
Место рабочее 161.06.00.000Ф
Площадка 161.07.00.000Ф
Гидрооборудование 161.09.00.000Ф
Электрооборудование 161.10.00.000Ф
Очистка 161.11.00.000Ф
Измельчитель-разбрасыватель 161.14.00.000Ф
Блок молотильный 161.15.00.000Ф
Каркас 161.30.00.000Ф
Панель правая 161.30.03.000Ф
Устройство домолачивающее 161.30.07.000Ф
Бункер 161.45.00.000Ф
Устройства транспортирующие 161.50.00.000Ф
Капоты 161.56.00.000Ф
Дополнительное оборудование 161.77.00.000Ф

Поиск по деталям узла Детали узла

Сроки доставки и цены будут отображаться после авторизации

Цены и корзина будут доступны после авторизации

Поз. Код Чертежный номер Кол-во позиций Начало, дата Окончание, дата Наименование
1 161.31.21.000 101875155 161.31.21.000
Номер позиции: 1
Кол-во позиций: 1
Начало, дата: 01.07.2014
Окончание, дата: 13.10.2020
101875155
1 01.07.2014 13.10.2020
Для выбора подходящей к вашей технике детали введите в поиск код продукта или свяжитесь с дилером
Панель левая
Корзина будет доступна
после авторизации
1 161.31.21.000Б 103114096 161.31.21.000Б
Номер позиции: 1
Кол-во позиций: 1
Начало, дата: 13.10.2020
Окончание, дата: -
103114096
1 13.10.2020
Для выбора подходящей к вашей технике детали введите в поиск код продукта или свяжитесь с дилером
Панель левая
Корзина будет доступна
после авторизации
2 161.29.02.060 101862872 161.29.02.060
Номер позиции: 2
Кол-во позиций: 1
Начало, дата: 01.07.2014
Окончание, дата: 01.06.2019
101862872
1 01.07.2014 01.06.2019
Для выбора подходящей к вашей технике детали введите в поиск код продукта или свяжитесь с дилером
Привод соломотряса
2 161.29.02.060А 102825446 161.29.02.060А
Номер позиции: 2
Кол-во позиций: 1
Начало, дата: 01.06.2019
Окончание, дата: -
102825446
1 01.06.2019
Для выбора подходящей к вашей технике детали введите в поиск код продукта или свяжитесь с дилером
Привод соломотряса
4 161.31.00.550 101676394 161.31.00.550
Номер позиции: 4
Кол-во позиций: 1
Начало, дата: 01.07.2014
Окончание, дата: -
101676394
1 01.07.2014 Щиток
Корзина будет доступна
после авторизации
25 181.21.00.493 101336798 181.21.00.493
Номер позиции: 25
Кол-во позиций: 1
Начало, дата: 01.07.2014
Окончание, дата: -
101336798
1 01.07.2014 Прижим
Корзина будет доступна
после авторизации
26 181.21.00.011 100821338 181.21.00.011
Номер позиции: 26
Кол-во позиций: 1
Начало, дата: 01.07.2014
Окончание, дата: -
100821338
1 01.07.2014 Уплотнение
Корзина будет доступна
после авторизации
47 М12x30-8.8-flZnyc(flZnncL)-480h DIN 933 101863155 М12x30-8.8-flZnyc(flZnncL)-480h DIN 933
Номер позиции: 47
Кол-во позиций: 20
Начало, дата: 01.07.2014
Окончание, дата: -
101863155
20 01.07.2014 Болт с шестигранной головкой
Корзина будет доступна
после авторизации
48 М8x20-8.8-flZnyc(flZnncL)-480h DIN 933 101863324 М8x20-8.8-flZnyc(flZnncL)-480h DIN 933
Номер позиции: 48
Кол-во позиций: 1
Начало, дата: 01.07.2014
Окончание, дата: -
101863324
1 01.07.2014 Болт с шестигранной головкой
Корзина будет доступна
после авторизации
49 2330 112 0040 100611083 2330 112 0040
Номер позиции: 49
Кол-во позиций: 4
Начало, дата: 01.07.2014
Окончание, дата: -
100611083
4 01.07.2014 Гайка заклепочная Rivkle
Корзина будет доступна
после авторизации
50 М8-St zinc plated 101108325 М8-St zinc plated
Номер позиции: 50
Кол-во позиций: 4
Начало, дата: 01.07.2014
Окончание, дата: -
101108325
4 01.07.2014 Гайка-барашек DIN 315
Корзина будет доступна
после авторизации
51 8,4-200 HV-flZnyc(flZnncL)-480h 101864048 8,4-200 HV-flZnyc(flZnncL)-480h
Номер позиции: 51
Кол-во позиций: 1
Начало, дата: 01.07.2014
Окончание, дата: -
101864048
1 01.07.2014 Шайба DIN 125-A
Корзина будет доступна
после авторизации
Запрос на смену дилера
Сообщение для дилера
Заявка на ремонт