Список узлов

RSM 161

RSM 161 - Система климата

Мост задний 161.02.00.000Ф
Камера наклонная 161.03.00.000Ф
Мост передний 161.04.00.000Ф
Установка моторная 161.05.00.000Ф
Место рабочее 161.06.00.000Ф
Каркас 161.06.05.000Ф
Сиденье с пультом управления 161.06.08.000Ф
Система климата 161.06.28.000Ф
Установка климатической системы 161.76.00.000
Установка климатической системы 161.76.00.000-01
Установка климатической системы 161.76.03.000-02
Патрубок МРУ-2.00.280
Патрубок МРУ-2.00.280-01
Площадка 161.07.00.000Ф
Гидрооборудование 161.09.00.000Ф
Электрооборудование 161.10.00.000Ф
Очистка 161.11.00.000Ф
Измельчитель-разбрасыватель 161.14.00.000Ф
Блок молотильный 161.15.00.000Ф
Каркас 161.30.00.000Ф
Бункер 161.45.00.000Ф
Устройства транспортирующие 161.50.00.000Ф
Капоты 161.56.00.000Ф
Дополнительное оборудование 161.77.00.000Ф

Поиск по деталям узла Детали узла

Сроки доставки и цены будут отображаться после авторизации

Цены и корзина будут доступны после авторизации

Поз. Код Чертежный номер Кол-во позиций Начало, дата Окончание, дата Наименование
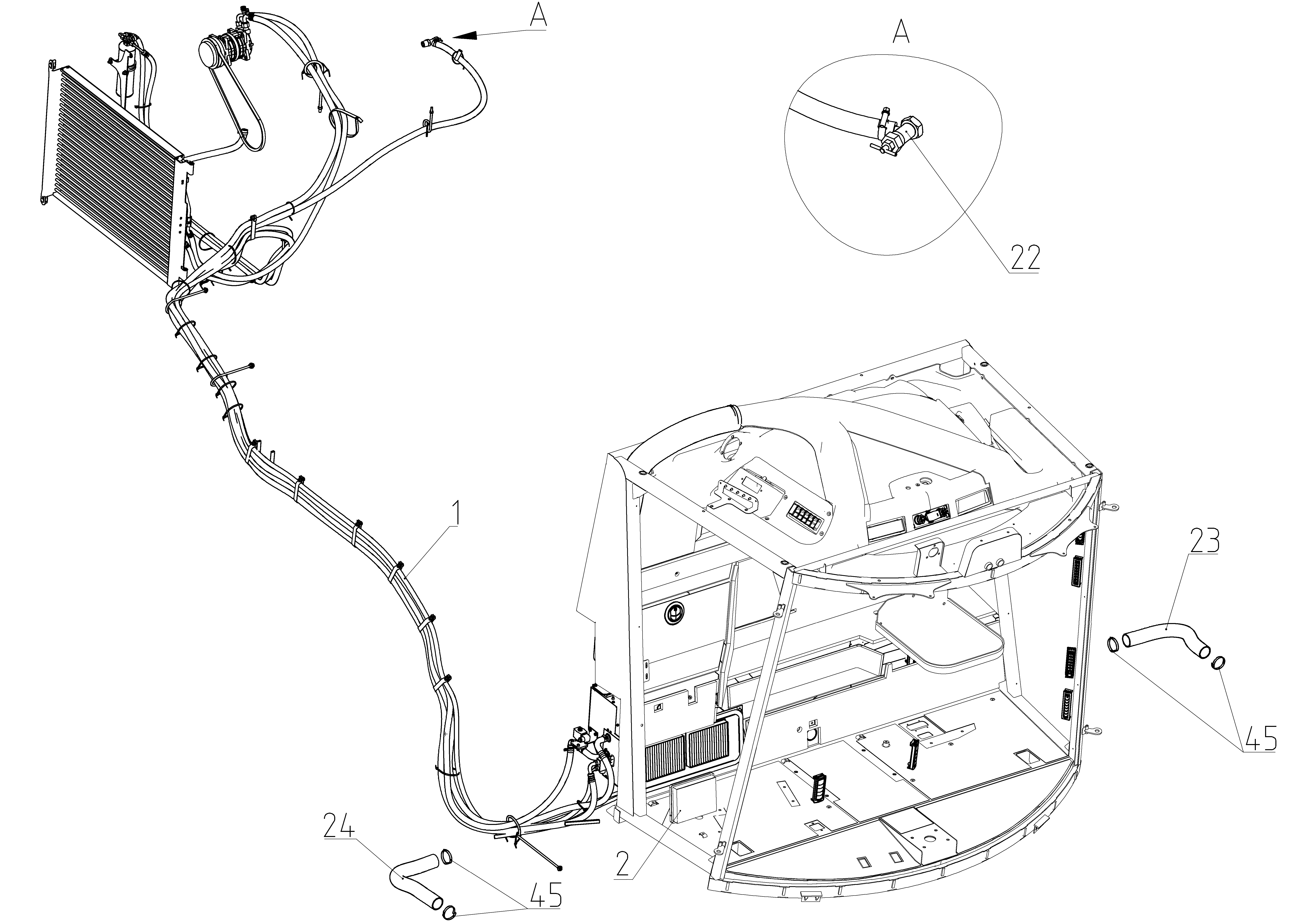
1 161.76.00.000 101920483 161.76.00.000
Номер позиции: 1
Кол-во позиций: 1
Начало, дата: 01.07.2014
Окончание, дата: 15.10.2020
101920483
1 01.07.2014 15.10.2020
Для выбора подходящей к вашей технике детали введите в поиск код продукта или свяжитесь с дилером
Установка климатической системы
1 161.76.00.000-01 102215469 161.76.00.000-01
Номер позиции: 1
Кол-во позиций: 1
Начало, дата: 15.03.2016
Окончание, дата: 15.10.2020
102215469
1 15.03.2016 15.10.2020
Для выбора подходящей к вашей технике детали введите в поиск код продукта или свяжитесь с дилером
Установка климатической системы
1 161.76.03.000 102706151 161.76.03.000
Номер позиции: 1
Кол-во позиций: 1
Начало, дата: 15.10.2020
Окончание, дата: 03.05.2021
102706151
1 15.10.2020 03.05.2021
Для выбора подходящей к вашей технике детали введите в поиск код продукта или свяжитесь с дилером
Установка климатической системы
1 161.76.03.000-01 102718887 161.76.03.000-01
Номер позиции: 1
Кол-во позиций: 1
Начало, дата: 15.10.2020
Окончание, дата: 03.05.2021
102718887
1 15.10.2020 03.05.2021
Для выбора подходящей к вашей технике детали введите в поиск код продукта или свяжитесь с дилером
Установка климатической системы
1 161.76.03.000-02 103127656 161.76.03.000-02
Номер позиции: 1
Кол-во позиций: 1
Начало, дата: 03.05.2021
Окончание, дата: 20.06.2022
103127656
1 03.05.2021 20.06.2022
Для выбора подходящей к вашей технике детали введите в поиск код продукта или свяжитесь с дилером
Установка климатической системы
1 161.76.03.000-03 103596857 161.76.03.000-03
Номер позиции: 1
Кол-во позиций: 1
Начало, дата: 20.06.2022
Окончание, дата: -
103596857
1 20.06.2022
Для выбора подходящей к вашей технике детали введите в поиск код продукта или свяжитесь с дилером
Установка климатической системы
2 CUK 21 006 102499917 CUK 21 006
Номер позиции: 2
Кол-во позиций: 1
Начало, дата: 01.10.2020
Окончание, дата: -
102499917
1 01.10.2020 Элемент фильтрующий
Корзина будет доступна
после авторизации
22 101.05.07.612 100502517 101.05.07.612
Номер позиции: 22
Кол-во позиций: 1
Начало, дата: 15.03.2016
Окончание, дата: -
100502517
1 15.03.2016 Переходник
Корзина будет доступна
после авторизации
23 МРУ-2.00.280 102576340 МРУ-2.00.280
Номер позиции: 23
Кол-во позиций: 1
Начало, дата: 01.05.2018
Окончание, дата: -
102576340
1 01.05.2018 Патрубок
24 МРУ-2.00.280-01 102577212 МРУ-2.00.280-01
Номер позиции: 24
Кол-во позиций: 1
Начало, дата: 01.05.2018
Окончание, дата: -
102577212
1 01.05.2018 Патрубок
45 212-0045-0000 101133025 212-0045-0000
Номер позиции: 45
Кол-во позиций: 2
Начало, дата: 03.05.2021
Окончание, дата: -
101133025
2 03.05.2021
Для выбора подходящей к вашей технике детали введите в поиск код продукта или свяжитесь с дилером
Спиралевидный хомут 212 NORRES D45
Корзина будет доступна
после авторизации
45 Ю03/d.45-65 102715051 Ю03/d.45-65
Номер позиции: 45
Кол-во позиций: 2
Начало, дата: 03.05.2021
Окончание, дата: -
102715051
2 03.05.2021
Для выбора подходящей к вашей технике детали введите в поиск код продукта или свяжитесь с дилером
Хомут спиральный ТУ 1690-036-65541072-17
Корзина будет доступна
после авторизации
Запрос на смену дилера
Сообщение для дилера
Заявка на ремонт