Список узлов

RSM 161

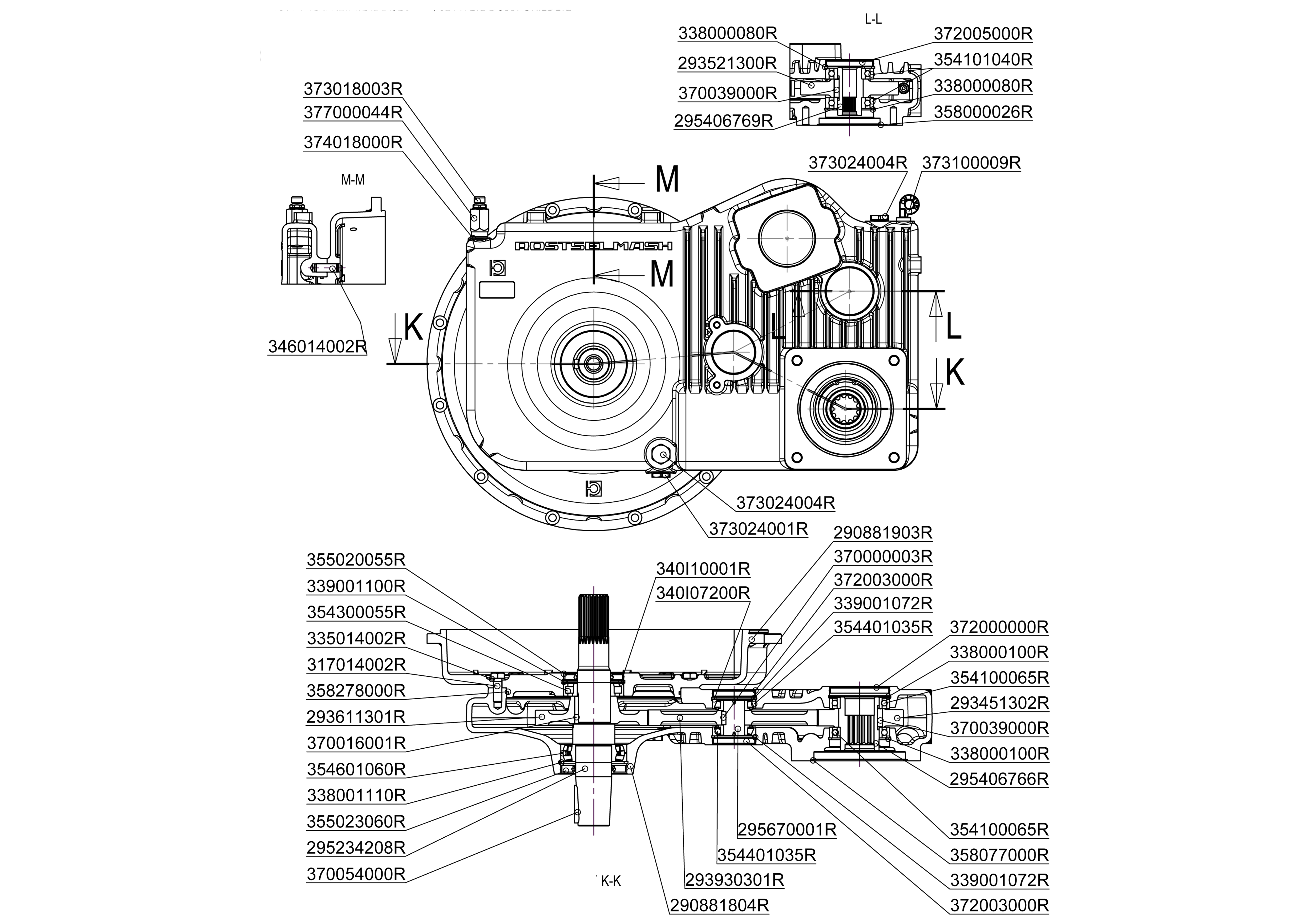
RSM 161 - Редуктор отбора мощности

Мост задний 161.02.00.000Ф
Камера наклонная 161.03.00.000Ф
Мост передний 161.04.00.000Ф
Установка моторная 161.05.00.000Ф
Система питания топливом 161.05.01.000Ф
Система охлаждения 161.05.03.000Ф
Система отвода отработавших газов 161.05.04.000Ф
Рама подмоторная 161.05.05.000-01Ф
Подмоторная рама 161.05.05.000Ф
Система слива масла 161.05.08.000-02Ф
ДВИГАТЕЛЬ L9 RSM-L9-S0-415
ДВИГАТЕЛЬ L9 RSM-L9-S5-430
Двигатель QSL8.9 RSM-QSL-360 (SO60934)
Двигатель QSL8.9 RSM-QSL-360-R1 (SO60934)
Двигатель QSL8.9 RSM-QSL-360-R2 (SO60934)
Двигатель QSL8.9 RSM-QSL-360-R3(SO60934)
Двигатель QSL8.9 RSM-QSL-360-R4 (SO60934)
ДВИГАТЕЛЬ QSL8.9 RSMQSL360ZCKR2(SO81002)
ДВИГАТЕЛЬ QSL8.9-RSMQSL360ZCKR3(SO81002)
Двигатель QSL9 Tier4F RSM-QSL-T4F-350
ДВИГАТЕЛЬ QSL9 TIER4F RSM-QSL-T4F-350-R1
Место рабочее 161.06.00.000Ф
Площадка 161.07.00.000Ф
Гидрооборудование 161.09.00.000Ф
Электрооборудование 161.10.00.000Ф
Очистка 161.11.00.000Ф
Измельчитель-разбрасыватель 161.14.00.000Ф
Блок молотильный 161.15.00.000Ф
Каркас 161.30.00.000Ф
Бункер 161.45.00.000Ф
Устройства транспортирующие 161.50.00.000Ф
Капоты 161.56.00.000Ф
Дополнительное оборудование 161.77.00.000Ф

Поиск по деталям узла Детали узла

Сроки доставки и цены будут отображаться после авторизации

Цены и корзина будут доступны после авторизации

Поз. Код Чертежный номер Кол-во позиций Начало, дата Окончание, дата Наименование
1 290881804R 102573250 290881804R
Номер позиции: 1
Кол-во позиций: 1
Начало, дата: -
Окончание, дата: -
102573250
1 Корпус редуктора
Корзина будет доступна
после авторизации
2 290881903R 102573130 290881903R
Номер позиции: 2
Кол-во позиций: 1
Начало, дата: -
Окончание, дата: -
102573130
1 Фланец редуктора
Корзина будет доступна
после авторизации
3 293451302R 102573161 293451302R
Номер позиции: 3
Кол-во позиций: 1
Начало, дата: -
Окончание, дата: -
102573161
1 Колесо зубчатое
Корзина будет доступна
после авторизации
4 293521300R 102573259 293521300R
Номер позиции: 4
Кол-во позиций: 1
Начало, дата: -
Окончание, дата: -
102573259
1 Шестерня
Корзина будет доступна
после авторизации
5 293611301R 102573112 293611301R
Номер позиции: 5
Кол-во позиций: 1
Начало, дата: -
Окончание, дата: -
102573112
1 Шестерня
Корзина будет доступна
после авторизации
6 293930301R 102573238 293930301R
Номер позиции: 6
Кол-во позиций: 1
Начало, дата: -
Окончание, дата: -
102573238
1 Шестерня
Корзина будет доступна
после авторизации
7 295234208R 102573122 295234208R
Номер позиции: 7
Кол-во позиций: 1
Начало, дата: -
Окончание, дата: -
102573122
1 Вал входной
Корзина будет доступна
после авторизации
8 295406766R 102573165 295406766R
Номер позиции: 8
Кол-во позиций: 1
Начало, дата: -
Окончание, дата: -
102573165
1 Вал шлицевой
Корзина будет доступна
после авторизации
9 295406769R 102573267 295406769R
Номер позиции: 9
Кол-во позиций: 1
Начало, дата: -
Окончание, дата: -
102573267
1 Вал шлицевой
Корзина будет доступна
после авторизации
10 295670001R 102278009 295670001R
Номер позиции: 10
Кол-во позиций: 1
Начало, дата: -
Окончание, дата: -
102278009
1 Вал
Корзина будет доступна
после авторизации
11 317014002R 102573102 317014002R
Номер позиции: 11
Кол-во позиций: 1
Начало, дата: -
Окончание, дата: -
102573102
1 Винт M14x40x2
Корзина будет доступна
после авторизации
12 335014002R 102570216 335014002R
Номер позиции: 12
Кол-во позиций: 1
Начало, дата: -
Окончание, дата: -
102570216
1 Шайба стопорная DIN 128B
Корзина будет доступна
после авторизации
13 338000080R 102573256 338000080R
Номер позиции: 13
Кол-во позиций: 1
Начало, дата: -
Окончание, дата: -
102573256
1 Кольцо стопорное
Корзина будет доступна
после авторизации
14 338000100R 102573156 338000100R
Номер позиции: 14
Кол-во позиций: 1
Начало, дата: -
Окончание, дата: -
102573156
1 Кольцо стопорное
Корзина будет доступна
после авторизации
15 338001110R 102573120 338001110R
Номер позиции: 15
Кол-во позиций: 1
Начало, дата: -
Окончание, дата: -
102573120
1 Кольцо стопорное
Корзина будет доступна
после авторизации
16 339001072R 102573153 339001072R
Номер позиции: 16
Кол-во позиций: 1
Начало, дата: -
Окончание, дата: -
102573153
1 Кольцо стопорное
Корзина будет доступна
после авторизации
17 339001100R 102506084 339001100R
Номер позиции: 17
Кол-во позиций: 1
Начало, дата: -
Окончание, дата: -
102506084
1 Кольцо
Корзина будет доступна
после авторизации
18 340I07200R 102278022 340I07200R
Номер позиции: 18
Кол-во позиций: 1
Начало, дата: -
Окончание, дата: -
102278022
1 Комплект прокладок
Корзина будет доступна
после авторизации
19 340I08000R 102644807 340I08000R
Номер позиции: 19
Кол-во позиций: 1
Начало, дата: -
Окончание, дата: -
102644807
1 Комплект уплотнительных колец
Корзина будет доступна
после авторизации
20 340I10001R 102278026 340I10001R
Номер позиции: 20
Кол-во позиций: 1
Начало, дата: -
Окончание, дата: -
102278026
1 Комплект прокладок
Корзина будет доступна
после авторизации
21 346014002R 102278028 346014002R
Номер позиции: 21
Кол-во позиций: 1
Начало, дата: -
Окончание, дата: -
102278028
1 Цилиндрический штифт
Корзина будет доступна
после авторизации
22 354100065R 102573159 354100065R
Номер позиции: 22
Кол-во позиций: 1
Начало, дата: -
Окончание, дата: -
102573159
1 Подшипник 6013
Корзина будет доступна
после авторизации
23 354101040R 102573279 354101040R
Номер позиции: 23
Кол-во позиций: 1
Начало, дата: -
Окончание, дата: -
102573279
1 Подшипник 6208
Корзина будет доступна
после авторизации
24 354300055R 102573100 354300055R
Номер позиции: 24
Кол-во позиций: 1
Начало, дата: -
Окончание, дата: -
102573100
1 Подшипник NJ 211ECP
Корзина будет доступна
после авторизации
25 354401035R 102278034 354401035R
Номер позиции: 25
Кол-во позиций: 1
Начало, дата: -
Окончание, дата: -
102278034
1 Подшипник
Корзина будет доступна
после авторизации
26 354601060R 102573118 354601060R
Номер позиции: 26
Кол-во позиций: 1
Начало, дата: -
Окончание, дата: -
102573118
1 Подшипник 22212E
Корзина будет доступна
после авторизации
27 355020055R 102051573 355020055R
Номер позиции: 27
Кол-во позиций: 1
Начало, дата: 01.07.2014
Окончание, дата: 05.10.2023
102051573
1 01.07.2014 05.10.2023
Для выбора подходящей к вашей технике детали введите в поиск код продукта или свяжитесь с дилером
Сальник 55x100x10
Корзина будет доступна
после авторизации
27 355035055R 103903191 355035055R
Номер позиции: 27
Кол-во позиций: 1
Начало, дата: 05.10.2023
Окончание, дата: -
103903191
1 05.10.2023
Для выбора подходящей к вашей технике детали введите в поиск код продукта или свяжитесь с дилером
Уплотнение 55x100x10
Корзина будет доступна
после авторизации
28 355023060R 102174555 355023060R
Номер позиции: 28
Кол-во позиций: 1
Начало, дата: 01.07.2014
Окончание, дата: 05.10.2023
102174555
1 01.07.2014 05.10.2023
Для выбора подходящей к вашей технике детали введите в поиск код продукта или свяжитесь с дилером
Сальник 60x110x013
Корзина будет доступна
после авторизации
28 355034060R 103903193 355034060R
Номер позиции: 28
Кол-во позиций: 1
Начало, дата: 05.10.2023
Окончание, дата: -
103903193
1 05.10.2023
Для выбора подходящей к вашей технике детали введите в поиск код продукта или свяжитесь с дилером
Сальник 60x110x12
Корзина будет доступна
после авторизации
29 358000026R 102278049 358000026R
Номер позиции: 29
Кол-во позиций: 1
Начало, дата: -
Окончание, дата: -
102278049
1 Кольцо уплотнительное
Корзина будет доступна
после авторизации
30 358077000R 102573196 358077000R
Номер позиции: 30
Кол-во позиций: 1
Начало, дата: -
Окончание, дата: -
102573196
1 Кольцо 3600 152,07x2,62
Корзина будет доступна
после авторизации
31 358278000R 102573106 358278000R
Номер позиции: 31
Кол-во позиций: 1
Начало, дата: -
Окончание, дата: -
102573106
1 Кольцо D.278,99x3,53
Корзина будет доступна
после авторизации
32 370000003R 102573132 370000003R
Номер позиции: 32
Кол-во позиций: 1
Начало, дата: -
Окончание, дата: -
102573132
1 Шпонка
Корзина будет доступна
после авторизации
33 370016001R 102506080 370016001R
Номер позиции: 33
Кол-во позиций: 1
Начало, дата: -
Окончание, дата: -
102506080
1 Шпонка
Корзина будет доступна
после авторизации
34 370039000R 102278054 370039000R
Номер позиции: 34
Кол-во позиций: 1
Начало, дата: -
Окончание, дата: -
102278054
1 Шпонка
Корзина будет доступна
после авторизации
35 370054000R 102278055 370054000R
Номер позиции: 35
Кол-во позиций: 1
Начало, дата: -
Окончание, дата: -
102278055
1 Шпонка
Корзина будет доступна
после авторизации
36 372000000R 102327406 372000000R
Номер позиции: 36
Кол-во позиций: 1
Начало, дата: -
Окончание, дата: -
102327406
1 Колпак масляного уплотнения 100х10
Корзина будет доступна
после авторизации
37 372003000R 102278056 372003000R
Номер позиции: 37
Кол-во позиций: 1
Начало, дата: -
Окончание, дата: -
102278056
1
Для выбора подходящей к вашей технике детали введите в поиск код продукта или свяжитесь с дилером
Колпак масляного уплотнения 72х10
Корзина будет доступна
после авторизации
37 372003000R08 104129344 372003000R08
Номер позиции: 37
Кол-во позиций: 1
Начало, дата: -
Окончание, дата: -
104129344
1
Для выбора подходящей к вашей технике детали введите в поиск код продукта или свяжитесь с дилером
Колпак масляного уплотнения
Корзина будет доступна
после авторизации
38 372005000R 102278057 372005000R
Номер позиции: 38
Кол-во позиций: 1
Начало, дата: -
Окончание, дата: -
102278057
1 Колпак масляного уплотнения 80х10
Корзина будет доступна
после авторизации
39 373018003R 102278058 373018003R
Номер позиции: 39
Кол-во позиций: 1
Начало, дата: -
Окончание, дата: -
102278058
1
Для выбора подходящей к вашей технике детали введите в поиск код продукта или свяжитесь с дилером
Сапун
Корзина будет доступна
после авторизации
39 373018003R04 104129346 373018003R04
Номер позиции: 39
Кол-во позиций: 1
Начало, дата: -
Окончание, дата: -
104129346
1
Для выбора подходящей к вашей технике детали введите в поиск код продукта или свяжитесь с дилером
Сапун
Корзина будет доступна
после авторизации
40 373024001R 102572987 373024001R
Номер позиции: 40
Кол-во позиций: 1
Начало, дата: -
Окончание, дата: -
102572987
1 Заглушка
Корзина будет доступна
после авторизации
41 373024004R 102572984 373024004R
Номер позиции: 41
Кол-во позиций: 1
Начало, дата: -
Окончание, дата: -
102572984
1 Пробка M24x2
Корзина будет доступна
после авторизации
42 373100009R 102572986 373100009R
Номер позиции: 42
Кол-во позиций: 1
Начало, дата: -
Окончание, дата: -
102572986
1 Щуп уровня масла
Корзина будет доступна
после авторизации
43 374018000R 102570219 374018000R
Номер позиции: 43
Кол-во позиций: 1
Начало, дата: -
Окончание, дата: -
102570219
1 Прокладка 24x18x1.5
Корзина будет доступна
после авторизации
44 377000044R 102572983 377000044R
Номер позиции: 44
Кол-во позиций: 1
Начало, дата: -
Окончание, дата: -
102572983
1 Проставка крышки M18x1
Корзина будет доступна
после авторизации
Запрос на смену дилера
Сообщение для дилера
Заявка на ремонт