Список узлов

RSM 161

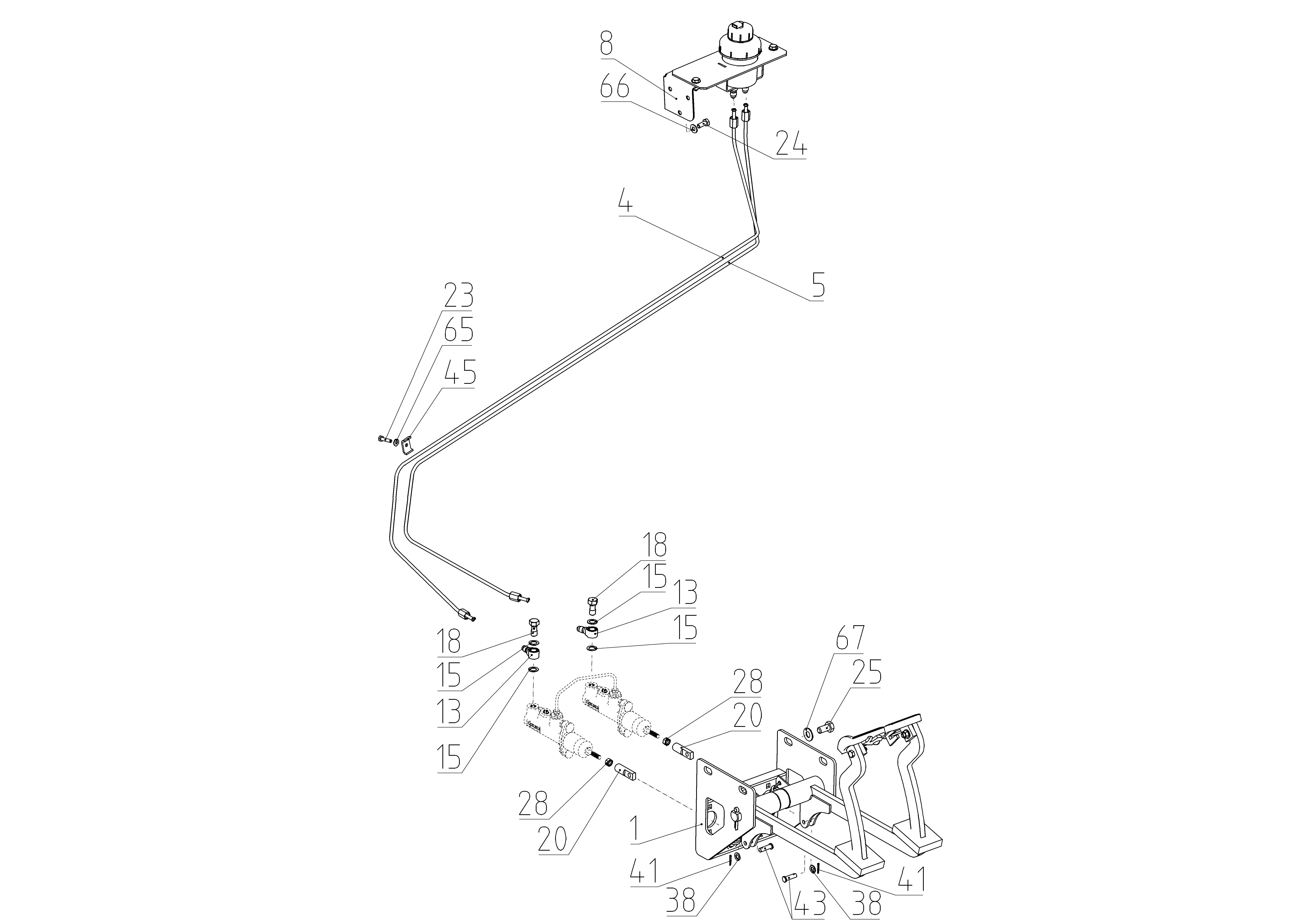
RSM 161 - Коммуникации тормозные рабочего места

Мост задний 161.02.00.000Ф
Камера наклонная 161.03.00.000Ф
Мост передний 161.04.00.000Ф
Мостокомплект 161.04.01.000Ф
Балка 161.04.02.000Ф
Система тормозная рабочая 161.04.04.000Ф
Коммуникации моста ведущего 161.63.13.000
Коммуникации моста ведущего 161.63.13.000
Коммуникации моста ведущего 161.63.13.000
Коммуникации моста ведущего 161.63.20.000
Коммуникации тормозные 161.63.04.000
Коммуникации тормозные 161.63.04.000
Коммуникации тормозные 161.63.04.000
Коммуникации тормозные 161.63.04.000-01
Коммуникации тормозные 161.63.18.000
Коммуникации тормозные 161.63.19.000
Коммуникации тормозные 161.63.19.000A
Установка моторная 161.05.00.000Ф
Место рабочее 161.06.00.000Ф
Площадка 161.07.00.000Ф
Гидрооборудование 161.09.00.000Ф
Электрооборудование 161.10.00.000Ф
Очистка 161.11.00.000Ф
Измельчитель-разбрасыватель 161.14.00.000Ф
Блок молотильный 161.15.00.000Ф
Каркас 161.30.00.000Ф
Бункер 161.45.00.000Ф
Устройства транспортирующие 161.50.00.000Ф
Капоты 161.56.00.000Ф
Дополнительное оборудование 161.77.00.000Ф

Поиск по деталям узла Детали узла

Сроки доставки и цены будут отображаться после авторизации

Цены и корзина будут доступны после авторизации

Поз. Код Чертежный номер Кол-во позиций Начало, дата Окончание, дата Наименование
1 МРУ-2.20.020 101935359 МРУ-2.20.020
Номер позиции: 1
Кол-во позиций: 1
Начало, дата: 01.07.2014
Окончание, дата: -
101935359
1 01.07.2014 Блок педалей
4 МРУ-2.20.480 101935164 МРУ-2.20.480
Номер позиции: 4
Кол-во позиций: 1
Начало, дата: 01.07.2014
Окончание, дата: -
101935164
1 01.07.2014 Трубка
5 МРУ-2.20.490 101935153 МРУ-2.20.490
Номер позиции: 5
Кол-во позиций: 1
Начало, дата: 01.07.2014
Окончание, дата: -
101935153
1 01.07.2014 Трубка
8 МРУ-2.20.510 101935033 МРУ-2.20.510
Номер позиции: 8
Кол-во позиций: 1
Начало, дата: 01.07.2014
Окончание, дата: -
101935033
1 01.07.2014 Блок бачков
13 РСМ-10.04.14.307 100030015 РСМ-10.04.14.307
Номер позиции: 13
Кол-во позиций: 2
Начало, дата: 01.07.2014
Окончание, дата: -
100030015
2 01.07.2014 Угольник
Корзина будет доступна
после авторизации
15 75Ш-00005 100030017 75Ш-00005
Номер позиции: 15
Кол-во позиций: 4
Начало, дата: 01.07.2014
Окончание, дата: -
100030017
4 01.07.2014
Для выбора подходящей к вашей технике детали введите в поиск код продукта или свяжитесь с дилером
Прокладка
Корзина будет доступна
после авторизации
15 00.148.00.150-01 101596741 00.148.00.150-01
Номер позиции: 15
Кол-во позиций: 4
Начало, дата: 01.07.2014
Окончание, дата: -
101596741
4 01.07.2014
Для выбора подходящей к вашей технике детали введите в поиск код продукта или свяжитесь с дилером
Прокладка
Корзина будет доступна
после авторизации
18 101.04.20.601 101258811 101.04.20.601
Номер позиции: 18
Кол-во позиций: 2
Начало, дата: 01.07.2014
Окончание, дата: -
101258811
2 01.07.2014 Болт
Корзина будет доступна
после авторизации
20 101.04.20.612 101333541 101.04.20.612
Номер позиции: 20
Кол-во позиций: 2
Начало, дата: 01.07.2014
Окончание, дата: -
101333541
2 01.07.2014 Вилка
Корзина будет доступна
после авторизации
23 М6-6gx25.48.019 100095905 М6-6gx25.48.019
Номер позиции: 23
Кол-во позиций: 2
Начало, дата: 01.07.2014
Окончание, дата: 01.12.2021
100095905
2 01.07.2014 01.12.2021
Для выбора подходящей к вашей технике детали введите в поиск код продукта или свяжитесь с дилером
Болт ГОСТ 7798-70
Корзина будет доступна
после авторизации
23 М6x25-8.8-zinc plated DIN 933 101701293 М6x25-8.8-zinc plated DIN 933
Номер позиции: 23
Кол-во позиций: 1
Начало, дата: 01.07.2014
Окончание, дата: 01.12.2021
101701293
1 01.07.2014 01.12.2021
Для выбора подходящей к вашей технике детали введите в поиск код продукта или свяжитесь с дилером
Болт с шестигранной головкой
Корзина будет доступна
после авторизации
23 М6x25-8.8-Fe/Zn8c2D 102487331 М6x25-8.8-Fe/Zn8c2D
Номер позиции: 23
Кол-во позиций: 2
Начало, дата: 01.12.2021
Окончание, дата: -
102487331
2 01.12.2021
Для выбора подходящей к вашей технике детали введите в поиск код продукта или свяжитесь с дилером
Винт с шестигранной головкой ГОСТ Р ИСО 4017
Корзина будет доступна
после авторизации
24 М8-6gx20.88.35.019 100094226 М8-6gx20.88.35.019
Номер позиции: 24
Кол-во позиций: 3
Начало, дата: 01.12.2021
Окончание, дата: -
100094226
3 01.12.2021
Для выбора подходящей к вашей технике детали введите в поиск код продукта или свяжитесь с дилером
Болт ГОСТ 7798-70
Корзина будет доступна
после авторизации
24 М8x20-8.8-zinc plated DIN 933 101701221 М8x20-8.8-zinc plated DIN 933
Номер позиции: 24
Кол-во позиций: 1
Начало, дата: 01.07.2014
Окончание, дата: 01.12.2021
101701221
1 01.07.2014 01.12.2021
Для выбора подходящей к вашей технике детали введите в поиск код продукта или свяжитесь с дилером
Болт с шестигранной головкой
Корзина будет доступна
после авторизации
24 М8x20-8.8-Fe/Zn8c2D 102780103 М8x20-8.8-Fe/Zn8c2D
Номер позиции: 24
Кол-во позиций: 3
Начало, дата: 01.12.2021
Окончание, дата: -
102780103
3 01.12.2021
Для выбора подходящей к вашей технике детали введите в поиск код продукта или свяжитесь с дилером
Винт с шестигранной головкой ГОСТ Р ИСО 4017
Корзина будет доступна
после авторизации
25 М12-6gx25.88.35.019 101625082 М12-6gx25.88.35.019
Номер позиции: 25
Кол-во позиций: 4
Начало, дата: 01.12.2021
Окончание, дата: -
101625082
4 01.12.2021
Для выбора подходящей к вашей технике детали введите в поиск код продукта или свяжитесь с дилером
Болт ГОСТ 7798-70
Корзина будет доступна
после авторизации
25 М12x25-8.8-zinc plated 101701871 М12x25-8.8-zinc plated
Номер позиции: 25
Кол-во позиций: 1
Начало, дата: 01.07.2014
Окончание, дата: 01.12.2021
101701871
1 01.07.2014 01.12.2021
Для выбора подходящей к вашей технике детали введите в поиск код продукта или свяжитесь с дилером
Болт с шестигранной головкой DIN 933
Корзина будет доступна
после авторизации
25 М12x25-8.8-Fe/Zn8c2D~ 103216980 М12x25-8.8-Fe/Zn8c2D~
Номер позиции: 25
Кол-во позиций: 4
Начало, дата: 01.12.2021
Окончание, дата: -
103216980
4 01.12.2021
Для выбора подходящей к вашей технике детали введите в поиск код продукта или свяжитесь с дилером
Винт с шестигранной головкой ГОСТ Р ИСО 4017
Корзина будет доступна
после авторизации
28 М8-6Н.6.019 ГОСТ 5915-70 100475836 М8-6Н.6.019 ГОСТ 5915-70
Номер позиции: 28
Кол-во позиций: 2
Начало, дата: 01.07.2014
Окончание, дата: 01.12.2021
100475836
2 01.07.2014 01.12.2021
Для выбора подходящей к вашей технике детали введите в поиск код продукта или свяжитесь с дилером
Гайка
Корзина будет доступна
после авторизации
28 M8-8-zinc plated DIN 934 101701173 M8-8-zinc plated DIN 934
Номер позиции: 28
Кол-во позиций: 1
Начало, дата: 01.07.2014
Окончание, дата: 01.12.2021
101701173
1 01.07.2014 01.12.2021
Для выбора подходящей к вашей технике детали введите в поиск код продукта или свяжитесь с дилером
Гайка шестигранная
Корзина будет доступна
после авторизации
28 M8-8-Fe/Zn 8c2D 102636567 M8-8-Fe/Zn 8c2D
Номер позиции: 28
Кол-во позиций: 2
Начало, дата: 01.12.2021
Окончание, дата: -
102636567
2 01.12.2021
Для выбора подходящей к вашей технике детали введите в поиск код продукта или свяжитесь с дилером
Гайка шестигранная нормальная ГОСТ ISO 4032
Корзина будет доступна
после авторизации
38 С.8.01.019 100118630 С.8.01.019
Номер позиции: 38
Кол-во позиций: 2
Начало, дата: 01.07.2014
Окончание, дата: 01.12.2021
100118630
2 01.07.2014 01.12.2021
Для выбора подходящей к вашей технике детали введите в поиск код продукта или свяжитесь с дилером
Шайба ГОСТ 11371-78
Корзина будет доступна
после авторизации
38 8,4-200 HV-zinc plated DIN 125-A 101704614 8,4-200 HV-zinc plated DIN 125-A
Номер позиции: 38
Кол-во позиций: 2
Начало, дата: 01.12.2021
Окончание, дата: -
101704614
2 01.12.2021
Для выбора подходящей к вашей технике детали введите в поиск код продукта или свяжитесь с дилером
Шайба
Корзина будет доступна
после авторизации
41 2x16.019 100096344 2x16.019
Номер позиции: 41
Кол-во позиций: 2
Начало, дата: 01.07.2014
Окончание, дата: 01.12.2021
100096344
2 01.07.2014 01.12.2021
Для выбора подходящей к вашей технике детали введите в поиск код продукта или свяжитесь с дилером
Шплинт ГОСТ 397-79
Корзина будет доступна
после авторизации
41 2x16-St-zinc plated 101701158 2x16-St-zinc plated
Номер позиции: 41
Кол-во позиций: 2
Начало, дата: 01.12.2021
Окончание, дата: -
101701158
2 01.12.2021
Для выбора подходящей к вашей технике детали введите в поиск код продукта или свяжитесь с дилером
Шплинт DIN 94
Корзина будет доступна
после авторизации
43 6-8 b12x28.35.Ц9.хр 100476335 6-8 b12x28.35.Ц9.хр
Номер позиции: 43
Кол-во позиций: 2
Начало, дата: 01.07.2014
Окончание, дата: -
100476335
2 01.07.2014 Ось ГОСТ 9650-80
Корзина будет доступна
после авторизации
45 8.6.18 100171883 8.6.18
Номер позиции: 45
Кол-во позиций: 2
Начало, дата: 01.07.2014
Окончание, дата: -
100171883
2 01.07.2014 Скоба ОСТ 23.2.120-84
Корзина будет доступна
после авторизации
65 6 WGR 1518 182 101421710 6 WGR 1518 182
Номер позиции: 65
Кол-во позиций: 2
Начало, дата: 01.07.2014
Окончание, дата: -
101421710
2 01.07.2014 Шайба
Корзина будет доступна
после авторизации
66 8 WGR 1518 182 101421711 8 WGR 1518 182
Номер позиции: 66
Кол-во позиций: 3
Начало, дата: 01.07.2014
Окончание, дата: -
101421711
3 01.07.2014 Шайба
Корзина будет доступна
после авторизации
67 12 WGR 1518 182 101419261 12 WGR 1518 182
Номер позиции: 67
Кол-во позиций: 4
Начало, дата: 01.07.2014
Окончание, дата: -
101419261
4 01.07.2014 Шайба
Корзина будет доступна
после авторизации
Запрос на смену дилера
Сообщение для дилера
Заявка на ремонт