Список узлов

RSM 161

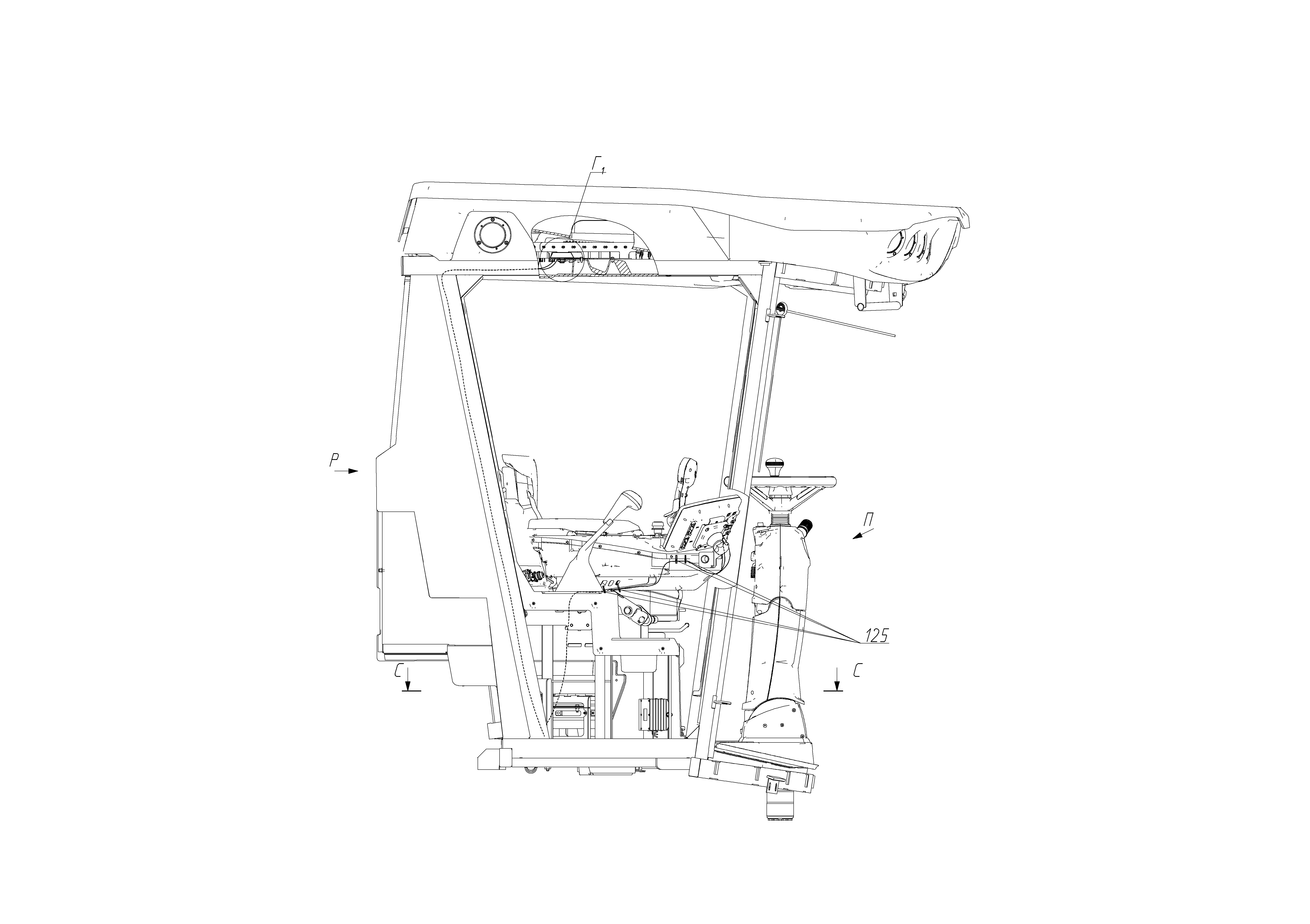
RSM 161 - Коммуникации электрические рабочего места

Мост задний 161.02.00.000Ф
Камера наклонная 161.03.00.000Ф
Мост передний 161.04.00.000Ф
Установка моторная 161.05.00.000Ф
Место рабочее 161.06.00.000Ф
Площадка 161.07.00.000Ф
Гидрооборудование 161.09.00.000Ф
Электрооборудование 161.10.00.000Ф
Электрооборудование 161.10.04.000-02
Электрооборудование 161.10.04.000-02
Электрооборудование 161.10.04.000-02
Установка жгутов на капотах 161.10.18.000
Установка электрооборудования МРУ-2.54.000
Установка электрооборудования МРУ-2.54.000
Очистка 161.11.00.000Ф
Измельчитель-разбрасыватель 161.14.00.000Ф
Блок молотильный 161.15.00.000Ф
Каркас 161.30.00.000Ф
Бункер 161.45.00.000Ф
Устройства транспортирующие 161.50.00.000Ф
Капоты 161.56.00.000Ф
Дополнительное оборудование 161.77.00.000Ф
Коммуникации электрические рабочего места

Для техники, произведенной с 02.01.2017

Поиск по деталям узла Детали узла

Сроки доставки и цены будут отображаться после авторизации

Цены и корзина будут доступны после авторизации

Поз. Код Чертежный номер Кол-во позиций Начало, дата Окончание, дата Наименование
1 МРУ-2.56.420Б 102220742 МРУ-2.56.420Б
Номер позиции: 1
Кол-во позиций: 1
Начало, дата: 02.01.2017
Окончание, дата: 15.02.2018
102220742
1 02.01.2017 15.02.2018
Для выбора подходящей к вашей технике детали введите в поиск код продукта или свяжитесь с дилером
Жгут кресла
Корзина будет доступна
после авторизации
1 МРУ-2.56.420Г 102534558 МРУ-2.56.420Г
Номер позиции: 1
Кол-во позиций: 1
Начало, дата: 01.01.2018
Окончание, дата: -
102534558
1 01.01.2018
Для выбора подходящей к вашей технике детали введите в поиск код продукта или свяжитесь с дилером
Жгут кресла
Корзина будет доступна
после авторизации
3 МРУ-2.56.490Б 102244922 МРУ-2.56.490Б
Номер позиции: 3
Кол-во позиций: 1
Начало, дата: 02.01.2017
Окончание, дата: -
102244922
1 02.01.2017 Жгут парты
Корзина будет доступна
после авторизации
5 МРУ-2.56.500 101932427 МРУ-2.56.500
Номер позиции: 5
Кол-во позиций: 1
Начало, дата: 02.01.2017
Окончание, дата: -
101932427
1 02.01.2017 Коммуникации электрические экрана
7 МРУ-2.56.620Б 102193508 МРУ-2.56.620Б
Номер позиции: 7
Кол-во позиций: 1
Начало, дата: 02.01.2017
Окончание, дата: -
102193508
1 02.01.2017 Жгут крыши
Корзина будет доступна
после авторизации
11 МРУ-2.56.001Б 102399169 МРУ-2.56.001Б
Номер позиции: 11
Кол-во позиций: 1
Начало, дата: 02.01.2017
Окончание, дата: -
102399169
1 02.01.2017 Аппликация
Корзина будет доступна
после авторизации
13 МРУ-1.09.406 101373608 МРУ-1.09.406
Номер позиции: 13
Кол-во позиций: 2
Начало, дата: 02.01.2017
Окончание, дата: -
101373608
2 02.01.2017 Зажим
Корзина будет доступна
после авторизации
15 М6-6gx16.48.019 100094985 М6-6gx16.48.019
Номер позиции: 15
Кол-во позиций: 1
Начало, дата: 02.01.2017
Окончание, дата: -
100094985
1 02.01.2017
Для выбора подходящей к вашей технике детали введите в поиск код продукта или свяжитесь с дилером
Болт ГОСТ 7798-70
Корзина будет доступна
после авторизации
15 М6x16-8.8-zinc plated DIN 933 101700841 М6x16-8.8-zinc plated DIN 933
Номер позиции: 15
Кол-во позиций: 1
Начало, дата: 02.01.2017
Окончание, дата: -
101700841
1 02.01.2017
Для выбора подходящей к вашей технике детали введите в поиск код продукта или свяжитесь с дилером
Болт с шестигранной головкой
Корзина будет доступна
после авторизации
17 М6-6gx20.48.019 100718548 М6-6gx20.48.019
Номер позиции: 17
Кол-во позиций: 2
Начало, дата: 02.01.2017
Окончание, дата: -
100718548
2 02.01.2017
Для выбора подходящей к вашей технике детали введите в поиск код продукта или свяжитесь с дилером
Болт ГОСТ 7798-70
Корзина будет доступна
после авторизации
17 М6x20-8.8-zinc plated DIN 933 101701658 М6x20-8.8-zinc plated DIN 933
Номер позиции: 17
Кол-во позиций: 2
Начало, дата: 02.01.2017
Окончание, дата: -
101701658
2 02.01.2017
Для выбора подходящей к вашей технике детали введите в поиск код продукта или свяжитесь с дилером
Болт с шестигранной головкой
Корзина будет доступна
после авторизации
19 В.М3-6gх16.48.016 100483446 В.М3-6gх16.48.016
Номер позиции: 19
Кол-во позиций: 4
Начало, дата: 02.01.2017
Окончание, дата: -
100483446
4 02.01.2017
Для выбора подходящей к вашей технике детали введите в поиск код продукта или свяжитесь с дилером
Винт ГОСТ 10621-80
Корзина будет доступна
после авторизации
19 М3x16-4.8-Н-zinc plated 101701215 М3x16-4.8-Н-zinc plated
Номер позиции: 19
Кол-во позиций: 4
Начало, дата: 02.01.2017
Окончание, дата: -
101701215
4 02.01.2017
Для выбора подходящей к вашей технике детали введите в поиск код продукта или свяжитесь с дилером
Винт с цилиндрической скругленной головкой DIN 7985
Корзина будет доступна
после авторизации
21 В.М5-6gх16.48.019 100164964 В.М5-6gх16.48.019
Номер позиции: 21
Кол-во позиций: 15
Начало, дата: 02.01.2017
Окончание, дата: -
100164964
15 02.01.2017
Для выбора подходящей к вашей технике детали введите в поиск код продукта или свяжитесь с дилером
Винт ГОСТ 10621-80
Корзина будет доступна
после авторизации
21 М5x16-4.8-Н-zinc plated 101701187 М5x16-4.8-Н-zinc plated
Номер позиции: 21
Кол-во позиций: 15
Начало, дата: 02.01.2017
Окончание, дата: -
101701187
15 02.01.2017
Для выбора подходящей к вашей технике детали введите в поиск код продукта или свяжитесь с дилером
Винт с цилиндрической скругленной головкой DIN 7985
Корзина будет доступна
после авторизации
23 В.М6-6gх16.48.019 ГОСТ 10621-80 100094617 В.М6-6gх16.48.019 ГОСТ 10621-80
Номер позиции: 23
Кол-во позиций: 2
Начало, дата: 02.01.2017
Окончание, дата: -
100094617
2 02.01.2017
Для выбора подходящей к вашей технике детали введите в поиск код продукта или свяжитесь с дилером
Винт
Корзина будет доступна
после авторизации
23 М6x16-4.8-Н-zinc plated 101701184 М6x16-4.8-Н-zinc plated
Номер позиции: 23
Кол-во позиций: 2
Начало, дата: 02.01.2017
Окончание, дата: -
101701184
2 02.01.2017
Для выбора подходящей к вашей технике детали введите в поиск код продукта или свяжитесь с дилером
Винт с цилиндрической скругленной головкой DIN 7985
Корзина будет доступна
после авторизации
25 В.М6-6gх35.48.019 100128788 В.М6-6gх35.48.019
Номер позиции: 25
Кол-во позиций: 4
Начало, дата: 02.01.2017
Окончание, дата: -
100128788
4 02.01.2017
Для выбора подходящей к вашей технике детали введите в поиск код продукта или свяжитесь с дилером
Винт ГОСТ 17473-80
Корзина будет доступна
после авторизации
25 М6x35-4.8-Н-zinc plated 101880154 М6x35-4.8-Н-zinc plated
Номер позиции: 25
Кол-во позиций: 4
Начало, дата: 02.01.2017
Окончание, дата: -
101880154
4 02.01.2017
Для выбора подходящей к вашей технике детали введите в поиск код продукта или свяжитесь с дилером
Винт с цилиндрической скругленной головкой DIN 7985
Корзина будет доступна
после авторизации
27 М3-6Н.6.019 100163833 М3-6Н.6.019
Номер позиции: 27
Кол-во позиций: 4
Начало, дата: 02.01.2017
Окончание, дата: -
100163833
4 02.01.2017
Для выбора подходящей к вашей технике детали введите в поиск код продукта или свяжитесь с дилером
Гайка ГОСТ 5915-70
Корзина будет доступна
после авторизации
27 M3-8-zinc plated 101701174 M3-8-zinc plated
Номер позиции: 27
Кол-во позиций: 4
Начало, дата: 02.01.2017
Окончание, дата: -
101701174
4 02.01.2017
Для выбора подходящей к вашей технике детали введите в поиск код продукта или свяжитесь с дилером
Гайка шестигранная DIN 934
Корзина будет доступна
после авторизации
29 М5-6H.6.019 ГОСТ 5915-70 100210838 М5-6H.6.019 ГОСТ 5915-70
Номер позиции: 29
Кол-во позиций: 4
Начало, дата: 02.01.2017
Окончание, дата: -
100210838
4 02.01.2017
Для выбора подходящей к вашей технике детали введите в поиск код продукта или свяжитесь с дилером
Гайка
Корзина будет доступна
после авторизации
29 M5-8-zinc plated 101701162 M5-8-zinc plated
Номер позиции: 29
Кол-во позиций: 4
Начало, дата: 02.01.2017
Окончание, дата: -
101701162
4 02.01.2017
Для выбора подходящей к вашей технике детали введите в поиск код продукта или свяжитесь с дилером
Гайка шестигранная DIN 934
Корзина будет доступна
после авторизации
31 М6-6Н.6.019 100007661 М6-6Н.6.019
Номер позиции: 31
Кол-во позиций: 1
Начало, дата: 02.01.2017
Окончание, дата: -
100007661
1 02.01.2017
Для выбора подходящей к вашей технике детали введите в поиск код продукта или свяжитесь с дилером
Гайка ГОСТ 5915-70
Корзина будет доступна
после авторизации
31 M6-8-zinc plated DIN 934 101701161 M6-8-zinc plated DIN 934
Номер позиции: 31
Кол-во позиций: 2
Начало, дата: 02.01.2017
Окончание, дата: -
101701161
2 02.01.2017
Для выбора подходящей к вашей технике детали введите в поиск код продукта или свяжитесь с дилером
Гайка шестигранная
Корзина будет доступна
после авторизации
33 3,2-200 HV-zinc plated 101702464 3,2-200 HV-zinc plated
Номер позиции: 33
Кол-во позиций: 8
Начало, дата: 02.01.2017
Окончание, дата: -
101702464
8 02.01.2017
Для выбора подходящей к вашей технике детали введите в поиск код продукта или свяжитесь с дилером
Шайба DIN 125-A
Корзина будет доступна
после авторизации
33 C.3.01.019 102725567 C.3.01.019
Номер позиции: 33
Кол-во позиций: 8
Начало, дата: 02.01.2017
Окончание, дата: -
102725567
8 02.01.2017
Для выбора подходящей к вашей технике детали введите в поиск код продукта или свяжитесь с дилером
Шайба ГОСТ 11371-78
Корзина будет доступна
после авторизации
35 3Т 65Г 019 100163834 3Т 65Г 019
Номер позиции: 35
Кол-во позиций: 4
Начало, дата: 02.01.2017
Окончание, дата: -
100163834
4 02.01.2017
Для выбора подходящей к вашей технике детали введите в поиск код продукта или свяжитесь с дилером
Шайба ГОСТ 6402-70
Корзина будет доступна
после авторизации
35 3,0-FSt-zinc plated~ 101707236 3,0-FSt-zinc plated~
Номер позиции: 35
Кол-во позиций: 4
Начало, дата: 02.01.2017
Окончание, дата: -
101707236
4 02.01.2017
Для выбора подходящей к вашей технике детали введите в поиск код продукта или свяжитесь с дилером
Шайба пружинная DIN 127-B
Корзина будет доступна
после авторизации
57 3302-5325316 100255164 3302-5325316
Номер позиции: 57
Кол-во позиций: 8
Начало, дата: 02.01.2017
Окончание, дата: -
100255164
8 02.01.2017 Гайка
Корзина будет доступна
после авторизации
63 5 WGR 1518 182 101452094 5 WGR 1518 182
Номер позиции: 63
Кол-во позиций: 15
Начало, дата: 02.01.2017
Окончание, дата: -
101452094
15 02.01.2017 Шайба
Корзина будет доступна
после авторизации
65 6 WGR 1518 182 101421710 6 WGR 1518 182
Номер позиции: 65
Кол-во позиций: 10
Начало, дата: 02.01.2017
Окончание, дата: -
101421710
10 02.01.2017 Шайба
Корзина будет доступна
после авторизации
67 АВТОМАГНИТОЛА 101404330 АВТОМАГНИТОЛА
Номер позиции: 67
Кол-во позиций: 1
Начало, дата: 02.01.2017
Окончание, дата: -
101404330
1 02.01.2017 Автомагнитола
Корзина будет доступна
после авторизации
69 АВ-16 100944057 АВ-16
Номер позиции: 69
Кол-во позиций: 1
Начало, дата: 02.01.2017
Окончание, дата: -
100944057
1 02.01.2017 Антенна автомобильная активная Буран ФКШБ.464328.050
Корзина будет доступна
после авторизации
71 46.3722 100406825 46.3722
Номер позиции: 71
Кол-во позиций: 1
Начало, дата: 02.01.2017
Окончание, дата: -
100406825
1 02.01.2017 Блок предохранительный
73 СКРП-03 101882782 СКРП-03
Номер позиции: 73
Кол-во позиций: 1
Начало, дата: 02.01.2017
Окончание, дата: -
101882782
1 02.01.2017 Блок управления ЮГИШ.426471.099
Корзина будет доступна
после авторизации
77 10.0183.0000.42 101935225 10.0183.0000.42
Номер позиции: 77
Кол-во позиций: 2
Начало, дата: 02.01.2017
Окончание, дата: -
101935225
2 02.01.2017 Галогенная фара
Корзина будет доступна
после авторизации
79 9805975 101682482 9805975
Номер позиции: 79
Кол-во позиций: 2
Начало, дата: 02.01.2017
Окончание, дата: -
101682482
2 02.01.2017 Держатель клипсы
Корзина будет доступна
после авторизации
81 16.600.038 100742006 16.600.038
Номер позиции: 81
Кол-во позиций: 2
Начало, дата: 02.01.2017
Окончание, дата: -
100742006
2 02.01.2017 Заглушка
Корзина будет доступна
после авторизации
85 1718329-1 101474427 1718329-1
Номер позиции: 85
Кол-во позиций: 1
Начало, дата: 02.01.2017
Окончание, дата: -
101474427
1 02.01.2017 Кронштейн
Корзина будет доступна
после авторизации
87 118.3725 101882784 118.3725
Номер позиции: 87
Кол-во позиций: 1
Начало, дата: 02.01.2017
Окончание, дата: -
101882784
1 02.01.2017 Патрон для подключения дополнительных потребителей
Корзина будет доступна
после авторизации
91 16.0717.1022.14 101882248 16.0717.1022.14
Номер позиции: 91
Кол-во позиций: 1
Начало, дата: 02.01.2017
Окончание, дата: -
101882248
1 02.01.2017 Переключатель кулисный с клавишей
Корзина будет доступна
после авторизации
92 16.0717.1030.14 102070715 16.0717.1030.14
Номер позиции: 92
Кол-во позиций: 1
Начало, дата: 02.01.2017
Окончание, дата: -
102070715
1 02.01.2017 Переключатель кулисный с клавишей
Корзина будет доступна
после авторизации
93 16.0717.1047.14 101882250 16.0717.1047.14
Номер позиции: 93
Кол-во позиций: 1
Начало, дата: 02.01.2017
Окончание, дата: -
101882250
1 02.01.2017 Переключатель кулисный с клавишей
Корзина будет доступна
после авторизации
95 16.0717.1051.14 101882256 16.0717.1051.14
Номер позиции: 95
Кол-во позиций: 1
Начало, дата: 02.01.2017
Окончание, дата: -
101882256
1 02.01.2017 Переключатель кулисный с клавишей
Корзина будет доступна
после авторизации
97 16.0717.1052.14 102239450 16.0717.1052.14
Номер позиции: 97
Кол-во позиций: 1
Начало, дата: 02.01.2017
Окончание, дата: -
102239450
1 02.01.2017 Переключатель кулисный
Корзина будет доступна
после авторизации
99 16.0717.1053.14 102239451 16.0717.1053.14
Номер позиции: 99
Кол-во позиций: 1
Начало, дата: 02.01.2017
Окончание, дата: -
102239451
1 02.01.2017 Переключатель кулисный
Корзина будет доступна
после авторизации
101 16.0717.1054.14 102239452 16.0717.1054.14
Номер позиции: 101
Кол-во позиций: 1
Начало, дата: 02.01.2017
Окончание, дата: -
102239452
1 02.01.2017 Переключатель кулисный
Корзина будет доступна
после авторизации
103 Ф53.602.000-01 101626723 Ф53.602.000-01
Номер позиции: 103
Кол-во позиций: 1
Начало, дата: 02.01.2017
Окончание, дата: -
101626723
1 02.01.2017 Переключатель
Корзина будет доступна
после авторизации
105 16.182.000.01 24V NO 12A 101623171 16.182.000.01 24V NO 12A
Номер позиции: 105
Кол-во позиций: 1
Начало, дата: 02.01.2017
Окончание, дата: -
101623171
1 02.01.2017 Переключатель
Корзина будет доступна
после авторизации
107 2312.3714-03 102392718 2312.3714-03
Номер позиции: 107
Кол-во позиций: 1
Начало, дата: 02.01.2017
Окончание, дата: -
102392718
1 02.01.2017 Блок плафонов освещения салона ТУ 37.458.064-90
Корзина будет доступна
после авторизации
109 ПН 24/12-120 100526462 ПН 24/12-120
Номер позиции: 109
Кол-во позиций: 1
Начало, дата: 02.01.2017
Окончание, дата: -
100526462
1 02.01.2017 Преобразователь напряжения ФМИП.436437.002 ТУ
Корзина будет доступна
после авторизации
111 2123-3725010 101882785 2123-3725010
Номер позиции: 111
Кол-во позиций: 1
Начало, дата: 02.01.2017
Окончание, дата: -
101882785
1 02.01.2017 Прикуриватель ТУ 37.466.118-2002
Корзина будет доступна
после авторизации
113 8-1393305-4 101405663 8-1393305-4
Номер позиции: 113
Кол-во позиций: 9
Начало, дата: 02.01.2017
Окончание, дата: -
101405663
9 02.01.2017 Реле
Корзина будет доступна
после авторизации
115 09.451.000 101861938 09.451.000
Номер позиции: 115
Кол-во позиций: 1
Начало, дата: 02.01.2017
Окончание, дата: -
101861938
1 02.01.2017 Светоиндикатор (зелёный)
Корзина будет доступна
после авторизации
117 U90AS10 100991070 U90AS10
Номер позиции: 117
Кол-во позиций: 1
Начало, дата: 02.01.2017
Окончание, дата: -
100991070
1 02.01.2017 Система акустическая ФКШБ.467292.020 ГЧ
Корзина будет доступна
после авторизации
119 1718328-1 101474429 1718328-1
Номер позиции: 119
Кол-во позиций: 1
Начало, дата: 02.01.2017
Окончание, дата: -
101474429
1 02.01.2017 Скоба фиксатор
Корзина будет доступна
после авторизации
121 2112045-1 101474430 2112045-1
Номер позиции: 121
Кол-во позиций: 2
Начало, дата: 02.01.2017
Окончание, дата: -
101474430
2 02.01.2017 Скоба фиксатор
Корзина будет доступна
после авторизации
123 ТС-120 101421717 ТС-120
Номер позиции: 123
Кол-во позиций: 1
Начало, дата: 02.01.2017
Окончание, дата: -
101421717
1 02.01.2017 Терминальное сопротивление ЦНСК.434319.001 ТУ
Корзина будет доступна
после авторизации
125 4,8х290 101880459 4,8х290
Номер позиции: 125
Кол-во позиций: 30
Начало, дата: 02.01.2017
Окончание, дата: -
101880459
30 02.01.2017 Хомут пластиковый
Корзина будет доступна
после авторизации
Запрос на смену дилера
Сообщение для дилера
Заявка на ремонт