Список узлов

RSM 161

RSM 161 - Электрооборудование

Мост задний 161.02.00.000Ф
Камера наклонная 161.03.00.000Ф
Мост передний 161.04.00.000Ф
Установка моторная 161.05.00.000Ф
Место рабочее 161.06.00.000Ф
Площадка 161.07.00.000Ф
Гидрооборудование 161.09.00.000Ф
Электрооборудование 161.10.00.000Ф
Электрооборудование 161.10.04.000-02
Электрооборудование 161.10.04.000-02
Электрооборудование 161.10.04.000-02
Установка жгутов на капотах 161.10.18.000
Установка электрооборудования МРУ-2.54.000
Установка электрооборудования МРУ-2.54.000
Очистка 161.11.00.000Ф
Измельчитель-разбрасыватель 161.14.00.000Ф
Блок молотильный 161.15.00.000Ф
Каркас 161.30.00.000Ф
Бункер 161.45.00.000Ф
Устройства транспортирующие 161.50.00.000Ф
Капоты 161.56.00.000Ф
Дополнительное оборудование 161.77.00.000Ф
Электрооборудование

Для техники, произведенной с 02.01.2017

Поиск по деталям узла Детали узла

Сроки доставки и цены будут отображаться после авторизации

Цены и корзина будут доступны после авторизации

Поз. Код Чертежный номер Кол-во позиций Начало, дата Окончание, дата Наименование
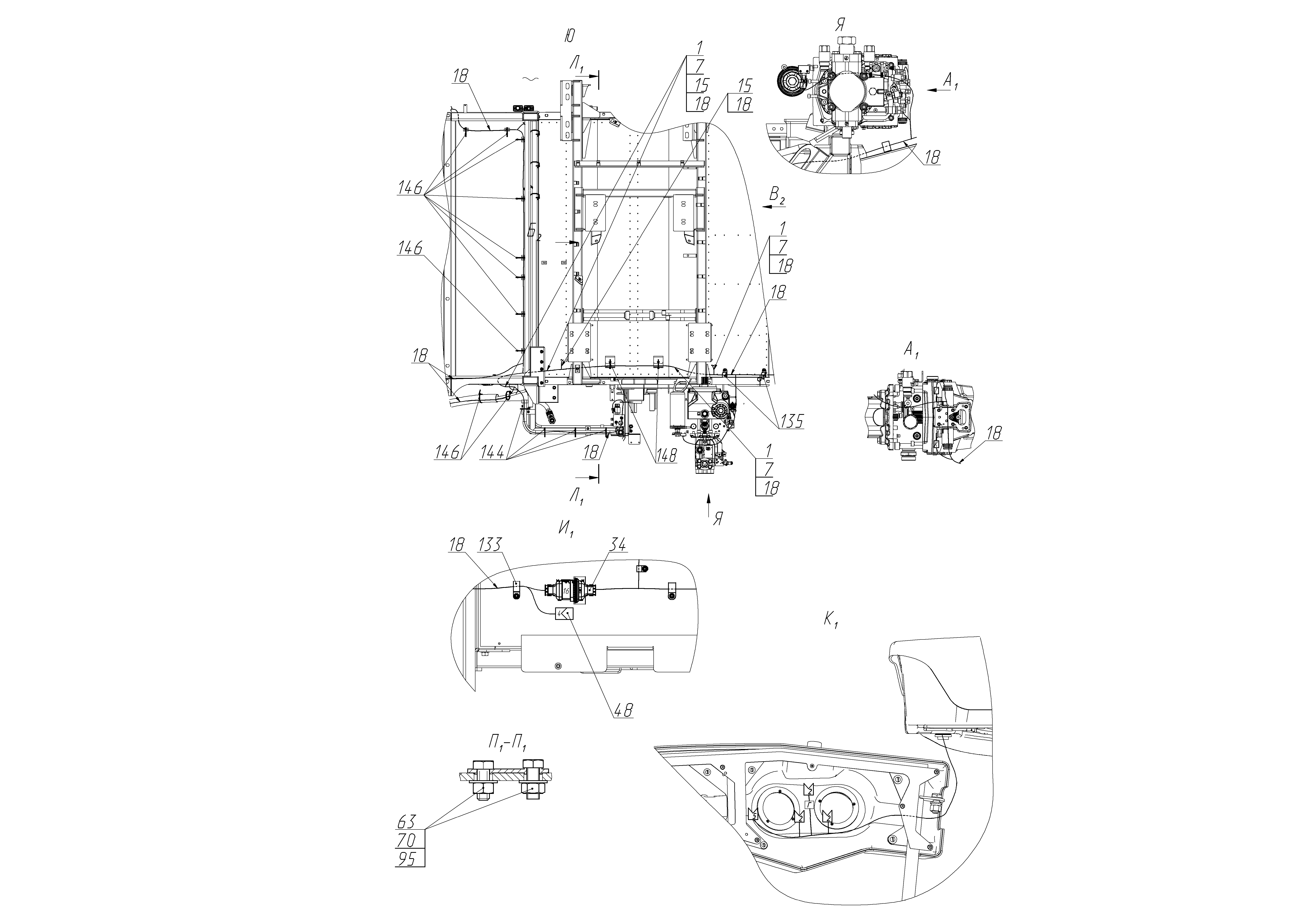
1 161.10.01.170Д 102017130 161.10.01.170Д
Номер позиции: 1
Кол-во позиций: 1
Начало, дата: 01.03.2016
Окончание, дата: 02.01.2017
102017130
1 01.03.2016 02.01.2017
Для выбора подходящей к вашей технике детали введите в поиск код продукта или свяжитесь с дилером
Провод стартера
Корзина будет доступна
после авторизации
1 161.10.01.170Е 102358467 161.10.01.170Е
Номер позиции: 1
Кол-во позиций: 1
Начало, дата: 02.01.2017
Окончание, дата: -
102358467
1 02.01.2017
Для выбора подходящей к вашей технике детали введите в поиск код продукта или свяжитесь с дилером
Провод стартера
Корзина будет доступна
после авторизации
7 161.10.01.360В 101769609 161.10.01.360В
Номер позиции: 7
Кол-во позиций: 1
Начало, дата: 01.03.2016
Окончание, дата: 02.01.2017
101769609
1 01.03.2016 02.01.2017
Для выбора подходящей к вашей технике детали введите в поиск код продукта или свяжитесь с дилером
Провод массы
Корзина будет доступна
после авторизации
7 161.10.01.360Г 102358565 161.10.01.360Г
Номер позиции: 7
Кол-во позиций: 1
Начало, дата: 02.01.2017
Окончание, дата: -
102358565
1 02.01.2017
Для выбора подходящей к вашей технике детали введите в поиск код продукта или свяжитесь с дилером
Провод массы
Корзина будет доступна
после авторизации
15 161.10.01.820Г 102017379 161.10.01.820Г
Номер позиции: 15
Кол-во позиций: 1
Начало, дата: 01.03.2016
Окончание, дата: -
102017379
1 01.03.2016 Жгут питания процессора
Корзина будет доступна
после авторизации
18 161.10.02.860 102245976 161.10.02.860
Номер позиции: 18
Кол-во позиций: 1
Начало, дата: 01.03.2016
Окончание, дата: 02.01.2017
102245976
1 01.03.2016 02.01.2017
Для выбора подходящей к вашей технике детали введите в поиск код продукта или свяжитесь с дилером
Жгут контроллера 2
Корзина будет доступна
после авторизации
18 161.10.02.860А 102352471 161.10.02.860А
Номер позиции: 18
Кол-во позиций: 1
Начало, дата: 02.01.2017
Окончание, дата: 01.10.2017
102352471
1 02.01.2017 01.10.2017
Для выбора подходящей к вашей технике детали введите в поиск код продукта или свяжитесь с дилером
Жгут контроллера 2
Корзина будет доступна
после авторизации
18 161.10.02.860Б 102416119 161.10.02.860Б
Номер позиции: 18
Кол-во позиций: 1
Начало, дата: 01.10.2017
Окончание, дата: 06.06.2019
102416119
1 01.10.2017 06.06.2019
Для выбора подходящей к вашей технике детали введите в поиск код продукта или свяжитесь с дилером
Жгут контроллера 2
Корзина будет доступна
после авторизации
18 161.10.02.860В 102486947 161.10.02.860В
Номер позиции: 18
Кол-во позиций: 1
Начало, дата: 06.06.2019
Окончание, дата: 15.10.2020
102486947
1 06.06.2019 15.10.2020
Для выбора подходящей к вашей технике детали введите в поиск код продукта или свяжитесь с дилером
Жгут контроллера 2
Корзина будет доступна
после авторизации
18 161.10.02.860Г 102892549 161.10.02.860Г
Номер позиции: 18
Кол-во позиций: 1
Начало, дата: 15.10.2020
Окончание, дата: -
102892549
1 15.10.2020
Для выбора подходящей к вашей технике детали введите в поиск код продукта или свяжитесь с дилером
Жгут контроллера 2
Корзина будет доступна
после авторизации
34 161.10.14.100 102260380 161.10.14.100
Номер позиции: 34
Кол-во позиций: 1
Начало, дата: 01.03.2016
Окончание, дата: -
102260380
1 01.03.2016 Коммуникации электрические измельчителя-разбрасывателя
48 161.10.85.400 101925576 161.10.85.400
Номер позиции: 48
Кол-во позиций: 1
Начало, дата: 01.03.2016
Окончание, дата: -
101925576
1 01.03.2016 Заглушка
Корзина будет доступна
после авторизации
63 М8-6gx20.88.35.019 100094226 М8-6gx20.88.35.019
Номер позиции: 63
Кол-во позиций: 6
Начало, дата: 01.03.2016
Окончание, дата: -
100094226
6 01.03.2016
Для выбора подходящей к вашей технике детали введите в поиск код продукта или свяжитесь с дилером
Болт ГОСТ 7798-70
Корзина будет доступна
после авторизации
63 М8x20-8.8-zinc plated DIN 933 101701221 М8x20-8.8-zinc plated DIN 933
Номер позиции: 63
Кол-во позиций: 1
Начало, дата: 01.03.2016
Окончание, дата: -
101701221
1 01.03.2016
Для выбора подходящей к вашей технике детали введите в поиск код продукта или свяжитесь с дилером
Болт с шестигранной головкой
Корзина будет доступна
после авторизации
70 М8-6Н.6.019 ГОСТ 5915-70 100475836 М8-6Н.6.019 ГОСТ 5915-70
Номер позиции: 70
Кол-во позиций: 4
Начало, дата: 01.03.2016
Окончание, дата: -
100475836
4 01.03.2016
Для выбора подходящей к вашей технике детали введите в поиск код продукта или свяжитесь с дилером
Гайка
Корзина будет доступна
после авторизации
70 M8-8-zinc plated DIN 934 101701173 M8-8-zinc plated DIN 934
Номер позиции: 70
Кол-во позиций: 1
Начало, дата: 01.03.2016
Окончание, дата: -
101701173
1 01.03.2016
Для выбора подходящей к вашей технике детали введите в поиск код продукта или свяжитесь с дилером
Гайка шестигранная
Корзина будет доступна
после авторизации
95 8 WGR 1520 182 101421713 8 WGR 1520 182
Номер позиции: 95
Кол-во позиций: 6
Начало, дата: 02.01.2017
Окончание, дата: -
101421713
6 02.01.2017 Шайба
Корзина будет доступна
после авторизации
133 RP22 8211019 101644127 RP22 8211019
Номер позиции: 133
Кол-во позиций: 5
Начало, дата: 01.03.2016
Окончание, дата: -
101644127
5 01.03.2016 Скоба
Корзина будет доступна
после авторизации
135 RP25 8211027 101500870 RP25 8211027
Номер позиции: 135
Кол-во позиций: 8
Начало, дата: 01.03.2016
Окончание, дата: -
101500870
8 01.03.2016 Скоба
Корзина будет доступна
после авторизации
144 3,6х200 101880458 3,6х200
Номер позиции: 144
Кол-во позиций: 33
Начало, дата: 02.01.2017
Окончание, дата: -
101880458
33 02.01.2017 Хомут пластиковый
Корзина будет доступна
после авторизации
146 4,8х290 101880459 4,8х290
Номер позиции: 146
Кол-во позиций: 140
Начало, дата: 15.10.2020
Окончание, дата: -
101880459
140 15.10.2020 Хомут пластиковый
Корзина будет доступна
после авторизации
148 7,8х365 101880460 7,8х365
Номер позиции: 148
Кол-во позиций: 16
Начало, дата: 01.03.2022
Окончание, дата: -
101880460
16 01.03.2022 Хомут пластиковый
Корзина будет доступна
после авторизации
Запрос на смену дилера
Сообщение для дилера
Заявка на ремонт