Список узлов

RSM 161

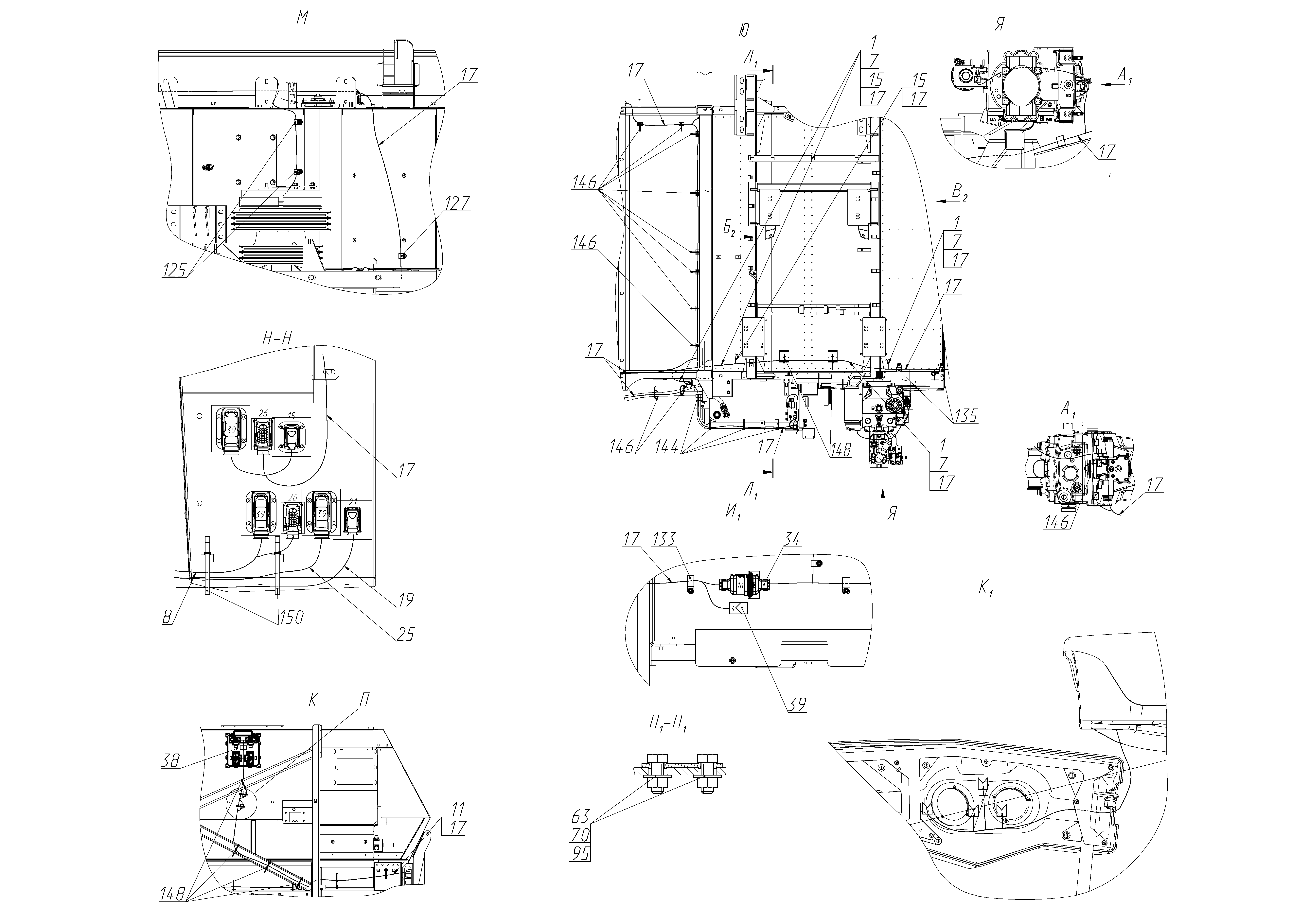
RSM 161 - Электрооборудование

Мост задний 161.02.00.000Ф
Камера наклонная 161.03.00.000Ф
Мост передний 161.04.00.000Ф
Установка моторная 161.05.00.000Ф
Место рабочее 161.06.00.000Ф
Площадка 161.07.00.000Ф
Гидрооборудование 161.09.00.000Ф
Электрооборудование 161.10.00.000Ф
Электрооборудование 161.10.04.000-02
Электрооборудование 161.10.04.000-02
Электрооборудование 161.10.04.000-02
Установка жгутов на капотах 161.10.18.000
Установка электрооборудования МРУ-2.54.000
Установка электрооборудования МРУ-2.54.000
Очистка 161.11.00.000Ф
Измельчитель-разбрасыватель 161.14.00.000Ф
Блок молотильный 161.15.00.000Ф
Каркас 161.30.00.000Ф
Бункер 161.45.00.000Ф
Устройства транспортирующие 161.50.00.000Ф
Капоты 161.56.00.000Ф
Дополнительное оборудование 161.77.00.000Ф
Электрооборудование

Для техники, произведенной с 02.11.2015

Поиск по деталям узла Детали узла

Сроки доставки и цены будут отображаться после авторизации

Цены и корзина будут доступны после авторизации

Поз. Код Чертежный номер Кол-во позиций Начало, дата Окончание, дата Наименование
1 161.10.01.170Д 102017130 161.10.01.170Д
Номер позиции: 1
Кол-во позиций: 1
Начало, дата: 02.11.2015
Окончание, дата: -
102017130
1 02.11.2015 Провод стартера
Корзина будет доступна
после авторизации
7 161.10.01.360В 101769609 161.10.01.360В
Номер позиции: 7
Кол-во позиций: 1
Начало, дата: 02.11.2015
Окончание, дата: -
101769609
1 02.11.2015 Провод массы
Корзина будет доступна
после авторизации
8 161.10.01.410А 102028432 161.10.01.410А
Номер позиции: 8
Кол-во позиций: 1
Начало, дата: 02.11.2015
Окончание, дата: -
102028432
1 02.11.2015 Жгут кабины
Корзина будет доступна
после авторизации
11 161.10.01.640 101930972 161.10.01.640
Номер позиции: 11
Кол-во позиций: 1
Начало, дата: 02.11.2015
Окончание, дата: -
101930972
1 02.11.2015 Жгут CAN 2
Корзина будет доступна
после авторизации
15 161.10.01.820Г 102017379 161.10.01.820Г
Номер позиции: 15
Кол-во позиций: 1
Начало, дата: 02.11.2015
Окончание, дата: -
102017379
1 02.11.2015 Жгут питания процессора
Корзина будет доступна
после авторизации
17 161.10.01.860Б 102017395 161.10.01.860Б
Номер позиции: 17
Кол-во позиций: 1
Начало, дата: 02.11.2015
Окончание, дата: -
102017395
1 02.11.2015 Жгут контроллера 2
Корзина будет доступна
после авторизации
19 161.10.01.890Б 102068079 161.10.01.890Б
Номер позиции: 19
Кол-во позиций: 1
Начало, дата: 02.11.2015
Окончание, дата: -
102068079
1 02.11.2015 Жгут контроллера 1
Корзина будет доступна
после авторизации
25 161.10.07.110Д 102029147 161.10.07.110Д
Номер позиции: 25
Кол-во позиций: 1
Начало, дата: 02.11.2015
Окончание, дата: -
102029147
1 02.11.2015 Жгут площадки
Корзина будет доступна
после авторизации
34 161.10.14.000А 101909002 161.10.14.000А
Номер позиции: 34
Кол-во позиций: 1
Начало, дата: 02.11.2015
Окончание, дата: -
101909002
1 02.11.2015 Коммуникации электрические измельчителя-разбрасывателя
38 161.10.46.000 101487984 161.10.46.000
Номер позиции: 38
Кол-во позиций: 1
Начало, дата: 02.11.2015
Окончание, дата: -
101487984
1 02.11.2015 Коммуникации электрические бункера
39 161.10.85.400 101925576 161.10.85.400
Номер позиции: 39
Кол-во позиций: 1
Начало, дата: 02.11.2015
Окончание, дата: -
101925576
1 02.11.2015 Заглушка
Корзина будет доступна
после авторизации
63 М8-6gx20.88.35.019 100094226 М8-6gx20.88.35.019
Номер позиции: 63
Кол-во позиций: 6
Начало, дата: 02.11.2015
Окончание, дата: -
100094226
6 02.11.2015
Для выбора подходящей к вашей технике детали введите в поиск код продукта или свяжитесь с дилером
Болт ГОСТ 7798-70
Корзина будет доступна
после авторизации
63 М8x20-8.8-zinc plated DIN 933 101701221 М8x20-8.8-zinc plated DIN 933
Номер позиции: 63
Кол-во позиций: 1
Начало, дата: 02.11.2015
Окончание, дата: -
101701221
1 02.11.2015
Для выбора подходящей к вашей технике детали введите в поиск код продукта или свяжитесь с дилером
Болт с шестигранной головкой
Корзина будет доступна
после авторизации
70 М8-6Н.6.019 ГОСТ 5915-70 100475836 М8-6Н.6.019 ГОСТ 5915-70
Номер позиции: 70
Кол-во позиций: 4
Начало, дата: 02.11.2015
Окончание, дата: -
100475836
4 02.11.2015
Для выбора подходящей к вашей технике детали введите в поиск код продукта или свяжитесь с дилером
Гайка
Корзина будет доступна
после авторизации
70 M8-8-zinc plated DIN 934 101701173 M8-8-zinc plated DIN 934
Номер позиции: 70
Кол-во позиций: 1
Начало, дата: 02.11.2015
Окончание, дата: -
101701173
1 02.11.2015
Для выбора подходящей к вашей технике детали введите в поиск код продукта или свяжитесь с дилером
Гайка шестигранная
Корзина будет доступна
после авторизации
95 8 WGR 1520 182 101421713 8 WGR 1520 182
Номер позиции: 95
Кол-во позиций: 8
Начало, дата: 02.11.2015
Окончание, дата: -
101421713
8 02.11.2015 Шайба
Корзина будет доступна
после авторизации
125 RP8 8211086 101644750 RP8 8211086
Номер позиции: 125
Кол-во позиций: 23
Начало, дата: 02.11.2015
Окончание, дата: -
101644750
23 02.11.2015 Скоба
Корзина будет доступна
после авторизации
127 RP10 8211108 101638078 RP10 8211108
Номер позиции: 127
Кол-во позиций: 31
Начало, дата: 02.11.2015
Окончание, дата: -
101638078
31 02.11.2015 Скоба
Корзина будет доступна
после авторизации
133 RP22 8211019 101644127 RP22 8211019
Номер позиции: 133
Кол-во позиций: 5
Начало, дата: 02.11.2015
Окончание, дата: -
101644127
5 02.11.2015 Скоба
Корзина будет доступна
после авторизации
135 RP25 8211027 101500870 RP25 8211027
Номер позиции: 135
Кол-во позиций: 8
Начало, дата: 02.11.2015
Окончание, дата: -
101500870
8 02.11.2015 Скоба
Корзина будет доступна
после авторизации
144 3,6х200 101880458 3,6х200
Номер позиции: 144
Кол-во позиций: 31
Начало, дата: 02.11.2015
Окончание, дата: -
101880458
31 02.11.2015 Хомут пластиковый
Корзина будет доступна
после авторизации
146 4,8х290 101880459 4,8х290
Номер позиции: 146
Кол-во позиций: 95
Начало, дата: 02.11.2015
Окончание, дата: -
101880459
95 02.11.2015 Хомут пластиковый
Корзина будет доступна
после авторизации
148 7,8х365 101880460 7,8х365
Номер позиции: 148
Кол-во позиций: 20
Начало, дата: 02.11.2015
Окончание, дата: -
101880460
20 02.11.2015 Хомут пластиковый
Корзина будет доступна
после авторизации
150 12,6х500 101880457 12,6х500
Номер позиции: 150
Кол-во позиций: 15
Начало, дата: 02.11.2015
Окончание, дата: -
101880457
15 02.11.2015 Хомут пластиковый
Корзина будет доступна
после авторизации
Запрос на смену дилера
Сообщение для дилера
Заявка на ремонт