Список узлов

RSM 161

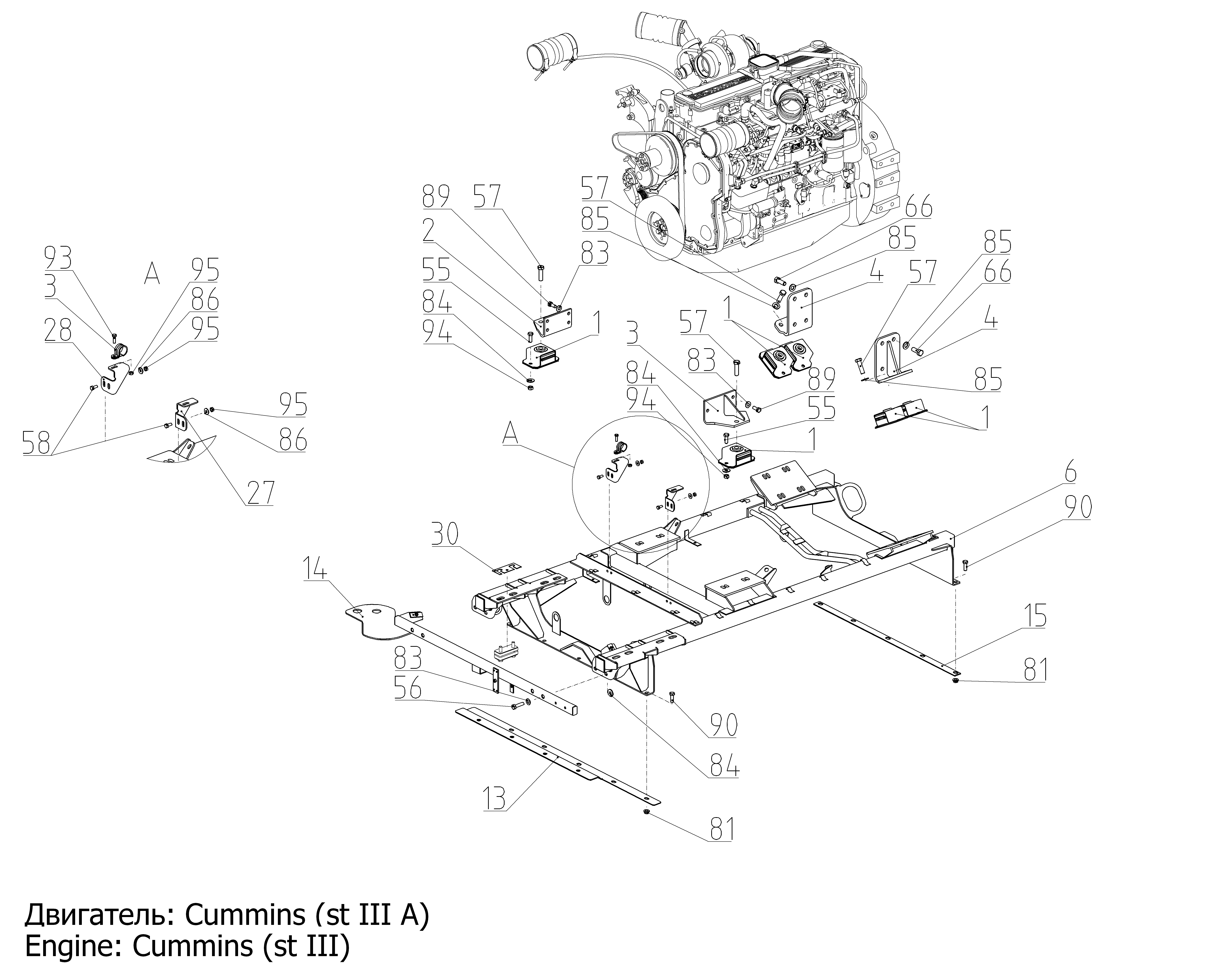
RSM 161 - Подмоторная рама

Мост задний 161.02.00.000Ф
Камера наклонная 161.03.00.000Ф
Мост передний 161.04.00.000Ф
Установка моторная 161.05.00.000Ф
Система питания топливом 161.05.01.000Ф
Система охлаждения 161.05.03.000Ф
Система отвода отработавших газов 161.05.04.000Ф
Рама подмоторная 161.05.05.000-01Ф
Подмоторная рама 161.05.05.000Ф
Система слива масла 161.05.08.000-02Ф
ДВИГАТЕЛЬ L9 RSM-L9-S0-415
ДВИГАТЕЛЬ L9 RSM-L9-S5-430
Двигатель QSL8.9 RSM-QSL-360 (SO60934)
Двигатель QSL8.9 RSM-QSL-360-R1 (SO60934)
Двигатель QSL8.9 RSM-QSL-360-R2 (SO60934)
Двигатель QSL8.9 RSM-QSL-360-R3(SO60934)
Двигатель QSL8.9 RSM-QSL-360-R4 (SO60934)
ДВИГАТЕЛЬ QSL8.9 RSMQSL360ZCKR2(SO81002)
ДВИГАТЕЛЬ QSL8.9-RSMQSL360ZCKR3(SO81002)
Двигатель QSL9 Tier4F RSM-QSL-T4F-350
ДВИГАТЕЛЬ QSL9 TIER4F RSM-QSL-T4F-350-R1
Место рабочее 161.06.00.000Ф
Площадка 161.07.00.000Ф
Гидрооборудование 161.09.00.000Ф
Электрооборудование 161.10.00.000Ф
Очистка 161.11.00.000Ф
Измельчитель-разбрасыватель 161.14.00.000Ф
Блок молотильный 161.15.00.000Ф
Каркас 161.30.00.000Ф
Бункер 161.45.00.000Ф
Устройства транспортирующие 161.50.00.000Ф
Капоты 161.56.00.000Ф
Дополнительное оборудование 161.77.00.000Ф
Подмоторная рама

Двигатель: Cummins (st III A) (Для техники, произведенной с 15.03.2016 )

Поиск по деталям узла Детали узла

Сроки доставки и цены будут отображаться после авторизации

Цены и корзина будут доступны после авторизации

Поз. Код Чертежный номер Кол-во позиций Начало, дата Окончание, дата Наименование
1 РСМ-10.05.00.900 100030221 РСМ-10.05.00.900
Номер позиции: 1
Кол-во позиций: 6
Начало, дата: 01.07.2014
Окончание, дата: 29.04.2016
100030221
6 01.07.2014 29.04.2016 Амортизатор сборный
Корзина будет доступна
после авторизации
2 142.05.07.150 100682458 142.05.07.150
Номер позиции: 2
Кол-во позиций: 1
Начало, дата: 15.03.2016
Окончание, дата: -
100682458
1 15.03.2016 Кронштейн
Корзина будет доступна
после авторизации
3 142.05.07.180 101160071 142.05.07.180
Номер позиции: 3
Кол-во позиций: 1
Начало, дата: 01.07.2014
Окончание, дата: 29.04.2016
101160071
1 01.07.2014 29.04.2016 Кронштейн
Корзина будет доступна
после авторизации
4 161.05.07.270 101450539 161.05.07.270
Номер позиции: 4
Кол-во позиций: 2
Начало, дата: 15.03.2016
Окончание, дата: -
101450539
2 15.03.2016 Опора
Корзина будет доступна
после авторизации
6 161.05.07.100 101753839 161.05.07.100
Номер позиции: 6
Кол-во позиций: 1
Начало, дата: 15.03.2016
Окончание, дата: 06.06.2019
101753839
1 15.03.2016 06.06.2019
Для выбора подходящей к вашей технике детали введите в поиск код продукта или свяжитесь с дилером
Рама
Корзина будет доступна
после авторизации
6 161.05.07.100А 102853552 161.05.07.100А
Номер позиции: 6
Кол-во позиций: 1
Начало, дата: 06.06.2019
Окончание, дата: 01.10.2021
102853552
1 06.06.2019 01.10.2021
Для выбора подходящей к вашей технике детали введите в поиск код продукта или свяжитесь с дилером
Рама
Корзина будет доступна
после авторизации
6 161.05.07.100Б 103311602 161.05.07.100Б
Номер позиции: 6
Кол-во позиций: 1
Начало, дата: 01.10.2021
Окончание, дата: -
103311602
1 01.10.2021
Для выбора подходящей к вашей технике детали введите в поиск код продукта или свяжитесь с дилером
Рама
Корзина будет доступна
после авторизации
13 161.05.07.720 102436282 161.05.07.720
Номер позиции: 13
Кол-во позиций: 1
Начало, дата: 01.03.2017
Окончание, дата: 01.12.2017
102436282
1 01.03.2017 01.12.2017
Для выбора подходящей к вашей технике детали введите в поиск код продукта или свяжитесь с дилером
Кронштейн
Корзина будет доступна
после авторизации
13 161.05.07.720А 102532007 161.05.07.720А
Номер позиции: 13
Кол-во позиций: 1
Начало, дата: 01.12.2017
Окончание, дата: -
102532007
1 01.12.2017
Для выбора подходящей к вашей технике детали введите в поиск код продукта или свяжитесь с дилером
Кронштейн
Корзина будет доступна
после авторизации
14 161.05.07.730 102436599 161.05.07.730
Номер позиции: 14
Кол-во позиций: 1
Начало, дата: 01.03.2017
Окончание, дата: 01.10.2021
102436599
1 01.03.2017 01.10.2021
Для выбора подходящей к вашей технике детали введите в поиск код продукта или свяжитесь с дилером
Опора
Корзина будет доступна
после авторизации
14 161.05.07.730А 103308505 161.05.07.730А
Номер позиции: 14
Кол-во позиций: 1
Начало, дата: 01.10.2021
Окончание, дата: -
103308505
1 01.10.2021
Для выбора подходящей к вашей технике детали введите в поиск код продукта или свяжитесь с дилером
Опора
Корзина будет доступна
после авторизации
15 161.05.08.463 102437107 161.05.08.463
Номер позиции: 15
Кол-во позиций: 1
Начало, дата: 01.03.2017
Окончание, дата: -
102437107
1 01.03.2017 Пластина
Корзина будет доступна
после авторизации
27 161.05.07.499 101593375 161.05.07.499
Номер позиции: 27
Кол-во позиций: 1
Начало, дата: 01.07.2014
Окончание, дата: -
101593375
1 01.07.2014 Кронштейн
Корзина будет доступна
после авторизации
28 161.05.07.499-01 101918462 161.05.07.499-01
Номер позиции: 28
Кол-во позиций: 1
Начало, дата: 01.07.2014
Окончание, дата: -
101918462
1 01.07.2014 Кронштейн
Корзина будет доступна
после авторизации
30 142.05.07.472 101301573 142.05.07.472
Номер позиции: 30
Кол-во позиций: 6
Начало, дата: 01.07.2014
Окончание, дата: -
101301573
6 01.07.2014 Прокладка
Корзина будет доступна
после авторизации
55 М12x35-8.8-flZnyc(flZnncL)-480h DIN 933 101863154 М12x35-8.8-flZnyc(flZnncL)-480h DIN 933
Номер позиции: 55
Кол-во позиций: 12
Начало, дата: 15.03.2016
Окончание, дата: -
101863154
12 15.03.2016 Болт с шестигранной головкой
Корзина будет доступна
после авторизации
56 М12-6gx50.88.35.019 100094232 М12-6gx50.88.35.019
Номер позиции: 56
Кол-во позиций: 4
Начало, дата: 01.07.2014
Окончание, дата: -
100094232
4 01.07.2014
Для выбора подходящей к вашей технике детали введите в поиск код продукта или свяжитесь с дилером
Болт ГОСТ 7798-70
Корзина будет доступна
после авторизации
56 М12x50-8.8-zinc plated DIN 931 101702753 М12x50-8.8-zinc plated DIN 931
Номер позиции: 56
Кол-во позиций: 4
Начало, дата: 01.07.2014
Окончание, дата: -
101702753
4 01.07.2014
Для выбора подходящей к вашей технике детали введите в поиск код продукта или свяжитесь с дилером
Болт с шестигранной головкой
Корзина будет доступна
после авторизации
81 М12-10 VERBUS RIPP W 193.1 WGR 0361 002 101470573 М12-10 VERBUS RIPP W 193.1 WGR 0361 002
Номер позиции: 81
Кол-во позиций: 10
Начало, дата: 01.07.2014
Окончание, дата: -
101470573
10 01.07.2014 Гайка
Корзина будет доступна
после авторизации
83 12 WGR 1518 182 101419261 12 WGR 1518 182
Номер позиции: 83
Кол-во позиций: 21
Начало, дата: 01.07.2014
Окончание, дата: 29.04.2016
101419261
21 01.07.2014 29.04.2016 Шайба
Корзина будет доступна
после авторизации
84 12 WGR 1520 182 101429932 12 WGR 1520 182
Номер позиции: 84
Кол-во позиций: 18
Начало, дата: 01.07.2014
Окончание, дата: 29.04.2016
101429932
18 01.07.2014 29.04.2016 Шайба
Корзина будет доступна
после авторизации
85 16 WGR 1518 182 101437281 16 WGR 1518 182
Номер позиции: 85
Кол-во позиций: 8
Начало, дата: 15.03.2016
Окончание, дата: -
101437281
8 15.03.2016 Шайба
Корзина будет доступна
после авторизации
86 8 WGR 1520 182 101421713 8 WGR 1520 182
Номер позиции: 86
Кол-во позиций: 7
Начало, дата: 02.01.2017
Окончание, дата: -
101421713
7 02.01.2017 Шайба
Корзина будет доступна
после авторизации
89 М12x30-8.8-flZnyc(flZnncL)-480h DIN 933 101863155 М12x30-8.8-flZnyc(flZnncL)-480h DIN 933
Номер позиции: 89
Кол-во позиций: 7
Начало, дата: 01.03.2017
Окончание, дата: -
101863155
7 01.03.2017 Болт с шестигранной головкой
Корзина будет доступна
после авторизации
90 М12x35-10.9-flZnyc(flZnncL)-480h 102044144 М12x35-10.9-flZnyc(flZnncL)-480h
Номер позиции: 90
Кол-во позиций: 10
Начало, дата: 01.01.2016
Окончание, дата: -
102044144
10 01.01.2016 Болт с шестигранной головкой DIN 933
Корзина будет доступна
после авторизации
93 М8x25-8.8-flZnyc(flZnncL)-480h DIN 933 101863325 М8x25-8.8-flZnyc(flZnncL)-480h DIN 933
Номер позиции: 93
Кол-во позиций: 2
Начало, дата: 01.01.2016
Окончание, дата: -
101863325
2 01.01.2016 Болт с шестигранной головкой
Корзина будет доступна
после авторизации
94 M12-8-flZnyc(flZnncL)-480h 101864036 M12-8-flZnyc(flZnncL)-480h
Номер позиции: 94
Кол-во позиций: 4
Начало, дата: 01.03.2017
Окончание, дата: 15.10.2020
101864036
4 01.03.2017 15.10.2020 Гайка шестигранная DIN 934
Корзина будет доступна
после авторизации
95 M8-8-flZnyc(flZnncL)-480h DIN 934 101864041 M8-8-flZnyc(flZnncL)-480h DIN 934
Номер позиции: 95
Кол-во позиций: 6
Начало, дата: 01.01.2016
Окончание, дата: 29.04.2016
101864041
6 01.01.2016 29.04.2016 Гайка шестигранная
Корзина будет доступна
после авторизации
Запрос на смену дилера
Сообщение для дилера
Заявка на ремонт