Список узлов

Ростсельмаш 2375 до 2018 года

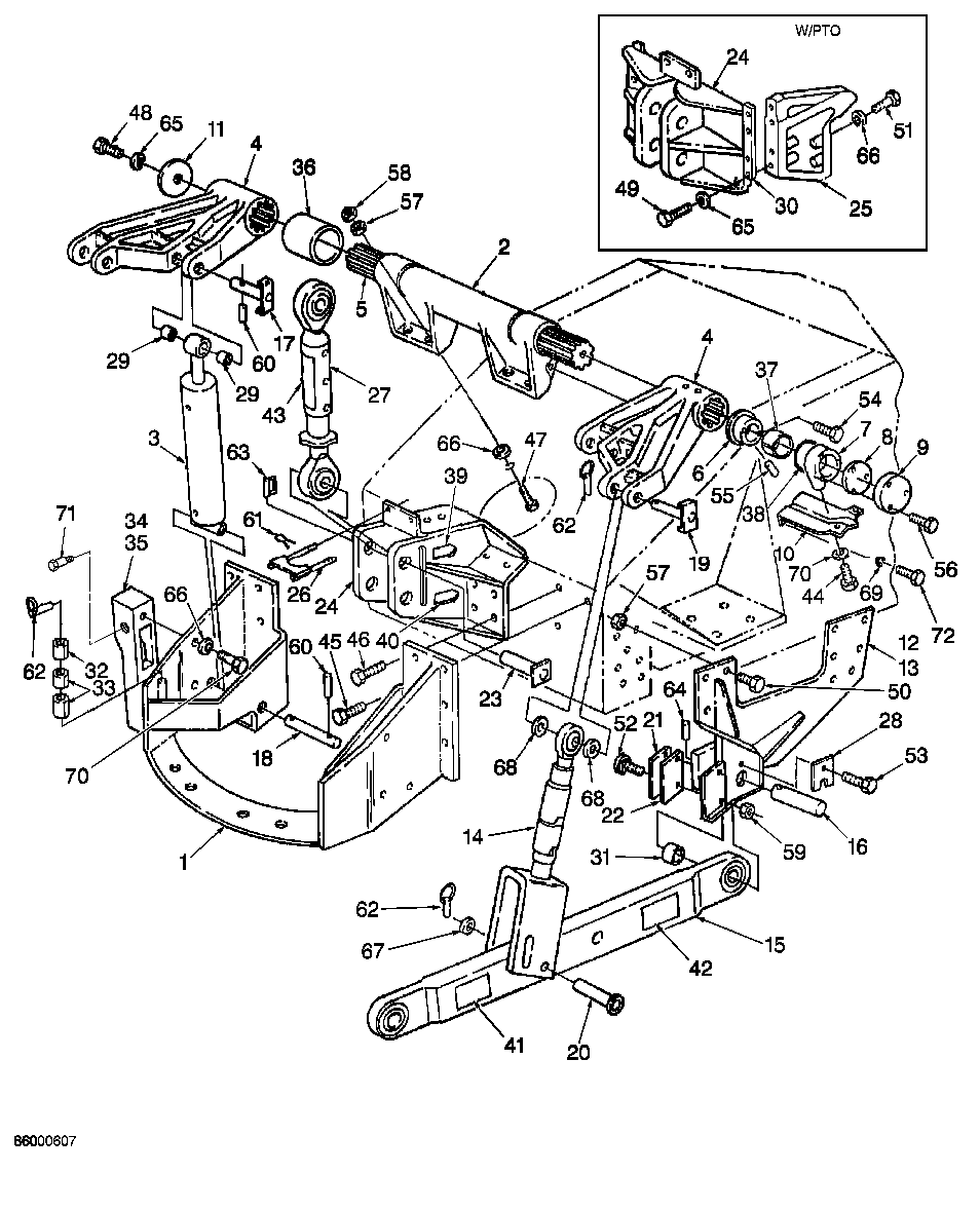
Ростсельмаш 2375 до 2018 года - Трехточечная навеска в сборе

Приводы LT.07.000
Приспособления и аксессуары LT.10.000
Колесные диски, одинарные и двойные 01A01
Тройные колесные диски только для усиленных мостов 01A02
Внутреннее колесо 01A03
Спаренные колеса 01A04
Установка грузов передних 01B01
Установка грузов задних 01B02
Установка грузов средних 01B03
Комплект очитски грязи 01C01
Трехточечная навеска в сборе 05C01
Гидрооборудование трехточечной навески 05C02
Подъемные рычаги 05F01
Комплект привода гидромотора сеялки 05H01
Комплект интенсивного потока 05K01
Комплект запуска двигателя в холодное время 09C02
Комплект инструмента со смазкой 09TLK01
Комплект сигнализации движения назад (автоматическая трансмиссия) 14BE10
Комплект сигнализации движения назад (механическая трансмиссия) 14BE20
Прицепное устройство с инструментальным ящиком 15F02
Прицепное устройство в сборе 15F03
Знак тихоходного транспортного средства 16A03
Быстрозахватное устройство 17A01
Аксессуары установки дилером 17B02
Комплект автоматического рулевого управления и сопутствующие изделия 9ASK01
Комплект усиленного прицепного устройства 9ATT13a
Комплект конвертации гидрооборудования с закрытым центром 9COK01
Комплекты установки дилером / 3-х точечные навески и ВОМ 9DIA00
Комплекты переднего и заднего блокируемого дифференциала 9DLK01
Фильтры и ремни QSM-11 (2335-2375) 9FBK09
Комплект захвата для скреперной машины 9HTS11
Комплект захвата для скреперной машины 9HTS12
Вилка прицепа 9ISS01
Комплект уменьшения потока 9KSV01
Комплект моторизованного управления потоком 9MFC01
Быстрозахватное устройство 4 категории 9QAH01
Радио 9RADIO
Комплект солнцезащитной шторки 9SBK01
Комплект буксировочного троса 9TLE10
Комплект монитора рабочих характеристик 9TPM01
Прицепное устройство LT.10.001

Поиск по деталям узла Детали узла

Сроки доставки и цены будут отображаться после авторизации

Цены и корзина будут доступны после авторизации

Поз. Код Чертежный номер Кол-во позиций Начало, дата Окончание, дата Наименование
1 86027889 100896112 86027889
Номер позиции: 1
Кол-во позиций: 1
Начало, дата: -
Окончание, дата: -
100896112
1
Для выбора подходящей к вашей технике детали введите в поиск код продукта или свяжитесь с дилером
КОРПУС - ТЯГА СЦЕПКИ СВАРНАЯ КОНСТРУКЦИЯ LII IVN
Корзина будет доступна
после авторизации
1 86000321 101576663 86000321
Номер позиции: 1
Кол-во позиций: 1
Начало, дата: -
Окончание, дата: -
101576663
1
Для выбора подходящей к вашей технике детали введите в поиск код продукта или свяжитесь с дилером
КОРПУС - ТЯГА СЦЕПКИ СВАРНАЯ КОНСТРУКЦИЯ КАТЕГОРИЯ 3w 4n
Корзина будет доступна
после авторизации
2 00069620 101576664 00069620
Номер позиции: 2
Кол-во позиций: 1
Начало, дата: -
Окончание, дата: -
101576664
1
Для выбора подходящей к вашей технике детали введите в поиск код продукта или свяжитесь с дилером
Корпус
Корзина будет доступна
после авторизации
2 86027912 102333365 86027912
Номер позиции: 2
Кол-во позиций: 1
Начало, дата: -
Окончание, дата: -
102333365
1
Для выбора подходящей к вашей технике детали введите в поиск код продукта или свяжитесь с дилером
Корпус вала
Корзина будет доступна
после авторизации
3 9703812 101575920 9703812
Номер позиции: 3
Кол-во позиций: 2
Начало, дата: -
Окончание, дата: -
101575920
2
Для выбора подходящей к вашей технике детали введите в поиск код продукта или свяжитесь с дилером
Цилиндр гидравлический, 3-х точечная навеска (красный)
Корзина будет доступна
после авторизации
3 86026564 101575921 86026564
Номер позиции: 3
Кол-во позиций: 2
Начало, дата: -
Окончание, дата: -
101575921
2
Для выбора подходящей к вашей технике детали введите в поиск код продукта или свяжитесь с дилером
Цилиндр гидравлический - 3-х точечная навеска (синий)
Корзина будет доступна
после авторизации
4 V55265 101576665 V55265
Номер позиции: 4
Кол-во позиций: 2
Начало, дата: -
Окончание, дата: -
101576665
2
Для выбора подходящей к вашей технике детали введите в поиск код продукта или свяжитесь с дилером
Привод нижней тяги
Корзина будет доступна
после авторизации
4 86027885 102334477 86027885
Номер позиции: 4
Кол-во позиций: 2
Начало, дата: -
Окончание, дата: -
102334477
2
Для выбора подходящей к вашей технике детали введите в поиск код продукта или свяжитесь с дилером
Рычаг
Корзина будет доступна
после авторизации
5 69619 102333352 69619
Номер позиции: 5
Кол-во позиций:
Начало, дата: -
Окончание, дата: -
102333352
Вал навески
Корзина будет доступна
после авторизации
6 86002559 102334478 86002559
Номер позиции: 6
Кол-во позиций: 1
Начало, дата: -
Окончание, дата: -
102334478
1 Ступица
Корзина будет доступна
после авторизации
7 86002567 101576666 86002567
Номер позиции: 7
Кол-во позиций: 1
Начало, дата: -
Окончание, дата: -
101576666
1 Корпус
Корзина будет доступна
после авторизации
8 86002560 102335849 86002560
Номер позиции: 8
Кол-во позиций: 1
Начало, дата: -
Окончание, дата: -
102335849
1 Диск
Корзина будет доступна
после авторизации
9 00066832 101576667 00066832
Номер позиции: 9
Кол-во позиций: 1
Начало, дата: -
Окончание, дата: -
101576667
1
Для выбора подходящей к вашей технике детали введите в поиск код продукта или свяжитесь с дилером
Заглушка торцевая
Корзина будет доступна
после авторизации
9 86027911 102334469 86027911
Номер позиции: 9
Кол-во позиций: 1
Начало, дата: -
Окончание, дата: -
102334469
1
Для выбора подходящей к вашей технике детали введите в поиск код продукта или свяжитесь с дилером
Заглушка торцевая
Корзина будет доступна
после авторизации
10 86002566 101576668 86002566
Номер позиции: 10
Кол-во позиций: 1
Начало, дата: -
Окончание, дата: -
101576668
1
Для выбора подходящей к вашей технике детали введите в поиск код продукта или свяжитесь с дилером
Кронштейн
Корзина будет доступна
после авторизации
10 86027915 102334472 86027915
Номер позиции: 10
Кол-во позиций: 1
Начало, дата: -
Окончание, дата: -
102334472
1
Для выбора подходящей к вашей технике детали введите в поиск код продукта или свяжитесь с дилером
Кронштейн
Корзина будет доступна
после авторизации
11 00018135 101576669 00018135
Номер позиции: 11
Кол-во позиций: 1
Начало, дата: -
Окончание, дата: -
101576669
1 ПЛАСТИНА - НАКОНЕЧНИК, ПОДЪЕМНЫЙ РЫЧАГ / ОСЬ БАЛАНСИРА В СБОРЕ
Корзина будет доступна
после авторизации
12 86027913 100896094 86027913
Номер позиции: 12
Кол-во позиций: 1
Начало, дата: -
Окончание, дата: -
100896094
1
Для выбора подходящей к вашей технике детали введите в поиск код продукта или свяжитесь с дилером
Кронштейн навески левый
Корзина будет доступна
после авторизации
12 00070091 101576670 00070091
Номер позиции: 12
Кол-во позиций: 1
Начало, дата: -
Окончание, дата: -
101576670
1
Для выбора подходящей к вашей технике детали введите в поиск код продукта или свяжитесь с дилером
Кронштейн навески левый
Корзина будет доступна
после авторизации
13 00070092 101576671 00070092
Номер позиции: 13
Кол-во позиций: 1
Начало, дата: -
Окончание, дата: -
101576671
1
Для выбора подходящей к вашей технике детали введите в поиск код продукта или свяжитесь с дилером
Кронштейн навески правый
Корзина будет доступна
после авторизации
13 86027914 102334474 86027914
Номер позиции: 13
Кол-во позиций: 1
Начало, дата: -
Окончание, дата: -
102334474
1
Для выбора подходящей к вашей технике детали введите в поиск код продукта или свяжитесь с дилером
Кронштейн навески правый
Корзина будет доступна
после авторизации
14 86027906 101574282 86027906
Номер позиции: 14
Кол-во позиций: 2
Начало, дата: -
Окончание, дата: -
101574282
2 ЗВЕНО - ПОДЪЕМНИК, 3PTH В СБОРЕ, L4WD (красный)
Корзина будет доступна
после авторизации
15 86027917 101574284 86027917
Номер позиции: 15
Кол-во позиций: 2
Начало, дата: -
Окончание, дата: -
101574284
2
Для выбора подходящей к вашей технике детали введите в поиск код продукта или свяжитесь с дилером
ЗВЕНО - НИЖНЕЕ, КАТЕГОРИЯ 4, КРАСНОЕ
Корзина будет доступна
после авторизации
15 86002569 101576673 86002569
Номер позиции: 15
Кол-во позиций: 2
Начало, дата: -
Окончание, дата: -
101576673
2
Для выбора подходящей к вашей технике детали введите в поиск код продукта или свяжитесь с дилером
ЗВЕНО - НИЖНЕЕ, КАТЕГОРИЯ 4, СИНЕЕ
Корзина будет доступна
после авторизации
15 86036000 102334479 86036000
Номер позиции: 15
Кол-во позиций: 2
Начало, дата: -
Окончание, дата: -
102334479
2
Для выбора подходящей к вашей технике детали введите в поиск код продукта или свяжитесь с дилером
Тяга GKN нижняя
Корзина будет доступна
после авторизации
16 55644 102334476 55644
Номер позиции: 16
Кол-во позиций: 2
Начало, дата: -
Окончание, дата: -
102334476
2 Палец
Корзина будет доступна
после авторизации
17 55640 101574287 55640
Номер позиции: 17
Кол-во позиций: 2
Начало, дата: -
Окончание, дата: -
101574287
2 ШТЫРЬ - СВАРНАЯ КОНСТРУКЦИЯ, ВЕРХНИЙ ГИДРОЦИЛИНДР
Корзина будет доступна
после авторизации
18 18171 102331599 18171
Номер позиции: 18
Кол-во позиций: 2
Начало, дата: -
Окончание, дата: -
102331599
2 ПАЛЕЦ
Корзина будет доступна
после авторизации
19 86002693 101574289 86002693
Номер позиции: 19
Кол-во позиций: 2
Начало, дата: -
Окончание, дата: -
101574289
2 ШТЫРЬ - СВАРНАЯ КОНСТРУКЦИЯ, ВЕРХНЕЕ ЗВЕНО ПОДЪЕМНИКА L4WD
Корзина будет доступна
после авторизации
20 55635 101574290 55635
Номер позиции: 20
Кол-во позиций: 2
Начало, дата: -
Окончание, дата: -
101574290
2
Для выбора подходящей к вашей технике детали введите в поиск код продукта или свяжитесь с дилером
ШТЫРЬ - СВАРНАЯ КОНСТРУКЦИЯ, НИЖНЕЕ ЗВЕНО ПОДЪЕМНИКА, 3РТН L4WD
Корзина будет доступна
после авторизации
20 86036855 102327477 86036855
Номер позиции: 20
Кол-во позиций: 2
Начало, дата: -
Окончание, дата: -
102327477
2
Для выбора подходящей к вашей технике детали введите в поиск код продукта или свяжитесь с дилером
Палец
Корзина будет доступна
после авторизации
21 86027888 101574292 86027888
Номер позиции: 21
Кол-во позиций: 6
Начало, дата: -
Окончание, дата: -
101574292
6
Для выбора подходящей к вашей технике детали введите в поиск код продукта или свяжитесь с дилером
Прокладка - 3-точечное Навесное Устройство (красная) 1/8"Толщина
Корзина будет доступна
после авторизации
21 00055507 101576674 00055507
Номер позиции: 21
Кол-во позиций: 6
Начало, дата: -
Окончание, дата: -
101576674
6
Для выбора подходящей к вашей технике детали введите в поиск код продукта или свяжитесь с дилером
ПРОКЛАДКА - 3РТ СЦЕПКА
Корзина будет доступна
после авторизации
22 86002564 100886216 86002564
Номер позиции: 22
Кол-во позиций: 6
Начало, дата: -
Окончание, дата: -
100886216
6
Для выбора подходящей к вашей технике детали введите в поиск код продукта или свяжитесь с дилером
Прокладка, 0.250
Корзина будет доступна
после авторизации
22 86027892 100896110 86027892
Номер позиции: 22
Кол-во позиций: 6
Начало, дата: -
Окончание, дата: -
100896110
6
Для выбора подходящей к вашей технике детали введите в поиск код продукта или свяжитесь с дилером
Прокладка, длина- 92.0мм Шир.- 152.0мм ТОЛЩИНА- 6.3мм (Трехточечное Навесное Устройство - 4WD)
Корзина будет доступна
после авторизации
23 00055637 101574293 00055637
Номер позиции: 23
Кол-во позиций: 1
Начало, дата: -
Окончание, дата: -
101574293
1 ШТЫРЬ - СВАРНАЯ КОНСТРУКЦИЯ, ВЕРХНЕЕ ЗВЕНО ПОДЪЕМНИКА
Корзина будет доступна
после авторизации
24 86027904 100896105 86027904
Номер позиции: 24
Кол-во позиций: 1
Начало, дата: -
Окончание, дата: -
100896105
1
Для выбора подходящей к вашей технике детали введите в поиск код продукта или свяжитесь с дилером
КРОНШТЕЙН - СВАРНАЯ КОНСТРУКЦИЯ (КРАСНЫЙ), ВЕРХНЕЕ ЗВЕНО, 3 МЕТАЛЛИЗИРОВАННЫХ МОНТАЖНЫХ ОТВЕРСТИЯ
Корзина будет доступна
после авторизации
24 00055488 101576675 00055488
Номер позиции: 24
Кол-во позиций: 1
Начало, дата: -
Окончание, дата: -
101576675
1
Для выбора подходящей к вашей технике детали введите в поиск код продукта или свяжитесь с дилером
ЗВЕНО - СВАРНАЯ КОНСТРУКЦИЯ, ВЕРХНЕЕ С МЕНЬШИМ ОТБОРОМ МОЩНОСТИ
Корзина будет доступна
после авторизации
24 00055505 101576676 00055505
Номер позиции: 24
Кол-во позиций: 1
Начало, дата: -
Окончание, дата: -
101576676
1
Для выбора подходящей к вашей технике детали введите в поиск код продукта или свяжитесь с дилером
КРОНШТЕЙН - СВАРНАЯ КОНСТРУКЦИЯ (СИНИЙ), ВЕРХНЕЕ ЗВЕНО, 3 МЕТАЛЛИЗИРОВАННЫХ МОНТАЖНЫХ ОТВЕРСТИЯ
Корзина будет доступна
после авторизации
24 86027886 102335756 86027886
Номер позиции: 24
Кол-во позиций: 1
Начало, дата: -
Окончание, дата: -
102335756
1
Для выбора подходящей к вашей технике детали введите в поиск код продукта или свяжитесь с дилером
Кронштейн верхний сварной в сборе
Корзина будет доступна
после авторизации
25 86011250 100886395 86011250
Номер позиции: 25
Кол-во позиций: 2
Начало, дата: -
Окончание, дата: -
100886395
2
Для выбора подходящей к вашей технике детали введите в поиск код продукта или свяжитесь с дилером
КРОНШТЕЙН - ВЕРХНЕЕ ЗВЕНО С КРЕПЛЕНИЕМ ОТБОРА МОЩНОСТИ (СИНЕЕ)
Корзина будет доступна
после авторизации
25 86027918 102190805 86027918
Номер позиции: 25
Кол-во позиций: 2
Начало, дата: -
Окончание, дата: -
102190805
2
Для выбора подходящей к вашей технике детали введите в поиск код продукта или свяжитесь с дилером
Кронштейн установочный 3-точечной сцепки
Корзина будет доступна
после авторизации
26 86002561 100886215 86002561
Номер позиции: 26
Кол-во позиций: 1
Начало, дата: -
Окончание, дата: -
100886215
1
Для выбора подходящей к вашей технике детали введите в поиск код продукта или свяжитесь с дилером
КРОНШТЕЙН В СБОРЕ, ВЕРХНЕЕ ЗВЕНО, 3-ХОДОВЫЙ ШАГ
Корзина будет доступна
после авторизации
26 86027891 101574295 86027891
Номер позиции: 26
Кол-во позиций: 1
Начало, дата: -
Окончание, дата: -
101574295
1
Для выбора подходящей к вашей технике детали введите в поиск код продукта или свяжитесь с дилером
КРОНШТЕЙН - СВАРНАЯ КОНСТРУКЦИЯ, ВЕРХНЕЕ ЗВЕНО (КРАСНОЕ)
Корзина будет доступна
после авторизации
27 86027905 100896100 86027905
Номер позиции: 27
Кол-во позиций: 1
Начало, дата: -
Окончание, дата: -
100896100
1
Для выбора подходящей к вашей технике детали введите в поиск код продукта или свяжитесь с дилером
ЗВЕНО - ВЕРХНЕЕ, КАТЕГОРИИ-4 (красное)
Корзина будет доступна
после авторизации
27 00055539 101576677 00055539
Номер позиции: 27
Кол-во позиций: 1
Начало, дата: -
Окончание, дата: -
101576677
1
Для выбора подходящей к вашей технике детали введите в поиск код продукта или свяжитесь с дилером
ЗВЕНО - ВЕРХНЕЕ В СБОРЕ, КАТЕГОРИЯ 4, СИНЕЕ
Корзина будет доступна
после авторизации
27 86035075 101576678 86035075
Номер позиции: 27
Кол-во позиций: 1
Начало, дата: -
Окончание, дата: -
101576678
1
Для выбора подходящей к вашей технике детали введите в поиск код продукта или свяжитесь с дилером
ЗВЕНО - ВЕРХНЕЕ, КАТЕГОРИИ-4 N (красное)
Корзина будет доступна
после авторизации
27 86035998 102331630 86035998
Номер позиции: 27
Кол-во позиций: 2
Начало, дата: -
Окончание, дата: -
102331630
2
Для выбора подходящей к вашей технике детали введите в поиск код продукта или свяжитесь с дилером
Тяга верхняя
Корзина будет доступна
после авторизации
28 86027887 101574296 86027887
Номер позиции: 28
Кол-во позиций: 2
Начало, дата: -
Окончание, дата: -
101574296
2
Для выбора подходящей к вашей технике детали введите в поиск код продукта или свяжитесь с дилером
ПЛАСТИНА - ШТЫРЬ НИЖНЕГО ЗВЕНА (ЧЕРНАЯ)
Корзина будет доступна
после авторизации
28 00055922 101576679 00055922
Номер позиции: 28
Кол-во позиций: 2
Начало, дата: -
Окончание, дата: -
101576679
2
Для выбора подходящей к вашей технике детали введите в поиск код продукта или свяжитесь с дилером
ПЛАСТИНА - ШТЫРЬ НИЖНЕГО ЗВЕНА (ГОЛУБАЯ)
Корзина будет доступна
после авторизации
29 00018173 101576680 00018173
Номер позиции: 29
Кол-во позиций: 4
Начало, дата: -
Окончание, дата: -
101576680
4
Для выбора подходящей к вашей технике детали введите в поиск код продукта или свяжитесь с дилером
Прокладка
Корзина будет доступна
после авторизации
29 86029613 102335204 86029613
Номер позиции: 29
Кол-во позиций: 4
Начало, дата: -
Окончание, дата: -
102335204
4
Для выбора подходящей к вашей технике детали введите в поиск код продукта или свяжитесь с дилером
ПРОКЛАДКА
Корзина будет доступна
после авторизации
30 86027890 101574298 86027890
Номер позиции: 30
Кол-во позиций: 2
Начало, дата: -
Окончание, дата: -
101574298
2
Для выбора подходящей к вашей технике детали введите в поиск код продукта или свяжитесь с дилером
ПРОКЛАДКА - КРОНШТЕЙН ВЕРХНЕГО ЗВЕНА
Корзина будет доступна
после авторизации
30 86022558 101576681 86022558
Номер позиции: 30
Кол-во позиций: 2
Начало, дата: -
Окончание, дата: -
101576681
2
Для выбора подходящей к вашей технике детали введите в поиск код продукта или свяжитесь с дилером
ПРОКЛАДКА - КРОНШТЕЙН ВЕРХНЕГО ЗВЕНА С ОТБОРОМ МОЩНОСТИ (СИНЯЯ)
Корзина будет доступна
после авторизации
31 00055661 101574299 00055661
Номер позиции: 31
Кол-во позиций: 2
Начало, дата: -
Окончание, дата: -
101574299
2 ВТУЛКА - НИЖНЕЕ ЗВЕНО 4-Й КАТЕГОРИИ
Корзина будет доступна
после авторизации
32 00056007 101574300 00056007
Номер позиции: 32
Кол-во позиций: 1
Начало, дата: -
Окончание, дата: -
101574300
1 ВТУЛКА - ВЕРХНЯЯ ТОЧКА СЦЕПКИ - 1,25Id x 1,77Od
Корзина будет доступна
после авторизации
33 86002556 101574301 86002556
Номер позиции: 33
Кол-во позиций: 2
Начало, дата: -
Окончание, дата: -
101574301
2 ВТУЛКА - НИЖНЯЯ ТОЧКА СЦЕПКИ
Корзина будет доступна
после авторизации
34 86027902 100896103 86027902
Номер позиции: 34
Кол-во позиций: 1
Начало, дата: -
Окончание, дата: -
100896103
1
Для выбора подходящей к вашей технике детали введите в поиск код продукта или свяжитесь с дилером
Ограничитель правый
Корзина будет доступна
после авторизации
34 00018160 101576682 00018160
Номер позиции: 34
Кол-во позиций: 1
Начало, дата: -
Окончание, дата: -
101576682
1
Для выбора подходящей к вашей технике детали введите в поиск код продукта или свяжитесь с дилером
Подшипник Качающейся Шайбы
Корзина будет доступна
после авторизации
35 00018161 101576683 00018161
Номер позиции: 35
Кол-во позиций: 1
Начало, дата: -
Окончание, дата: -
101576683
1
Для выбора подходящей к вашей технике детали введите в поиск код продукта или свяжитесь с дилером
КОСОЙ БЛОК, ЛЕВЫЙ, 3РТН В СБОРЕ, L4WD
Корзина будет доступна
после авторизации
35 86027903 102333375 86027903
Номер позиции: 35
Кол-во позиций: 1
Начало, дата: -
Окончание, дата: -
102333375
1
Для выбора подходящей к вашей технике детали введите в поиск код продукта или свяжитесь с дилером
БЛОК КАЧАНИЯ ЛЕВЫЙ
Корзина будет доступна
после авторизации
36 00018126 101574302 00018126
Номер позиции: 36
Кол-во позиций: 2
Начало, дата: -
Окончание, дата: -
101574302
2 ВТУЛКА - РУКАВ, БРОНЗА, ID-3.50"OD--4.00"
Корзина будет доступна
после авторизации
37 86002565 102333369 86002565
Номер позиции: 37
Кол-во позиций: 1
Начало, дата: -
Окончание, дата: -
102333369
1 Втулка 3,00х3,12х1,25
Корзина будет доступна
после авторизации
38 86012297 100899279 86012297
Номер позиции: 38
Кол-во позиций: 1
Начало, дата: -
Окончание, дата: -
100899279
1 КОЛЬЦО
Корзина будет доступна
после авторизации
39 00057212 101574304 00057212
Номер позиции: 39
Кол-во позиций: 1
Начало, дата: -
Окончание, дата: -
101574304
1 БИРКА, центральная тяга механизма навески C
Корзина будет доступна
после авторизации
40 00057213 101574305 00057213
Номер позиции: 40
Кол-во позиций: 1
Начало, дата: -
Окончание, дата: -
101574305
1 БИРКА, центральная тяга механизма навески C
Корзина будет доступна
после авторизации
41 00057214 101574306 00057214
Номер позиции: 41
Кол-во позиций: 2
Начало, дата: -
Окончание, дата: -
101574306
2 БИРКА, КАТЕГОРИИ 4N
Корзина будет доступна
после авторизации
42 00057215 101574307 00057215
Номер позиции: 42
Кол-во позиций: 2
Начало, дата: -
Окончание, дата: -
101574307
2 БИРКА, КАТЕГОРИИ 3W
Корзина будет доступна
после авторизации
43 00057216 101574308 00057216
Номер позиции: 43
Кол-во позиций: 1
Начало, дата: -
Окончание, дата: -
101574308
1 БИРКА, ПРИБОР AT
Корзина будет доступна
после авторизации
44 43139 102334462 43139
Номер позиции: 44
Кол-во позиций: 2
Начало, дата: -
Окончание, дата: -
102334462
2 Болт шестигранный M10x25 8.8PL
Корзина будет доступна
после авторизации
46 382101 102331576 382101
Номер позиции: 46
Кол-во позиций: 12
Начало, дата: -
Окончание, дата: -
102331576
12 Болт с шестигранной головкой - M20 x 2,5 x 80 мм, Cl-8.8 Pl
Корзина будет доступна
после авторизации
47 9846950 100909983 9846950
Номер позиции: 47
Кол-во позиций: 8
Начало, дата: -
Окончание, дата: -
100909983
8 Болт шестигранный М20х90 10.9PL
Корзина будет доступна
после авторизации
48 00280319 101574311 00280319
Номер позиции: 48
Кол-во позиций: 1
Начало, дата: -
Окончание, дата: -
101574311
1 Шестигранный Болт 0.62x1.25кл5 пл
Корзина будет доступна
после авторизации
49 87630 101576684 87630
Номер позиции: 49
Кол-во позиций: 8
Начало, дата: -
Окончание, дата: -
101576684
8 Винт, колпачковый
Корзина будет доступна
после авторизации
50 374890 102331574 374890
Номер позиции: 50
Кол-во позиций: 16
Начало, дата: -
Окончание, дата: -
102331574
16 Болт шестигранный M20x60 8.8PL
Корзина будет доступна
после авторизации
51 00088557 101573232 00088557
Номер позиции: 51
Кол-во позиций: 6
Начало, дата: -
Окончание, дата: -
101573232
6 Винт с шестигранной головкой - 3/4" x 2", Gr-5 Pl
Корзина будет доступна
после авторизации
52 00280744 101574313 00280744
Номер позиции: 52
Кол-во позиций: 4
Начало, дата: -
Окончание, дата: -
101574313
4 Болт, SQHD 0.38x2.50кл5 рл
Корзина будет доступна
после авторизации
53 30944 102334460 30944
Номер позиции: 53
Кол-во позиций: 2
Начало, дата: -
Окончание, дата: -
102334460
2 БОЛТ 1/2-13Х1.00 GR5 CLASS 2A GOLD
Корзина будет доступна
после авторизации
54 86512140 102334459 86512140
Номер позиции: 54
Кол-во позиций: 2
Начало, дата: -
Окончание, дата: -
102334459
2 Болт М10Х1,5Х50 12,9
Корзина будет доступна
после авторизации
55 09672410 101574316 09672410
Номер позиции: 55
Кол-во позиций: 1
Начало, дата: -
Окончание, дата: -
101574316
1 КОМПЛЕКТ - ВИНТ, ШЕСТИГРАННИК М4Х6
Корзина будет доступна
после авторизации
56 43650 102334463 43650
Номер позиции: 56
Кол-во позиций: 3
Начало, дата: -
Окончание, дата: -
102334463
3 Винт
Корзина будет доступна
после авторизации
60 87773 101576686 87773
Номер позиции: 60
Кол-во позиций: 6
Начало, дата: -
Окончание, дата: -
101576686
6 ШТЫРЬ, специальный 5/16x2 1/4
Корзина будет доступна
после авторизации
61 37851 101576688 37851
Номер позиции: 61
Кол-во позиций: 2
Начало, дата: -
Окончание, дата: -
101576688
2 Шплинт 2-3/4 L
Корзина будет доступна
после авторизации
62 00270184 101572534 00270184
Номер позиции: 62
Кол-во позиций: 5
Начало, дата: -
Окончание, дата: -
101572534
5 ШТЫРЬ- БЛОКИРВКА СО СТОПОРНЫМ КОЛЬЦОМ, Dia-1/4 x длина-3/4"Пл
Корзина будет доступна
после авторизации
63 283978 101576689 283978
Номер позиции: 63
Кол-во позиций: 1
Начало, дата: -
Окончание, дата: -
101576689
1 ШТЫРЬ - ЗАПОРНЫЙ
Корзина будет доступна
после авторизации
64 86512787 102334480 86512787
Номер позиции: 64
Кол-во позиций: 2
Начало, дата: -
Окончание, дата: -
102334480
2 Фиксатор 0,38х3,0 PL
Корзина будет доступна
после авторизации
65 44253 102331758 44253
Номер позиции: 65
Кол-во позиций: 1
Начало, дата: -
Окончание, дата: -
102331758
1 ШАЙБА С.16.01.08КП.016 ГОСТ 11371
Корзина будет доступна
после авторизации
67 12862 102334481 12862
Номер позиции: 67
Кол-во позиций: 2
Начало, дата: -
Окончание, дата: -
102334481
2 Шайба
Корзина будет доступна
после авторизации
69 00140028 101574324 00140028
Номер позиции: 69
Кол-во позиций: 6
Начало, дата: -
Окончание, дата: -
101574324
6 Стопорная Шайба M10 пл
Корзина будет доступна
после авторизации
70 88725 102334461 88725
Номер позиции: 70
Кол-во позиций: 4
Начало, дата: -
Окончание, дата: -
102334461
4 Болт шестигранный 0.75х1.75GR5 PL
Корзина будет доступна
после авторизации
71 70783 101574326 70783
Номер позиции: 71
Кол-во позиций: 2
Начало, дата: -
Окончание, дата: -
101574326
2 Винт, колпачковый, ШЕСТИГРАННАЯ ГОЛОВКА, CL 8.8, M10 x 1.5 x 22
Корзина будет доступна
после авторизации
72 86508097 102332478 86508097
Номер позиции: 72
Кол-во позиций: 2
Начало, дата: -
Окончание, дата: -
102332478
2 Винт с шестигранной головкой - M10 x 1,5 x 25 мм, Cl-12.9
Корзина будет доступна
после авторизации
Запрос на смену дилера
Сообщение для дилера
Заявка на ремонт