Поиск по деталям узла Детали узла
Сроки доставки и цены будут отображаться после авторизации
Цены и корзина будут доступны после авторизации
| Поз. | Код | Чертежный номер | Кол-во позиций | Начало, дата | Окончание, дата | Наименование | ||||
|---|---|---|---|---|---|---|---|---|---|---|
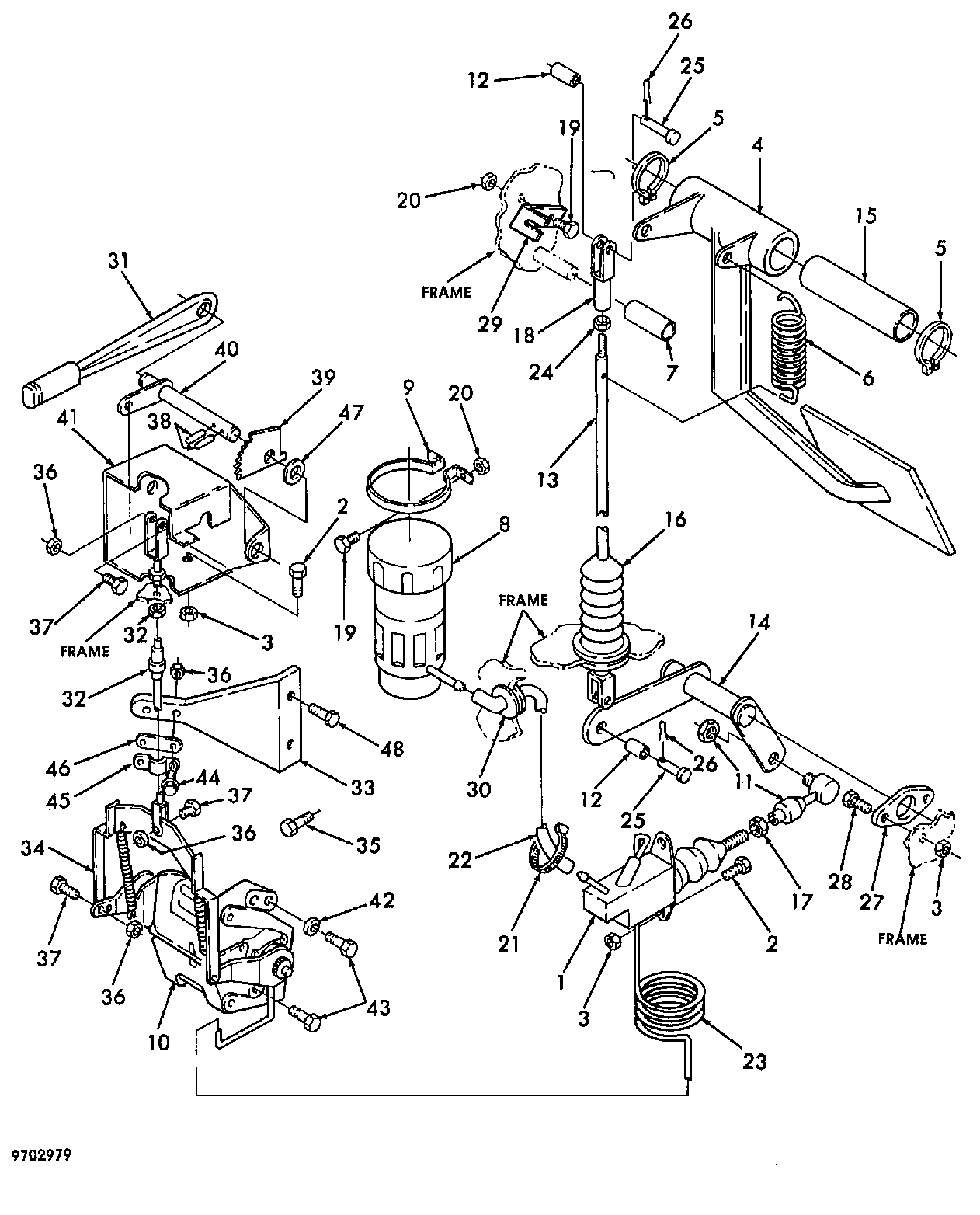
| 1 | 9704710 | 102333374 | 9704710 |
Номер позиции:
1
Кол-во позиций:
1
Начало, дата:
-
Окончание, дата:
-
102333374 |
1 | Цилиндр тормозной главный |
Корзина будет доступна
после авторизации |
|||
| 2 | 9840672 | 101235103 | 9840672 |
Номер позиции:
2
Кол-во позиций:
3
Начало, дата:
-
Окончание, дата:
-
101235103 |
3 | Винт с шестигранной головкой и фланцем - USR M10 x 1,5 x 30 |
Корзина будет доступна
после авторизации |
|||
| 3 | 00043435 | 101571078 | 00043435 |
Номер позиции:
3
Кол-во позиций:
7
Начало, дата:
-
Окончание, дата:
-
101571078 |
7 | ШЕСТИГРАННАЯ ГАЙКА, ФЛАНЦЕВАЯ M10 Usr Пл |
Корзина будет доступна
после авторизации |
|||
| 4 | 9706372 | 100888692 | 9706372 |
Номер позиции:
4
Кол-во позиций:
1
Начало, дата:
-
Окончание, дата:
-
100888692 |
1 | Педаль тормоза |
Корзина будет доступна
после авторизации |
|||
| 5 | 25121 | 102332931 | 25121 |
Номер позиции:
5
Кол-во позиций:
2
Начало, дата:
-
Окончание, дата:
-
102332931 |
2 | Кольцо стопорное D-1" |
Корзина будет доступна
после авторизации |
|||
| 6 | 9790661 | 101576177 | 9790661 |
Номер позиции:
6
Кол-во позиций:
1
Начало, дата:
-
Окончание, дата:
-
101576177 |
1 | Пружина - D-1,25 x 4,92", педаль сцепления/тормоза |
Корзина будет доступна
после авторизации |
|||
| 7 | 09703405 | 101565590 | 09703405 |
Номер позиции:
7
Кол-во позиций:
1
Начало, дата:
-
Окончание, дата:
-
101565590 |
1 | STOP - Rubber Sleeve, CLUTCH / BRAKE PEDAL |
Корзина будет доступна
после авторизации |
|||
| 8 | 9704613 | 102327640 | 9704613 |
Номер позиции:
8
Кол-во позиций:
1
Начало, дата:
-
Окончание, дата:
-
102327640 |
1 | Бачок с тормозной жидкостью |
Корзина будет доступна
после авторизации |
|||
| 9 | 09706150 | 101576179 | 09706150 |
Номер позиции:
9
Кол-во позиций:
1
Начало, дата:
-
Окончание, дата:
-
101576179 |
1 | Кронштейн крепления бачка |
Корзина будет доступна
после авторизации |
|||
| 10 | 9705927 | 102331755 | 9705927 |
Номер позиции:
10
Кол-во позиций:
1
Начало, дата:
-
Окончание, дата:
-
102331755 |
1 | Суппорт тормозной в сборе (дисковый 0,075") |
Корзина будет доступна
после авторизации |
|||
| 11 | 86011737 | 102327476 | 86011737 |
Номер позиции:
11
Кол-во позиций:
1
Начало, дата:
-
Окончание, дата:
-
102327476 |
1 | Наконечник тяги, 90° - шпилька 3/8"-24 UNF (рычажный механизм) |
Корзина будет доступна
после авторизации |
|||
| 12 | 00014841 | 101575156 | 00014841 |
Номер позиции:
12
Кол-во позиций:
4
Начало, дата:
-
Окончание, дата:
-
101575156 |
4 | Втулка фланцевая ID-0.509" (нейлон) |
Корзина будет доступна
после авторизации |
|||
| 13 | 09706258 | 101576182 | 09706258 |
Номер позиции:
13
Кол-во позиций:
1
Начало, дата:
-
Окончание, дата:
-
101576182 |
1 | Тяга рычага тормозной педали |
Корзина будет доступна
после авторизации |
|||
| 14 | 09706260 | 101576183 | 09706260 |
Номер позиции:
14
Кол-во позиций:
1
Начало, дата:
-
Окончание, дата:
-
101576183 |
1 | Рычаг тормозной системы |
Корзина будет доступна
после авторизации |
|||
| 15 | 00515308 | 101565597 | 00515308 |
Номер позиции:
15
Кол-во позиций:
2
Начало, дата:
-
Окончание, дата:
-
101565597 |
2 | Втулка - 1,003" x 1,128" x 1" (бронзовая) |
Корзина будет доступна
после авторизации |
|||
| 16 | 09706251 | 101576184 | 09706251 |
Номер позиции:
16
Кол-во позиций:
1
Начало, дата:
-
Окончание, дата:
-
101576184 |
1 | Чехол |
Корзина будет доступна
после авторизации |
|||
| 17 | 87308 | 101576185 | 87308 |
Номер позиции:
17
Кол-во позиций:
1
Начало, дата:
-
Окончание, дата:
-
101576185 |
1 | Гайка шестигранная контргайка - 3/8" UNF, Gr-2 Pl |
Корзина будет доступна
после авторизации |
|||
| 18 | 00020453 | 101576186 | 00020453 |
Номер позиции:
18
Кол-во позиций:
1
Начало, дата:
-
Окончание, дата:
-
101576186 |
1 | Вилка тяги тормозной системы - 1/2"-20 UNC |
Корзина будет доступна
после авторизации |
|||
| 19 | 86511477 | 102333557 | 86511477 |
Номер позиции:
19
Кол-во позиций:
4
Начало, дата:
-
Окончание, дата:
-
102333557 |
4 | Винт с шестигранной головкой и фланцем - USR M5 x 16 мм, Pl |
Корзина будет доступна
после авторизации |
|||
| 20 | 00043416 | 101571444 | 00043416 |
Номер позиции:
20
Кол-во позиций:
4
Начало, дата:
-
Окончание, дата:
-
101571444 |
4 | Гайка шестигранная фланцевая - USR M5, Pl |
Корзина будет доступна
после авторизации |
|||
| 21 | 00244358 | 101576187 | 00244358 |
Номер позиции:
21
Кол-во позиций:
2
Начало, дата:
-
Окончание, дата:
-
101576187 |
2 | Зажим - D-0,44"-0,78" |
Корзина будет доступна
после авторизации |
|||
| 22 | 9706262 | 102333562 | 9706262 |
Номер позиции:
22
Кол-во позиций:
1
Начало, дата:
-
Окончание, дата:
-
102333562 |
1 | Рукав гидравлический - ID-6,3 х 546 мм |
Корзина будет доступна
после авторизации |
|||
| 23 | 9706263 | 102333808 | 9706263 |
Номер позиции:
23
Кол-во позиций:
1
Начало, дата:
-
Окончание, дата:
-
102333808 |
1 | Трубка тормозная |
Корзина будет доступна
после авторизации |
|||
| 24 | 00087309 | 101576190 | 00087309 |
Номер позиции:
24
Кол-во позиций:
1
Начало, дата:
-
Окончание, дата:
-
101576190 |
1 | Контргайка - 1/2" UNF, Gr-2 Pl |
Корзина будет доступна
после авторизации |
|||
| 25 | 00020446 | 101576191 | 00020446 |
Номер позиции:
25
Кол-во позиций:
2
Начало, дата:
-
Окончание, дата:
-
101576191 |
2 | ШТЫРЬ - СКОБА, ДИАМЕТР 0,50", ДЛИНА 1,4219" |
Корзина будет доступна
после авторизации |
|||
| 26 | 00130004 | 101571094 | 00130004 |
Номер позиции:
26
Кол-во позиций:
2
Начало, дата:
-
Окончание, дата:
-
101571094 |
2 | Шплинт, 3.2 x 25мм Pl |
Корзина будет доступна
после авторизации |
|||
| 27 | 00075121 | 101576192 | 00075121 |
Номер позиции:
27
Кол-во позиций:
2
Начало, дата:
-
Окончание, дата:
-
101576192 |
2 | Узел подшипниковый - ID-7/8" |
Корзина будет доступна
после авторизации |
|||
| 28 | 274249 | 102331816 | 274249 |
Номер позиции:
28
Кол-во позиций:
4
Начало, дата:
-
Окончание, дата:
-
102331816 |
4 | Винт с шестигранной головкой и фланцем - USR M10 x 1,5 x 20 мм, Pl |
Корзина будет доступна
после авторизации |
|||
| 29 | 09706898 | 101576193 | 09706898 |
Номер позиции:
29
Кол-во позиций:
1
Начало, дата:
-
Окончание, дата:
-
101576193 |
1 | Кронштейн крепления выключателя тормоза (сталь) |
Корзина будет доступна
после авторизации |
|||
| 30 | 00033491 | 101576194 | 00033491 |
Номер позиции:
30
Кол-во позиций:
1
Начало, дата:
-
Окончание, дата:
-
101576194 |
1 | Втулка - 5/8" x 1/4" x 3/16" (резиновая) |
Корзина будет доступна
после авторизации |
|||
| 31 | 86030463 | 100898491 | 86030463 |
Номер позиции:
31
Кол-во позиций:
1
Начало, дата:
-
Окончание, дата:
-
100898491 |
1 |
Для выбора подходящей к вашей технике детали введите в поиск код продукта или свяжитесь с дилером
|
Корзина будет доступна
после авторизации |
|||
| 31 | 86021838 | 102332781 | 86021838 |
Номер позиции:
31
Кол-во позиций:
1
Начало, дата:
-
Окончание, дата:
-
102332781 |
1 |
Для выбора подходящей к вашей технике детали введите в поиск код продукта или свяжитесь с дилером
|
Корзина будет доступна
после авторизации |
|||
| 32 | 9704828 | 102332780 | 9704828 |
Номер позиции:
32
Кол-во позиций:
1
Начало, дата:
-
Окончание, дата:
-
102332780 |
1 | Кабель управления стояночным тормозом в сборе |
Корзина будет доступна
после авторизации |
|||
| 33 | 86002348 | 101576195 | 86002348 |
Номер позиции:
33
Кол-во позиций:
1
Начало, дата:
-
Окончание, дата:
-
101576195 |
1 |
Для выбора подходящей к вашей технике детали введите в поиск код продукта или свяжитесь с дилером
|
Корзина будет доступна
после авторизации |
|||
| 33 | 86002420 | 101576196 | 86002420 |
Номер позиции:
33
Кол-во позиций:
1
Начало, дата:
-
Окончание, дата:
-
101576196 |
1 |
Для выбора подходящей к вашей технике детали введите в поиск код продукта или свяжитесь с дилером
|
Корзина будет доступна
после авторизации |
|||
| 34 | 86027817 | 101571870 | 86027817 |
Номер позиции:
34
Кол-во позиций:
1
Начало, дата:
-
Окончание, дата:
-
101571870 |
1 | Кронштейн для соединителя тормозного троса (красный) |
Корзина будет доступна
после авторизации |
|||
| 35 | 86505259 | 101576197 | 86505259 |
Номер позиции:
35
Кол-во позиций:
2
Начало, дата:
-
Окончание, дата:
-
101576197 |
2 | Винт с шестигранной головкой - M12 x 70 мм, Cl-10.9 Pl |
Корзина будет доступна
после авторизации |
|||
| 36 | 9670023 | 102331748 | 9670023 |
Номер позиции:
36
Кол-во позиций:
6
Начало, дата:
-
Окончание, дата:
-
102331748 |
6 | Гайка шестигранная стопорная - M8, Cl-8.8 Pl (нейлоновая вставка) |
Корзина будет доступна
после авторизации |
|||
| 37 | 9671714 | 102331573 | 9671714 |
Номер позиции:
37
Кол-во позиций:
4
Начало, дата:
-
Окончание, дата:
-
102331573 |
4 | Винт с шестигранной головкой и фланцем - M8 x 1,25 x 25 мм, Cl-10.9 |
Корзина будет доступна
после авторизации |
|||
| 38 | 09511051 | 101576198 | 09511051 |
Номер позиции:
38
Кол-во позиций:
2
Начало, дата:
-
Окончание, дата:
-
101576198 |
2 | Штифт пружинный - D-6 х 30 мм |
Корзина будет доступна
после авторизации |
|||
| 39 | 86502785 | 100902269 | 86502785 |
Номер позиции:
39
Кол-во позиций:
1
Начало, дата:
-
Окончание, дата:
-
100902269 |
1 | Сектор зубчатый |
Корзина будет доступна
после авторизации |
|||
| 40 | 86000769 | 101576199 | 86000769 |
Номер позиции:
40
Кол-во позиций:
1
Начало, дата:
-
Окончание, дата:
-
101576199 |
1 | Рычаг стояночного тормоза |
Корзина будет доступна
после авторизации |
|||
| 41 | 86000763 | 101576200 | 86000763 |
Номер позиции:
41
Кол-во позиций:
1
Начало, дата:
-
Окончание, дата:
-
101576200 |
1 | Кронштейн крепления стояночного тормоза (L4WD) |
Корзина будет доступна
после авторизации |
|||
| 42 | 44253 | 102331758 | 44253 |
Номер позиции:
42
Кол-во позиций:
2
Начало, дата:
-
Окончание, дата:
-
102331758 |
2 | Шайба С.16.01.08КП.016 ГОСТ 11371 |
Корзина будет доступна
после авторизации |
|||
| 43 | 9627896 | 102331353 | 9627896 |
Номер позиции:
43
Кол-во позиций:
4
Начало, дата:
-
Окончание, дата:
-
102331353 |
4 | Винт с шестигранной головкой - 5/8" x 1-3/4", Gr-5 Pl |
Корзина будет доступна
после авторизации |
|||
| 44 | 86511842 | 101572289 | 86511842 |
Номер позиции:
44
Кол-во позиций:
2
Начало, дата:
-
Окончание, дата:
-
101572289 |
2 | Винт с шестигранной головкой и фланцем - M8 x 1,25 x 40 мм, Cl-8.8 Pl |
Корзина будет доступна
после авторизации |
|||
| 46 | 86000002 | 102333807 | 86000002 |
Номер позиции:
46
Кол-во позиций:
1
Начало, дата:
-
Окончание, дата:
-
102333807 |
1 | Пластина связующая |
Корзина будет доступна
после авторизации |
|||
| 47 | 00277604 | 101576201 | 00277604 |
Номер позиции:
47
Кол-во позиций:
1
Начало, дата:
-
Окончание, дата:
-
101576201 |
1 | Шайба - Плоская Стальная |
Корзина будет доступна
после авторизации |
|||
| 48 | 09804272 | 101571097 | 09804272 |
Номер позиции:
48
Кол-во позиций:
2
Начало, дата:
-
Окончание, дата:
-
101571097 |
2 | Винт с шестигранной головкой и фланцем, M16 x 50 Cl-8.8 Pl |
Корзина будет доступна
после авторизации |