Список узлов

Ростсельмаш 2375 до 2018 года

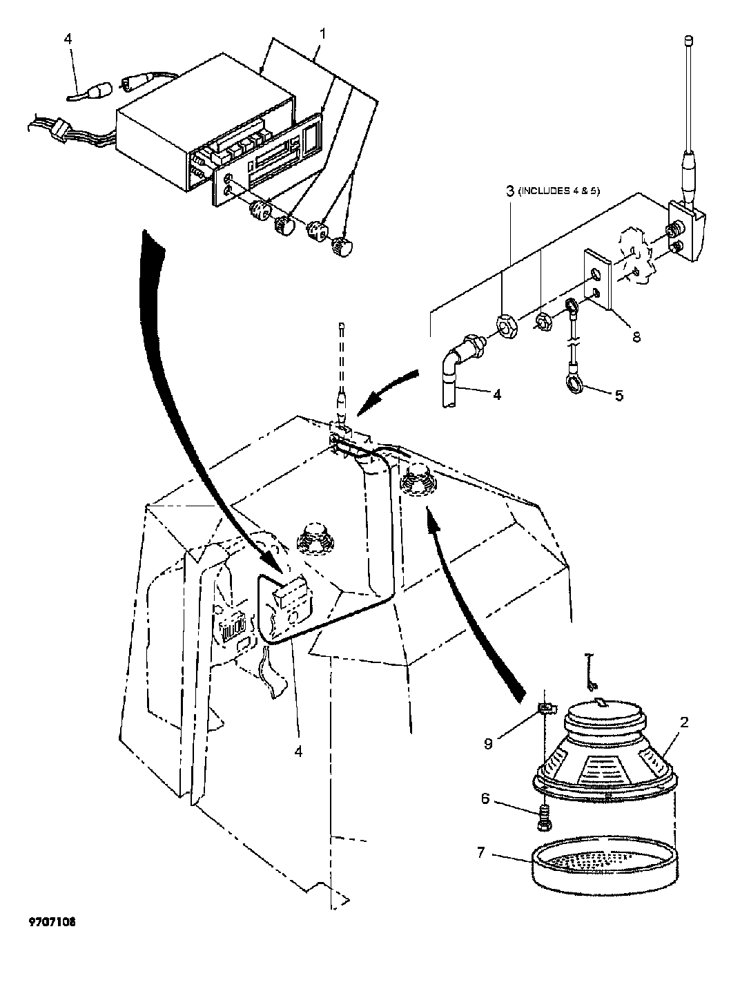
Ростсельмаш 2375 до 2018 года - Радио и громкоговорители

Приводы LT.07.000
Приспособления и аксессуары LT.10.000

Поиск по деталям узла Детали узла

Сроки доставки и цены будут отображаться после авторизации

Цены и корзина будут доступны после авторизации

Поз. Код Чертежный номер Кол-во позиций Начало, дата Окончание, дата Наименование
1 86023025 101571335 86023025
Номер позиции: 1
Кол-во позиций: 1
Начало, дата: -
Окончание, дата: -
101571335
1
Для выбора подходящей к вашей технике детали введите в поиск код продукта или свяжитесь с дилером
РАДИО - ЛЮКС AM/FM, КАССЕТА L4WD Genesis
Корзина будет доступна
после авторизации
1 86023026 101571338 86023026
Номер позиции: 1
Кол-во позиций: 1
Начало, дата: -
Окончание, дата: -
101571338
1
Для выбора подходящей к вашей технике детали введите в поиск код продукта или свяжитесь с дилером
РАДИО - ЛЮКС AM/FM, CD L4WD Genesis
Корзина будет доступна
после авторизации
1 86023024 101571339 86023024
Номер позиции: 1
Кол-во позиций: 1
Начало, дата: -
Окончание, дата: -
101571339
1
Для выбора подходящей к вашей технике детали введите в поиск код продукта или свяжитесь с дилером
РАДИО - AM/FM, КАССЕТА L4WD GENESIS
Корзина будет доступна
после авторизации
2 86505909 102332144 86505909
Номер позиции: 2
Кол-во позиций: 2
Начало, дата: -
Окончание, дата: -
102332144
2 Громкоговоритель
Корзина будет доступна
после авторизации
3 86015802 102332981 86015802
Номер позиции: 3
Кол-во позиций: 1
Начало, дата: -
Окончание, дата: -
102332981
1 Набор проводов антены и крепления
Корзина будет доступна
после авторизации
4 86015977 101576464 86015977
Номер позиции: 4
Кол-во позиций: 1
Начало, дата: -
Окончание, дата: -
101576464
1 КАБЕЛЬ - РАДИО АНТЕННА, ДЛИНА 132,2 ДЮЙМА х 90град. L4WD
Корзина будет доступна
после авторизации
5 86015978 101576465 86015978
Номер позиции: 5
Кол-во позиций: 1
Начало, дата: -
Окончание, дата: -
101576465
1 СКОБА, Заземление
Корзина будет доступна
после авторизации
6 86511331 102332141 86511331
Номер позиции: 6
Кол-во позиций: 6
Начало, дата: -
Окончание, дата: -
102332141
6 Винт самонарезной 8 18x3/4
Корзина будет доступна
после авторизации
7 86000998 101576466 86000998
Номер позиции: 7
Кол-во позиций: 2
Начало, дата: -
Окончание, дата: -
101576466
2 Решетка динамика
Корзина будет доступна
после авторизации
8 86015979 102335874 86015979
Номер позиции: 8
Кол-во позиций: 1
Начало, дата: -
Окончание, дата: -
102335874
1 Планка крепления антенны
Корзина будет доступна
после авторизации
9 62473 102332143 62473
Номер позиции: 9
Кол-во позиций: 6
Начало, дата: -
Окончание, дата: -
102332143
6 Гайка специальная J-типа
Корзина будет доступна
после авторизации
Запрос на смену дилера
Сообщение для дилера
Заявка на ремонт