Поиск по деталям узла Детали узла
Сроки доставки и цены будут отображаться после авторизации
Цены и корзина будут доступны после авторизации
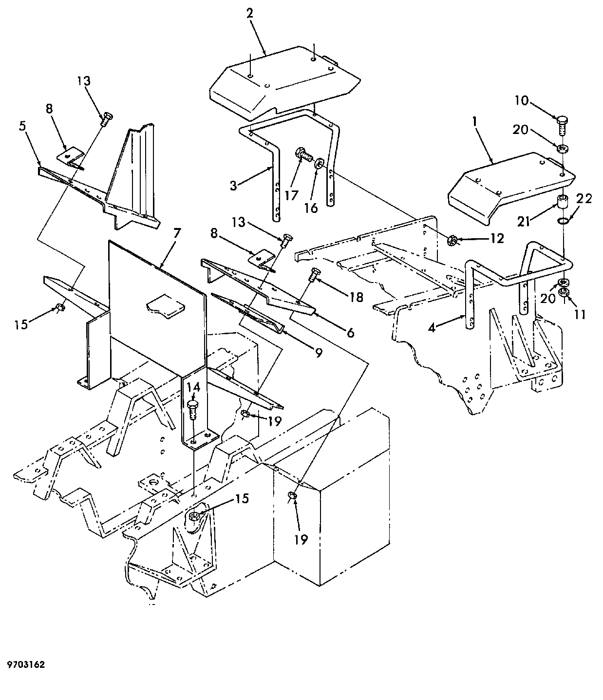
| Поз. | Код | Чертежный номер | Кол-во позиций | Начало, дата | Окончание, дата | Наименование | ||||
|---|---|---|---|---|---|---|---|---|---|---|
| 1 | 86027801 | 101575296 | 86027801 |
Номер позиции:
1
Кол-во позиций:
1
Начало, дата:
-
Окончание, дата:
-
101575296 |
1 | КРЫЛО - ПОЛИЭСТЕР / СТЕКЛО, ЗАДНЕЕ ЛЕВОЕ (КРАСНОЕ) L4WD |
Корзина будет доступна
после авторизации |
|||
| 2 | 86027802 | 102332491 | 86027802 |
Номер позиции:
2
Кол-во позиций:
1
Начало, дата:
-
Окончание, дата:
-
102332491 |
1 | Крыло правое заднее |
Корзина будет доступна
после авторизации |
|||
| 3 | 86027931 | 101571221 | 86027931 |
Номер позиции:
3
Кол-во позиций:
1
Начало, дата:
-
Окончание, дата:
-
101571221 |
1 | Опора-Задний Капот Литая В СБОРЕ (Переделанная), QSM-11 двигатель L4WD |
Корзина будет доступна
после авторизации |
|||
| 4 | 86027930 | 101571222 | 86027930 |
Номер позиции:
4
Кол-во позиций:
1
Начало, дата:
-
Окончание, дата:
-
101571222 |
1 | ОПОРА - СТАЛЬНАЯ ТРУБА, ЗАДНЕЕ КРЫЛО, ЛЕВАЯ (КРАСНАЯ) |
Корзина будет доступна
после авторизации |
|||
| 5 | 86035134 | 100903081 | 86035134 |
Номер позиции:
5
Кол-во позиций:
1
Начало, дата:
-
Окончание, дата:
-
100903081 |
1 |
Для выбора подходящей к вашей технике детали введите в поиск код продукта или свяжитесь с дилером
|
Корзина будет доступна
после авторизации |
|||
| 5 | 86030106 | 101575298 | 86030106 |
Номер позиции:
5
Кол-во позиций:
1
Начало, дата:
-
Окончание, дата:
-
101575298 |
1 |
Для выбора подходящей к вашей технике детали введите в поиск код продукта или свяжитесь с дилером
|
Корзина будет доступна
после авторизации |
|||
| 5 | 86035134R | 102251812 | 86035134R |
Номер позиции:
5
Кол-во позиций:
1
Начало, дата:
-
Окончание, дата:
-
102251812 |
1 |
Для выбора подходящей к вашей технике детали введите в поиск код продукта или свяжитесь с дилером
|
Корзина будет доступна
после авторизации |
|||
| 6 | 9704084 | 102336436 | 9704084 |
Номер позиции:
6
Кол-во позиций:
1
Начало, дата:
-
Окончание, дата:
-
102336436 |
1 | Крыло переднее левое |
Корзина будет доступна
после авторизации |
|||
| 7 | 86030127 | 100898662 | 86030127 |
Номер позиции:
7
Кол-во позиций:
1
Начало, дата:
-
Окончание, дата:
-
100898662 |
1 |
Для выбора подходящей к вашей технике детали введите в поиск код продукта или свяжитесь с дилером
|
Корзина будет доступна
после авторизации |
|||
| 7 | 86033533 | 100903648 | 86033533 |
Номер позиции:
7
Кол-во позиций:
1
Начало, дата:
-
Окончание, дата:
-
100903648 |
1 |
Для выбора подходящей к вашей технике детали введите в поиск код продукта или свяжитесь с дилером
|
Корзина будет доступна
после авторизации |
|||
| 7 | 86032948 | 100903970 | 86032948 |
Номер позиции:
7
Кол-во позиций:
1
Начало, дата:
-
Окончание, дата:
-
100903970 |
1 |
Для выбора подходящей к вашей технике детали введите в поиск код продукта или свяжитесь с дилером
|
Корзина будет доступна
после авторизации |
|||
| 8 | 09707659 | 101575300 | 09707659 |
Номер позиции:
8
Кол-во позиций:
2
Начало, дата:
-
Окончание, дата:
-
101575300 |
2 | Уголок, кронштейн для фонаря |
Корзина будет доступна
после авторизации |
|||
| 9 | 86000286 | 101575301 | 86000286 |
Номер позиции:
9
Кол-во позиций:
2
Начало, дата:
-
Окончание, дата:
-
101575301 |
2 | ЗАЩИТНАЯ КРЫШКА - ПРОВОДКА РАБОЧИХ ОГНЕЙ, ПЕРЕДНИЕ КРЫЛЬЯ |
Корзина будет доступна
после авторизации |
|||
| 10 | 00120074 | 101573088 | 00120074 |
Номер позиции:
10
Кол-во позиций:
8
Начало, дата:
-
Окончание, дата:
-
101573088 |
8 | КОЛПАЧКОВЫЙ ВИНТ- ШЕСТИГРАННИК M10 x 1.50 x 90 Cl-8.8 Пл |
Корзина будет доступна
после авторизации |
|||
| 11 | 00412141 | 101571294 | 00412141 |
Номер позиции:
11
Кол-во позиций:
8
Начало, дата:
-
Окончание, дата:
-
101571294 |
8 | ГАЙКА - СТОПОРНАЯ, НЕЙЛОН M10 Cl-8 Пл |
Корзина будет доступна
после авторизации |
|||
| 12 | 86012007 | 100899444 | 86012007 |
Номер позиции:
12
Кол-во позиций:
8
Начало, дата:
-
Окончание, дата:
-
100899444 |
8 | не переведено |
Корзина будет доступна
после авторизации |
|||
| 13 | 00043776 | 101571196 | 00043776 |
Номер позиции:
13
Кол-во позиций:
8
Начало, дата:
-
Окончание, дата:
-
101571196 |
8 | КОЛПАЧКОВЫЙ ВИНТ- ФЛАНЦЕВЫЙ ШЕСТИГРАННИК, Cl-8.8 M12 x 1.75 x 30 Пл |
Корзина будет доступна
после авторизации |
|||
| 14 | 09804268 | 101572236 | 09804268 |
Номер позиции:
14
Кол-во позиций:
4
Начало, дата:
-
Окончание, дата:
-
101572236 |
4 | КОЛПАЧКОВЫЙ ВИНТ- ФЛАНЦЕВЫЙ ШЕСТИГРАННИК, M12 x 40мм Cl-8.8 Пл |
Корзина будет доступна
после авторизации |
|||
| 15 | 00043436 | 101571087 | 00043436 |
Номер позиции:
15
Кол-во позиций:
12
Начало, дата:
-
Окончание, дата:
-
101571087 |
12 | ШЕСТИГРАННАЯ ГАЙКА, ФЛАНЦЕВАЯ M12 Usr Пл |
Корзина будет доступна
после авторизации |
|||
| 16 | 00087365 | 101571220 | 00087365 |
Номер позиции:
16
Кол-во позиций:
8
Начало, дата:
-
Окончание, дата:
-
101571220 |
8 | Шайба, 5/8 Внут.Д 1.31Внеш.Д 0.095"ТОЛЩИНА |
Корзина будет доступна
после авторизации |
|||
| 17 | 86511847 | 101573484 | 86511847 |
Номер позиции:
17
Кол-во позиций:
8
Начало, дата:
-
Окончание, дата:
-
101573484 |
8 | КОЛПАЧКОВЫЙ ВИНТ- ФЛАНЦЕВЫЙ ШЕСТИГРАННИК, M16 x 2 x 90 Cl-8.8 Пл |
Корзина будет доступна
после авторизации |
|||
| 18 | 09804271 | 101571209 | 09804271 |
Номер позиции:
18
Кол-во позиций:
4
Начало, дата:
-
Окончание, дата:
-
101571209 |
4 | КОЛПАЧКОВЫЙ ВИНТ- ФЛАНЦЕВЫЙ ШЕСТИГРАННИК, M16 x 2.00 x 40 Cl-8.8 |
Корзина будет доступна
после авторизации |
|||
| 19 | 86512498 | 101571096 | 86512498 |
Номер позиции:
19
Кол-во позиций:
4
Начало, дата:
-
Окончание, дата:
-
101571096 |
4 | ШЕСТИГРАННАЯ ГАЙКА, ФЛАНЦЕВАЯ M16 КЛАСС-10 Пл |
Корзина будет доступна
после авторизации |
|||
| 20 | 86505938 | 102332877 | 86505938 |
Номер позиции:
20
Кол-во позиций:
16
Начало, дата:
-
Окончание, дата:
-
102332877 |
16 | ШАЙБА |
Корзина будет доступна
после авторизации |
|||
| 21 | 86000534 | 101573482 | 86000534 |
Номер позиции:
21
Кол-во позиций:
8
Начало, дата:
-
Окончание, дата:
-
101573482 |
8 | ПРОКЛАДКА - ДЛИНА 15ММ |
Корзина будет доступна
после авторизации |
|||
| 22 | 86511084 | 102332872 | 86511084 |
Номер позиции:
22
Кол-во позиций:
8
Начало, дата:
-
Окончание, дата:
-
102332872 |
8 | Кольцо 3/8 |
Корзина будет доступна
после авторизации |