Список узлов

Косилка самоходная универсальная КСУ-2

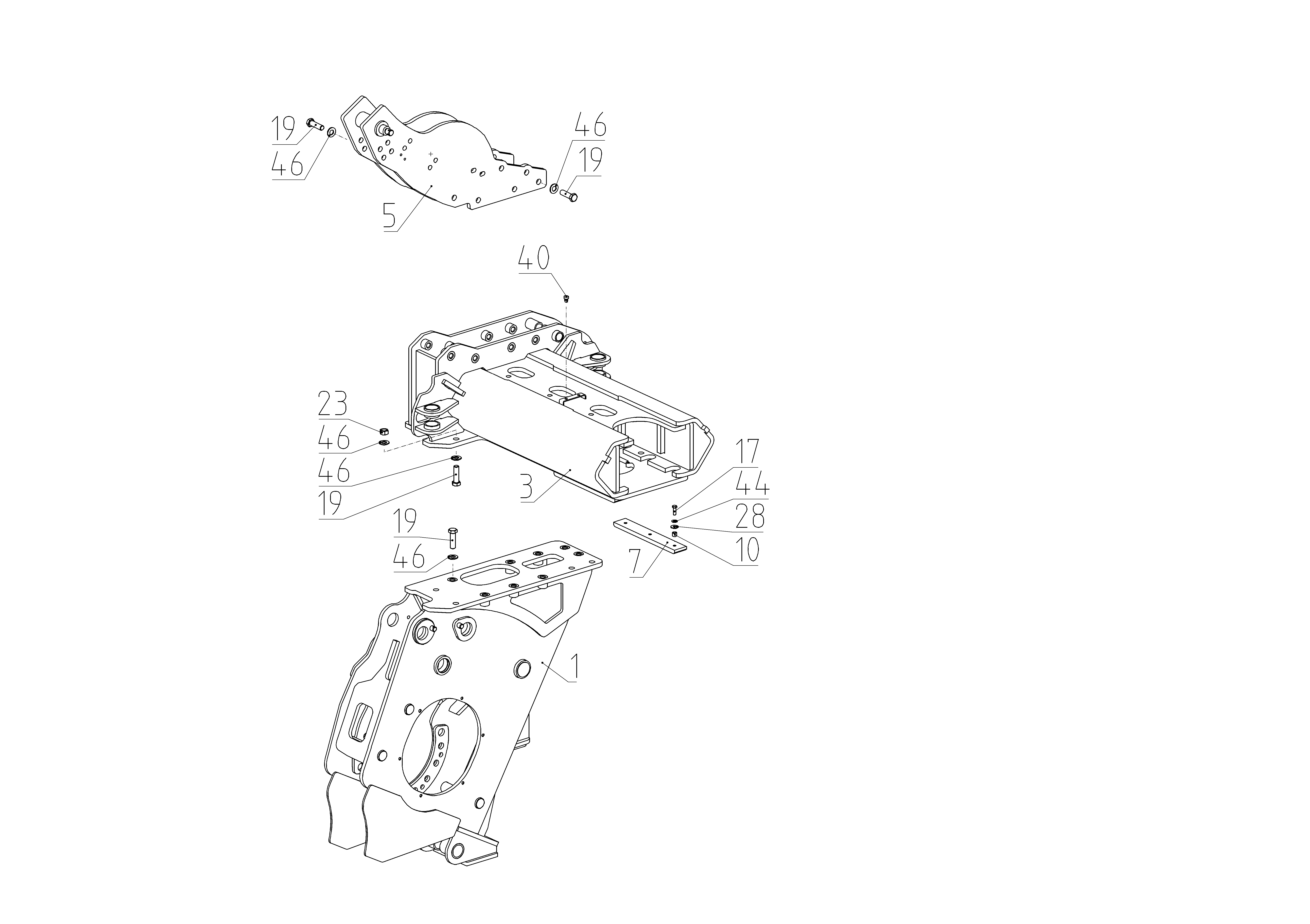
Косилка самоходная универсальная КСУ-2 - Щека

Навесная система КСУ-2.03.00.000Ф
Кронштейн КСУ-2.31.01.100
Пружина КСУ-2.31.01.500
Стопор КСУ-2.31.02.380
Стопор КСУ-2.31.02.410
Тяга КСУ-2.31.00.510
Тяга КСУ-2.31.01.460
Рычаг КСУ-2.31.01.380-01
Рычаг КСУ-2.31.01.380
Тяга КСУ-2.31.01.760
Тяга КСУ-2.31.02.760
Трубка КСУ-2.31.02.140
Датчик ELOBAU 424A17A090B01
Установка моторная КСУ-2.05.00.000Ф
Рабочее место КСУ-2.06.00.000Ф
Гидрооборудование КСУ-2.09.00.000Ф

Поиск по деталям узла Детали узла

Сроки доставки и цены будут отображаться после авторизации

Цены и корзина будут доступны после авторизации

Поз. Код Чертежный номер Кол-во позиций Начало, дата Окончание, дата Наименование
1 КСУ-2.03.01.300А-01 103491460 КСУ-2.03.01.300А-01
Номер позиции: 1
Кол-во позиций: 1
Начало, дата: 01.04.2022
Окончание, дата: -
103491460
1 01.04.2022 Боковина
Корзина будет доступна
после авторизации
3 КСУ-2.03.02.100А-01 103461514 КСУ-2.03.02.100А-01
Номер позиции: 3
Кол-во позиций: 1
Начало, дата: 01.04.2022
Окончание, дата: -
103461514
1 01.04.2022 Опора
Корзина будет доступна
после авторизации
5 КСУ-2.03.02.200А 103490884 КСУ-2.03.02.200А
Номер позиции: 5
Кол-во позиций: 1
Начало, дата: 01.04.2022
Окончание, дата: -
103490884
1 01.04.2022 Рычаг
Корзина будет доступна
после авторизации
7 КСУ-2.03.01.492 103507152 КСУ-2.03.01.492
Номер позиции: 7
Кол-во позиций: 2
Начало, дата: 01.04.2022
Окончание, дата: -
103507152
2 01.04.2022 Планка
Корзина будет доступна
после авторизации
10 181.14.01.801 100593513 181.14.01.801
Номер позиции: 10
Кол-во позиций: 6
Начало, дата: 01.04.2022
Окончание, дата: -
100593513
6 01.04.2022 Втулка
Корзина будет доступна
после авторизации
17 М8x25-8.8-flZnyc(flZnncL)-480h DIN 933 101863325 М8x25-8.8-flZnyc(flZnncL)-480h DIN 933
Номер позиции: 17
Кол-во позиций: 6
Начало, дата: 01.04.2022
Окончание, дата: -
101863325
6 01.04.2022 Болт с шестигранной головкой
Корзина будет доступна
после авторизации
19 М16x55-10.9-flZnyc(flZnncL)-480h 102820820 М16x55-10.9-flZnyc(flZnncL)-480h
Номер позиции: 19
Кол-во позиций: 18
Начало, дата: 01.04.2022
Окончание, дата: -
102820820
18 01.04.2022 Болт с шестигранной головкой DIN 933
Корзина будет доступна
после авторизации
23 DIN 934-М16-10-ZINC PLATED 101718869 DIN 934-М16-10-ZINC PLATED
Номер позиции: 23
Кол-во позиций: 3
Начало, дата: 01.04.2022
Окончание, дата: -
101718869
3 01.04.2022
Для выбора подходящей к вашей технике детали введите в поиск код продукта или свяжитесь с дилером
Гайка
Корзина будет доступна
после авторизации
23 М16-6Н.10.019 101725548 М16-6Н.10.019
Номер позиции: 23
Кол-во позиций: 3
Начало, дата: 01.04.2022
Окончание, дата: -
101725548
3 01.04.2022
Для выбора подходящей к вашей технике детали введите в поиск код продукта или свяжитесь с дилером
Гайка ГОСТ 5915-70
Корзина будет доступна
после авторизации
28 8-100 HV-FLZNYC(FLZNNCL)-480H 103222002 8-100 HV-FLZNYC(FLZNNCL)-480H
Номер позиции: 28
Кол-во позиций: 6
Начало, дата: 01.04.2022
Окончание, дата: -
103222002
6 01.04.2022 Шайба 7093
Корзина будет доступна
после авторизации
40 П4МЗ.525.079 100884931 П4МЗ.525.079
Номер позиции: 40
Кол-во позиций: 2
Начало, дата: 01.04.2022
Окончание, дата: -
100884931
2 01.04.2022 Магнитодержатель
Корзина будет доступна
после авторизации
44 8 WGR 1518 182 101421711 8 WGR 1518 182
Номер позиции: 44
Кол-во позиций: 6
Начало, дата: 01.04.2022
Окончание, дата: -
101421711
6 01.04.2022 Шайба
Корзина будет доступна
после авторизации
46 16 WGR 1518 182 101437281 16 WGR 1518 182
Номер позиции: 46
Кол-во позиций: 21
Начало, дата: 01.04.2022
Окончание, дата: -
101437281
21 01.04.2022 Шайба
Корзина будет доступна
после авторизации
Запрос на смену дилера
Сообщение для дилера
Заявка на ремонт