Поиск по деталям узла Детали узла
Сроки доставки и цены будут отображаться после авторизации
Цены и корзина будут доступны после авторизации
| Поз. | Код | Чертежный номер | Кол-во позиций | Начало, дата | Окончание, дата | Наименование | |||||
|---|---|---|---|---|---|---|---|---|---|---|---|
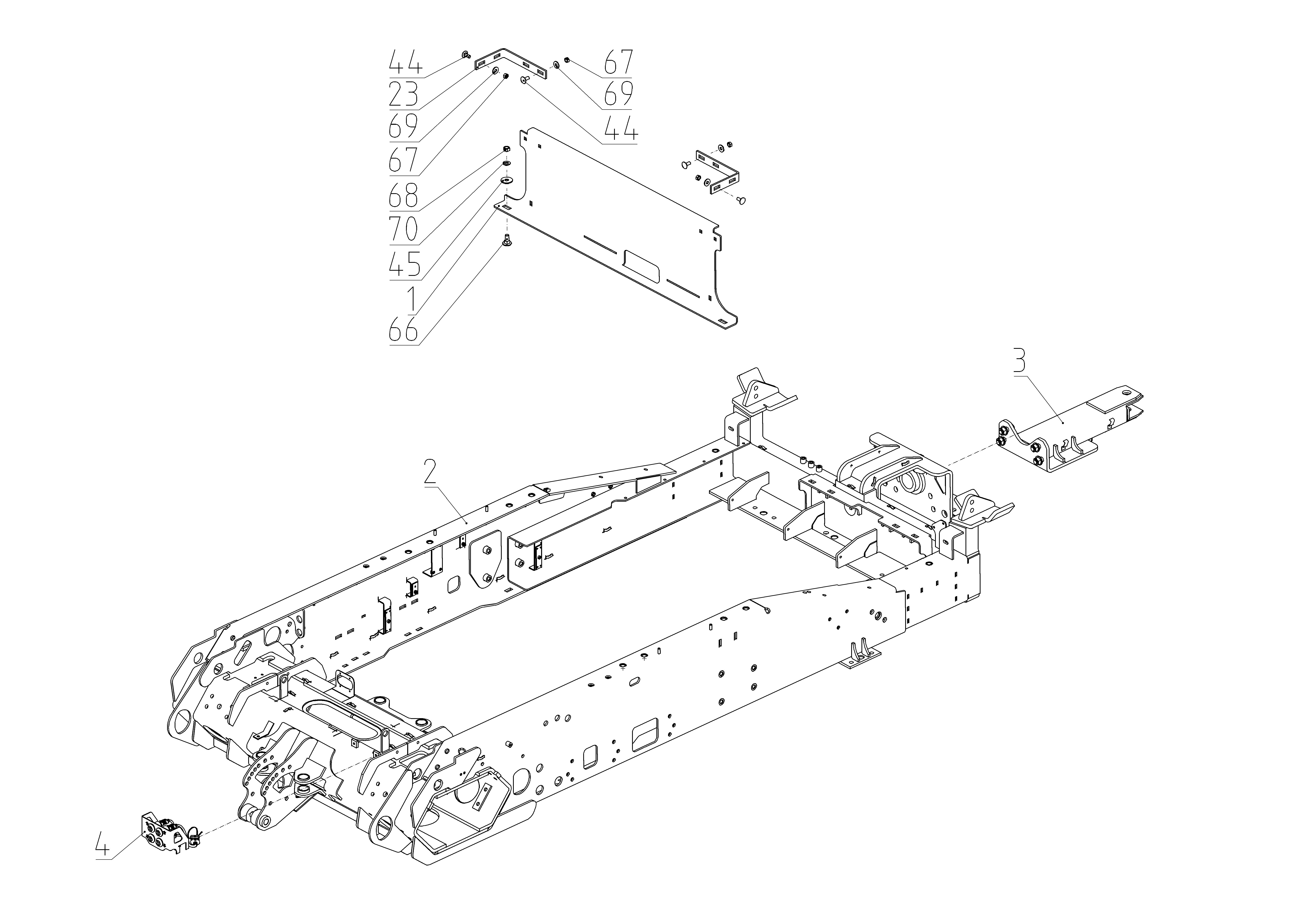
| 1 | КСУ-2.01.00.110 | 102856708 | КСУ-2.01.00.110 |
Номер позиции:
1
Кол-во позиций:
1
Начало, дата:
01.04.2021
Окончание, дата:
-
102856708 |
1 | 01.04.2021 | Опора |
Корзина будет доступна
после авторизации |
|||
| 2 | КСУ-2.04.01.000 | 103066531 | КСУ-2.04.01.000 |
Номер позиции:
2
Кол-во позиций:
1
Начало, дата:
01.04.2021
Окончание, дата:
01.04.2022
103066531 |
1 | 01.04.2021 | 01.04.2022 |
Для выбора подходящей к вашей технике детали введите в поиск код продукта или свяжитесь с дилером
|
Корзина будет доступна
после авторизации |
||
| 2 | КСУ-2.04.01.000А | 103449878 | КСУ-2.04.01.000А |
Номер позиции:
2
Кол-во позиций:
1
Начало, дата:
01.04.2022
Окончание, дата:
-
103449878 |
1 | 01.04.2022 |
Для выбора подходящей к вашей технике детали введите в поиск код продукта или свяжитесь с дилером
|
Корзина будет доступна
после авторизации |
|||
| 3 | КСУ-2.35.00.000 | 102841691 | КСУ-2.35.00.000 |
Номер позиции:
3
Кол-во позиций:
1
Начало, дата:
01.04.2021
Окончание, дата:
01.04.2022
102841691 |
1 | 01.04.2021 | 01.04.2022 |
Для выбора подходящей к вашей технике детали введите в поиск код продукта или свяжитесь с дилером
|
|||
| 3 | КСУ-2.35.00.000A | 103478301 | КСУ-2.35.00.000A |
Номер позиции:
3
Кол-во позиций:
1
Начало, дата:
01.04.2022
Окончание, дата:
-
103478301 |
1 | 01.04.2022 |
Для выбора подходящей к вашей технике детали введите в поиск код продукта или свяжитесь с дилером
|
||||
| 4 | КСУ-2.10.01.120 | 103483652 | КСУ-2.10.01.120 |
Номер позиции:
4
Кол-во позиций:
1
Начало, дата:
01.04.2022
Окончание, дата:
-
103483652 |
1 | 01.04.2022 | Установка выключателей | ||||
| 23 | КСУ-2.01.00.403 | 102858639 | КСУ-2.01.00.403 |
Номер позиции:
23
Кол-во позиций:
2
Начало, дата:
01.04.2021
Окончание, дата:
-
102858639 |
2 | 01.04.2021 | Кронштейн |
Корзина будет доступна
после авторизации |
|||
| 44 | М12x30-8.8-flZnyc(flZnncL)-480h DIN 603 | 101943238 | М12x30-8.8-flZnyc(flZnncL)-480h DIN 603 |
Номер позиции:
44
Кол-во позиций:
8
Начало, дата:
01.04.2021
Окончание, дата:
-
101943238 |
8 | 01.04.2021 | Болт с полукруглой низкой головкой |
Корзина будет доступна
после авторизации |
|||
| 45 | C 16x4.01.019 | 100166375 | C 16x4.01.019 |
Номер позиции:
45
Кол-во позиций:
2
Начало, дата:
01.04.2021
Окончание, дата:
-
100166375 |
2 | 01.04.2021 | Шайба ГОСТ 6958-78 |
Корзина будет доступна
после авторизации |
|||
| 66 | М16x40-8.8-zinc plated DIN 603 | 101439253 | М16x40-8.8-zinc plated DIN 603 |
Номер позиции:
66
Кол-во позиций:
2
Начало, дата:
01.04.2021
Окончание, дата:
-
101439253 |
2 | 01.04.2021 | Болт с полукруглой низкой головкой |
Корзина будет доступна
после авторизации |
|||
| 67 | M12-8-flZnyc(flZnncL)-480h | 101864036 | M12-8-flZnyc(flZnncL)-480h |
Номер позиции:
67
Кол-во позиций:
8
Начало, дата:
01.04.2021
Окончание, дата:
-
101864036 |
8 | 01.04.2021 | Гайка шестигранная DIN 934 |
Корзина будет доступна
после авторизации |
|||
| 68 | M16-8-flZnyc(flZnncL)-480h | 101864038 | M16-8-flZnyc(flZnncL)-480h |
Номер позиции:
68
Кол-во позиций:
2
Начало, дата:
01.04.2021
Окончание, дата:
-
101864038 |
2 | 01.04.2021 | Гайка шестигранная DIN 934 |
Корзина будет доступна
после авторизации |
|||
| 69 | 12 WGR 1518 182 | 101419261 | 12 WGR 1518 182 |
Номер позиции:
69
Кол-во позиций:
8
Начало, дата:
01.04.2021
Окончание, дата:
-
101419261 |
8 | 01.04.2021 | Шайба |
Корзина будет доступна
после авторизации |
|||
| 70 | 16 WGR 1518 182 | 101437281 | 16 WGR 1518 182 |
Номер позиции:
70
Кол-во позиций:
2
Начало, дата:
01.04.2021
Окончание, дата:
-
101437281 |
2 | 01.04.2021 | Шайба |
Корзина будет доступна
после авторизации |