Список узлов

Комбайн кормоуборочный самоходный (РСМ-1403)

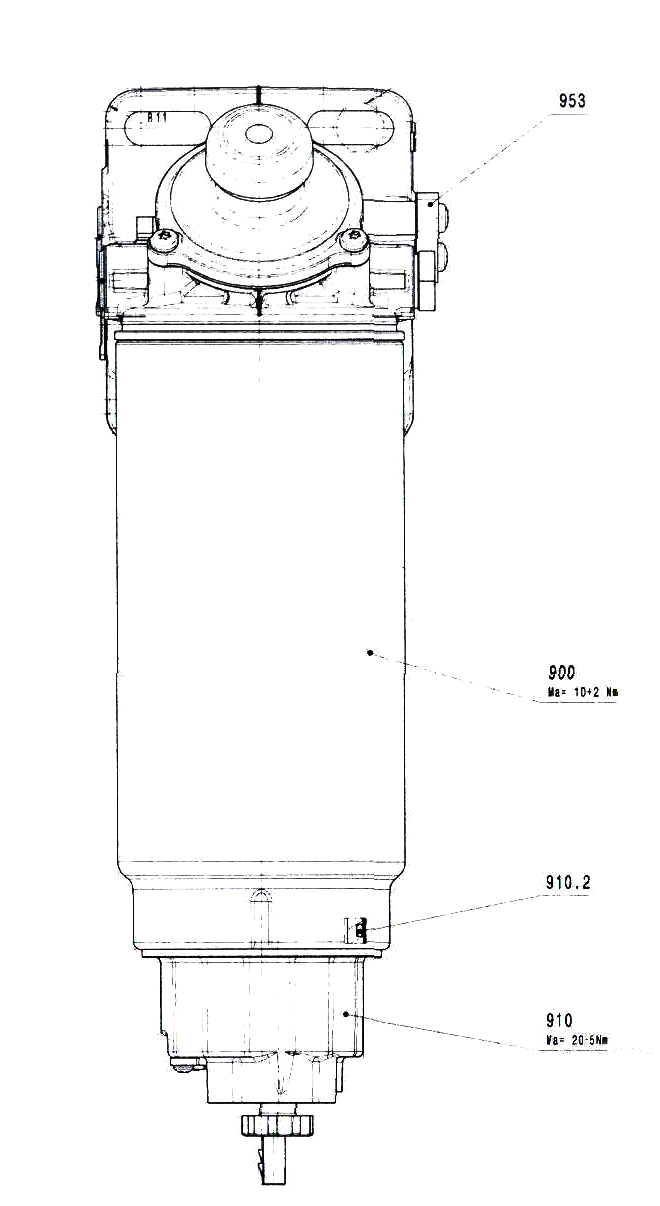
Комбайн кормоуборочный самоходный (РСМ-1403) - Фильтр грубой очистки топлива PreLine 420

Мост ведущий 1403.04.00.000Ф
Установка моторная 1403.05.00.000Ф
Двигатель OM460LA 205376 QPRJ/011440
Место рабочее 1403.06.00.000Ф
Комплекты 1403.62.00.000Ф

Поиск по деталям узла Детали узла

Сроки доставки и цены будут отображаться после авторизации

Цены и корзина будут доступны после авторизации

Поз. Код Чертежный номер Кол-во позиций Начало, дата Окончание, дата Наименование
1 23 074 32 151 101681891 23 074 32 151
Номер позиции: 1
Кол-во позиций: 1
Начало, дата: -
Окончание, дата: -
101681891
1 Кольцо
Корзина будет доступна
после авторизации
3 66 606 12 959 101681892 66 606 12 959
Номер позиции: 3
Кол-во позиций: 1
Начало, дата: -
Окончание, дата: -
101681892
1 Колба
Корзина будет доступна
после авторизации
4 66 606 59 210 101681896 66 606 59 210
Номер позиции: 4
Кол-во позиций: 1
Начало, дата: -
Окончание, дата: -
101681896
1
Для выбора подходящей к вашей технике детали введите в поиск код продукта или свяжитесь с дилером
Фильтроэлемент PL 420
Корзина будет доступна
после авторизации
4 66 606 59 520 102806988 66 606 59 520
Номер позиции: 4
Кол-во позиций: 1
Начало, дата: -
Окончание, дата: -
102806988
1
Для выбора подходящей к вашей технике детали введите в поиск код продукта или свяжитесь с дилером
Часть топливного фильтра для ДВС а/м PL 420 X MHRU
Корзина будет доступна
после авторизации
4 RSM 2420FMH 103371915 RSM 2420FMH
Номер позиции: 4
Кол-во позиций: 1
Начало, дата: -
Окончание, дата: -
103371915
1
Для выбора подходящей к вашей технике детали введите в поиск код продукта или свяжитесь с дилером
Фильтр топливный
Корзина будет доступна
после авторизации
Запрос на смену дилера
Сообщение для дилера
Заявка на ремонт