Список узлов

Комбайн кормоуборочный самоходный (РСМ-1403)

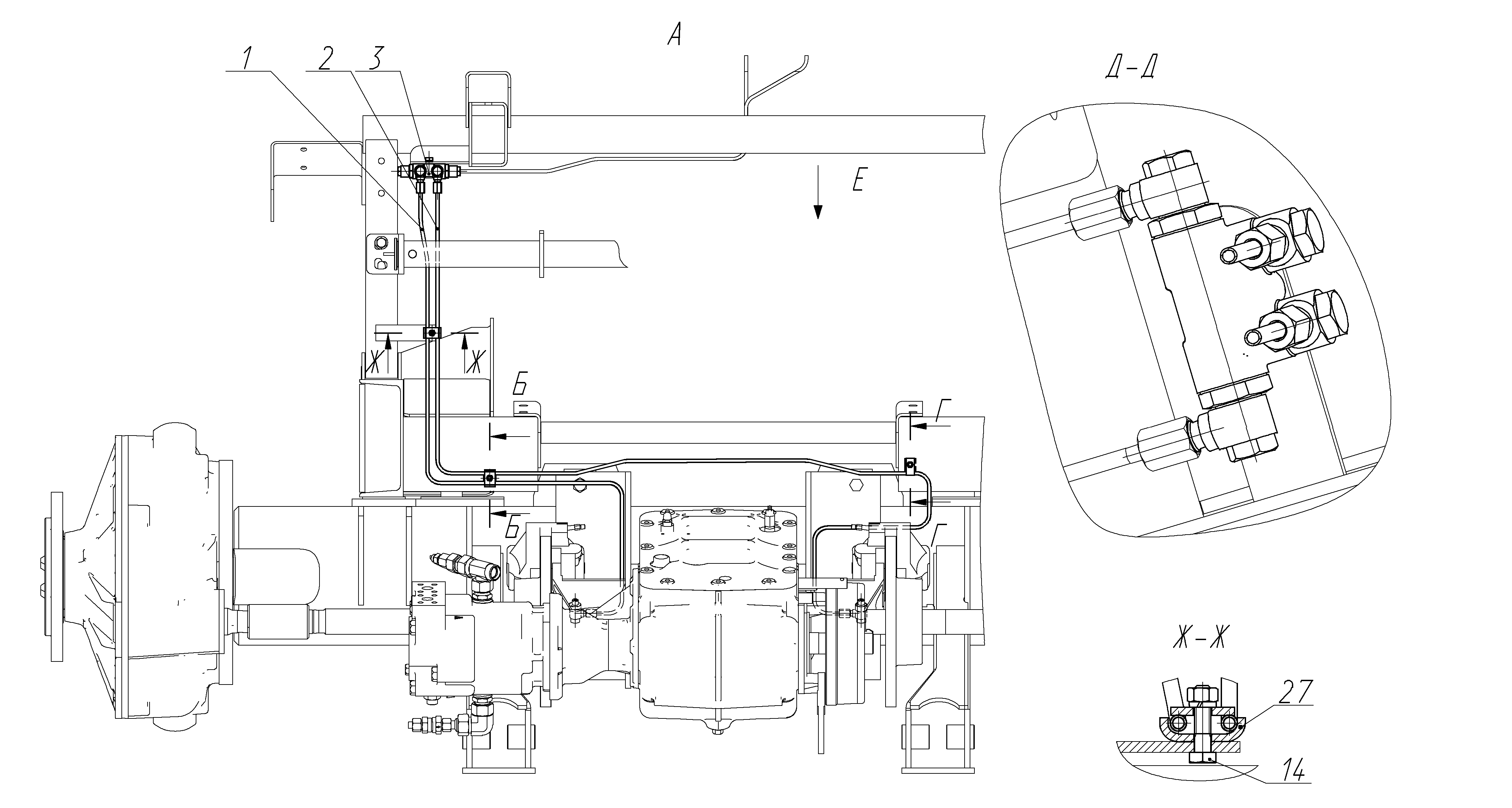
Комбайн кормоуборочный самоходный (РСМ-1403) - Коммуникации тормозные

Мост ведущий 1403.04.00.000Ф
Мостокомплект 1403.04.01.000Ф
Балка моста 1403.04.02.000Ф
Установка моторная 1403.05.00.000Ф
Место рабочее 1403.06.00.000Ф
Комплекты 1403.62.00.000Ф
Коммуникации тормозные

Для техники, произведенной с 01.08.2010

Поиск по деталям узла Детали узла

Сроки доставки и цены будут отображаться после авторизации

Цены и корзина будут доступны после авторизации

Поз. Код Чертежный номер Кол-во позиций Начало, дата Окончание, дата Наименование
1 1401.55.04.010 101266936 1401.55.04.010
Номер позиции: 1
Кол-во позиций: 1
Начало, дата: 01.08.2010
Окончание, дата: -
101266936
1 01.08.2010 Трубопровод
Корзина будет доступна
после авторизации
2 1401.55.04.020 101266945 1401.55.04.020
Номер позиции: 2
Кол-во позиций: 1
Начало, дата: 01.08.2010
Окончание, дата: -
101266945
1 01.08.2010 Трубопровод
Корзина будет доступна
после авторизации
3 142.62.15.030 101098195 142.62.15.030
Номер позиции: 3
Кол-во позиций: 1
Начало, дата: 01.08.2010
Окончание, дата: -
101098195
1 01.08.2010 Регулятор давления
14 М6-6gx25.48.019 100095905 М6-6gx25.48.019
Номер позиции: 14
Кол-во позиций: 1
Начало, дата: 01.08.2010
Окончание, дата: 02.02.2015
100095905
1 01.08.2010 02.02.2015
Для выбора подходящей к вашей технике детали введите в поиск код продукта или свяжитесь с дилером
Болт ГОСТ 7798-70
Корзина будет доступна
после авторизации
14 М6x25-8.8-zinc plated DIN 933 101701293 М6x25-8.8-zinc plated DIN 933
Номер позиции: 14
Кол-во позиций: 1
Начало, дата: 01.08.2010
Окончание, дата: 02.02.2015
101701293
1 01.08.2010 02.02.2015
Для выбора подходящей к вашей технике детали введите в поиск код продукта или свяжитесь с дилером
Болт с шестигранной головкой
Корзина будет доступна
после авторизации
27 8.6.18 100171883 8.6.18
Номер позиции: 27
Кол-во позиций: 2
Начало, дата: 01.08.2010
Окончание, дата: -
100171883
2 01.08.2010 Скоба ОСТ 23.2.120-84
Корзина будет доступна
после авторизации
Запрос на смену дилера
Сообщение для дилера
Заявка на ремонт