Поиск по деталям узла Детали узла
Сроки доставки и цены будут отображаться после авторизации
Цены и корзина будут доступны после авторизации
| Поз. | Код | Чертежный номер | Кол-во позиций | Начало, дата | Окончание, дата | Наименование | ||||
|---|---|---|---|---|---|---|---|---|---|---|
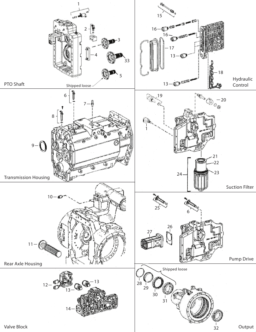
| 1 | 86040811 | 101574438 | 86040811 |
Номер позиции:
1
Кол-во позиций:
2
Начало, дата:
-
Окончание, дата:
-
101574438 |
2 | СОЛЕНОИД - КЛАПАН 280 |
Корзина будет доступна
после авторизации |
|||
| 2 | 86040802 | 101574439 | 86040802 |
Номер позиции:
2
Кол-во позиций:
1
Начало, дата:
-
Окончание, дата:
-
101574439 |
1 | ДАТЧИК СКОРОСТИ 942 |
Корзина будет доступна
после авторизации |
|||
| 3 | 86041849 | 101574440 | 86041849 |
Номер позиции:
3
Кол-во позиций:
1
Начало, дата:
-
Окончание, дата:
-
101574440 |
1 | ВАЛ - ОТБОР МОЩНОСТИ, ДИАМЕТР 1,75", 1000ОБ./МИН., 20Т |
Корзина будет доступна
после авторизации |
|||
| 4 | 86040818 | 101574441 | 86040818 |
Номер позиции:
4
Кол-во позиций:
1
Начало, дата:
-
Окончание, дата:
-
101574441 |
1 | Смотровое Стекло Масло 351 |
Корзина будет доступна
после авторизации |
|||
| 5 | 86038370 | 101480703 | 86038370 |
Номер позиции:
5
Кол-во позиций:
1
Начало, дата:
-
Окончание, дата:
-
101480703 |
1 | ОТБОР МОЩНОСТИ - ВАЛ - О 1-3/8", 540ОБ./МИН. |
Корзина будет доступна
после авторизации |
|||
| 6 | 86040803 | 101574442 | 86040803 |
Номер позиции:
6
Кол-во позиций:
2
Начало, дата:
-
Окончание, дата:
-
101574442 |
2 | ДАТЧИК СКОРОСТИ 945 |
Корзина будет доступна
после авторизации |
|||
| 7 | 86040795 | 101574443 | 86040795 |
Номер позиции:
7
Кол-во позиций:
1
Начало, дата:
-
Окончание, дата:
-
101574443 |
1 | ВЫКЛЮЧАТЕЛЬ - КУЛАЧКОВЫЙ |
Корзина будет доступна
после авторизации |
|||
| 8 | 86040804 | 101574444 | 86040804 |
Номер позиции:
8
Кол-во позиций:
1
Начало, дата:
-
Окончание, дата:
-
101574444 |
1 | ДАТЧИК СКОРОСТИ 947 |
Корзина будет доступна
после авторизации |
|||
| 9 | 86042508 | 101574445 | 86042508 |
Номер позиции:
9
Кол-во позиций:
1
Начало, дата:
-
Окончание, дата:
-
101574445 |
1 | Уплотнение, Вал |
Корзина будет доступна
после авторизации |
|||
| 10 | 86040813 | 101574446 | 86040813 |
Номер позиции:
10
Кол-во позиций:
3
Начало, дата:
-
Окончание, дата:
-
101574446 |
3 | СОЛЕНОИД - КЛАПАН 124 |
Корзина будет доступна
после авторизации |
|||
| 11 | 86040797 | 101574447 | 86040797 |
Номер позиции:
11
Кол-во позиций:
1
Начало, дата:
-
Окончание, дата:
-
101574447 |
1 | ФИЛЬТР РАБОТАЮЩИЙ ПОД РАЗРЕЖЕНИЕМ 028 |
Корзина будет доступна
после авторизации |
|||
| 12 | 86040816 | 101574448 | 86040816 |
Номер позиции:
12
Кол-во позиций:
1
Начало, дата:
-
Окончание, дата:
-
101574448 |
1 | ПОДВЕСКА ЭЛЕКТРОПРОВОДКИ 018 |
Корзина будет доступна
после авторизации |
|||
| 13 | 86040800 | 101574449 | 86040800 |
Номер позиции:
13
Кол-во позиций:
5
Начало, дата:
-
Окончание, дата:
-
101574449 |
5 | СОЛЕНОИД - КЛАПАН 374 |
Корзина будет доступна
после авторизации |
|||
| 14 | 86040817 | 101574450 | 86040817 |
Номер позиции:
14
Кол-во позиций:
1
Начало, дата:
-
Окончание, дата:
-
101574450 |
1 | Клапан 1/2" |
Корзина будет доступна
после авторизации |
|||
| 15 | 86040796 | 101574451 | 86040796 |
Номер позиции:
15
Кол-во позиций:
1
Начало, дата:
-
Окончание, дата:
-
101574451 |
1 | Ограничитель Раскачивания, прав. |
Корзина будет доступна
после авторизации |
|||
| 16 | 86040801 | 101574452 | 86040801 |
Номер позиции:
16
Кол-во позиций:
2
Начало, дата:
-
Окончание, дата:
-
101574452 |
2 | СОЛЕНОИД - КЛАПАН 767 |
Корзина будет доступна
после авторизации |
|||
| 17 | 86040812 | 101574453 | 86040812 |
Номер позиции:
17
Кол-во позиций:
1
Начало, дата:
-
Окончание, дата:
-
101574453 |
1 | КОЛЬЦО 634 349 606 |
Корзина будет доступна
после авторизации |
|||
| 18 | 86040815 | 101574454 | 86040815 |
Номер позиции:
18
Кол-во позиций:
1
Начало, дата:
-
Окончание, дата:
-
101574454 |
1 | ПОДВЕСКА ЭЛЕКТРОПРОВОДКИ 005 |
Корзина будет доступна
после авторизации |
|||
| 19 | 86040809 | 101574455 | 86040809 |
Номер позиции:
19
Кол-во позиций:
1
Начало, дата:
-
Окончание, дата:
-
101574455 |
1 | ДАТЧИК - ТЕМПЕРАТУРЫ 533 |
Корзина будет доступна
после авторизации |
|||
| 20 | 86040798 | 101574456 | 86040798 |
Номер позиции:
20
Кол-во позиций:
1
Начало, дата:
-
Окончание, дата:
-
101574456 |
1 | Регулятор давления |
Корзина будет доступна
после авторизации |
|||
| 21 | 86040808 | 101574457 | 86040808 |
Номер позиции:
21
Кол-во позиций:
1
Начало, дата:
-
Окончание, дата:
-
101574457 |
1 | КОЛЬЦО 501 322 185 |
Корзина будет доступна
после авторизации |
|||
| 22 | 86040806 | 101574458 | 86040806 |
Номер позиции:
22
Кол-во позиций:
1
Начало, дата:
-
Окончание, дата:
-
101574458 |
1 | ФИЛЬТРУЮЩИЙ ЭЛЕМЕНТ 325 |
Корзина будет доступна
после авторизации |
|||
| 23 | 86040807 | 101574459 | 86040807 |
Номер позиции:
23
Кол-во позиций:
1
Начало, дата:
-
Окончание, дата:
-
101574459 |
1 | Уплотнительное кольцо |
Корзина будет доступна
после авторизации |
|||
| 24 | 86040799 | 101574460 | 86040799 |
Номер позиции:
24
Кол-во позиций:
1
Начало, дата:
-
Окончание, дата:
-
101574460 |
1 | ФИЛЬТР- РАБОТАЮЩИЙ ПОД РАЗРЕЖЕНИЕМ 047 |
Корзина будет доступна
после авторизации |
|||
| 25 | 86040805 | 101574461 | 86040805 |
Номер позиции:
25
Кол-во позиций:
1
Начало, дата:
-
Окончание, дата:
-
101574461 |
1 | ДАТЧИК СКОРОСТИ 948 |
Корзина будет доступна
после авторизации |
|||
| 26 | 86040814 | 101574462 | 86040814 |
Номер позиции:
26
Кол-во позиций:
1
Начало, дата:
-
Окончание, дата:
-
101574462 |
1 | Прокладка 097 |
Корзина будет доступна
после авторизации |
|||
| 27 | 86040794 | 101574463 | 86040794 |
Номер позиции:
27
Кол-во позиций:
1
Начало, дата:
-
Окончание, дата:
-
101574463 |
1 | Насос |
Корзина будет доступна
после авторизации |
|||
| 28 | 86041572 | 101574464 | 86041572 |
Номер позиции:
28
Кол-во позиций:
2
Начало, дата:
-
Окончание, дата:
-
101574464 |
2 | Плоская Крышка |
Корзина будет доступна
после авторизации |
|||
| 29 | 86041574 | 101574465 | 86041574 |
Номер позиции:
29
Кол-во позиций:
2
Начало, дата:
-
Окончание, дата:
-
101574465 |
2 | Уплотнитель полуоси |
Корзина будет доступна
после авторизации |
|||
| 30 | 86041573 | 101574466 | 86041573 |
Номер позиции:
30
Кол-во позиций:
2
Начало, дата:
-
Окончание, дата:
-
101574466 |
2 | Маслосъемное уплонительное кольцо |
Корзина будет доступна
после авторизации |
|||
| 31 | 86041009 | 101574467 | 86041009 |
Номер позиции:
31
Кол-во позиций:
2
Начало, дата:
-
Окончание, дата:
-
101574467 |
2 | Роликовый подшипник |
Корзина будет доступна
после авторизации |
|||
| 32 | 86041010 | 101574468 | 86041010 |
Номер позиции:
32
Кол-во позиций:
2
Начало, дата:
-
Окончание, дата:
-
101574468 |
2 | Роликовый подшипник |
Корзина будет доступна
после авторизации |
|||
| 33 | 86038369 | 101574469 | 86038369 |
Номер позиции:
33
Кол-во позиций:
1
Начало, дата:
-
Окончание, дата:
-
101574469 |
1 | ОТБОР МОЩНОСТИ ВАЛ - O1-3/8" 1000 ОБ/МИН. |
Корзина будет доступна
после авторизации |