Поиск по деталям узла Детали узла
Сроки доставки и цены будут отображаться после авторизации
Цены и корзина будут доступны после авторизации
| Поз. | Код | Чертежный номер | Кол-во позиций | Начало, дата | Окончание, дата | Наименование | |||||
|---|---|---|---|---|---|---|---|---|---|---|---|
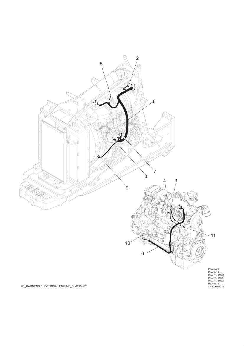
| 2 | 86037305 | 101591853 | 86037305 |
Номер позиции:
2
Кол-во позиций:
1
Начало, дата:
-
Окончание, дата:
-
101591853 |
1 | Проводка фар капота |
Корзина будет доступна
после авторизации |
||||
| 3 | 86037879 | 101591811 | 86037879 |
Номер позиции:
3
Кол-во позиций:
1
Начало, дата:
-
Окончание, дата:
-
101591811 |
1 | Проводка предпускового подогревателя в сборе |
Корзина будет доступна
после авторизации |
||||
| 4 | 86507991 | 100898039 | 86507991 |
Номер позиции:
4
Кол-во позиций:
1
Начало, дата:
-
Окончание, дата:
-
100898039 |
1 | ВЫКЛЮЧАТЕЛЬ - В СБОРЕ, 1,85" |
Корзина будет доступна
после авторизации |
||||
| 5 | 86042654 | 101591779 | 86042654 |
Номер позиции:
5
Кол-во позиций:
1
Начало, дата:
-
Окончание, дата:
-
101591779 |
1 | Датчик уровня жидкости |
Корзина будет доступна
после авторизации |
||||
| 6 | 86035138 | 101591854 | 86035138 |
Номер позиции:
6
Кол-во позиций:
1
Начало, дата:
-
Окончание, дата:
-
101591854 |
1 | Проводка двигателя Qsb, Qsc, Qsl Cummins |
Корзина будет доступна
после авторизации |
||||
| 7 | 86034840 | 101574425 | 86034840 |
Номер позиции:
7
Кол-во позиций:
1
Начало, дата:
-
Окончание, дата:
-
101574425 |
1 | Двигатель - CUMMINS Qsb-6.7 / 190 Класс-3, Genesis | |||||
| 8 | NSS | 101571308 | NSS |
Номер позиции:
8
Кол-во позиций:
1
Начало, дата:
-
Окончание, дата:
-
101571308 |
1 | ОТДЕЛЬНО НЕ ПРОДАЕТСЯ |
Корзина будет доступна
после авторизации |
||||
| 9 | 86037797 | 101480694 | 86037797 |
Номер позиции:
9
Кол-во позиций:
1
Начало, дата:
-
Окончание, дата:
-
101480694 |
1 | Привод вентилятора |
Корзина будет доступна
после авторизации |
||||
| 10 | 86032932 | 100903971 | 86032932 |
Номер позиции:
10
Кол-во позиций:
1
Начало, дата:
-
Окончание, дата:
-
100903971 |
1 | РЕЛЕ СТАРТЕРА 12 В |
Корзина будет доступна
после авторизации |
||||
| 11 | 86039280 | 101577386 | 86039280 |
Номер позиции:
11
Кол-во позиций:
1
Начало, дата:
-
Окончание, дата:
-
101577386 |
1 |
Для выбора подходящей к вашей технике детали введите в поиск код продукта или свяжитесь с дилером
|
Корзина будет доступна
после авторизации |
||||
| 11 | IMC100395 | 104093160 | IMC100395 |
Номер позиции:
11
Кол-во позиций:
1
Начало, дата:
-
Окончание, дата:
-
104093160 |
1 |
Для выбора подходящей к вашей технике детали введите в поиск код продукта или свяжитесь с дилером
|
Корзина будет доступна
после авторизации |