Список узлов

HHT 435/485/535/575

HHT 435/485/535/575 - Электрооборудование 3-х точечной навески

Установка двигателя QSX-15 Cummins HHT.01.000
Гидросистема HHT.05.000
Приводы HHT.07.000
Кабина/Наклейки и внутренняя отделка HHT.09.000
Приспособления и аксессуары HHT.10.000
Комплект инструмента со смазкой 09TLK01
Электрооборудование 3-х точечной навески 10HPL02
Быстрозахватное устройство 4 категории 10QHA01
Комплект сигнализации движения назад (автоматическая трансмиссия) 14BE10
Автоматическое рулевое управление Raven версия 2 14BE11
Комплект сигнализации движения назад (механическая трансмиссия) 14BE20
Автоматическое подруливающее устройство Raven версия 1 14BE9
Передние грузы 9ATT02
Изменяемое прицепное устройство 9ATT03
Комплект усиленного прицепного устройства 9ATT03a
Захват для скреперной машины и прицепное устройство в сборе 9ATT04
Захват для скреперной машины и прицепное устройство в сборе 9ATT05
Захват для скреперной машины и прицепное устройство в сборе 9ATT06
Прицепное устройство 5 категории 9ATT07
Конфигурация колес в сборе 9ATW01
Комплект Дисплея 9CBD01
Комплект комбинирования потока для гидрораспределителя 9CFV01
Комплекты установки дилером / 3-х точечные навески и ВОМ 9DIA01
Комплект кронштена задних нижних грузов 9DIA02
Комплект отбора проб масла 9DIA03
Обогреватель двигателя 9ENG01
Комлект фильтров и ремней для QSX-15 9FBK05
Искрогаситель 9FEC01
Подставка для ноги 9FRA01
Комплект разрывных муфт 3/4 9HCK01
Комплект разрывных муфт 3/4 9HCK02
Комплект разрывных муфт 3/4 для SB23 9HCK03
Комплект интенсивного потока для распределителя МР-18 с электроуправлением 9HFE01
Комплект интенсивного потока для распределителя МР-18 с механическим управлением 9HFM01
Комплект для уменьшения потока распределителя МР-18 9HVL
Комплект газоразрядных фар 9HWK01
Вилка прицепа 9ISS01
Комплект переоборудования гидрораспределителя с 4 на 6 секционный 9IVC01
Комплект выключения питания ключом зажигания 9KOP01
Кронштейн установки монитора на правую сторону 9MMB01
Кронштейн установки монитора на переднюю сторону с розетками 9MMB02
Радио 9RADIO
Комплект переоборудования ручного потенциометра 9REW01
Комплект русскоязычных наклеек безопасности 9RSD01
Инструментальный ящик и ступеньки 9TLB01
Комплект буксировочного троса 9TLE10
Сервисные приспособления для ННТ и L4WD 9TLS01a
Комплект монитора рабочих характеристик 9TPM12
Комплект сиденья дополнительного 9TSK01
Комплект подкапотных ламп 9WLK01
Комплекты грузов и сопутствующие изделия 9WTS00
Комплект автоматической смазки HHT.10.001
Комплект автоматического рулевого управления Raven версия 2 HHT.10.002
Комплект автоматического рулевого управления Raven версия 1 HHT.10.003
Комплект автоматической смазки HHT.10.004
Комплект автоматической смазки HHT.10.013

Поиск по деталям узла Детали узла

Сроки доставки и цены будут отображаться после авторизации

Цены и корзина будут доступны после авторизации

Поз. Код Чертежный номер Кол-во позиций Начало, дата Окончание, дата Наименование
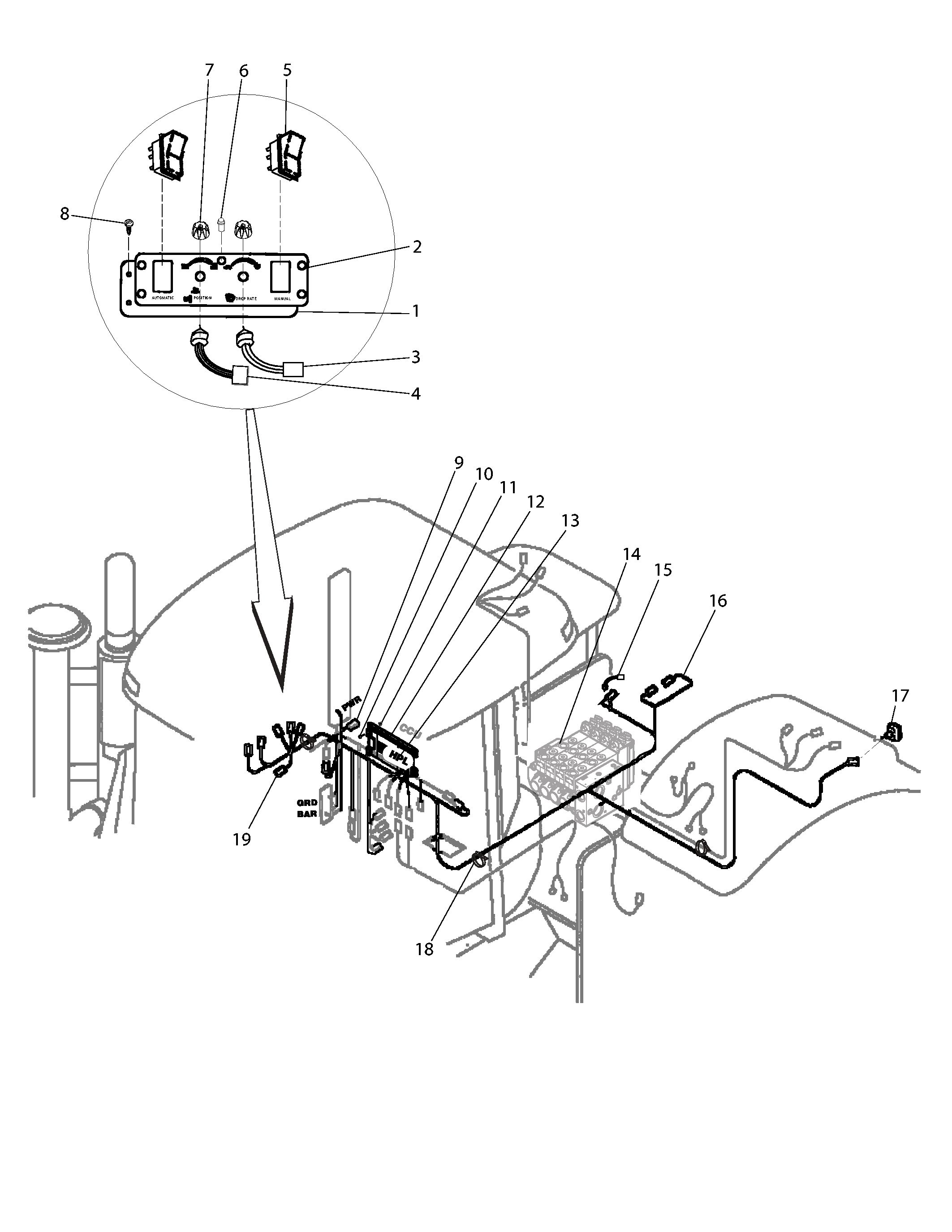
1 86038072 101572653 86038072
Номер позиции: 1
Кол-во позиций: 1
Начало, дата: -
Окончание, дата: -
101572653
1 ПЛАСТИНА - ПАНЕЛЬ УПРАВЛЕНИЯ 3РТН
Корзина будет доступна
после авторизации
2 86038073 101572654 86038073
Номер позиции: 2
Кол-во позиций: 1
Начало, дата: -
Окончание, дата: -
101572654
1 БИРКА - ПАНЕЛЬ УПРАВЛЕНИЯ 3РТН
Корзина будет доступна
после авторизации
3 86002423 102332070 86002423
Номер позиции: 3
Кол-во позиций: 1
Начало, дата: -
Окончание, дата: -
102332070
1
Для выбора подходящей к вашей технике детали введите в поиск код продукта или свяжитесь с дилером
Проводка потенциометра
Корзина будет доступна
после авторизации
3 РДЕС.434175.002 104114625 РДЕС.434175.002
Номер позиции: 3
Кол-во позиций: 1
Начало, дата: -
Окончание, дата: -
104114625
1
Для выбора подходящей к вашей технике детали введите в поиск код продукта или свяжитесь с дилером
Потенциометр
Корзина будет доступна
после авторизации
4 Проводка потенциометра в сборе 86002448 102332071 Проводка потенциометра в сборе 86002448
Номер позиции: 4
Кол-во позиций: 1
Начало, дата: -
Окончание, дата: -
102332071
1
Для выбора подходящей к вашей технике детали введите в поиск код продукта или свяжитесь с дилером
Проводка потенциометра в сборе 86002448
Корзина будет доступна
после авторизации
4 РДЕС.434175.003 104114624 РДЕС.434175.003
Номер позиции: 4
Кол-во позиций: 1
Начало, дата: -
Окончание, дата: -
104114624
1
Для выбора подходящей к вашей технике детали введите в поиск код продукта или свяжитесь с дилером
Потенциометр
Корзина будет доступна
после авторизации
5 86000538 102332069 86000538
Номер позиции: 5
Кол-во позиций: 2
Начало, дата: -
Окончание, дата: -
102332069
2 Переключатель трехточечной навески
Корзина будет доступна
после авторизации
6 9673037 102332061 9673037
Номер позиции: 6
Кол-во позиций: 1
Начало, дата: -
Окончание, дата: -
102332061
1 Лампа
Корзина будет доступна
после авторизации
7 86018882 100905656 86018882
Номер позиции: 7
Кол-во позиций: 2
Начало, дата: -
Окончание, дата: -
100905656
2 РУЧКА - АБС (ЧЕРНАЯ) 29ММ, ПРУЖИННАЯ КЛИПСА В СБОРЕ
Корзина будет доступна
после авторизации
8 9673088 102333403 9673088
Номер позиции: 8
Кол-во позиций: 4
Начало, дата: -
Окончание, дата: -
102333403
4 Винт
Корзина будет доступна
после авторизации
9 9811773 101571384 9811773
Номер позиции: 9
Кол-во позиций: 1
Начало, дата: -
Окончание, дата: -
101571384
1 Предохранитель - 10Амп красный Пл
Корзина будет доступна
после авторизации
10 9804255 102331165 9804255
Номер позиции: 10
Кол-во позиций: 4
Начало, дата: -
Окончание, дата: -
102331165
4 Винт с шестигранной головкой и фланцем - M6 x 16 мм, Cl-8.8 Pl
Корзина будет доступна
после авторизации
11 86511444 101565589 86511444
Номер позиции: 11
Кол-во позиций: 4
Начало, дата: -
Окончание, дата: -
101565589
4 Гайка шестигранная, фланцевая M6 x 1.00
Корзина будет доступна
после авторизации
12 86036379SRV 101572659 86036379SRV
Номер позиции: 12
Кол-во позиций: 1
Начало, дата: -
Окончание, дата: -
101572659
1 МОДУЛЬ УПРАВЛЕНИЯ - 3РТН С ПРОГРАММНЫМ ОБЕСПЕЧЕНИЕМ
Корзина будет доступна
после авторизации
13 86039084 101572660 86039084
Номер позиции: 13
Кол-во позиций: 1
Начало, дата: -
Окончание, дата: -
101572660
1 БИРКА HПл
Корзина будет доступна
после авторизации
14 86035395 101480678 86035395
Номер позиции: 14
Кол-во позиций: 1
Начало, дата: -
Окончание, дата: -
101480678
1 СЕГМЕНТ - ГИДРОКЛАПАН В СБОРЕ, HПл SB23
Корзина будет доступна
после авторизации
16 86039303 101572662 86039303
Номер позиции: 16
Кол-во позиций: 1
Начало, дата: -
Окончание, дата: -
101572662
1 ПРОВОД - В СБОРЕ
Корзина будет доступна
после авторизации
17 86034364 100903410 86034364
Номер позиции: 17
Кол-во позиций: 1
Начало, дата: -
Окончание, дата: -
100903410
1 ПЕРЕКЛЮЧАТЕЛЬ - 3-ПОЗИЦИОННЫЙ
Корзина будет доступна
после авторизации
18 00033451 101566625 00033451
Номер позиции: 18
Кол-во позиций: 12
Начало, дата: -
Окончание, дата: -
101566625
12 Стяжка нейлоновая, L-365мм
Корзина будет доступна
после авторизации
19 86034940 100903210 86034940
Номер позиции: 19
Кол-во позиций: 1
Начало, дата: -
Окончание, дата: -
100903210
1 РЕЛЕ - КОНТРОЛЬ ВРЕМЕНИ, 12В
Корзина будет доступна
после авторизации
Запрос на смену дилера
Сообщение для дилера
Заявка на ремонт