Поиск по деталям узла Детали узла
Сроки доставки и цены будут отображаться после авторизации
Цены и корзина будут доступны после авторизации
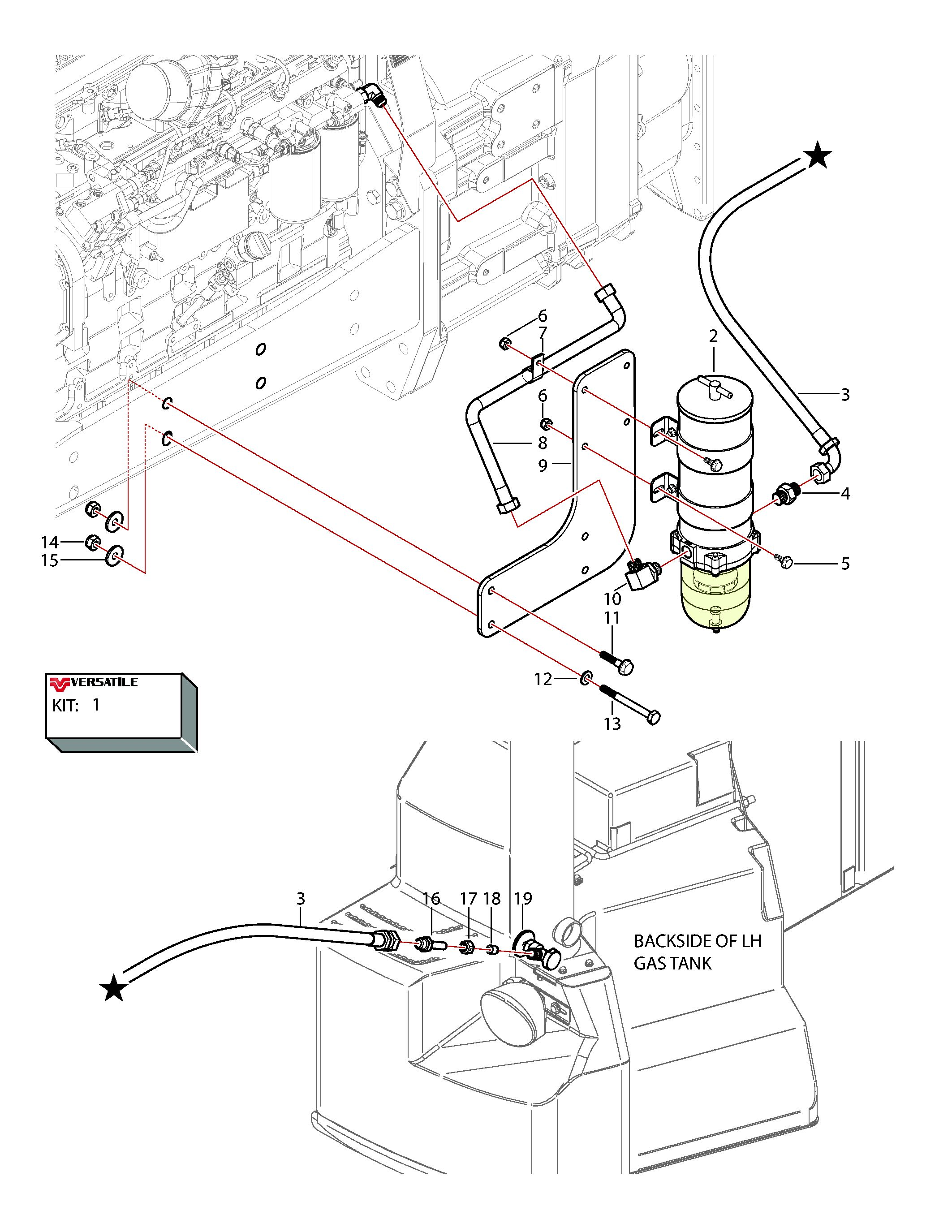
| Поз. | Код | Чертежный номер | Кол-во позиций | Начало, дата | Окончание, дата | Наименование | |||||
|---|---|---|---|---|---|---|---|---|---|---|---|
| 1 | 86041415 | 101575069 | 86041415 |
Номер позиции:
1
Кол-во позиций:
1
Начало, дата:
-
Окончание, дата:
-
101575069 |
1 | Комплект фильтра-сепаратора |
Корзина будет доступна
после авторизации |
||||
| 2 | 86033133 | 102331666 | 86033133 |
Номер позиции:
2
Кол-во позиций:
1
Начало, дата:
-
Окончание, дата:
-
102331666 |
1 | Фильтр топливный, водоотделитель в сборе | |||||
| 3 | 86041392 | 101575070 | 86041392 |
Номер позиции:
3
Кол-во позиций:
1
Начало, дата:
-
Окончание, дата:
-
101575070 |
1 | ШЛАНГ В СБОРЕ 1/2 x 1000 100r1 |
Корзина будет доступна
после авторизации |
||||
| 4 | 50454 | 101575071 | 50454 |
Номер позиции:
4
Кол-во позиций:
1
Начало, дата:
-
Окончание, дата:
-
101575071 |
1 | РАЗЪЕМ 8-10 37-Or |
Корзина будет доступна
после авторизации |
||||
| 5 | 9804261 | 102331442 | 9804261 |
Номер позиции:
5
Кол-во позиций:
4
Начало, дата:
-
Окончание, дата:
-
102331442 |
4 | Болт |
Корзина будет доступна
после авторизации |
||||
| 6 | 00043435 | 101571078 | 00043435 |
Номер позиции:
6
Кол-во позиций:
4
Начало, дата:
-
Окончание, дата:
-
101571078 |
4 | ШЕСТИГРАННАЯ ГАЙКА, ФЛАНЦЕВАЯ M10 Usr Пл |
Корзина будет доступна
после авторизации |
||||
| 7 | 86525001 | 101566617 | 86525001 |
Номер позиции:
7
Кол-во позиций:
1
Начало, дата:
-
Окончание, дата:
-
101566617 |
1 | КЛИПСА С ПОКРЫТИЕМ ДИАМЕТР-1.00" |
Корзина будет доступна
после авторизации |
||||
| 8 | 86041391 | 101575072 | 86041391 |
Номер позиции:
8
Кол-во позиций:
1
Начало, дата:
-
Окончание, дата:
-
101575072 |
1 | ШЛАНГ В СБОРЕ 1/2" x 650 100r1 |
Корзина будет доступна
после авторизации |
||||
| 9 | 86041351 | 101575073 | 86041351 |
Номер позиции:
9
Кол-во позиций:
1
Начало, дата:
-
Окончание, дата:
-
101575073 |
1 | ПЛАСТИНА - ОПОРА ФИЛЬТРА |
Корзина будет доступна
после авторизации |
||||
| 10 | 9617891 | 101575074 | 9617891 |
Номер позиции:
10
Кол-во позиций:
1
Начало, дата:
-
Окончание, дата:
-
101575074 |
1 | УГОЛОК 90 3/4 mjic x 7/8 morb |
Корзина будет доступна
после авторизации |
||||
| 11 | 86512261 | 101574045 | 86512261 |
Номер позиции:
11
Кол-во позиций:
2
Начало, дата:
-
Окончание, дата:
-
101574045 |
2 | КОЛПАЧКОВЫЙ ВИНТ- ФЛАНЦЕВЫЙ ШЕСТИГРАННИК Usr M12 x 60 Пл |
Корзина будет доступна
после авторизации |
||||
| 12 | 86511324 | 102331667 | 86511324 |
Номер позиции:
12
Кол-во позиций:
2
Начало, дата:
-
Окончание, дата:
-
102331667 |
2 | Шайба 13.27x24.00x2.500 PL |
Корзина будет доступна
после авторизации |
||||
| 13 | 9847703 | 100909997 | 9847703 |
Номер позиции:
13
Кол-во позиций:
2
Начало, дата:
-
Окончание, дата:
-
100909997 |
2 | БОЛТ С ШЕСТИГРАННОЙ ГОЛОВКОЙ M12 X 130 10.9PL |
Корзина будет доступна
после авторизации |
||||
| 14 | 00100038 | 101573345 | 00100038 |
Номер позиции:
14
Кол-во позиций:
4
Начало, дата:
-
Окончание, дата:
-
101573345 |
4 | ГАЙКА, СТОПОРНАЯ, СТАЛЬ M12 КЛАСС 8 Пл |
Корзина будет доступна
после авторизации |
||||
| 15 | 00029684 | 101574864 | 00029684 |
Номер позиции:
15
Кол-во позиций:
4
Начало, дата:
-
Окончание, дата:
-
101574864 |
4 | ШАЙБА - ПЛОСКАЯ, СТАЛЬНАЯ, ТОЛЩИНА 3/16" |
Корзина будет доступна
после авторизации |
||||
| 16 | 86041394 | 101575075 | 86041394 |
Номер позиции:
16
Кол-во позиций:
1
Начало, дата:
-
Окончание, дата:
-
101575075 |
1 | РАЗЪЕМ 3/4-16 Mjic x 1/2" ТРУБА |
Корзина будет доступна
после авторизации |
||||
| 17 | 86041867 | 101575076 | 86041867 |
Номер позиции:
17
Кол-во позиций:
1
Начало, дата:
-
Окончание, дата:
-
101575076 |
1 | ЗАЖИМ 1/2, СЖАТИЕ ЛАТУННОЙ ТРУБКИ |
Корзина будет доступна
после авторизации |
||||
| 18 | 86041866 | 101575077 | 86041866 |
Номер позиции:
18
Кол-во позиций:
1
Начало, дата:
-
Окончание, дата:
-
101575077 |
1 | ГАЙКА 1/2, СЖАТИЕ ЛАТУННОЙ ТРУБКИ |
Корзина будет доступна
после авторизации |
||||
| 19 | 86036797 | 101574890 | 86036797 |
Номер позиции:
19
Кол-во позиций:
1
Начало, дата:
-
Окончание, дата:
-
101574890 |
1 | КЛАПАН - 1/2" ТРУБА |
Корзина будет доступна
после авторизации |